Решения MEAN WELL для освещения в системе «умный дом»
23 сентября 2020
Софья Букреева (г. Протвино)
Протокол KNX предлагает потребителям комплексную систему управления освещением и функциями безопасности – как центральную, так и распределенную. Компания MEAN WELL выпускает ряд изделий с поддержкой протокола KNX – LED-драйверы серии LCM-KN, а также блоки питания KNX-20E и KNX-40E.
Спрос на удобство и универсальность в управлении освещением растет, при этом особенно важным становится эффективное использование электроэнергии. Стандарт KNX отвечает всем тенденциям развития автоматизации систем, сочетая в себе широкую функциональность и простоту применения. Компания MEAN WELL является одним из сертифицированных производителей продуктов с поддержкой KNX и предлагает ряд решений для систем освещения.
Протокол KNX для управления устройствами и системами в «умном доме»
Широко известный международный стандарт KNX, созданный для автоматизации жилых, коммерческих и промышленных зданий, является открытым и соответствует условиям EN 50090, EN 13321-1 и ISO/IEC 14543. Он предназначен для использования как в небольших частных домах, так и в крупных промышленных зданиях, в том числе – в наружных системах, и легко интегрируется как в новые, так и в существующие строительные конструкции.
Более 300 производителей выпускают различную продукцию в соответствии со стандартом KNX. Официальная сертификация гарантирует совместимость и быструю интеграцию продуктов, что обеспечивает высокую гибкость при расширении и модификации систем управления. Соответствие продукции KNX проверяется в независимых лабораториях.
Все возможные задачи управления, включая освещение, управление жалюзи, системы безопасности, отопление, кондиционирование, вентиляцию, энергопотребление, бытовую технику и многое другое, могут быть выполнены с помощью технологии KNX. KNX предлагает удобство управления и повышает безопасность, а также способствует экономии до 50% энергии. Снижение затрат на электроэнергию обеспечивается за счет постоянного мониторинга и корректировки рабочих настроек для любого устройства, подключенного к шине KNX.
Шина KNX устанавливается параллельно силовому кабелю во время строительства или ремонта и является главным связующим компонентом, к которому подключаются все устройства: датчики, приводы, контроллеры и так далее. Доступ к шине для управления параметрами можно получить через локальную сеть или напрямую (посредством подключения «точка-точка»), с помощью компьютеров, планшетов и смартфонов. При этом на основе KNX можно организовать как центральную, так и распределенную систему управления.
KNX поддерживает несколько физических сред передачи данных посредством:
- витой пары KNX TP, с помощью которой передача данных осуществляется по отдельному кабелю;
- линии электропередачи KNX PL (используется сеть электроснабжения);
- радиочастоты KNX RF, на которой передача данных происходит посредством радиосигналов;
- IP/Ethernet KNXnet/IP, который используется в сочетании со спецификациями KNXnet/IP, позволяющими инкапсулировать кадры KNX в кадры IP.
Для реализации проектов в стандарте KNX предусматриваются два способа:
- S-mode для сертифицированных проектировщиков, при котором проектирование и настройка выполняются с помощью программного пакета ETS и с использованием баз данных ETS;
- E-Mode для несертифицированных проектировщиков, при котором упрощенная настройка осуществляется с помощью контроллеров, функциональность продуктов при этом ограничена.
Программный пакет ETS позволяет проектировать и настраивать все сертифицированные продукты KNX. Пакет не зависит от производителя, что позволяет комбинировать продукты разных производителей в одной системе.
Стоит также отметить, что продукты KNX можно подключать и к другим системам, для этого некоторые производители KNX предлагают шлюзы для подключения к различным сетям и системам автоматизации.
Автоматизация освещения – одна из базовых функций «умного дома»
Автоматизация освещения охватывает множество задач от простого управления выключателями до интеллектуальных систем, интегрированных с другими системами автоматизации для создания дополнительного комфорта и безопасности. Технически решение этих задач реализовывается с помощью датчиков, источников питания, приводов жалюзи и так далее.
Эффективное управление освещением значительно сокращает энергопотребление при сохранении необходимого уровня интенсивности света. Это достигается постоянным регулированием освещения при максимальном использовании естественного освещения, а также за счет автоматического включения и выключения света, например, по таймеру или сигналу датчика присутствия.
Системы домашней автоматизации позволяют создавать собственные конфигурации освещения для повседневных ситуаций (например, приглушенный свет – для семейного ужина, неоновое освещение — для вечеринки), что можно комбинировать с другими системами автоматизации, такими как управление термостатом, мультимедиа. Количество света может гибко меняться в зависимости от времени суток. Скажем, можно настроить приглушенное освещение по утрам, чтобы не раздражать глаза.
Автоматизация освещения может быть также связана с системой безопасности. Применив датчики, легко обнаружить движение, включить свет и с помощью видеонаблюдения зарегистрировать присутствие злоумышленника и уведомить соответствующие органы. Некоторые системы освещения могут быть настроены на включение по расписанию, создавая иллюзию присутствия хозяев в доме, что помогает отпугивать нежелательных посетителей.
Кроме этого, в некоторых случаях системы управления светом используются дизайнерами, чтобы визуально дополнить интерьер и экстерьер помещения или здания.
Удаленное управление освещением со смартфона или ноутбука значительно упрощает жизнь и позволяет задавать все необходимые настройки и использовать их при необходимости по нажатию одной кнопки. Также это дает возможность удаленно проверить, выключен ли свет в помещении и так далее.
Автоматизация освещения продолжает развиваться и предлагает много удобств пользователю, помогая повысить безопасность и при этом сэкономить электроэнергию.
Построение системы освещения с использованием
LED-драйверов, управляемых по протоколу KNX
В простейшем случае архитектура системы KNX включает в себя блок питания, актуатор, LED-драйвер или диммируемый LED-драйвер, если требуется функция регулирования яркости (рисунок 1).

Рис. 1. Архитектура системы освещения KNX
В течение многих лет для систем управления освещением использовался протокол DALI (Digital Addressable Lighting Interface), который определяется рядом технических стандартов IEC 62386. DALI и KNX имеют схожие достоинства, такие как простая топология, соответствие стандартам, плавная кривая регулирования яркости и прочие. Сложности при использовании DALI связаны с адресацией и настройкой устройств, увеличивающих время ввода системы в эксплуатацию. Стоит отметить, что несмотря на то, что продукты DALI разработаны в соответствии с IEC62386, в отличие от KNX они не проходят проверку на соответствие. В большинстве случаев проблем не возникает, однако совместимость всех продуктов не гарантируется, и сопряжение устройств может оказаться дорогостоящим. Кроме этого, протокол DALI не предусматривает подтверждения получения команды, в отличие от KNX. Если на шине произошла коллизия с другой командой, то нет никакой уверенности, что команда прошла, это делает стандарт DALI менее отказоустойчивым по сравнению с KNX.
Протокол KNX предлагает ту же функциональность, что и системы DALI, но без необходимости адресации к каждому осветительному устройству. Вместо этого KNX фокусируется на входах – переключателях, датчиках, термостатах – и управляет ими через актуаторы – исполнительные механизмы. Также есть возможность подключения и устройств DALI через специальный шлюз (рисунок 1 справа). Такое подключение LED-драйвера имеет некоторые недостатки. В таблице 1 приведено сравнение между подключением к шине KNX напрямую и через шлюз KNX/DALI.
Таблица 1. Подключение LED-драйверов напрямую к KNX и через шлюз KNX/DALI
| Параметр | LED-драйвер KNX | DALI и LED-драйвер |
|---|---|---|
| Стоимость подключения | Подключение напрямую к KNX, стоимость ниже | Требуется шлюз DALI, стоимость выше |
| Надежность | Каждое устройство независимо, повреждение одного узла не выводит из строя всю систему | Неисправность со шлюзом DALI выводит из строя все управление освещением |
| Совместимость | KNX гарантирует совместимость | Разные производители шлюзов DALI имеют разные подходы к подключению LED-драйверов |
| Количество устройств на шине | До 256 (1 шина TP1-256) | До 64 (1 шина DALI) |
| Длина шины, м | До 700 | До 300 |
| Скорость шины, бит/с | До 9600 | До 1200 |
| Удобство конфигурации | База данных KNX (ETS) | База данных KNX (ETS) + настройки DALI |
| Дополнительные возможности | Счетчик времени наработки/мониторинг потребления | Нет |
Компания MEAN WELL предлагает серию LED-драйверов с поддержкой стандарта KNX, которые позволяют избежать возможных проблем с несовместимостью шлюза DALI и LED-драйверов, а также предоставляют широкий функционал для улучшения системы освещения.
LED-драйверы серии LCM-25/40/60-KN и их функциональные особенности
Серия LCM KN представляет собой LED-драйверы с выходными мощностями 25, 40 или 60 Вт и с DIP-переключателем для выбора выходного тока в диапазоне 350…1050 мА. Драйверы этой серии имеют поддержку протокола KNX и работают от сети переменного напряжения 180…295 В. Обладающие высоким КПД до 90% и безвентиляторной конструкцией, драйверы этой серии могут работать при температуре корпуса -30…90°C в условиях свободной конвекции воздуха. Кроме того, драйверы оснащены кнопочным интерфейсом для управления освещением, счетчиком времени работы, монитором потребляемой мощности и имеют функцию поддержки постоянного светового потока CLO (Constant Light Output), что обеспечивает оптимальную гибкость системы управления светодиодным освещением.
Основные особенности серии LCM-25/40/60KN:
- выбор уровня выходного тока DIP-переключателем;
- поддержка протокола KNX;
- встроенная функция постоянного светового потока (CLO);
- управление яркостью с помощью кнопки;
- синхронизация работы до десяти драйверов;
- наличие таких функций как ручное регулирование яркости, счетчик времени работы, мониторинг потребляемой мощности, выбор логарифмической или линейной кривой диммирования;
- технология без мерцания света (Flicker-free);
- гарантия 3 года.
На рисунке 2 показана расшифровка наименований драйверов для заказа.

Рис. 2. Расшифровка наименования драйверов серии LCM-25/40/65KN
Основные параметры LED-драйверов серии LCM KN перечислены в таблице 2.
Таблица 2. Основные параметры LED-драйверов LCM KN
| Наименование | LCM-25KN | LCM-40KN | LCM-60KN | ||
|---|---|---|---|---|---|
| Выходной ток (задается DIP-переключателем, мА) | 350, 500, 600, 700 (по умолчанию), 900, 1050 |
350, 500, 600, 700 (по умолчанию), 900, 1050 |
500, 600, 700 (по умолчанию), 900, 1050, 1400 | ||
| Выходная мощность, Вт | 18,9 при 350 мА, 25,2 | 42 | 60,3 | ||
| Пульсации тока | 5% (от номинального тока) | ||||
| Ток по входу | 0,17 А/230 В AC при 350 мА, 0,15 А/230 В AC | 0,23 А/230 В AC | 0,32 А/230 В AC | ||
| Пусковой ток, A | 20 (холодный старт) | ||||
| КПД, % | 85 (при 500 мА/50 В) | 90 (при 500 мА/80 В) | 91 (при 900 мА/67 В) | ||
| Рабочая температура, °C | -30…85 | -30…90 | -30…90 | ||
| Размеры, ДхШхВ, мм | 105х68х23 | 123,5х81,5х23 | 123,5х81,5х23 | ||
Внешний вид и типовая схема подключения драйверов представлены на рисунке 3.

Рис. 3. Внешний вид (а) и типовая схема подключения (б) LED-драйвера серии LCM
Драйверы LCM KN имеют множество различных функций и настроек, таких как управление яркостью, скоростью и диапазоном ее изменения, настройка задержки при включении и выключении светильников, регулирование от кнопки, выбор кривой изменения яркости – линейной или логарифмической, обеспечивающей широкий диапазон регулирования низкой интенсивности света. По протоколу KNX можно также получать различные статусные сообщения включения и выключения драйвера, отчеты о потребляемой мощности, сообщения об ошибках по входному и выходному напряжениям. Также есть возможность настройки до восьми сценариев освещения.
Функция поддержки постоянного светового потока (CLO) используется для постоянной компенсации снижения яркости светодиодов с течением времени. Обычно яркость светильников, питающихся от драйверов без CLO, снижается до 80% спустя 50000 часов работы. Метод CLO заключается в том, что драйвер изначально работает при более низком токе и постепенно автоматически его увеличивает в течение срока службы, чтобы компенсировать износ светодиодов. Этот процесс показан на рисунке 4: с течением времени потребление драйвера повышается, а яркость остается стабильной.

Рис. 4. Графики работы драйвера с функцией CLO и без нее
Встроенный счетчик времени работы можно использовать для контроля времени работы светодиодных светильников и своевременной их замены до истечения срока службы.
Драйвером можно управлять с помощью кнопки, подключение которой показано на рисунке 5: кнопка должна быть подключена между фазовым выводом AC/L и выводом PUSH, в противном случае при подключении к AC/N возникает короткое замыкание. От одной кнопки можно управлять не более чем десятью драйверами, при этом максимальная длина кабеля от кнопки до драйвера не должна превышать 20 м.

Рис. 5. Подключение кнопки для управления драйвером
Вывод PUSH может быть использован также для мониторинга сетевого напряжения (рисунок 6).

Рис. 6. Подключение драйвера для мониторинга сетевого напряжения
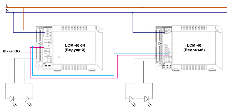
Дополнительные выводы позволяют синхронизовать работу до 10 драйверов в режиме «1 ведущий и 9 ведомых» (рисунок 7). При этом в качестве ведомых могут выступать стандартные модели LCM без поддержки KNX. Используется плоский кабель сечением 0,2…0,3 мм2, его длина между драйверами не должна превышать 5 м. Диапазон регулирования яркости при таком подключении составляет 10…100% для драйверов LCM-25KN и 6…100% для LCM-40/60KN, в зависимости от заданных настроек.

Рис. 7. Схема подключения с синхронизацией работы нескольких драйверов
Драйверы LCM-40/60KN обладают еще одной полезной функцией – встроенной температурной компенсацией. Подключив температурный датчик (NTC-термистор) к выводам +NTC и -NTC и установив его в желаемом месте, можно менять выходной ток драйвера в зависимости от значений температуры, чтобы увеличить срок службы светодиодов. На рисунке 8 показаны графики снижения выходного тока в зависимости от трех значений сопротивления термистора, подключенного к драйверу.

Рис. 8. Графики снижения выходного тока в зависимости от температуры
Все перечисленные функции настраиваются с помощью программного пакета ETS и базы данных драйверов, которые доступны для скачивания по ссылке.
Блоки питания шины KNX: KNX-20E-640 и KNX-40E-1280
Для питания шины KNX компания MEAN WELL выпускает блоки питания KNX-20E и KNX-40E с выходными токами 640 и 1280 мА соответственно. Оба блока питания имеют высокий КПД 86% и два выхода на 30 В: с дросселем и дополнительный без дросселя. На корпусе блоков расположены кнопка для сброса/перезагрузки шины и светодиоды для индикации состояния:
- нормальная работа;
- перегрузка по току;
- сброс/перезагрузка.
Блок питания KNX-40E-1280D с функцией диагностики имеет четыре дополнительных светодиода, с помощью которых можно более детально определять режим работы, а также позволяет передавать по шине значения выходного напряжения и тока, оценку траффика на шине, температуру блока и многое другое.
На рисунке 9 показана расшифровка наименований блоков питания для заказа.

Рис. 9. Расшифровка наименования блока питания
Блоки питания могут применяться для питания шины (рисунок 10) или для питания шины и устройств KNX (рисунок 11), при этом суммарный ток (I1 + I2) не должен превышать 640 мА для KNX-20Е-680 и 1280 мА для KNX-40E-1280.

Рис. 10. Подключение блока для питания шины KNX

Рис. 11. Подключение блока для питания шины KNX и устройства на шине
Количество устройств на шине должно быть не более 64. Максимальное расстояние между самым удаленным устройством на шине и блоком питания должно быть не более 350 м, а максимальное расстояние между двумя устройствами не должно превышать 700 м. Чтобы увеличить расстояние, можно организовать параллельное подключение двух блоков питания на одну шину.
Основные параметры блоков питания приведены в таблице 3.
Таблица 3. Основные параметры блоков питания
| Наименование | KNX-20E-640 | KNX-40E-1280 |
|---|---|---|
| Номинальный ток, мА | 640 | 1280 |
| Напряжение выхода с дросселем, В | 30 | |
| Напряжение дополнительного выхода без дросселя, В | 30 | |
| Номинальная мощность, Вт | 19,2 | 38,4 |
| Пульсации, мВр-р | 100 | |
| КПД, % | 86 | |
| Ток по входу | 0,22 А/230 В | 0,5 А/230 В |
| Пусковой ток, А | 40 (холодный старт) | 60 (холодный старт) |
| Рабочая температура, °C | -30…70 | -30…70 |
| Размеры, ДхШхВ, мм | 52,5х90х54,5 | 72х90х57 |
Блоки питания имеют малые размеры 3SU (52,5 мм) и 4SU (72 мм) для установки на DIN-рейку. Они изготовлены со степенью защиты IP20 и соответствуют стандартам безопасности EN61558-1, EN61558-2-16, EN50491-3 и стандартам электромагнитной совместимости EN50491-5-2,-5-3, EN61000-3-2,-3-3 и EAC TP TC 020.
Настройка блоков осуществляется с помощью программного пакета ETS и баз данных, которые доступны для скачивания по ссылке.
Заключение
Являющаяся одним из лидеров в производстве источников питания компания MEAN WELL предлагает широкую линейку продукции для удовлетворения различных требований к источникам питания во многих отраслях промышленности. Компания стремится к постоянным инновациям и работает над продвижением технологий для автоматизации зданий, притом обеспечивает оптимальное соотношение цены и качества источников питания. Благодаря соответствию международным нормам безопасности и комплексным решениям в разработке систем питания MEAN WELL помогает клиентам сократить время и затраты на разработку и отладку своих систем.
Литература
- KNX-20E-640 – источник питания для шины KNX от MEAN WELL.
- LCM-25KN/40KN/60KN – LED-драйверы MEAN WELL для умного дома, управляемые по шине KNX.
- KNX-20E-640 – источник питания для шины KNX от MEAN WELL.
- What is a KNX Smart Home or Building: A Complete Guide.
- Benefits of Lighting Automation in Homes.
- Indoor Lighting Control.
- Better than DALI: KNX Lighting.
- Lighting: Pros and Cons of using DALI with KNX for Homes.
- World First KNX Multiple-Stage Constant Current Mode LED Driver LCM-40/60KN Series.
- LCM-25KN KNX Multiple-Stage Constant Current Mode LED Driver.
- 25W Multiple-Stage Constant Current Mode LED Driver LCM-25KN series.
- 40W Multiple-Stage Constant Current Mode LED Driver LCM-40KN series.
- 60W Multiple-Stage Constant Current Mode LED Driver LCM-60KN series.
- LCM-25/40/60KN LED Driver with KNX Interface Instruction Manual.
- 640mA KNX Power Supply KNX-20E-640.
- 1280mA KNX Power Supply KNX-40E series.
Наши информационные каналы