Новые микросхемы логики от RUNIC доступны для заказа
2 июня 2023
Китайская компания Jiangsu Runic Technology CO., Ltd. (RUNIC), специализирующаяся на на разработке и производстве аналоговых микросхем, расширяет свою номенклатуру стандартной логики: анонсированы новые многофункциональные логические элементы, низкопотребляющие вентили И (AND), 8-битный сдвиговый регистр в корпусе QFN2.5×3.5-16L и повторители (буферы).
Все новые микросхемы поддерживают работу в приложениях с частичным отключением питания (например, отдельные модульные схемы с собственным или автономным питанием), использующие схему блокировки обратного тока Ioff. Данная схема отключает выходы для предотвращения протекания обратного тока, который может пагубно воздействовать на микросхему, когда она выключена.
RS1G97XC6 (SC70-6), RS1G97XC6 (SOT23-6) – низкопотребляющий многофункциональный логический элемент (рисунок 1), имеющий несколько настраиваемых функций.

Рис. 1. Внутренняя структура RS1G97
Особенности:
- Рабочее напряжение: 1,65…5,5 В
- Низкое потребление: 10 мкА
- Входная типовая емкость: 4 пФ
- Диапазон рабочих температур: -40…125°C
- Выходной ток до ±24 мА при VCC = 3.0 В
- Компактные корпуса SOT23-6 и SC70-6
- ESD-защита (HBM): ±4000 В
Состояние выхода определяется восемью шаблонными сигналами (таблица 1), благодаря чему, пользователь может использовать такие логические функции как мультиплексирование (MUX), умножение (AND), сложение (OR), умножение с отрицанием (NAND), сложение с отрицанием (NOR), инверсия и буфер. Все эти схемы приведены в спецификации на микросхему.
Таблица 1. Таблица истинности для RS1G97
| Входы | Выход | ||
|---|---|---|---|
| A | B | C | Y |
| 0 | 0 | 0 | 0 |
| 1 | 0 | 0 | 0 |
| 0 | 1 | 0 | 1 |
| 1 | 1 | 0 | 1 |
| 0 | 0 | 1 | 0 |
| 1 | 0 | 1 | 1 |
| 0 | 1 | 1 | 0 |
| 1 | 1 | 1 | 1 |
Низкопотребляющие логические вентили И (AND) c тремя входами (таблица 2): одиночные RS1G11XC6 (SC70-6)/RS1G11XH6 (SOT23-6) и строенные RS3G11XP (SOP14)/RS3G11XQ (TSSOP14). Данные вентили выполняют Булеву (Boolean) функцию Y = A • B • C.
Особенности:
- Рабочее напряжение: 1,65…5,5 В
- Низкое потребление: 1 мкА
- Входная типовая емкость: 4 пФ
- Диапазон рабочих температур: -40…125°C
- Выходной ток до ±24 мА при VCC = 3.0 В
- ESD-защита (HBM): ±4000 В
Таблица 2. Логические вентили RS1G11 и RS3G11
| RS1G11 | RS3G11 | |
|---|---|---|
| Кол-во каналов | Один | Три |
| Корпус | SOT23-6, SC70-6 | SOP14, TSSOP14 |
| Обозначение | ![]() |
![]() |
![]() |
![]() |
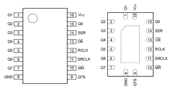
RS595SXTQW16 (QFN2.5×3.5-16L) – 8-битный сдвиговый регистр с тремя состояниями выходов (рисунки 2, 3). Сдвиговый регистр и регистр хранения тактируются отдельными входами: SRCLK и RCLK, соответственно. Также сдвиговый регистр имеет вход асинхронного сброса (MR), вход последовательных данных (SER) и соответствующий ему выход (Q7S) для последующего каскадирования.
Для вывода параллельной информации из регистра хранения (выходы Q0…Q7) на вывод OE следует подать низкий уровень. Высокий же уровень на этом выводе переводит выходы Q0…Q7 в выключенное высокоимпедансное состояние. Работа с выводом OE никак не влияет на состояние регистров.

Рис. 2. Внутренняя структура RS595S
Особенности:
- Рабочее напряжение: 2,0…5,5 В
- Низкое потребление: 160 мкА
- Входная типовая емкость: 3,5 пФ
- Диапазон рабочих температур: -40…125°C
- Корпуса TSSOP-16, SOP16, QFN2.5×3.5-16L
- ESD-защита (HBM): ±4000 В
- Выход последовательных данных (Q7S)
- Прямой сброс сдвигового регистра (MR)
- Регистр хранения с тремя выходными состояниями

Рис. 3. Расположение выводов микросхемы RS595S
Логические 1-, 2- и 3-канальные буферы (повторители) RSxG34 без инверсии для работы в высокоскоростных схемах с частотой до 100 МГц (таблица 3). Реализуют Булеву функцию Y=A и поддерживают работу в приложениях с частичным отключением питания, использующие схему блокировки обратного тока Ioff.
Таблица 3. Серия логических буферов RSxG34
| RS1G34 | RS2G34 | RS3G34 | |
|---|---|---|---|
| Кол-во каналов | Один | Два | Три |
| Корпус | SOT23-5, SC70-5 | SOT23-6, SC70-6 | MSOP-8, VSSOP-8 |
| Обозначение | ![]() |
![]() |
![]() |
| Расположение выводов | ![]() |
![]() |
![]() |
Особенности:
- Рабочее напряжение: 1,65…5,5 В
- Низкое потребление: 1 мкА
- Входная типовая емкость: 4 пФ
- Диапазон рабочих температур: -40…125°C
- Выходной ток до ±24 мА при VCC = 3.0 В
- ESD-защита (HBM): ±4000 В
Доступность новых микросхем отражена в таблице 4.
Таблица 4. Все новинки микросхем логики от RUNIC
| Наименование | Корпус | Доступность образцов | Планируемая дата начала серийного производства |
|---|---|---|---|
| RS1G97XC6 | SC70-6 | ДА | Март 2023 года |
| RS1G97XH6 | SOT23-6 | ДА | Март 2023 года |
| RS1G11XC6 | SC70-6 | ДА | Март 2023 года |
| RS1G11XH6 | SOT23-6 | ДА | Март 2023 года |
| RS3G11XP | SOP14 | ДА | Март 2023 года |
| RS3G11XQ | TSSOP14 | ДА | Март 2023 года |
| RS595SXTQW16 | QFN2.5×3.5-16L | ДА | Апрель 2023 года |
| RS1G34XC5 | SC70-5 | ДА | Март 2023 года |
| RS1G34XF5 | SOT23-5 | ДА | Март 2023 года |
| RS2G34XC6 | SC70-6 | ДА | Март 2023 года |
| RS2G34XH6 | SOT23-6 | ДА | Март 2023 года |
| RS3G34XM | MSOP8 | ДА | Март 2023 года |
| RS3G34XVS8 | VSSOP8 | ДА | Июнь 2023 года |










Наши информационные каналы