Новое поступление микросхем Belling на склад КОМПЭЛ
9 октября 2023
Для заказа со склада КОМПЭЛ доступны линейные регуляторы напряжения (таблица 1) и повышающий DC/DC-преобразователь BL8042DCB6TR производства китайской компании Belling.
Таблица 1. Линейные регуляторы Belling
| Наименование | Входное напряжение, В | Выходной ток, А | Выходное напряжение, В | Ток потребления, мкА | Точность, % | Корпус | Рабочая температура, °C |
|---|---|---|---|---|---|---|---|
| BL317BT | 40 (макс.) | 1,5 | 1,3…37 | – | 4 | TO-220 | 0…125 |
| BL78L05D [SOP8] | 6,7…42 | 0,1 | 5 | 3000 | 2 | SOP8 | -40…85 |
| BL8061CB3TR33 | 3,9…16 | 0,25 | 3,3 | 2 | 2 | SOT23-3 | -40…85 |
| BL8064CB5TR30 | 3,6…8 | 0,2 | 3 | 1 | 2 | SOT23-3 | -40…85 |
| BL8064CB5TR33 | 3,9…8 | 0,2 | 3,3 | 1 | 2 | SOT23-3 | -40…85 |
| BL9153-33CC3TR | 4,75…40 | 0,5 | 3,3 | 6 | 2 | SOT89 | -40…85 |
| BL9153-50CC3TR | 5,4…40 | 0,5 | 5 | 6 | 2 | SOT89 | -40…85 |
| BL9157-33BC3A | 4,3…30 | 0,15 | 3,3 | 2 | 1 | SOT89 | -40…85 |
| BL9157-33BC3B | 4,3…30 | 0,15 | 3,3 | 2 | 1 | SOT89 | -40…85 |
| BL9157-50BC3A | 6,0…30 | 0,15 | 5,0 | 2 | 1 | SOT89 | -40…85 |
| BL9157-50BC3B | 6,0…30 | 0,15 | 5,0 | 2 | 1 | SOT89 | -40…85 |
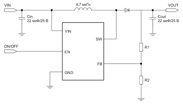
Повышающий DC/DC-преобразователь BL8042DCB6TR в корпусе SOT23-6 (рисунок 1) работает в токовом режиме с постоянной частотой преобразования 1,2 МГц и предназначен для слаботочных приложений с низким энергопотреблением.

Рис. 1. Типовая схема включения повышающего DC/DC-преобразователя BL8042DCB6TR
Он имеет схему плавного пуска, продлевающую срок службы батареи, а также все основные виды защит: блокировку при пониженном напряжении, защиту от перегрева и перегрузки, протекцию при превышении выходного напряжения. Расположение выводов показано на рисунке 2.
Основные особенности DC/DC-преобразователя BL8042DCB6TR:
- входное напряжение 2,5…24 В;
- выходное напряжение до 28 В;
- источник опорного напряжения 600 мВ ± 2%;
- ток потребления 250 мкА;
- встроенный силовой MOSFET с сопротивлением канала 150 мОм;
- частота преобразования 1,2 МГц;
- схема ограничения выходного тока до 3 А;
- внутренняя компенсация.

Рис. 2. Расположение выводов BL8042DCB6TR
Наши информационные каналы