Bluetooth-радиомодули BLE2U
15 января
Сергей Орлов (г. Рязань)
Главной особенностью Bluetooth-радиомодулей BLE2U-A-ANT и BLE2U-C-ANT, выпускаемых китайской компанией Nanjing Qinheng Microelectronics Co., Ltd. под брендом WCH, является встроенный протокол – они не нуждаются в программировании.
Технология радиопередачи данных Bluetooth находит широкое применение в беспроводных гарнитурах, мобильных телефонах, смартфонах, ноутбуках, персональных компьютерах, принтерах, многофункциональных и IoT-устройствах, приборах умного дома, удаленных датчиках и другой электронике. Bluetooth используется для связи устройств между собой без использования проводов.
К особенностям технологии относятся:
- диапазон частот 2402…2480 МГц;
- значительная пропускная способность, достигающая 1 Мбит/c;
- небольшой радиус зоны связи, который может достигать 100 м.
Рассмотрим подробнее радиомодули BLE2U-A-ANT и BLE2U-C-ANT, выпускаемые китайской компанией Nanjing Qinheng Microelectronics Co., Ltd. под брендом WCH.
Радиомодули BLE2U обеспечивают прозрачный режим обмена данными между интерфейсами UART и USB через беспроводной канал BLE (Bluetooth Low Energy – Bluetooth с малым энергопотреблением). Главной их особенностью является встроенный протокол – программировать модуль не требуется. Радиомодули построены на микросхеме преобразователя интерфейсов CH9143, а их внешний вид показан на рисунке 1.

Рис. 1. Радиомодули на базе микросхемы CH9143
Технические особенности модулей BLE2U:
- максимальная скорость передачи данных через последовательный порт составляет 1 Мбит/с;
- диапазон рабочих температур модуля -40…85°C;
- напряжение питания 2,5…3,6 В;
- обеспечивается передача данных между тремя последовательными портами модуля;
- реализуется настройка по команде АТ и поддержка сигналов модемной связи;
- используется драйвер виртуализированного последовательного порта на компьютере, за счет чего обеспечивается быстрый запуск устройства в эксплуатацию;
- со стороны USB-интерфейса обеспечиваются режимы USB-Vendor и драйвера USB-CDC;
- возможность работать в режимах «ведущий», «ведомый» и «ведущий-ведомый»;
- 8 фиксированных уровней мощности передатчика;
- возможность подключиться к хосту через BLE4.2 в операционных системах Windows, Linux, Android, iOS;
- наличие драйвера USB и виртуального последовательного порта BLE4.2 со стороны ПК;
Сценарии применения
Возможные варианты применения радиомодуля иллюстрируются рисунками 2…4.

Рис. 2. Структурная схема последовательной связи между интерфейсом USB CH9143 и ведомым устройством BLE или устройством с последовательным портом

Рис. 3. Структурная схема последовательной связи между Bluetooth-хостом и USB-хостом или устройством с последовательным портом через CH9143

Рис. 4. Структурная схема последовательного обмена данными между USB-хостами через CH9143 в режиме BLE «ведущий-ведомый»
Особенности последовательного порта в CH9143:
- совместим с существующим программным обеспечением;
- имеет два режима работы драйвера: производителя и последовательного порта, для ОС Windows (USB-CDC) установка драйвера не требуется;
- поддерживает модемные сигналы RTS, DTR, DCD, RI, DSR и CTS;
- обеспечивает 5/6/7/8 бит данных и 1/2 стоп-бита.
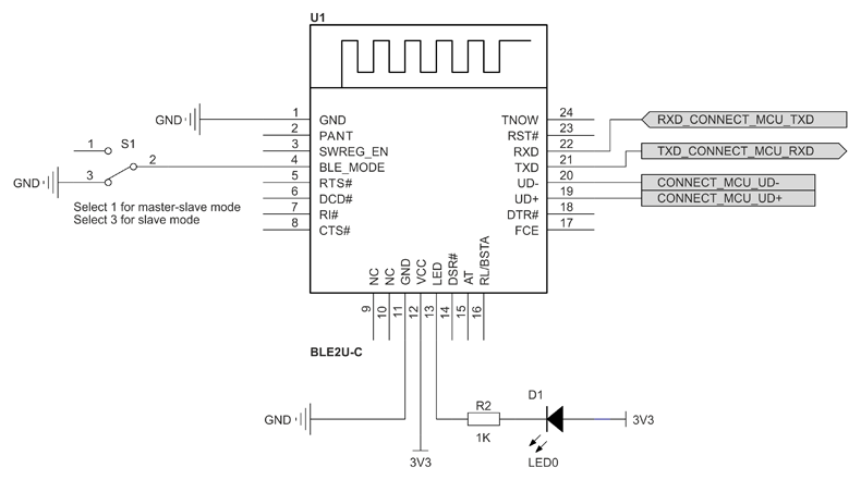
Типовая схема включения CH9143 изображена на рисунке 5.

Рис. 5. Схема включения радиомодуля
Вывод 22 служит для приема данных по интерфейсу UART, а вывод 21 – для передачи информации в UART.
Выводы 20, 19 – линии передачи данных USB D.
Светодиод D1 индицирует статус устройства:
- D1 быстро мигает три раза после подачи питания – включен режим «ведомый»;
- D1 дважды быстро мигает три раза после подачи питания – включен режим «ведущий-ведомый»;
- D1 медленно мигает с интервалом в 0,5 с – радиомодуль в состоянии широковещания;
- D1 быстро мигает в статусе установленного соединения – происходит обмен данными;
- D1 быстро мигает в процессе сопряжения – было выполнено сопряжение с другими устройствами (для завершения сопряжения требуется повторное включение питания).
Управление
Переключение между режимами «ведущий» и «ведомый» для BLE осуществляется переключателем S1, подключенным к выводу 4 микросхемы. В положении контакта 1 этого переключателя включен режим «ведущий-ведомый», а в положении 3 – «ведомый».
Как запустить разработку
В небольшом материале невозможно детально рассмотреть все аспекты применения приемопередатчика CH9143, поэтому разработчику нужно самостоятельно изучить документацию производителя. При работе проектируемого устройства на базе этого модуля с операционными системами Android/Windows/Linux будет полезна следующая информация.
Радиомодуль CH9143 – простое и удобное устройство со встроенным протоколом. Его отличительная особенность – минимальное количество внешних электронных компонентов, поэтому сборка CH9143 – технологичная и недорогая в массовом производстве. Применение такого изделия упрощает работу инженера-проектировщика и существенно сокращает время вывода готового продукта на рынок.
Дополнительные материалы
- Безопасность под ключ: проектируем все узлы охранной системы из компонентов азиатского производства
- Микроконтроллеры азиатских производителей на базе архитектуры RISC-V
- Изолированный USB на базе моста USB-UART
- Преобразователи USB-SERIAL производства WCH – доступная альтернатива FT232
Наши информационные каналы