R3 – новое поколение DC/DC-преобразователей Mornsun: параметры выше – стоимость ниже
29 мая 2019
Сергей Миронов (КОМПЭЛ)
Заменив дискретные компоненты, применявшиеся в прежних поколениях DC/DC, на микросхему собственной разработки, компания Mornsun добилась снижения себестоимости и значительного повышения надежности.
При разработке изделий электронной техники порой возникает ситуация, когда часть схемы или какие-то отдельные компоненты требуют дополнительного напряжения, не имеющего с основным питанием гальванической связи. Характерный пример: питание микросхем оптоизолированных интерфейсов. Также часто требуется получение дополнительных уровней напряжения, отличающихся от основного питания, например, получение из однополярного напряжения биполярного для операционных усилителей. Для решения этих задач разработчики в большинстве случаев применяют готовые модульные DC/DC-преобразователи, которые могут быть гальванически изолированными или неизолированными (например, серия К78хх) и выпускаются в разнообразных корпусах (SIP, DIP, SMD) для различных видов монтажа. Общий вид некоторых DC/DC-преобразователей показан на рисунке 1.

Рис. 1. Общий вид DC/DC-преобразователей
Применение готовых DC/DC-преобразователей обусловлено рядом положительных качеств. Добавочная стоимость готового DC/DC-преобразователя в условиях жесткой конкуренции невелика. При этом использование такого преобразователя снимает возможные риски с последующей доработкой и отладкой схемы, а следовательно, сокращается общее время разработки основного изделия. Немаловажной является и проблема электромагнитной совместимости (ЭМС). При использовании готового модуля эта задача лежит на производителе, а разработчику для своего изделия остается лишь выбрать преобразователь по требуемому классу ЭМС, правильно его включить в схему и, если требуется, установить дополнительные элементы (фильтрующие конденсаторы).
В настоящий момент активно развиваются беспроводные системы передачи данных (мобильные и стационарные), которые работают в импульсном режиме, то есть длительный период времени находятся в режиме сна, а по наступлению какого-либо события выходят в режим передачи. При этом подобные устройства могут питаться и от автономных источников энергии – батарейки, аккумулятора. В таком режиме работы наряду с основными параметрами DC/DC-преобразователя важными становятся время запуска и экономичность на холостом ходу и под нагрузкой.
На российском рынке широко представлены производители DC/DC-преобразователей, и для разработчика выбор модуля с требуемыми параметрами не составляет большого труда. Тем не менее, схемотехника серийно выпускаемых DC/DC-преобразователей не отличается разнообразием.
Классическая схема DC/DC-преобразователей и ее особенности
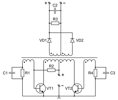
Подавляющее большинство производителей DC/DC-преобразователей использует в своих изделиях одну и ту же схему. Как правило, это двухтактная схема с самовозбуждением – схема Ройера, активно применяемая в изолированных DC/DC-преобразователях с фиксированным входным напряжением (рисунок 2).

Рис. 2. Двухтактная схема с самовозбуждением
Такая схема содержит минимальный набор компонентов и имеет невысокую стоимость, но на этом ее преимущества заканчиваются.
В данной схеме практически отсутствует защита выхода от короткого замыкания (КЗ) и наблюдается нестабильный запуск при повышенной емкости на выходе (емкости нагрузки). Для моделей с выходной мощностью 1 Вт допустимое значение емкости нагрузки составляет весьма небольшую величину – порядка 200…300 мкФ. На практике для уменьшения пульсаций на выходе преобразователя бывает необходимо подключить конденсатор более высокой емкости. Повышенная емкость приводит к тому, что преобразователь в лучшем случае не может нормально запуститься, а в худшем – может выйти из строя. В этой схеме защита от КЗ и повышенная нагрузочная способность выхода по емкости – параметры, которые находятся в противоречии друг с другом.
В приведенной выше схеме можно достичь высокого КПД при работе на полной нагрузке, но при малой нагрузке или в режиме холостого хода КПД останется низким. Входной ток при отсутствии нагрузки в подобной схеме может составлять 15…30 мА, что недопустимо для устройств, питающихся от автономных источников энергии. Также подобные преобразователи имеют ограничение по минимальной нагрузке. Как правило, минимальная нагрузка должна составлять не менее 20% от номинального значения (в технической документации имеется соответствующая запись, например Regulation – Load Variation 20…100%). Если минимальная нагрузка меньше указанной величины, то выходное напряжение преобразователя будет существенно отличаться от номинального напряжения и, кроме того, может носить колебательный характер. Также следует отметить, что в момент запуска в схеме образуется импульс входного тока повышенного значения, что накладывает дополнительные требования к источнику входного напряжения (он должен обеспечить этот импульс тока).
Широко известная на российском рынке источников питания компания Mornsun в своих DC/DC-преобразователях третьего поколения (R3) смогла устранить рассмотренные недостатки, существенно улучшила другие важные параметры и при этом значительно снизила себестоимость продукции.
DC/DC-преобразователи Mornsun третьего поколения (R3) и их особенности
Продукция компании Mornsun, в частности DC/DC-преобразователи, разделяется по поколениям. Это связано с постоянным совершенствованием выпускаемой номенклатуры. Номер поколения конкретного изделия указан в конце наименования в виде символов «R2» (второе поколение) или «R3» (третье поколение), например, B0505LS-1WR2 и B0505LS-1WR3. Первое поколение не имеет дополнительных символов. Последней разработкой на сегодняшний день является поколение R3. Как правило, с увеличением номера поколения улучшаются технические характеристики, появляются дополнительные функции и, в большинстве случаев, снижается стоимость изделия. Примечательно, что изделия всех поколений взаимозаменяемы снизу вверх по техническим и конструктивным параметрам. Заменяя изделия более новыми, не нужно менять трассировку печатной платы, но можно существенно улучшить технические и экономические показатели устройства в целом.
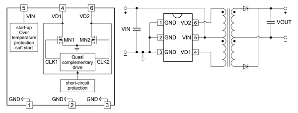
При разработке преобразователей нового поколения (R3) компания Mornsun применила уникальный подход. Он заключался в том, что основная часть схемы, которая ранее выполнялась на дискретных компонентах, была переработана и заменена на микросхему (IC) собственной разработки (например, SCM1201A в корпусе SOT23-6), и вместо двухтактной схемы с самовозбуждением стала использоваться двухтактная схема с независимым генератором, в которую дополнительно были интегрированы цепи защиты выхода от КЗ. Причем, эта защита от КЗ носит долговременный характер (рисунки 3 и 4).

Рис. 3. Подход Mornsun к снижению себестоимости изделий поколения R3

Рис. 4. Блок-схема и типовая схема включения ICSCM1201A
Такой подход позволил примерно на 40% сократить количество используемых компонентов, что привело к снижению себестоимости, а также сократить время на их монтаж, что упростило сборку и снизило общие затраты по изготовлению. Также уменьшилось и количество паяных соединений, что повлекло дальнейшее снижение себестоимости. Помимо этого, сокращение компонентов и паяных соединений привело к повышению надежности DC/DC-преобразователя (увеличению значения MTBF).
В целом, эта микросхема содержит следующие каскады и функциональные особенности:
- функция плавного старта;
- широкий диапазон входного напряжения 4…40 В;
- высокосимметричный встроенный выходной каскад на двух MOSFET;
- схема управления силовым каскадом;
- защита от короткого замыкания на выходе;
- защита от перегрева;
- быстрый запуск
Внутренняя начинка и функциональная насыщенность определяют поведение и характерные особенности готового DC/DC-преобразователя нового поколения R3. Рассмотрим эти особенности.
Защита выхода от КЗ
В преобразователях поколения R3 реализована оригинальная схема защиты выхода от КЗ с самовосстановлением, которая интегрирована в микросхему. Эта защита носит трехступенчатый характер: ограничение выходного тока на определенном уровне (режим СС), контроль времени и автозапуск (“икающий” режим работы). Среднее значение тока КЗ имеет уровень 5 мА и не зависит от температуры окружающей среды.
Функция плавного старта
В схеме DC/DC-преобразователей нового поколения имеется функция плавного старта, которая позволят избежать появления импульса повышенного входного тока в момент включения преобразователя. Эта функция снимает требования к источнику входного напряжения для DC/DC-преобразователя, допуская снижение его мощности и избегая избыточности. Данная функция особенно важна для приложений, в которых имеются ограничения по энергии.
Защита от перегрева
Преобразователи поколения R3 имеют встроенную защиту от перегрева. Как только температура преобразователя превысит установленную величину, он перейдет в режим сна, чтобы избежать повреждения, и автоматически восстановится, когда температура понизится до безопасного значения. Эта функция повышает надежность устройства в различных ситуациях. Понятно, что она защищает DC/DC-преобразователь, когда из-за каких-либо внешних факторов происходит общий нагрев устройства, но также срабатывает, когда устройство работает с перегрузкой по току.
У всех преобразователей с защитой от перегрузки по току имеется некоторая область от минимального до максимального значения выходного тока, в которой происходит срабатывание защиты. Если преобразователь, не имеющий тепловой защиты, длительное время будет работать при значении выходного тока, лежащем в этой области, то он может выйти из строя от перегрева. В преобразователе поколения R3 этого не произойдет, поскольку при перегреве включится тепловая защита.
Повышенная емкость нагрузки
В DC/DC-преобразователях с фиксированным входом, выполненных по схеме, приведенной на рисунке 2, нагрузочная способность по емкости, плавный старт и защита от КЗ взаимосвязаны и оказывают влияние друг на друга. Улучшение одного из этих параметров приводит к ухудшению двух других. Инженеры компании Mornsun разработали схему, позволившую “развязать” эти параметры и снять взаимные ограничения. Например, преобразователь B0505S-1WR3 может нормально работать с емкостью нагрузки до 2400 мкФ и запускаться с емкостью до 4000 мкФ в режиме с ограничением выходного тока.
Высокий КПД при малой и полной мощности
В преобразователях нового поколения снижены потери на переключение в основных силовых компонентах (MOSFET, выпрямительных диодах, трансформаторе) в полном диапазоне нагрузки. Это достигнуто благодаря оптимизации схемы управления, за счет чего удалось повысить эффективность при работе на малой выходной мощности. В этом режиме удалось добиться увеличения КПД на 20% по сравнению с преобразователями, выполненными по классической схеме (рисунок 5). Кроме того, преобразователи демонстрируют хорошую стабильность выходного напряжения в широком диапазоне выходной мощности (10…100%). Входной ток холостого хода не превышает величины 5 мА (рисунок 6),что может существенно продлить продолжительность работы от автономного источника питания (у классических преобразователей этот параметр достигает значения 15…30 мА).

Рис. 5. Зависимость КПД от выходной мощности DC/DC-преобразователя B0505S-1W: а) нового поколения R3; б) предыдущего поколения R2

Рис. 6. Входной ток холостого хода
Высокое значение КПД снижает температуру устройства и решает проблему ее повышения в условиях малой нагрузки (рисунок 7).

Рис. 7. Сравнение температуры DC/DC-преобразователей при малой и полной нагрузке
Высокая надежность
Высокая надежность DC/DC-преобразователей нового поколения достигнута за счет того, что до 40% используемых компонентов преобразователя заменены одной микросхемой. За счет этого также снизилось общее количество паяных соединений. Достигнутое значение брака – порядка 10 шт на 1 000 000.
Быстрый запуск или высокая скорость включения
На практике возникают случаи, когда происходит отказ электронного модуля из-за несвоевременно поданного питания (с задержкой). В новом поколении время запуска составляет порядка 20 мс, что на порядок быстрее, чем в преобразователях, выполненных по схеме, приведенной на рисунке 2 (примерно 200 мс). При этом выход на рабочий режим происходит плавно и без перенапряжений (рисунок 8).
Собственный DC/DC-преобразователь на компонентах Mornsun
Компания Mornsun производит не только готовые DC/DC-преобразователи, но и отдельно поставляет рассмотренную выше микросхему SCM1201A и трансформаторы для построения собственной распределенной системы питания в устройстве. Дополнительно потребуется лишь минимальный набор дискретных элементов (рисунок 4).
В настоящий момент имеется несколько трансформаторов в SMD-исполнении с изоляцией 1,65 и 3 кВ (соответственно, TTB0505-1T и TSHT5.8-01), а в скором времени ожидается изделие на 6 кВ. Используя микросхему и трансформатор, можно собрать изолированный DC/DC-преобразователь 5/5 В мощностью 1 Вт. Высота SMD-трансформатора TTB0505-1T составляет всего 3,6 мм, а высота аналогичного готового DC/DC-преобразователя в самом компактном корпусе SMD8 – 7,25 мм. Поэтому, используя отдельные компоненты вместо готового преобразователя, можно в два раза уменьшить высоту преобразователя на печатной плате (ПП), что очень важно для сверхкомпактных (плоских) устройств. При этом полученный DC/DC-преобразователь будет обладать всеми преимуществами поколения R3, о которых было сказано выше, а экономический эффект окажется ощутимым, особенно при массовом производстве.
Сегодня многие разработчики уже высоко оценили качество и технические параметры DC/DC-преобразователей Mornsun нового поколения R3. Следует учесть, что пока не все модели ранних поколений имеют полные аналоги в новом поколении, но расширение линейки R3 идет достаточно быстро, и в скором времени большинство позиций будет иметь эквивалент в новом поколении. Заменяя изделия предыдущего поколения новыми, мы снижаем стоимость изделия и улучшаем технические характеристики системы питания, такие как КПД, плавный старт, скорость запуска преобразователя, стабильность поведения при малой нагрузке, возможность увеличения емкости нагрузки, а также ЭМС/ЭМИ.

Наши информационные каналы