8-канальные АЦП последовательного приближения (SAR) с одновременным преобразованием
вчера
Андрей Любенко (КОМПЭЛ)
Современные системы измерений и сбора данных требуют высокоточных, надежных и гибких решений. Одним из распространенных классов устройств, отвечающих этим требованиям, являются 8-канальные АЦП последовательного приближения (SAR), поддерживающие одновременное преобразование сигналов. Архитектура данных преобразователей позволяет проводить измерения с сохранением информации о фазе сигнала по всем каналам одновременно. Подобный подход находит широкое применение в различных отраслях промышленности, таких как:
- мониторинг трехфазных сетей электропитания;
- устройства защиты высоковольтных сетей напряжения;
- многофазные электроприводы;
- промышленная автоматизация;
- виброизмерения;
- многоканальные медицинские диагностические приборы.
Одним из распространенных решений для подобных задач стал аналого-цифровой преобразователь серии xx7606. На рынке среди азиатских производителей электронных компонентов несколько крупных компаний имеют в линейке поставок аналогичное решение, совпадающее по корпусу и назначению выводов. КОМПЭЛ на данный момент предлагает рассмотреть решения от трех китайских производителей HTC Semi, 3PEAK и CN Belling:
- HT7606 (HTC Semi);
- TPAFE5160 (3PEAK);
- BL1082 (CN Bell).
Все три преобразователя оснащены встроенными аналоговыми фронтендами, включая программируемые усилители (PGA), фильтры нижних частот и защиту входов от перенапряжения, устройство выборки и хранения.

Рис. 1. Архитектура TPAFE5160
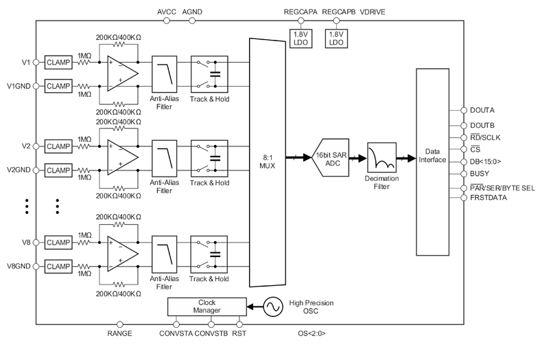
Однако в схеме реализации собственно преобразования аналогового сигнала в цифровой эти устройства имеют ряд различий. Например, преобразователи TPAFE5160 и BL1082 имеют по одному АЦП на каждый канал, соответственно (рисунки 1 и 2), обеспечивая синхронность измерений, а в HT7606 схема измерений реализована с использованием одного АЦП, мультиплексора и синхронных УВХ (рисунок 3).

Рис. 2. Архитектура BL1082

Рис. 3. Архитектура HT7606
Все три микросхемы предназначены для работы с биполярными входными сигналами и обеспечивают высокую точность преобразования (16 бит) и широкий динамический диапазон.
В таблице 1 приведены сравнительные характеристики преобразователей, выпускаемых всеми тремя компаниями. Исходя из этих данных, можно заметить сходство основных параметров, влияющих на точность и качество измерений.
Таблица 1. Сравнительные параметры восьмиканальных АЦП SAR
| Параметр | Ax7606 | HT7606 | TPAFE5160 | BL1082 |
|---|---|---|---|---|
| Разрядность АЦП, бит | 16 | 16 | 16 | 16 |
| Количество каналов | 8 | 8 | 8 | 8 |
| Макс. частота выборок, kSPS | 200 | 200 | 350 | 200 |
| Диапазон входных напряжений, В | ±10, ±5 | ±10, ±5, ±12,5 | ±10, ±5 | ±10, ±5 |
| SFDR (тип.), dB | -100 | -110 | -106 | -99 |
| THD (тип.), dB | -100 | -107 | -106 | -106 |
| DNL (макс.), LSB | ±1 | ±0,5 | – | ±0,5 |
| INL (макс.), LSB | ±2 | ±0,5 | ±2,5 | ±1,2 |
| Напряжение питания (аналоговая часть), В | 5 | 4,75…5,25 | 5 | 4,75…5,25 |
| Напряжение питания (цифровая часть), В | 1,8…5 | 2,3…5,25 | 1,71…5 | 2,3…5,25 |
| Интерфейс | Параллельный/последовательный | Параллельный/последовательный | Параллельный/последовательный | Параллельный/последовательный |
| Ток потребления (макс.), мА | 27 | 10 | 51 (норм.) | 33 |
| Рабочая температура, °C | -40…85 | -40…85 | -40…125 | -40…85 |
| Корпус | LQFP-64 | LQFP-64 | LQFP-64 | LQFP-64 |
| Цифровой фильтр | Да | Да | Да | Да |
| Защита входов | Есть | Есть | Есть | Есть |
| Встроенная система самодиагностики | Да | Да | Да | Да |
Получить консультацию по аналогово-цифровым преобразователям можно, обратившись к менеджерам КОМПЭЛ.
Наши информационные каналы