Инструментальные усилители: критерии выбора и особенности современных решений
24 февраля
Андрей Любенко (КОМПЭЛ)
Современные электронные системы требуют точной обработки маломощных сигналов в условиях сильных шумов и помех. Именно поэтому инструментальные усилители (Instrumentation Amplifiers) стали ключевым элементом промышленных систем, медицинской техники, измерительных приборов и оборудования во многих других областях.
Инструментальный усилитель (ИУ) – это специализированное устройство, предназначенное для усиления малых дифференциальных сигналов на фоне больших синфазных помех (рисунок 1). Его основная задача – обеспечить высокую точность усиления, стабильность и коэффициент ослабления синфазного сигнала (КОСС).

Рис. 1. Типовая схема инструментального усилителя
При выборе ИУ важно учитывать следующие параметры:
- коэффициент усиления (Gain) – задаваемый внешним резистором или фиксированный диапазон значений;
- напряжение смещения (Offset Voltage), определяющее точность при усилении слабых сигналов;
- Rail-to-Rail выход (R-R Output) – размах выходного напряжения, близкий к значениям питания;
- напряжение питания (Supply Voltage) – диапазон допустимых значений напряжения питания;
- уровень шума (Input Voltage Noise), особенно важный при работе с малыми сигналами;
- полоса пропускания (Bandwidth), определяющая максимальную частоту полезного сигнала;
- коэффициент ослабления синфазного сигнала (КОСС) – ключевой параметр помехоустойчивости и ослабления синфазных помех;
- температурный дрейф напряжения смещения – стабильность параметров при изменении температуры окружающей среды.
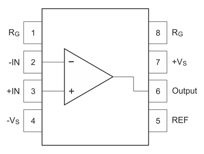
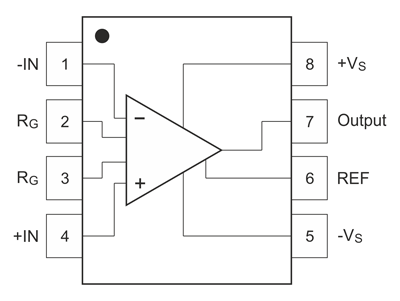
Среди инструментальных усилителей в восьмивыводных корпусах существуют два основных стандарта расположения выводов, которые определяют удобство подключения и совместимость с другими компонентами устройства. Классическая схема, при которой задающий резистор усиления (Rg) подключается к 1 и 8 выводу, приведена на рисунке 2. На третьем рисунке представлена схема их оптимизированного расположения, при котором резистор подключается к 2 и 3 выводу микросхемы, минимизируя влияние паразитных индуктивностей и емкостей, а также улучшая подавление синфазных помех и оптимизируя расположение компонентов на печатной плате.

Рис. 2. Классическое расположение выводов INA101

Рис. 3. Оптимизированное расположение выводов SGM621
Сегодня на рынке инструментальных усилителей представлено достаточно много моделей от ведущих китайских производителей, предлагающих решения под разные задачи – от высокоточных промышленных систем до энергоэффективной портативной электроники (таблица 1).
INA101/INA102 производства AnalogySemi – классические усилители с широким диапазоном питающих напряжений (±2…±19 В), низким потреблением (1,56 мА) и высокой точностью, ориентированные на медицинские и измерительные приложения.
ZJW Microelectronics выпускает серию усилителей ZJA362x, имеющих исключительно низкий уровень шума (6,5 нВ/√Гц), высокий КОСС (до 130 дБ) и стабильность параметров в расширенном температурном диапазоне. Модели выполнены в вариантах как с классическим, так и с оптимизированным расположением контактов, что подходит для промышленных датчиков и систем сбора данных.
Компания 3PEAK производит усилитель TPA1286 на основе архитектуры Zero-Drift с минимальным дрейфом смещения (0,2 мкВ/°C), Rail-to-Rail выходом и поддержкой высоких напряжений (±18 В), подходящий для прецизионных измерительных систем с низким уровнем шума.
Линейка SGM620, выпускаемая компанией SG Micro – компактное и энергоэффективное решение (1 мА) с выходом Rail-to-Rail и гибкой настройкой усиления, ориентированное на портативные и батарейные устройства.
Таблица 1. Сравнение характеристик инструментальных усилителей
| Наименование | INA101 (Analogys) |
ZJA3620 (ZJW) |
TPA1286 (3PEAK) |
SGM620/621 (SGMicro) |
|---|---|---|---|---|
| Назначение выводов | Классическое | Классическое/оптимизированное | Классическое | Классическое/оптимизированное |
| Коэффициент усиления | 1…10000 | 1…10000 | 1…10000 | 1…10000 |
| Напряжение смещения Vos, мкВ | ±17 | ±125 | ±10 | ±200 |
| Температурный дрейф, мкВ/°C | 0,1 | 0,1 | 0,2 | 0,2 |
| Rail-to-Rail выход | ❌ Нет | ❌ Нет | ✅ Да | ✅ Да |
| Напряжение питания, В | ±2…±19 | ±2,3…±18 | ±2…±18 | ±2,1…±18 |
| Ток потребления, мА | 1,56 | 1,2 | 3,8 | 1 |
| Полоса пропускания при G = 1, МГц | 1,3 | 100 | 1,6 | 0,14 |
| Коэффициент ослабления синфазного сигнала КОСС, дБ | 90 | 90 | 100 | 85 |
| Уровень шума при 1 кГц, нВ/√Гц | 14 | 13 | 15 | 6 |
| Температурный диапазон, °C | -40…85 | -40…125 | -45…125 | -45…125 |
| Корпус | SOIC-8 | SOIC-8/MSOP-8 | SOP-8/MSOP-8/DFN3×3-8 | SOIC-8/MSOP-8 |
Представленные ИУ могут быть использованы при проектировании новых устройств или модернизации существующих. Разнообразие существующих решений позволяет подобрать модель устройства, соответствующую требованиям различных проектов. Инструментальные усилители доступны со склада, а с их характеристиками и параметрами можно ознакомиться в каталоге КОМПЭЛ.
Наши информационные каналы