HRP-200-12

AC/DC преобразователь корпусированный
развернуть ▼ свернуть ▲
 
 

Технические характеристики

показать свернуть
Серия
Выходная мощность (ном)
Выход
Напряжение 1 канала
Выходной ток 1 канала
Тип стабилизации
Вход
Конструктивное исполнение
Возможности ККМ, компенсация на проводах, 1U профиль, ограничение тока
Типы защиты КЗ, перегрузка, перенапряжение, перегрев
Количество выходов
Тип управления выходом
Исполнение
Входное напряжение AC
Входное напряжение DC
Коэффициент мощности
Напряжение изоляции вход-выход
Напряжение изоляции вход-земля
Напряжение изоляции выход-земля
Применение
КПД
Шум
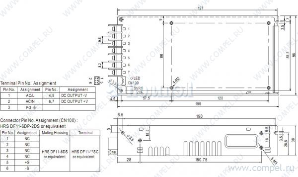
Размер 98×199×38 мм
Рабочая температура
Нашли ошибку? Выделите её курсором и нажмите CTRL + ENTER

Аналоги 18

показать свернуть
Тип Наименование Корпус Упаковка i Серия P вых Выход U1 I1 Стабилизация Вход Конструктив Возможности Защита Выходов Управление IP U вх AC U вх DC Коэф. мощн. U изол вх-вых U изол вх-земля U изол вых-земля Применение КПД Шум T раб Примечание Карточка
товара
F~ HRPG-200-12 (MW)
 
1 шт AC-DC сетевой преобразователь - P вых: 200 Вт; Выход: 12 В, 5 В SB; U1: 10.2...13.8 В; ... ККМ, компенсация на проводах, 1U профиль, ограничение тока, дистанционное Вкл/Выкл, дополнительный выход 5 В Stand By КЗ, перегрузка, перенапряжение, перегрев
A+ LRS-200-12 (MW)
 
в коробках 15 шт AC-DC сетевой преобразователь - P вых: 200 Вт; Выход: 12 В; U1: 10.2...13.8 В; I1: до 1... КЗ, перегрузка, перенапряжение, перегрев
A+ UHP-200-12 (MW)
 
1 шт
A+ NPB-240-12TB (MW)
 
в коробках 10 шт КЗ, перенапряжение, перегрев, переполюсовка
A+ RPS-200-12-C (MW)
 
в коробках 60 шт ККМ, компактный дизайн, дополнительный выход 12 В КЗ, перегрузка, перенапряжение, перегрев
A+ LM200-12B12 (MORNSUN)
 
1 шт КЗ, перегрузка, перенапряжение, перегрев AC-DC Regulated Power Supply Module, 1 Output, 204W, Hybrid
A+ LM200-20B12R2 (MORNSUN)
 
в коробках 20 шт КЗ, перегрузка, перенапряжение, перегрев
A+ UHP-200R-12 (MW)
 
1 шт
A+ MSP-200-12 (MW)
 
в коробках 18 шт AC-DC сетевой преобразователь - P вых: 200 Вт; Выход: 12 В, 5 В SB; U1: 10.2...13.8 В; ... ККМ, компенсация на проводах, 1U профиль, ограничение тока, дистанционное Вкл/Выкл, дополнительный выход 5 В Stand By КЗ, перегрузка, перенапряжение, перегрев
A+ ENC-240-12 (MW)
 
1 шт
 
КЗ, перенапряжение, перегрев, переполюсовка
A+ HEP-240-12A (MW)
 
1 шт КЗ, перегрузка, перенапряжение, перегрев
A+ RSP-200-12 (MW)
 
в коробках 15 шт КЗ, перегрузка, перенапряжение, перегрев
A+ S-210-12 (MW)
 
AC-DC сетевой преобразователь - P вых: 204 Вт; Выход: 12 В; U1: 10...13.2 В; I1: до 17 ... КЗ, перегрузка, перенапряжение, перегрев
A+ LRS-200N2-12 (MW)
 
 
КЗ, перегрузка, перенапряжение, перегрев
A+ NPB-240-12AD1 (MW)
 
КЗ, перенапряжение, перегрев, переполюсовка
A+ NPB-240-12XLR (MW)
 
КЗ, перенапряжение, перегрев, переполюсовка
A+ LM200-10B12 (MORNSUN)
 
1 шт КЗ, перегрузка, перенапряжение, перегрев AC-DC Regulated Power Supply Module
A+ LOF225-20B12-C (MORNSUN)
 
2 шт КЗ, перегрузка, перенапряжение, перегрев AC-DC Power Factor Correction Module

Файлы 2

показать свернуть
HRP-200 200W Single Output with PFC Function ■ Features : series User’s Manual Universal AC input / Full range Built-in active PFC function, PF>0.95 High efficiency up to 89% Withstand 300VAC surge input for 5 seconds Protections: Short circuit / Overload / Over voltage / Over temperature Cooling by free air convection Built-in constant current limiting circuit 1U low profile 38mm Built-in remote sense function 5 years warranty Bauar t gepruft Sicherheit egel ma ge od o s be wac g www. tuv.com ID 2000000000 SPECIFICATION MODEL OUTPUT AS/NZS 62368.1 HRP-200-3.3 HRP-200-5 HRP-200-7.5 HRP-200-12 HRP-200-15 HRP-200-24 HRP-200-36 HRP-200-48 DC VOLTAGE 3.3V 5V 7.5V 12V 15V 24V 36V 48V RATED CURRENT 40A 35A 26.7A 16.7A 13.4A 8.4A 5.7A 4.3A CURRENT RANGE 0 ~ 40A 0 ~ 35A 0 ~ 26.7A 0 ~ 16.7A 0 ~ 13.4A 0 ~ 8.4A 0 ~ 5.7A 0 ~ 4.3A RATED POWER 132W 175W 200.3W 200.4W 201W 201.6W 205.2W 206.4W RIPPLE & NOISE (max.) Note.2 80mVp-p 90mVp-p 100mVp-p 120mVp-p 150mVp-p 150mVp-p 250mVp-p 250mVp-p VOLTAGE ADJ. RANGE 4.3 ~ 5.8V ±2.0% 6.8 ~ 9V ±2.0% 10.2 ~ 13.8V ±1.0% 13.5 ~ 18V ±1.0% 21.6 ~ 28.8V ±1.0% 28.8 ~ 39.6V ±1.0% 40.8 ~ 55.2V ±1.0% 2.8 ~ 3.8V VOLTAGE TOLERANCE Note.3 ±2.0% LINE REGULATION ±0.5% ±0.5% ±0.5% ±0.3% ±0.3% ±0.2% ±0.2% ±0.2% LOAD REGULATION ±1.5% ±1.0% ±1.0% ±0.5% ±0.5% ±0.5% ±0.5% ±0.5% SETUP, RISE TIME 1000ms, 50ms/230VAC HOLD UP TIME (Typ.) 16ms/230VAC 88% 89% 89% PROTECTION 2500ms, 50ms/115VAC at full load 16ms/115VAC at full load Note.5 85 ~ 264VAC VOLTAGE RANGE FREQUENCY RANGE 47 ~ 63Hz INPUT BS EN/EN62368-1 TPTC004 IEC62368-1 120 ~ 370VDC POWER FACTOR (Typ.) PF>0.95/230VAC EFFICIENCY (Typ.) 80% AC CURRENT (Typ.) INRUSH CURRENT (Typ.) 2.1A/115VAC 35A/115VAC LEAKAGE CURRENT <1.2mA / 240VAC OVERLOAD 105 ~ 135% rated output power Protection type : Constant current limiting, recovers automatically after fault condition is removed 6 ~ 7V 9.4 ~ 10.9V 14.4 ~ 16.8V 18.8 ~ 21.8V 30 ~ 34.8V 41.4 ~ 48.6V 3.96 ~ 4.62V OVER VOLTAGE OVER TEMPERATURE WORKING TEMP. PF>0.99/115VAC at full load 84% 86% 88% 88% 1.1A/230VAC 70A/230VAC 57.6 ~ 67.2V Protection type : Shut down o/p voltage, re-power on to recover Shut down o/p voltage, recovers automatically after temperature goes down -40 ~ +70℃ (Refer to "Derating Curve") 20 ~ 90% RH non-condensing WORKING HUMIDITY ENVIRONMENT STORAGE TEMP., HUMIDITY -40 ~ +85℃, 10 ~ 95% RH TEMP. COEFFICIENT ±0.03%/℃ (0 ~ 50℃︶ VIBRATION 10 ~ 500Hz, 5G 10min./1cycle, 60min. each along X, Y, Z axes SAFETY STANDARDS SAFETY & WITHSTAND VOLTAGE ISOLATION RESISTANCE EMC (Note 4) OTHERS I/P-FG:2KVAC O/P-FG:0.5KVAC EMC EMISSION I/P-O/P, I/P-FG, O/P-FG:100M Ohms / 500VDC / 25℃/ 70% RH Compliance to BS EN/EN55032 (CISPR32) Class B, BS EN/EN61000-3-2,-3, EAC TP TC 020 EMC IMMUNITY Compliance to BS EN/EN61000-4-2,3,4,5,6,8,11,BS EN/EN55024,heavy industry level, criteria A, EAC TP TC 020 MTBF 209.4K hrs min. DIMENSION 199*98*38mm (L*W*H) 0.77Kg; 18pcs/14.9Kg/0.87CUFT PACKING NOTE UL62368-1,TUV BS EN/EN62368-1, AS/NZS62368.1, EAC TP TC 004 approved I/P-O/P:3KVAC MIL-HDBK-217F (25℃) 1. All parameters NOT specially mentioned are measured at 230VAC input, rated load and 25℃ of ambient temperature. 2. Ripple & noise are measured at 20MHz of bandwidth by using a 12" twisted pair-wire terminated with a 0.1uf & 47uf parallel capacitor. 3. Tolerance : includes set up tolerance, line regulation and load regulation. 4. The power supply is considered a component which will be installed into a final equipment. All the EMC tests are been executed by mounting the unit on a 360mm*360mm metal plate with 1mm of thickness. The final equipment must be re-confirmed that it still meets EMC directives. For guidance on how to perform these EMC tests, please refer to “EMI testing of component power supplies.” (as available on http://www.meanwell.com) 5. Derating may be needed under low input voltages. Please check the derating curve for more details. 6. The ambient temperature derating of 3.5℃/1000m with fanless models and of 5℃/1000m with fan models for operating altitude higher than 2000m(6500ft). ※ Product Liability Disclaimer:For detailed information, please refer to https://www.meanwell.com/serviceDisclaimer.aspx File Name:HRP-200-SPEC 2021- 09-15 PDF
Документация на HRP-200-7.5 

HRP-200-20210915.cdr

Дата модификации: 28.09.2021

Размер: 137.1 Кб

2 стр.

HRP-200 200W Single Output with PFC Function series Features : Universal AC input / Full range Built-in active PFC function, PF>0.95 High efficiency up to 89% Withstand 300VAC surge input for 5 seconds Protections: Short circuit / Overload / Over voltage / Over temperature Cooling by free air convection Built-in constant current limiting circuit 1U low profile 38mm Built-in remote sense function 5 years warranty SPECIFICATION MODEL OUTPUT HRP-200-3.3 HRP-200-5 HRP-200-12 HRP-200-15 HRP-200-24 HRP-200-36 HRP-200-48 DC VOLTAGE 3.3V 5V 7.5V 12V 15V 24V 36V 48V RATED CURRENT 40A 35A 26.7A 16.7A 13.4A 8.4A 5.7A 4.3A CURRENT RANGE 0 ~ 40A 0 ~ 35A 0 ~ 26.7A 0 ~ 16.7A 0 ~ 13.4A 0 ~ 8.4A 0 ~ 5.7A 0 ~ 4.3A RATED POWER 132W 175W 200.3W 200.4W 201W 201.6W 205.2W 206.4W RIPPLE & NOISE (max.) Note.2 80mVp-p 90mVp-p 100mVp-p 120mVp-p 150mVp-p 150mVp-p 250mVp-p 250mVp-p VOLTAGE ADJ. RANGE 4.3 ~ 5.8V 2.0% 6.8 ~ 9V 2.0% 10.2 ~ 13.8V 1.0% 13.5 ~ 18V 1.0% 21.6 ~ 28.8V 1.0% 28.8 ~ 39.6V 1.0% 40.8 ~ 55.2V 1.0% VOLTAGE TOLERANCE Note.3 LINE REGULATION LOAD REGULATION 2.8 ~ 3.8V 2.0% 0.5% 0.5% 1.5% 1.0% SETUP, RISE TIME 1000ms, 50ms/230VAC HOLD UP TIME (Typ.) 16ms/230VAC PF>0.95/230VAC EFFICIENCY (Typ.) 80% AC CURRENT (Typ.) INRUSH CURRENT (Typ.) 2.2A/115VAC 35A/115VAC LEAKAGE CURRENT <1.2mA / 240VAC PROTECTION OVER VOLTAGE 0.3% 0.3% 0.2% 0.2% 0.2% 1.0% 0.5% 0.5% 0.5% 0.5% 0.5% 2500ms, 50ms/115VAC at full load 120 ~ 370VDC POWER FACTOR (Typ.) OVERLOAD 0.5% 16ms/115VAC at full load VOLTAGE RANGE Note.5 85 ~ 264VAC FREQUENCY RANGE 47 ~ 63Hz INPUT HRP-200-7.5 PF>0.99/115VAC at full load 84% 86% 88% 88% 88% 89% 89% 1.1A/230VAC 70A/230VAC 105 ~ 135% rated output power Protection type : Constant current limiting, recovers automatically after fault condition is removed 6 ~ 7V 9.4 ~ 10.9V 14.4 ~ 16.8V 18.8 ~ 21.8V 30 ~ 34.8V 41.4 ~ 48.6V 3.96 ~ 4.62V 57.6 ~ 67.2V Protection type : Shut down o/p voltage, re-power on to recover 95 5 (TSW1) detect on heatsink of power transistor OVER TEMPERATURE 105 WORKING TEMP. Protection type : Shut down o/p voltage, recovers automatically after temperature goes down -40 ~ +70 (Refer to "Derating Curve") 5 (TSW2) detect on main power output choke 20 ~ 90% RH non-condensing WORKING HUMIDITY ENVIRONMENT STORAGE TEMP., HUMIDITY -40 ~ +85 , 10 ~ 95% RH TEMP. COEFFICIENT 0.03%/ (0 ~ 50 VIBRATION 10 ~ 500Hz, 5G 10min./1cycle, 60min. each along X, Y, Z axes UL60950-1, TUV EN60950-1 approved SAFETY STANDARDS SAFETY & WITHSTAND VOLTAGE ISOLATION RESISTANCE EMC (Note 4) OTHERS I/P-FG:1.5KVAC O/P-FG:0.5KVAC EMC EMISSION I/P-O/P, I/P-FG, O/P-FG:100M Ohms / 500VDC / 25 / 70% RH Compliance to EN55022 (CISPR22) Class B, EN61000-3-2,-3 EMC IMMUNITY Compliance to EN61000-4-2,3,4,5,6,8,11, EN55024, heavy industry level, criteria A MTBF 209.4K hrs min. DIMENSION 199*98*38mm (L*W*H) 0.77Kg; 18pcs/14.9Kg/0.81CUFT PACKING NOTE I/P-O/P:3KVAC MIL-HDBK-217F (25 ) 1. All parameters NOT specially mentioned are measured at 230VAC input, rated load and 25 of ambient temperature. 2. Ripple & noise are measured at 20MHz of bandwidth by using a 12" twisted pair-wire terminated with a 0.1uf & 47uf parallel capacitor. 3. Tolerance : includes set up tolerance, line regulation and load regulation. 4. The power supply is considered a component which will be installed into a final equipment. The final equipment must be re-confirmed that it still meets EMC directives. For guidance on how to perform these EMC tests, please refer to “EMI testing of component power supplies.” (as available on http://www.meanwell.com) 5. Derating may be needed under low input voltages. Please check the derating curve for more details. File Name:HRP-200-SPEC 2011-08-09 PDF
Документация на серию HRP-200 

HRP-200.cdr

Дата модификации: 24.08.2011

Размер: 365.7 Кб

2 стр.

    Публикации 2

    показать свернуть
    06 апреля
    статья

    Как из офлайн-инвертора сделать онлайн-источник бесперебойного питания

    Сергей Миронов (КОМПЭЛ) В данной статье рассмотрен вариант построения типового онлайн–источника бесперебойного питания (ИБП) с чистым синусом на выходе и нулевым временем перехода на резерв, выполненного из готовых модулей производства MEAN... ...читать

    26 апреля 2021
    новость

    Экосистема MEAN WELL. Решения для любых задач электропитания (материалы вебинара)

    Программа показатьсвернуть Приглашаем всех желающих на вебинар, посвященный линейке поставок компании MEAN WELL и ее подходу к производству источников питания – как экосистемы продукции и услуг. Экосистема MEAN WELL позволяет подобрать... ...читать

    Внимание! Точность указанного на сайте описания товара не может быть гарантирована. Для получения более полной и точной информации о товаре смотрите техническое описание (Datasheet) на сайте производителя.