WD1082GDET

200W High-performance AC/DC Quasi-resonant (QR) Mode Flyback Converter
развернуть ▼ свернуть ▲
 
 

Технические характеристики

показать свернуть
Корпус TO220F6
Топология
Максимальное напряжение силового ключа
Максимальный ток силового ключа
Номинальная мощность
Максимальная частота преобразователя
Ток собственного потребления
Примечание
Рабочая температура
Нашли ошибку? Выделите её курсором и нажмите CTRL + ENTER

Файлы 1

показать свернуть
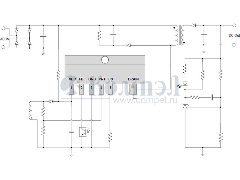
WD108xG Six-level efficiency current-mode PWM controller 1. General Description 2. Features WD108xG is a high-performance quasi-resonant(QR) mode controller with low power consumption, high efficiency, etc. mainly used in offline fly-back converters.      Under normal load, the WD108xG works in QR mode. In order to reduce switching losses, the WD108xG's maximum switching frequency in QR mode is limited to 100 kHz. When the load is reduced, it works in PFM mode based on valley to conduction, and when it is light load or no load, the WD108xG works in burst mode to reduce switching losses, thereby reducing no-load power consumption and improving light load efficiency. In burst mode, the switching frequency is around 25 kHz, which effectively avoids the visible range of the human ear and eliminates audio noise.       The WD108xG has a very small VDD start-up current and operating current, which is a good peripheral design for system start time and no-load loss.    The WD108xG's built-in soft driver and optimized EMI technology make the WD108xG have good EMI performance. At the same time, the chip also provides more protection functions, including overcurrent protection (OCP), over-load protection (OLP), under-voltage lockout (UVLO), over-temperature protection (OTP), and over-voltage protection (OVP). Soft start at boot to reduce MOSFET overshoot Very low starting and operating currents Current mode PWM control Quasi-resonant mode of valley switching Burst mode control without audio noise reduces no-load power consumption and improves lightload efficiency The frequency can be increased in case of overload Frequency jitter contributes to good EMI performance Cycle-by-cycle current limiting provides stable limiting power over a common input voltage range Under-voltage Lockout (UVLO) Over-load Protection Function (OLP) Built-in and external optional over-temperature protection (OTP) Output Overvoltage Protection (OVP) Output diode short-circuit protection selfrecovery Built-in 700V10A power tube 3. Applications AC/DC off-line flyback switching power supply is used in:  Printers, Batteries  Power Adapter The WD108xG is available in a TO220F-6 package W02020028 – Rev 0.6 1 www.way-on.com PDF
Документация на WD1082GDET 

WR1117A

Дата модификации: 23.02.2024

Размер: 767.1 Кб

13 стр.

    Публикации 2

    показать свернуть
    30 января 2026
    статья

    Форсированный сброс энергии Х-конденсатора импульсных источников питания на базе микросхемы PN8200-SECR1

    Михаил Варакин (г. Ишим) К современным устройствам – от бытовой техники до электроники и систем кондиционирования воздуха – предъявляются жесткие требования по потреблению в выключенном и ждущем режимах. Одним из способов их выполнения является... ...читать

    15 октября 2024
    новость

    Мощный квазирезонасный AC/DC-преобразователь 90 Вт со встроенным GaN-транзистором от Chipown

    Компания Chipown предлагает к заказу PN8783QF–A1 – современный AC/DC–преобразователь со встроенным GaN–транзистором и выходной мощностью до 90 Вт. Микросхема работает в энергоэффективном квазирезонансном режиме преобразования и... ...читать

    Внимание! Точность указанного на сайте описания товара не может быть гарантирована. Для получения более полной и точной информации о товаре смотрите техническое описание (Datasheet) на сайте производителя.