Новые COG OLED-дисплейные модули Winstar сэкономят место и бюджет
9 января 2023
Компания Winstar – один из лидеров среди производителей дисплеев – завершила 2022 год выпуском нескольких новых графических OLED-дисплейных модулей, которые доступны для заказа в КОМПЭЛ. Модули выполнены по технологии COG (Chip-on-Glass), при которой размещение контроллера осуществляется прямо на стекле дисплея, позволяя уменьшить габариты, вес и стоимость. Такие модули идеально подходят для измерительных приборов, POS-систем, устройства интернета вещей, автомобильного транспорта индустрии, средств связи, медицинских приборов, портативных умных устройств и других приложений.
WEO012832P – монохромный графический OLED-дисплейный модуль (рисунок 1) с диагональю 1,71 дюйма и разрешением 128×32 пикселей.

Рис. 1. Внешний вид COG OLED-дисплейного модуля WEO012832P
Основные характеристики модуля WEO012832P:
- разрешение 128х32;
- диагональ 1,71 дюйма (43,434 мм);
- шаг/размер пикселей 0,33х0,33/0,308х0,308 мм;
- два варианта цвета свечения пикселей: белый и желтый;
- контроллер CH1115;
- интерфейсы I2C и SPI (3- или 4-проводной);
- возможность выбора одного из двух адресов I2C;
- диапазоны напряжений питания 1,65…3,3 В DC для контроллера и 6,4…12 В DC для матрицы OLED;
- номинальный ток потребления 5 мА при 50% включенных пикселей и напряжении матрицы 12 В;
- диапазон рабочих температур -40…80°С;
- габариты (без учета шлейфа) 50,5х15,75 мм (рисунок 2).

Рис. 2. Габариты дисплейного модуля WEO012832P
Следующая новинка – дисплейный модуль WEO128128H (рисунок 3), имеющий диагональ 1,5 дюйма, разрешение 128×128 и, в отличие от предыдущего модуля, возможность подключения по интерфейсу 8080.

Рис. 3. COG OLED-дисплейный модуль WEO128128H
Основные характеристики модуля WEO128128H:
- разрешение 128х128;
- диагональ 1,5 дюйма (38,1 мм);
- шаг/размер пикселей 0,21х0,21/0,185х0,185 мм;
- два варианта цвета свечения пикселей: белый и желтый;
- 4-битная градация яркости;
- контроллер CH1120;
- интерфейсы 8080, I2C, SPI (3- или 4-проводной);
- возможность выбора одного из двух адресов I2C;
- диапазоны напряжений питания 1,65…3,3 В DC для контроллера и 8…15 В DC для матрицы OLED;
- номинальный ток потребления 20 мА при 50% включенных пикселей и напряжении матрицы 14,5 В;
- диапазон рабочих температур -40…80°С;
- габариты (без учета шлейфа) 36,5х33,8 мм (рисунок 4).

Рис. 4. Размеры модуля WEO128128H
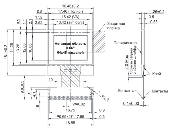
Для совсем небольших устройств потребительского класса компания Winstar предлагает бюджетный дисплейный модуль с диагональю 0,66 дюйма и разрешением 64×48 точек – WEO006448B (рисунок 5).

Рис. 5. COG OLED-дисплейный модуль WEO006448B
Основные характеристики WEO006448B:
- разрешение 64х48;
- диагональ 0,66 дюйма (16,764 мм);
- шаг/размер пикселей 0,21х0,21/0,185х0,185 мм;
- белый цвет свечения пикселей;
- контроллер SSD1315;
- интерфейсы 6800, 8080, I2C, SPI (4-проводной);
- диапазоны напряжений питания 1,65…3,3 В DC для контроллера и 6…8 В DC для матрицы OLED;
- номинальный ток потребления 3 мА при 50% включенных пикселей и напряжении матрицы 7,5 В;
- диапазон рабочих температур -30…70°С;
- габариты (без учета шлейфа) 18,46х18,1 мм (рисунок 6).

Рис. 6. Габариты дисплейного модуля WEO006448B
Наши информационные каналы