WEA012864DWPP3N00003

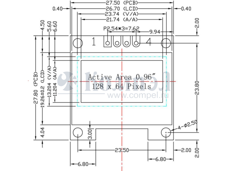
Диагональ COG OLED модуля WEA012864D-03 версия составляет 0.96 дюймов и имеет плату. Разрешение модуля составляет 128x64 пикселей и сделан на базе контроллера IC SSD1306BZ, поддерживает только I2C интерфейс. VCC 3V/5V, I/O 5V ~ 3V, с схемой преобразования, а рабочий цикл (duty cycle) составляет 1/64. В отличии от WEA012864D-01 версия WEA012864D-03 имеет меньший размер платы, который составляет 27.3x27.3x2.37mm, имеет крепежное отверстие, а также 4 металлических пинов. WEA012864D-03 COG OLED модуль идеально подходит для таких решений как: настенные измерительные приборы, POS системы, Облачные loT устройства, устройства интеллектуальных технологий, энергосистемы, автомобильной индустрии, средств связи, медицинских инструментов, носимых умных устройств и т.д. Модуль может работать при температурах от -40 °С до + 80 ℃; а температура хранения - от -40 ℃ до + 85 ℃. Индикатор доступен 2 цветах: желтом и белом.
развернуть ▼ свернуть ▲

Технические характеристики

показать свернуть
Диагональ видимой части
Тип дисплея
Режим
Разрешение
Тип встроенного контроллера
Цвет отображения информации
Особенности
Напряжение питания
Размер 38×28.5×2.37 мм
Рабочая температура
Примечания
Нашли ошибку? Выделите её курсором и нажмите CTRL + ENTER

Аналоги 8

показать свернуть
Тип Наименование Корпус Упаковка i Диагональ Тип Режим Разрешение Контроллер Цвет Особенности Питание Траб Примечания Карточка
товара
P= GY12864-109-KSBG4P096 (GENYU)
 
F~ WEA012832FWPP3N00000 (WINSTAR)
 
на поддоне 50 шт
F~ GY12864-12-KPWG24P154-A (GENYU)
 
на поддоне 30 шт 68XX/80XX Parallel,4-wire SPI,I2C
F~ GY091BD01-B (GENYU)
 
 
F~ GY12864-99-KSWG4P096 (GENYU)
 
F~ GY12864-301-KSBG4P096 (GENYU)
 
F~ SER0.96-K (SIMAIR)
 
F~ SER0.96-A (SIMAIR)
 

Файлы 1

показать свернуть

Публикации 6

показать свернуть
13 ноября 2023
статья

Управляем Smart Display с помощью модуля Arduino, платы расширения и протокола Modbus

Анна Конева (г. Ростов–на–Дону) Инженеры Winstar предлагают простое решение, позволяющее переключать страницы Smart Display при помощи кнопки. В основе системы – плата Arduino Mega 2560, для управления используются протокол и плата... ...читать

30 октября 2023
статья

Управляем Smart Display с помощью протокола custom CAN

Инженеры компании Winstar создали руководство, которое будет полезно как начинающим, так и опытным разработчикам, желающим использовать в своих проектах модуль Arduino, плату расширения CAN bus shield и датчики для контроля устройств с помощью... ...читать

19 июня 2023
новость

Новые символьные дисплеи с интерфейсом I2C поступили на склад Компэл

На склад Компэл поступили новые символьные дисплеи WO2004B–NFH#, WO2004B–TFH# и WO2004B–TMI#, которые позволяют отобразить до 80 символов в виде 4 строк по 20 знакомест. Благодаря наличию интерфейса I2C сокращается число линий к... ...читать

12 января 2023
новость

Компактные I2C LCD-дисплеи Winstar 20x4 доступны для заказа в КОМПЭЛ

Благодаря простоте использования и невысокой стоимости знакосинтезирующие индикаторы на жидких кристаллах давно заняли свою нишу среди дисплеев, отображающих символьную информацию. Компания Winstar предлагает два новых символьных дисплейных модуля... ...читать

09 января 2023
новость

Новые COG OLED-дисплейные модули Winstar сэкономят место и бюджет

Компания Winstar – один из лидеров среди производителей дисплеев – завершила 2022 год выпуском нескольких новых графических OLED–дисплейных модулей, которые доступны для заказа в КОМПЭЛ. Модули выполнены по технологии COG... ...читать

17 мая 2019
статья

Символьные и графические: PMOLED-дисплеи Winstar

Долгое время из–за технических сложностей, сопровождающих еще не отлаженные технологии, OLED–дисплеям не удавалось всерьез состязаться в популярности с традиционными ЖК–индикаторами. Однако в последнее время ситуация изменилась,... ...читать

Внимание! Точность указанного на сайте описания товара не может быть гарантирована. Для получения более полной и точной информации о товаре смотрите техническое описание (Datasheet) на сайте производителя.