Микросхемы MORNSUN – популярные решения со склада КОМПЭЛ
11 апреля 2023
Николай Вашкалюк (КОМПЭЛ), Александр Калачев (г. Барнаул)
Компания MORNSUN производит популярные микросхемы, которые всегда доступны со склада КОМПЭЛ: изолированные и неизолированные преобразователи интерфейсов, изоляторы сигналов, преобразователи напряжения и драйверы для построения изолированных вторичных источников питания.
Неизолированные преобразователи интерфейсов
SCM3406ASA – полудуплексный приемопередатчик для работы с шиной RS-485 в корпусе SOP-8. Он имеет универсальное напряжение питания 3,0…5,5 В и скорость передачи данных до 10 Мбит/с (рисунок 1). Высокий импеданс приемника позволяет разместить до 256 таких устройств на общей шине.
Особое внимание производитель уделил электрической надежности выводов шины А и В, включающая наличие защиты выхода драйвера от перегрузки и повышенную защиту от электростатического разряда (ESD) до 15 кВ (HBM – модель человеческого тела). Диапазон рабочих температур -40…125°C.

Рис. 1. Типовая схема включения SCM3406ASA
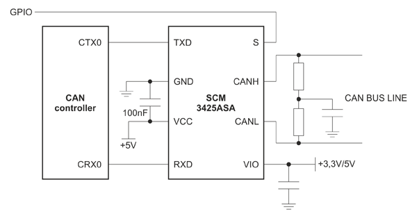
SCM3425ASA – высокоскоростной (до 5 Мбит/с) приемопередатчик CAN/CAN FD, выполненный в корпусе SOP-8. Напряжение питания составляет 4,5…5,5 В, но при этом он совместим с уровнями сигналов 3,0…5,5 В. Входное синфазное напряжение – до ±30 В, имеется защита от постоянного напряжения на шине до ±42 В, защиты от короткого замыкания и перегрева (рисунок 2). При помощи управляющего вывода «S» приемопередатчик можно настроить на работу либо в высокоскоростном режиме (данный режим установлен по умолчанию), либо в режиме молчания с заблокированным передатчиком для предотвращения возможной перегрузки линии. Микросхема соответствует стандарту AEC-Q100 для автомобильного применения.

Рис. 2. Типовая схема включения SCM3425ASA
Изоляторы цифровых сигналов
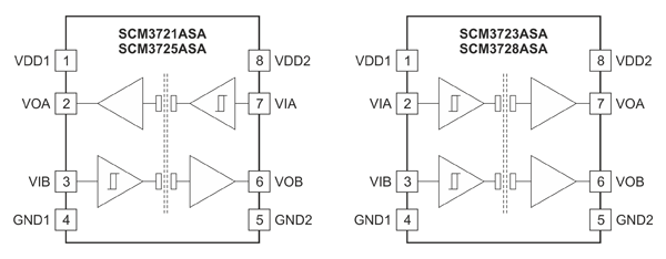
SCM372xASA – цифровые 2-канальные изоляторы в корпусе SOP-8, имеющие высокую электромагнитную устойчивость и низкий уровень излучения в режиме малого энергопотребления. Микросхемы работают при температуре окружающей среды -40…125°С и Pin-to-Pin-совместимы с аналогичными изделиями других производителей (рисок 3). Основные параметры указаны в таблице 1.
Таблица 1. Основные характеристики цифровых 2-канальных изоляторов SCM372xASA
| Наименование | Напряжение питания, В | Количество каналов | Скорость передачи данных, кбит/с | Напряжение изоляции, В | CMTI, кВ/мкс | Начальный логический уровень выходов | Корпус |
|---|---|---|---|---|---|---|---|
| SCM3721ASA | 3,0…5,5 | 2 | 150 | 3000 | 150 | Высокий | SOP-8 |
| SCM3723ASA | 3,0…5,5 | 2 | 150 | 3000 | 150 | Высокий | SOP-8 |
| SCM3725ASA | 3,0…5,5 | 2 | 10000 | 3000 | 150 | Высокий | SOP-8 |
| SCM3728ASA | 3,0…5,5 | 2 | 10000 | 3000 | 150 | Низкий | SOP-8 |

Рис. 3. Изоляторы серии SCM372xASA
Также в портфолио MORNSUN есть и 4-канальный цифровой изолятор TDA51S-41HC, содержащий встроенный изолированный преобразователь напряжения со схемой плавного пуска. Идеальным применением такого изолятора может быть построение измерительного канала на АЦП, изолированном от схемы управления (рисунок 4).
Таблица 2. Основные характеристики цифрового изолятора TDA51S-41HC
| Наименование | Напряжение питания, В | Количество каналов | Скорость передачи данных, кбит/с | Напряжение изоляции, В | CMTI, кВ/мкс | Начальный логический уровень выходов | Корпус |
|---|---|---|---|---|---|---|---|
| TDA51S-41HC | 3,0…5,5 | 4 | 150 | 5000 | 150 | Высокий | SOIC-16W |
В зависимости от уровня сигнала на выходе «SEL», выходное напряжение встроенного преобразователя может принимать одно из двух значений: 3,3 или 5,0 В. Изолятор имеет стандартную распиновку в корпусе SOIC-16W и работает в диапазоне температур -40…125°С.

Рис. 4. Пример применения 4-канального изолятора TDA51S-41HC
Изолированные трансиверы для шин RS-485 и CAN
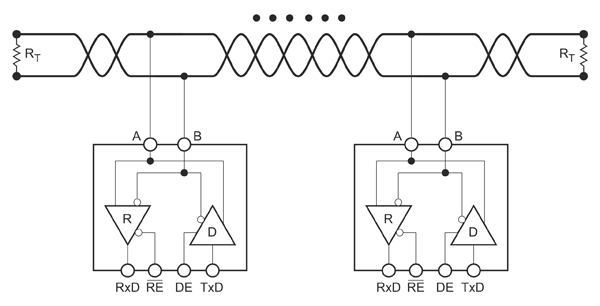
Шина стандарта RS-485 достаточно часто применяется для управления и передачи данных в коммерческих и промышленных приложениях (рисунок 5). Причины такой популярности – малое количество линий для передачи данных, простая аппаратная и программная реализация устройств сопряжения и драйверов. Протяженность такой шины при хороших условиях может достигать нескольких километров.

Рис. 5. Типовая структурно-функциональная схема подключения преобразователей RS-485 к шине
TDA51S485HC
Усовершенствованный полудуплексный изолированный приемопередатчик TDA51S485HC предназначен для сетей передачи данных по шине RS-485 и полностью соответствует стандарту TIA/EIA-485A. Скорость передачи данных – до 500 кбит/с (рисунок 6). TDA51S485HC обеспечивает гальваническую развязку как по сигнальным линиям, так и по питанию.
Приемные цепи микросхемы имеют исключительно высокое входное сопротивление, создающее порядка 1/8 стандартной нагрузки на общую шину, что дает возможность подключать к ней до 256 приемопередатчиков.
Выводы линий A и B имеют встроенную защиту от перегрузки по току и улучшенную схему защиты от статических разрядов (ESD). Уровень защиты контактов A и B от электростатического разряда может достигать 15 кВ (HBM), этого, как правило, достаточно для большинства задач, не имеющих потребности в дополнительных устройствах защиты от электростатического разряда.

Рис. 6. Внутренняя структура TDA51S485HC
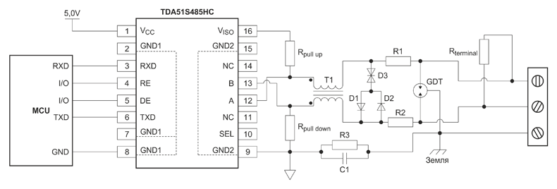
При грозоопасности и в тяжелых условиях эксплуатации, таких как управление двигателями, переключателями мощных нагрузок, рекомендуется обеспечить линии A/B дополнительной защитой с помощью внешних компонентов, например, TVS-диодов, синфазных катушек индуктивности, газоразрядников, использовать экранированную витую пару.
На рисунке 7 представлена электрическая принципиальная схема, рекомендуемая для такого типа применений. Чтобы схема соответствовала реальному применению, ее необходимо адаптировать под соответствующие компоненты.

Рис. 7. Пример подключения TDA51S485HC в условиях сильных помех
В качестве решения по защите сигнальных линий шины можно рассмотреть модуль молниезащиты FS-TD01D, который соответствует стандарту IEC/ EN61000-4-5 (рисунки 8 и 9).

Рис. 8. Модуль защиты линий шины RS485 и его внутренняя структура

Рис. 9. Типовая схема применения модуля защиты
TD(H)541S485H
Полудуплексный RS-485-приемопередатчик TD(H)541S485H соответствует стандарту TIA/EIA-485A, поддерживает скорость передачи данных до 1 Мбит/с, совместим с 3- и 5-вольтовой логикой. 541S485H имеет гальваническую развязку не только по цепям питания, но и по сигнальным цепям (рисунки 10 и 11). Напряжение изоляции составляет до 3000 В для серии TD541S485H, и до 5000 В для TDH541S485H.

Рис. 10. Внутренняя структура TD(H)541S485H

Рис. 11. Пример подключения TD(H)541S485H с дополнительными цепями защиты для работы в условиях повышенных помех
TD(H)541SCANH
Изолированный приемопередатчик CAN-шины TD(H)541SCANH соответствует стандарту ISO11898-2. Уровни интерфейсных сигналов согласуются с логическими уровнями 3,3 и 5 В, скорость передачи данных достигает 1 Мбит/с, напряжение изоляции для базовой версии TD541SCANH составляет 3000 В, для TDH541SCANH – 5000 В. Имеется встроенный изолированный источник напряжения питания 5 В, предусмотрена защита от перенапряжения (-40…40 В), от потери заземления и теплового отключения (перегрева), что особенно важно для работы в условиях промышленных помех (рисунок 12). Типовая схемам подключения устройств к CAN-шине представлена на рисунке 13.

Рис. 12. CAN-трансивер TD(H)541SCANH: внешний вид и внутренняя структура

Рис. 13. Типовая структурно-функциональная схема подключения микроконтроллеров к CAN-шине при помощи преобразователей TD(H)541SCANH
Также TD(H)541SCANH имеет защиту от короткого замыкания сигнальных линий, которая реализуется при помощи ограничения тока линий при неисправности сети, что в итоге защищает выходные драйверы от повреждения.
Защита от перегрева срабатывает при температуре свыше 160°C. В качестве защитной меры уменьшается ток, отдаваемый драйверами в линии шины. Выходные драйверы считаются наиболее энергопотребляющими элементами. Уменьшение выходного тока снижает энергопотребление и, как следствие, температура микросхемы падает. В то же время остальная часть чипа продолжает работу.
TD(H)541SCANH имеет функцию доминирующего тайм-аута, предотвращающую переход вывода TXD на постоянный низкий уровень из-за сбоя аппаратного или программного приложения. Если низкий уровень на выводе TXD сохраняется дольше чем значение внутреннего таймера (TXD_DTO), передатчик будет отключен, а шина привода перейдет в режим рецессивного состояния. Таймер сбрасывается положительным фронтом на выводе TXD.
Драйверы для изолированных источников питания
SCM1212B/SCM1201B
Драйверы SCM1212B/SCM1201B с интегрированными МОП-транзисторами подходят для построения двухтактных изолированных источников питания, в частности для питания драйверов шин типа CAN, RS-485, RS-232 и подобных (рисунки 14 и 15). Микросхемы могут функционировать при входных напряжениях 2,5…6 В, выдерживают кратковременные скачки напряжения до 9 В (импульсы длительностью менее 1 с), имеют выходные токи до 600 мА. Высокая степень идентичности выходных транзисторов уменьшает магнитное смещение при двухтактной работе.
Драйверы имеют три технологии для повышения надежности работы, это:
- функция плавного пуска, которая ограничивает ток МОП-транзистора, чтобы избежать повреждений, вызванных большим воздействием тока при включении питания;
- защита от перегрузки по току на выходе и короткого замыкания. Чип также может регулировать порог защиты, в зависимости от входного напряжения и температуры;
- защита от перегрева. Когда температура превышает заданный порог, микросхема автоматически переходит в состояние покоя до тех пор, пока температура не снизится до приемлемого уровня.
Микросхемы SCM1212B/SCM1201B практически идентичны по функциональности и техническим параметрам, но отличаются корпусным исполнением: SCM1212B выпускается в пятивыводном корпусе SOT23-5, а SCM1201B – в TSOT-23-6.

Рис. 14. Внешний вид и внутренняя структура драйверов SCM1212B

Рис. 15. Внешний вид и внутренняя структура драйверов SCM1201B
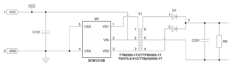
Типовая схема включения драйвера SCM1212B представлена на рисунке 16. Схемы SCM1201B идентичны ей с точностью до названий выводов.

Рис. 16. Типовая схема включения драйвера SCM1212B
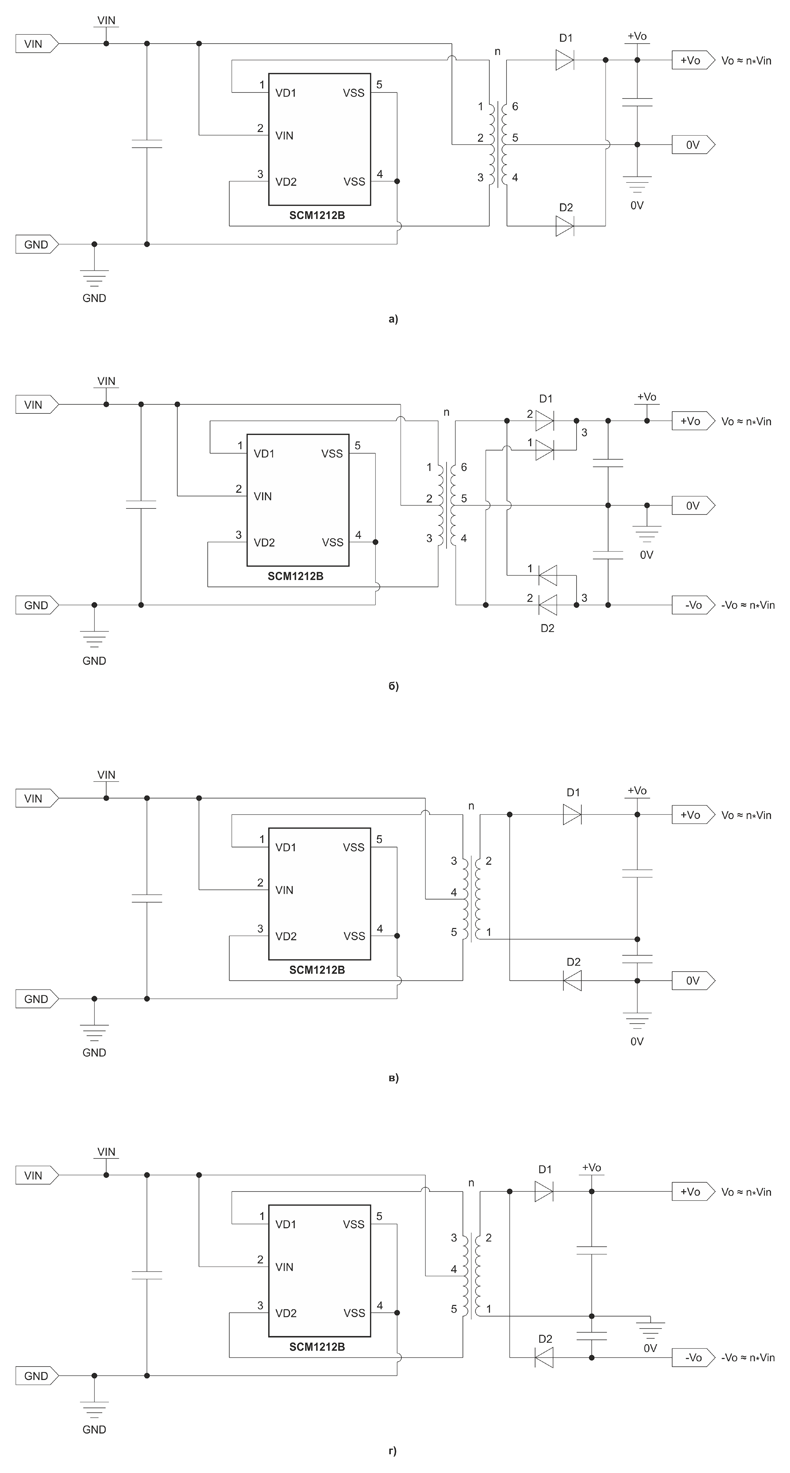
Поскольку SCM1212B/SCM1201B являются двухтактными драйверами, они могут применяться и для построения изолированных повышающих источников напряжения (рисунок 17): на схемах а) и б) показан двухполупериодный метод выпрямления. Он требует более сложного трансформатора (с тремя выходными точками с каждой из сторон), но пульсации на выходе меньше, чем при однополупериодном выпрямлении, изображенном на схемах в) и г).
Схемы для SCM1201B будут идентичными с точностью до названий выводов.

Рис. 17. Схемы повышающих источников напряжения на базе SCM1212B: двухполупериодный метод выпрямления (а, б); однополупериодный метод выпрямления (в, г)
Регуляторы напряжения
SCM1316AFA
Синхронный понижающий DC/DC-конвертер SCM1316AFA имеет широкий диапазон входных напряжений (7…38 В), выходной рабочий ток до 6 А и высокий КПД – порядка 95% при входном напряжении 24 В. Выходное напряжение может варьироваться в пределах 3,3…25 В при точности поддержания ±2% (рисунок 18).
Для управления выходным напряжением микросхема использует метод среднего тока. Схема генерации предусматривает добавление джиттера для уменьшения ЭМИ. Диапазон частот генератора составляет 130…400 кГц и может задаваться внешним элементом (резистором между выводом FS и общим проводом). Управление методом среднего тока обеспечивает быстрое и точное регулирование выходного тока, подходит для широкого диапазона входных напряжений и при этом обеспечивает низкий ток покоя. Усилитель ошибок сравнивает выходное напряжение с внутренним опорным напряжением 1,0 В и соответствующим образом регулирует пиковый ток катушки индуктивности. Компараторы перенапряжения и пониженного напряжения на входе отключают регулятор при соответствующих условиях входного напряжения.

Рис. 18. Внешний вид и внутренняя структура SCM1316AFA
SCM1316AFA имеет встроенные схемы защиты от короткого замыкания и перегрева, а также схему плавного запуска.
Конвертер требует для своей работы небольшого количества внешних элементов и позволяет реализовывать схемы с одной или двумя выходными линиями напряжений (рисунок 19).

Рис. 19. Типовая схема включения SCM1316AFA в вариантах с двумя (а) и одним (б) выходным каналом
Для эффективного рассеяния тепла на нижней стороне корпуса расположены три большие контактные площадки.
SCM1301A
Миниатюрный импульсный понижающий регулятор SCM1301A в корпусе TSOT23-6L имеет размеры 2,9×1,6×0,8 мм (рисунок 18). Благодаря широкому диапазону входного напряжения 4,5…40 В он подходит для широкого спектра применений: от промышленности до автомобилестроения. Типовая схема включения SCM1301A требует лишь несколько внешних компонентов (рисунок 20), есть встроенные схемы плавного пуска и компенсации, а также защита от короткого замыкания и перегрева, срабатывающая при превышении температуры.

Рис. 20. Внешний вид и внутренняя структура SCM1301A
SCM1301A поддерживает токи нагрузки до 1 А, а сверхнизкий ток выключенного состояния (1,6 мкА) позволяет применять регулятор в устройствах с батарейным питанием (рисунок 21).

Рис. 21. Типовая схема включения регулятора SCM1301A
SCM1301A работает на фиксированной частоте 0,7 МГц и реализует управление методом пикового тока. Выходное напряжение сравнивается через внешние резисторы на выводе FB с внутренним опорным напряжением с помощью усилителя ошибок, который координирует внутренний управляющий узел.
Представленные решения MORNSUN для промышленности, автомобильных систем и автоматики дают возможность реализации изолированных решений как по сигналам, так и по питанию.
Отличные характеристики делают микросхемы конкурентоспособными и востребованными:
- преобразователи интерфейсов выдают высокие значения входного сопротивления и скорости передачи данных;
- преобразователи напряжения отличаются малыми габаритами, относительно простой схемотехникой и высоким КПД.
- интерфейсы RS-485;
- интерфейсы CAN;
- цифровые изоляторы;
- драйверы для изолированных ИП.
Наши информационные каналы