Самотактируемый полумостовой драйвер EG2153 производства EGmicro
12 сентября 2024
Китайская компания EGmicro (Shenzhen Yijing Microelectronics Co., Ltd.), являющаяся первым азиатским производителем, разработавшим LLC-контроллер, специализируется на проектировании и выпуске интегральных схем для инверторных источников питания (контроллеров, драйверов затвора и так далее). Компания предлагает к заказу микросхему EG2153 как максимально близкий Pin-to-Pin-аналог популярных моделей xx2153s, xx21531s и xx2151s западного производства.
EG2153 представляет собой полумостовой драйвер MOSFET и IGBT со встроенным генератором, аналогичным промышленному таймеру 555, и отлично подходит для построения балластов для флуоресцентных ламп, индукционных нагревателей и прочих бюджетных AC/DC-преобразователей.
Главные особенности:
- 600-вольтовый полумостовой драйвер затвора
- Встроенный стабилитрон на 12 В в цепи питания
- Программируемый тактовый генератор (выводы RT и CT)
- Малый пусковой ток
- Вывод CT с функцией отключения драйвера
- Защита от пониженного напряжения в цепи VCC и VB
- Выходной ток драйвера: 200 мА (заряд), 300 мА (разряд)
- Встроенная защитная пауза между включениями транзисторов (deadtime)
- Корпус SOP8

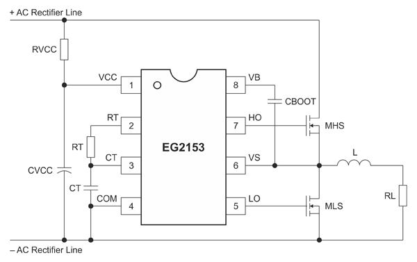
Рис. 1. Типовая схема включения EG2153
Контакт CT может использоваться для отключения драйвера по низкому управляющему уровню. Для предотвращения неконтролируемого поведения транзисторов при пониженном управляющем напряжении EG2153 имеет схему блока, которая отключает драйвер при уменьшении напряжения питания ниже 7,5 В. При этом оба выхода (LO и HO) переходят в состояние низкого уровня.
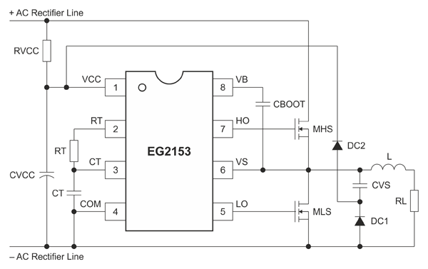
Пусковой ток микросхемы драйвера регулируется резистором RVCC (рисунок 1) с типовой мощностью рассеяния 1 Вт, а емкость CVCC должна быть выбрана так, чтобы поддерживать напряжение VCC выше 7 В в течение половины цикла запуска схемы. Для уменьшения потерь мощности на резисторе RVCC рекомендуется использовать схему, представленную на рисунке 2. В этом случае диоды DC1, DC2 и конденсатор CVS образуют схему дополнительной подпитки для микросхемы драйвера. Расположение выводов EG2153 показано на рисунке 3, а их расшифровка приведена в таблице 1.

Рис. 2. Схема включения EG2153 с дополнительной схемой подпитки для уменьшения мощности рассеяния на резисторе RVCC

Рис. 3. Расположение выводов EG2153
Таблица 1. Расшифровка выводов
| Номер | Обозначение | Тип | Описание |
|---|---|---|---|
| 1 | VCC | Питание | Напряжение питания логической схемы и драйвера затвора |
| 2 | RT | Вход | Подключение времязадающего резистора генератора |
| 3 | CT | Вход | Подключение времязадающего конденсатора генератора /отключение драйвера |
| 4 | GND | Общий | Общий проводник |
| 5 | LO | Выход | Выход драйвера нижнего транзистора |
| 6 | VS | Выход | Возврат питания драйвера затвора верхнего транзистора |
| 7 | HO | Выход | Выход драйвера верхнего транзистора |
| 8 | VB | Питание | Питание драйвера верхнего транзистора |
Для заказа EG2153 обратитесь к вашему менеджеру.
Наши информационные каналы