АЦП азиатских производителей. Часть 2. Σ-Δ АЦП
24 июля 2025
Дмитрий Илларионов (г. Нижний Новгород)
КОМПЭЛ представляет серию публикаций, посвященных азиатским АЦП, их ценовым и функциональным преимуществам и ограничениям. В каждом материале мы будем подробно рассматривать те или иные типы преобразователей, рассказывать о конкретных моделях и рекомендованных производителях, а также отмечать нюансы применения.
В серию войдут следующие материалы:
Часть 1. Преобразователи последовательного приближения (SAR)
Часть 2. Σ-Δ преобразователи (Delta-Sigma)
Часть 3. Многоканальные АЦП с одновременным преобразованием (Simultaneous Sampling)
Часть 4. Преобразователи с низкой разрешающей способностью
Часть 5. Изолированные Σ-Δ модуляторы
Часть 6. Аудио-АЦП
Аналогово-цифровые преобразователи типа «сигма-дельта» (далее СД или ΣΔ) – один из наиболее востребованных сегодня типов АЦП, которые обычно применяются в приложениях, где не требуются большие часто́ты дискретизации, но необходимо высокое разрешение оцифрованного сигнала. Данные микросхемы включают в себя две основные части: модулятор и цифровой прореживающий фильтр (рисунок 1).

Рис. 1. Структурная схема Σ-Δ АЦП
На выходе Σ-Δ модулятора формируется непрерывный цифровой поток, в котором количество единиц на определенном интервале времени tИЗМ прямо пропорционально уровню аналогового сигнала на входе АЦП. Данный поток пропускается через цифровой ФНЧ, который преобразует однобитную цифровую последовательность в выходной код разрядности M. Чем больше требуемое значение «М», тем больше импульсов должен пропустить через себя фильтр за интервал tИЗМ, поэтому для увеличения разрядности АЦП при сохранении скорости оцифровки сигнала необходимо повышать частоту работы модулятора KfS. Реальные преобразователи Σ-Δ имеют разрешение 16…32 бит, при этом частота выдачи выборок fS обычно лежит в пределах от единиц герц до десятков килогерц. Благодаря таким характеристикам они наиболее часто используются для измерения сигналов с первичных преобразователей и датчиков физических величин, а так же в высокоточных системах сбора данных, медицине и испытательном оборудовании.
Важно отметить, что за счет использования ΣΔ-модулятора и высокой скорости его работы Σ-Δ АЦП обеспечивают гораздо большее отношение «сигнал/шум» в спектральной области fS/2, чем другие виды преобразователей (рисунок 2).

Рис. 2. Соотношение «сигнал/шум» у Σ-Δ АЦП
Кроме того, они предъявляют гораздо менее жесткие требования к ФНЧ, устанавливаемому между исходным сигналом и входом АЦП, что в ряде случаев позволяет использовать здесь обычные RC-цепи. А благодаря специальной форме частотной характеристики цифрового фильтра, подавляющее большинство ΣΔ-преобразователей позволяют существенно ослабить наводки с частотой 50 Гц и/или 60 Гц, вызываемые электрической сетью.
Количество Σ-Δ АЦП, предоставляемых китайскими производителями, достаточно велико – на графике «Разрядность-Скорость оцифровки» можно увидеть диапазон доступного ассортимента всех преобразователей (рисунок 3).

Рис. 3. Разрядность и скорость оцифровки доступных Σ-Δ АЦП китайского производства
При этом разработчику доступны как одноканальные, так и многоканальные АЦП в широком диапазоне соотношений параметров «разрядность/скорость оцифровки», характерном для рассматриваемого класса микросхем. Перечень производителей аналогово-цифровых преобразователей типа Σ-Δ, рекомендованных компанией КОМПЭЛ, приведен на рисунке 4.

Рис. 4. Рекомендованные компанией КОМПЭЛ китайские производители Σ-Δ АЦП
Как видно из приведенной таблицы, одним из лидеров в этом сегменте является компания Ruimeng. На данный момент в арсенале производителя есть более 30 моделей Σ-Δ АЦП, имеющих разрядность от 15 до 32 бит и позволяющих оцифровывать аналоговые сигналы на скоростях 15…4000 выборок в секунду (таблица 1). Количество входных каналов преобразователей колеблется от 1 до 6, при этом есть в наличии микросхемы как с дифференциальным входом, так и с несимметричным. Все представленные АЦП обладают достаточно низким энергопотреблением и позволяют работать в широком диапазоне питающих напряжений (некоторые поддерживают двухполярное питание):
Таблица 1. Σ-Δ АЦП Ruimeng
| Наименование | Разреше- ние, бит |
Скорость оцифровки, Выб/с | Кол-во каналов (дифф.) | Кол-во каналов (несимм.) | Интерфейс | Напряжение питания, В | Ток потребле- ния, мА |
Корпус |
|---|---|---|---|---|---|---|---|---|
| MS1100 | 16 | 240 | 1 | – | I2C | 2,7…5,5 | 0,3 | SOT23-6 |
| MS1112 | 16 | 240 | 2 | 3 | I2C | 2,7…5,5 | 0,3 | MSOP10 |
| MS5112 | 16 | 240 | 2 | 3 | I2C | 2,7…5,5 | 0,3 | MSOP10 |
| MS5115 | 18 | 240 | 2 | – | I2C | 2,7…5,5 | 0,3 | MSOP10 |
| MS5110 | 16 | 240 | 1 | – | I2C | 2,7…5,5 | 0,3 | SOT23-6 |
| MS5175 | 15 | 240 | – | 4 | I2C | 2,7…5,5 | 0,3 | MSOP10 |
| MS5213T | 16 | 500 | 2 | – | SPI | 2,7…5,5 | 0,6 | TSSOP16 |
| MS7705 | 16 | 500 | 2 | – | SPI | 2,7…5,5 | 0,6 | SOW16/ DIP16 |
| MS7706 | 16 | 500 | – | 3 | SPI | 2,7…5,5 | 0,6 | SOW16/ DIP16 |
| MS1242 | 24 | 15 | 2 | 3 | SPI | 2,7…5,5 | 0,24 | TSSOP16 |
| MS1243 | 24 | 15 | 4 | 7 | SPI | 2,7…5,5 | 0,24 | TSSOP20 |
| MS5046 | 16 | 2000 | 1 | – | SPI | 2,7…5,25/±2,5 | 0,23 | TSSOP16 |
| MS5047 | 16 | 2000 | 2 | – | SPI | 2.7…5,25/±2,5 | 0,23 | TSSOP20 |
| MS5048 | 16 | 2000 | 4 | – | SPI | 2.7…5,25/±2,5 | 0,23 | TSSOP28/ QFN32 |
| MS5146T | 24 | 2000 | 1 | 1 | SPI | 2.7…5,25/±2,5 | 0,23 | TSSOP16 |
| MS5147T | 24 | 2000 | 2 | 3 | SPI | 2,7…5,25/±2,5 | 0,23 | TSSOP20 |
| MS5148T | 24 | 2000 | 4 | 7 | SPI | 2.7…5,25/±2,5 | 0,23 | TSSOP28 |
| MS5192T | 16 | 470 | 3 | – | SPI | 2,7…5,25 | 0,4 | TSSOP16 |
| MS5193T | 24 | 470 | 3 | – | SPI | 2,7…5,25 | 0,4 | TSSOP16 |
| MS5194T | 24 | 470 | 6 | – | SPI | 2,7…5,25 | 0,4 | TSSOP24 |
| MS5195T | 16 | 470 | 6 | – | SPI | 2,7…5,25 | 0,4 | TSSOP24 |
| MS5196T | 16 | 123 | 1 | – | SPI | 2,7…5,25 | 0,25 | TSSOP16 |
| MS5197T | 24 | 123 | 1 | – | SPI | 2,7…5,25 | 0,25 | TSSOP16 |
| MS5198T | 16 | 470 | 3 | – | SPI | 2,7…5,25 | 0,38 | TSSOP16 |
| MS5199T | 24 | 470 | 3 | – | SPI | 2,7…5,25 | 0,38 | TSSOP16 |
| MS5185T | 20 | 470 | 3 | – | SPI | 2,7…5,25 | 0,4 | TSSOP16 |
| MS5180T | 24 | 16.7 | 1 | – | SPI | 2,7…5,25 | 0,4 | TSSOP16 |
| MS5583N | 32 | 4000 | 2 | – | SPI | 2,7…5,25/±2,5 | 3,2 | QFN24 |
В качестве примера продукции компании Ruimeng рассмотрим Σ-Δ преобразователи, наиболее популярные у наших покупателей – MS5192T и MS5193T. Данные микросхемы предназначены для работы в высокоточных измерительных системах, в частности – для измерения сигналов с датчиков физических величин (RTD, термопары, тензодатчики и т.д.). Благодаря наличию встроенного малошумящего усилителя на вход АЦП можно напрямую подавать сигналы малой амплитуды, что уменьшает стоимость устройства, так как при этом не требуется использование внешних согласующих элементов. Микросхемы MS5192T и MS5193T (рисунок 5) отличаются только разрешением, остальные характеристики у них идентичны (здесь и далее FSR или Full Scale Range – полный входной диапазон АЦП):
MS5192T/MS5193T

Рис. 5. Структура и характеристики Σ-Δ АЦП MS5192T и MS5193T
Помимо ΣΔ-преобразователя, а также буферного и основного усилителей, в состав микросхем MS5192T и MS5193T входит прецизионный источник опорного напряжения с малым температурным дрейфом, программируемые источники тока, формирователь напряжения смещения и генератор тактовой частоты для Σ-Δ модулятора. Все это позволяет реализовать измерительную систему на базе рассматриваемых АЦП с использованием минимума внешних компонентов. Например, рекомендованная схема измерения температуры с датчиком-термопарой показана на рисунке 6.

Рис. 6. Схема измерения температуры на базе АЦП MS5192T/MS5193T
Микросхемы MS5192T и MS5193T доступны в корпусе TSSOP-16 и являются полными аналогами АЦП Ax7792 и Ax7793 (рисунок 7).

Рис. 7. Назначение выводов MS5192T/MS5193T и аналога
Обратите внимание на то, что в данном случае речь идет о полной взаимозаменяемости компонентов – китайские и западные преобразователи не только повыводно совместимы, но и имеют идентичные электрические характеристики (а в плане шумов MS5192T и MS5193T даже превосходят аналоги).
Еще один интересный продукт от компании Ruimeng – микросхема MS5110 (рисунок 8). Данная микросхема является функциональным аналогом популярного бюджетного 16-битного АЦП AxS1110, повыводно совместима с ним и имеет практически идентичные основные параметры:
MS5110

Рис. 8. Σ-Δ АЦП MS5110
В большинстве случаев АЦП MS5110 может выступать в качестве полноценной замены Ax1110, поскольку численно у них отличаются лишь второстепенные характеристики: точность опорного напряжения, температурный дрейф коэффициента усиления, напряжение смещения и мощность рассеяния. При этом диапазон рабочих температур у китайского преобразователя значительно шире, чем у аналога – его верхняя граница выше на 40°С. Микросхема MS5110 доступна в компактном корпусе SOT-23-6, что позволяет уменьшить место, занимаемое на плате измерительным узлом, особенно с учетом высокой степени интеграции рассматриваемого АЦП.
Еще одним ярким представителем рынка Σ-Δ АЦП является компания AnalogySemi, ассортимент которой насчитывает 36 моделей ΣΔ-преобразователей (таблица 2). Микросхемы данного производителя являются достаточно скоростными (860…60000 выборок в секунду), при этом их разрядность колеблется в широких пределах (12…32 бит):
Таблица 2. Σ-Δ АЦП из ассортимента AnalogySemi
| Наименование | Кол-во каналов | Разреше- ние, бит |
Скорость оцифровки, Выб/с | Наименование | Кол-во каналов | Разрешение, бит | Скорость оцифровки, Выб/с |
|---|---|---|---|---|---|---|---|
| ADX518ASOP20 | 4 | 24 | 20000 | ADX115AQFN10 | 2 | 16 | 860 |
| ADX514ASOP20 | 4 | 24 | 60000 | ADX112AQFN10 | 4 | 16 | 860 |
| ADX517AQFN20 | 4 | 24 | 60000 | ADX111AQFN10 | 4 | 20 | 3571 |
| ADX515ASOP20 | 2 | 24 | 60000 | ADX122AQFN10 | 4 | 16 | 3300 |
| ADX516ASOP28 | 8 | 32 | 4000 | ADX101AQFN10 | 4 | 12 | 3300 |
| ADX822ATSSOP28 | 2 | 32 | 4000 | ADX102AQFN10 | 4 | 16 | 3300 |
| ADX827AQFN24 | 1 | 32 | 4000 | ADX101AMSOP10 | 4 | 12 | 3300 |
| ADX824AQFN24 | 2 | 12 | 3300 | ADX102AMSOP10 | 4 | 20 | 3571 |
| ADX107QAMSOP10 | 2 | 12 | 3300 | ADX126AMSOP10 | 4 | 20 | 3571 |
| ADX105QAMSOP10 | 2 | 12 | 3300 | ADX125AMSOP10 | 4 | 20 | 3571 |
| ADX102QAMSOP10 | 4 | 12 | 3300 | ADX122AMSOP10 | 4 | 20 | 3571 |
| ADX101QAMSOP10 | 4 | 20 | 3571 | ADX121AMSOP10 | 4 | 12 | 3300 |
| ADX122QAMSOP10 | 4 | 16 | 860 | ADX107AMSOP10 | 2 | 12 | 3300 |
| ADX112QAMSOP10 | 4 | 16 | 860 | ADX105AMSOP10 | 2 | 16 | 860 |
| ADX111QAMSOP10 | 4 | 12 | 3300 | ADX117AMSOP10 | 2 | 16 | 860 |
| ADX107AQFN10 | 2 | 12 | 3300 | ADX115AMSOP10 | 2 | 16 | 3571 |
| ADX105AQFN10 | 2 | 16 | 860 | ADX114AMSOP10 | 4 | 16 | 860 |
| ADX117AQFN10 | 2 | 16 | 860 | ADX113AMSOP10 | 2 | 16 | 860 |
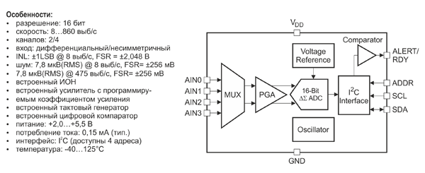
В качестве примера продукции компании AnalogySemi рассмотрим микросхему ADX113 (рисунок 9), представляющую собой 16-битный АЦП, позволяющий оцифровывать входной сигнал на скорости до 860 выборок в секунду в диапазонах от ±256 мВ до ±6,144 В и имеющий интерфейс I2C:
ADX113

Рис. 9. Структура и характеристики АЦП ADX113
Особенностью микросхемы ADX113 является цифровой компаратор, позволяющий отслеживать выход сигнала на входе АЦП за заданные пределы. Отметим также возможность установки четырех адресов устройства на шине I2C при помощи всего одного вывода «ADDR» путем подключения его к общему проводу, питанию, линии «SCL» или линии «SDA». Микросхема ADX113 выпускается в компактных корпусах MSOP-10 и QFN-10 и является Pin-to-Pin-совместимой с популярным бюджетным АЦП AxS1115 (рисунок 10).

Рис. 10. Назначение выводов АЦП ADX113 и аналога
При этом в большинстве случаев ADX113 может выступать прямой заменой AxS1115, так как основные электрические характеристики у них совпадают, небольшие отличия наблюдаются лишь в аналоговом тракте. В цифровой же части китайский преобразователь имеет явное преимущество, поскольку в его состав входит дополнительный фильтр, позволяющий ослаблять сетевые наводки в среднем до 120 дБ.
Завершая тему Σ-Δ АЦП, нельзя не упомянуть компанию SGMicro. В данном сегменте рынка ассортимент у этого производителя не так широк, как у Ruimeng и AnalogySemi, однако в нем присутствуют преобразователи наиболее популярных разрядностей (16 бит и 24 бита), при этом скорость оцифровки сигнала лежит в очень широких пределах (2,5…60000 выборок в секунду). В настоящее время АЦП типа Σ-Δ представлены 13-ю моделями (таблица 3), большинство которых имеют достаточно широкий диапазон питающих напряжений и низкое энергопотребление:
Таблица 3. Σ-Δ АЦП производства SGMicro
| Наименование | Разреше- ние, бит |
Скорость оцифровки, Выб/с | Кол-во каналов | Напряжение питания, В | Ток потребления, мкА | Корпус |
|---|---|---|---|---|---|---|
| SGM58031 | 16 | 6,25…960 | 4 | 3…5,5 | 255 | MSOP-10,TDFN-3×3-10L |
| SGM58031Q | 16 | 6,25…960 | 4 | 3…5,5 | 255 | MSOP-10 |
| SGM58200 | 24 | 6,25…960 | 4 | 3…5,5 | 255 | MSOP-10,UTQFN-2×1.5-10L |
| SGM58600 | 24 | 2,5…60000 | 2 | 4,75…5,25 | 2700 | SSOP-20,TQFN-3.5×3.5-20L |
| SGM58601 | 24 | 2,5…60000 | 8 | 4,75…5,25 | 2700 | SSOP-28,TQFN-5×5-28L |
| SGM58602 | 24 | 2,5…60000 | 4 | 4,75…5,25 | 2700 | TQFN-5×5-20L |
| SGM58201 | 24 | 2000 | 4 | 2,3…5,5 | 175 | TSSOP-16,TQFN-3.5×3.5-16L |
| SGM51620R | 16 | 2000 | 4 | 2,3…5,5 | 175 | TSSOP-16,TQFN-3.5×3.5-16L |
| SGM51610C | 16 | 5…960 | 4 | 2…5,5 | 310 | MSOP-10,TDFN-3×3-10L |
| SGM52410C | 24 | 5…960 | 4 | 2…5,5 | 310 | MSOP-10,UTQFN-2×1.5-10L |
| SGM58600A | 24 | 2,5…60000 | 2 | 4,75…5,25 | 3000 | SSOP-20,TQFN-3.5×3.5-20L |
| SGM58601A | 24 | 2,5…60000 | 8 | 4,75…5,25 | 3000 | SSOP-28,TQFN-5×5-28L |
| SGM58602A | 24 | 2,5…60000 | 4 | 4,75…5,25 | 3000 | TQFN-5×5-20L |
Особо выделяются в линейке устройств SGMicro высокоскоростные преобразователи серии SGM5860x, позволяющие получать выборки сигнала с частотой до 60кГц (рисунок 11).
SGM58600/SGM58601/SGM58602

Рис. 11. Структура и характеристики Σ-Δ АЦП SGM5860x
Микросхемы серии SGM5860x являются 24-разрядными малошумящими Σ-Δ АЦП, включающими в себя ΣΔ-модулятор четвертого порядка и фильтр пятого порядка c АЧХ синусоидального типа (Sinc5). Данные преобразователи имеют идентичные электрические характеристики и отличаются лишь количеством входных каналов. На входе микросхем SGM5860x установлен мультиплексор, который позволяет не только выбирать тип входного канала, но и подключать к нему буфер, увеличивающий входное сопротивление АЦП. Далее сигнал подается на малошумящий усилитель, коэффициент усиления которого может быть равен 1/2/4/8/16/32/64/128, что программно устанавливается пользователем. Формирование тактовой частоты для модулятора может осуществляться как при помощи встроенного генератора с внешним кварцевым резонатором на 7,68 МГц, так и от внешних тактовых импульсов. Для связи микросхем серии SGM5860x и микроконтроллера используется интерфейс SPI.
Перечень корпусов, в которых доступны преобразователи SGM5860x, приведен в таблице 3. Микросхемы SGM58600 и SGM58601 совместимы по корпусу и выводам с АЦП AxS1255 и AxS1256. При этом в подавляющем большинстве случаев преобразователи китайского производства могут быть использованы как хорошая альтернатива, если будет решен вопрос с разным напряжением питания их цифровой части (у AxS125x значение DVDD должно лежать в диапазоне +1,8…+3,6 В). Отметим, что переход на SGM5860x более чем оправдан, поскольку у них вдвое выше частота выборок и максимальный коэффициент усиления встроенного усилителя, при этом в несколько раз меньше потребление тока и шире температурный диапазон. Сильными сторонами AxS1255 и AxS1256 является интегральная нелинейность и некоторые параметры аналоговой части, однако для большинства приложений разница с SGM5860x здесь не выглядит критической.
В следующей статье мы рассмотрим многоканальные АЦП с одновременным преобразованием.
Наши информационные каналы