Со cклада доступен усовершенствованный аналог западных контроллеров – 100 В DC/DC-преобразователь NSR10A01 производства Novosense
12 августа 2025
Николай Вашкалюк (КОМПЭЛ)
На склад КОМПЭЛ поступили высокопроизводительные 100-вольтовые DC/DC-преобразователи NSR10A01, выпускаемые китайской компании Novosense.
NSR10A01 представляет собой усовершенствованный Pin-to-Pin аналог популярных контроллеров xM5007MM, xM5008MM и xM5009MM от ведущего западного производителя (таблица 1).
Микросхема имеет все необходимые функции для построения недорогого и эффективного понижающего стабилизатора напряжения. Она представляет собой асинхронный DC/DC-преобразователь с широким диапазоном входного напряжения 9…100 В и обеспечивает выходной ток до 500 мА. Устройство выполнено в компактном корпусе MSOP8.
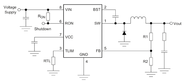
DC/DC-преобразователь NSR10A01 обеспечивает быстрый переходной отклик благодаря встроенной адаптивной схеме управления с постоянной длительностью импульса (Adaptive Constant-on-Time Control, ACOT). Эта технология исключает необходимость компенсации контура регулирования (loop compensation), что упрощает проектирование, сокращает сроки разработки и минимизирует количество требуемых внешних компонентов. Длительность импульса задается с помощью внешнего резистора RON (рисунок 1). В нормальном режиме работы значение времени включения остается фиксированным и зависит только от величины входного напряжения VIN и сопротивления RON.

Рис. 1. Типовая схема включения NSR10A01
На каждом цикле переключения контроллер осуществляет ограничение пикового тока на уровне 725 мА, при этом время отключения можно регулировать с помощью внешнего резистора, подключенного к выводу TLIM.
Благодаря широкому диапазону рабочих температур микросхема NSR10A01 может применяться в различных устройствах, включая легкий электротранспорт (электровелосипеды, электроскутеры), инверторы для солнечных панелей (фотоэлектрические инверторы), электроинструмент, а также 48-вольтовые телекоммуникационные системы и другие аналогичные приложения.
Основные особенности:
- широкий диапазон входного напряжения 9…100 В;
- ограничение пикового тока переключения 725 мА;
- высокая эффективность – до 95% (VIN = 15 В, VOUT = 10 В);
- типовое собственно потребление – 100 мкА (в режиме ожидания – всего 6 мкА);
- интегрированный силовой МОП-транзистор с сопротивлением канала 500 мОм;
- адаптивное управление постоянной длительностью включения;
- регулируемая длительность включения;
- прецизионное опорное напряжение VREF 2,5 В с точностью 2%;
- регулируемая настройка ограничения тока и времени выключения;
- отсутствие необходимости в компенсации контура управления;
- поцикловое ограничение тока;
- комплекс защит от перенапряжения (OVP), перегрева (OTP) и блокировки при пониженном напряжении (UVLO) с автоматическим восстановлением.
Оптимизированное расположение выводов (рисунок 2) обеспечивает удобство при разработке печатной платы и позволяет реализовать схему с использованием минимального количества внешних компонентов.

Рис. 2. Расположение выводов NSR10A01
Расшифровка выводов NSR10A01:
- SW – вывод подключения катушки индуктивности;
- BST – подключение бустрепного конденсатора (рекомендуемое значение – 10 нФ и выше);
- TLIM – вывод программирования времени выключения при достижении ограничения тока. Резистор между этим выводом и GND определяет изменение времени выключения вместе с напряжением на выводе FB за цикл в режиме ограничения тока;
- GND – общий проводник;
- FB – вход резистивного делителя для установки величины выходного напряжения;
- RON – установка времени включения в зависимости от входного напряжения (VIN). Также с помощью этого вывода можно отключить преобразователь, для чего необходимо опустить на нем напряжение ниже 0,7 В;
- VCC – выход внутреннего LDO-стабилизатора 7 В. Его также можно использовать для питания контроллера, но допустимый диапазон должен составлять 7…14 В;
- VIN – питание микросхемы.
В зависимости от нагрузки, преобразователь может работать в режимах разрывных (Discontinuous Conduction Mode, DCM) или неразрывных токов (Сontinuous Conduction Mode, CCM).
При очень малой нагрузке NSR10A01 будет находиться в режиме DCM, где ток индуктора возрастает от нуля до пикового значения в течение короткого времени включения, затем возвращается к нулю за период выключения и остается равным ему до начала следующего цикла коммутации. Рабочая частота в DCM относительно низкая и меняется в зависимости от нагрузки. Таким образом, эффективность преобразования сохраняется при малых нагрузках, поскольку коммутационные потери уменьшаются со снижением тока нагрузки и частоты коммутации. Примерный расчет частоты в режиме DCM выполняется по формуле 1:
$$F_{SW\_DCM}=\frac{V_{OUT}^2\times L}{R_{LOAD}\times R_{ON}^2}\times 10^{20}.\qquad{\mathrm{(}}{1}{\mathrm{)}}$$
При увеличении нагрузки контроллер переключается в режим CCM, при котором ток индуктивности непрерывен и никогда не достигает нуля. Частота коммутации в этом режиме выше чем при DCM и остается относительно постоянной при изменении нагрузки и напряжения питания. Расчет частоты для режима CCM выполняется по формуле 2:
$$F_{SW\_CCM}=\frac{V_{OUT}}{1,42\times R_{ON}}\times 10^{10}.\qquad{\mathrm{(}}{2}{\mathrm{)}}$$
Для получения более подробной информации следует обратиться к заводской спецификации, которую можно скачать на странице карточки товара. Примеры расчета, рисунка печатной платы, а также рекомендации по ее правильной трассировке можно найти в документации на xM5007MM, xM5008MM и xM5009MM (все эти материалы будут актуальны и для NSR10A01).
Микросхема NSR10A01 представляет собой более совершенную версию высоковольтных контроллеров, выпускаемых западным производителем. Согласно данным, представленным в таблице 1, китайская разработка обладает более широким диапазоном входного напряжения, а также значительно меньшим энергопотреблением как в активном режиме работы, так и в режиме ожидания (в последнем случае данный показатель ниже на порядок).
Таблица 1. Сравнение параметров NSR10A01 с продукцией прямых западных конкурентов
| Параметр | NSR10A01 | xM5007MM | xM5008MM | xM5009MM |
|---|---|---|---|---|
| Входное напряжение, В AC | 9,0…100 | 9,0…75 | 9,0…95 | 9,5…95 |
| Выходной ток, мА | 500 | 500 | 350 | 150 |
| Ограничение пикового тока, мА | 725 | 725 | 510 | 310 |
| Собственное потребление, мА | 0,1 | 0,5 | 0,675 | 0,485 |
| Потреблением в режиме ожидания, мА | 0,006 | 0,1 | 0,15 | 0,076 |
| Минимальное время выключения, нс | 300 | 300 | 300 | 300 |
Ознакомиться с параметрами микросхемы можно в каталоге на странице NSR10A01-DMSR. Для заказа NSR10A01 обратитесь к вашему менеджеру КОМПЭЛ.
Дополнительные материалы
- SY8308RBC – высокоэффективный понижающий синхронный DC/DC-преобразователь 40 В, 8 А для серверного оборудования и телекома
- Мощный понижающий DC/DC-преобразователь TPP60508 3PEAK для индустриального применения
- Азиатские DC/DC-преобразователи с широким входом 40…60 В для суровых условий
Наши информационные каналы