SY8308RBC – высокоэффективный понижающий синхронный DC/DC-преобразователь 40 В, 8 А для серверного оборудования и телекома
27 мая 2025
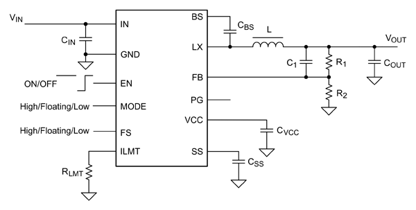
Микросхема SY8308RBC (другое наименование, предназначенное для внутреннего китайского рынка – SY21245RBC), выпускаемая компанией Silergy, представляет собой высокоэффективный синхронный понижающий DC/DC-преобразователь, способный работать в широком диапазоне входного напряжения. Она имеет выходной ток до 8 А и способна работать с эффективностью, близкой к 97%. Устройство объединяет в себе два мощных МОП-транзистора: основной ключ и транзистор синхронного выпрямителя с очень низким сопротивлением канала RDS(ON) для минимизации потерь проводимости (рисунок 1).
SY8308RBC работает с входным напряжением 4…40 В, использует фирменную архитектуру мгновенной ШИМ (Instant PWM) для достижения быстрой переходной характеристики и идеально подходит для применения в серверном, телекоммуникационном оборудовании и в системах хранения данных.

Рис. 1. Типовая схема включения SY8308RBC
Основные особенности:
- малое сопротивление встроенных транзисторов, составляющий 25 и 12 мОм для верхнего и нижнего ключей, соответственно;
- диапазон входного напряжения 4,0…40 В;
- выходной ток до 8,0 А;
- частота коммутации 350 или 500 кГц;
- выбираемый режим работы с малой нагрузкой: ЧИМ или ШИМ;
- архитектура мгновенного ШИМ (Instant PWM) для достижения быстрых переходных реакций;
- программируемый плавный пуск для ограничения пускового тока;
- программируемый порог ограничения тока;
- защита от короткого замыкания на выходе c переходом в hiccup mode (режим «икоты», или импульсного восстановления);
- индикатор Powergood;
- опорное напряжение 0,6 В с точностью ± 1%;
- компактный корпус 5×3.5-20 (назначение выводов представлено на рисунке 2).

Рис. 2. Расположение выводов SY8308RBC
При работе с легкой нагрузкой (Light Load Mode) с помощью вывода 9 (MODE) преобразователь может быть сконфигурирован на работу либо в режиме ШИМ для достижения низких пульсаций, либо в режиме ЧИМ для достижения более высокой эффективности. Необходимые управляющие уровни указаны в таблице 1. Частота преобразования может быть выбрана с помощью вывода 13 (FS): при подаче низкого уровня рабочая частота будет составлять 350 кГц, при высоком управляющем или плавающем уровне – 500 кГц.
Таблица 1. Расшифровка выводов
| Обозначение | Номер | Расшифровка |
|---|---|---|
| BS | 1 | Вывод для подключения бутстрепного конденсатора. Рекомендуемое значение – 100 нФ. |
| IN | 2…5 | Вход напряжения питания. Необходимо подключить керамический конденсатор не менее 10 мкФ. |
| LX | 6, 19, 20 | Подключение индуктора. |
| GND | 7, 8, 17, 18 | Общий проводник. |
| MODE | 9 | Выбор режима работы на небольшой нагрузке. Низкий уровень – для работы в режиме ЧИМ, высокий или плавающий – для ШИМ. |
| SS | 10 | Вывод мягкого запуска. Для задания времени мягкого пуска нужно подключение конденсатора, подходящего по номиналу: tss (мс) = Css (нФ)×0,6 В/6 мкА. Либо этот вывод можно оставить неподключенным для получения времени запуска 1 мс. |
| EN | 11 | Управление включением преобразователя. Высокий уровень активирует работу микросхемы. Важно не оставлять вывод неподключенным (плавающим). |
| PG | 12 | Индикатор Powergood c открытым стоком. Вывод активен, если выходное напряжение находится в пределах 85…122% от заданной точки регулирования. |
| FS | 13 | Выбор частоты переключения. Низкий уровень – для выбора 350 кГц, высокий или плавающий – для 500 кГц. |
| FB | 14 | Вывод обратной связи. Установка выходного напряжения рассчитывается по формуле: VOUT = 0,6 × (1 + R1/R2). |
| ILMT | 15 | Установка ограничения тока, вычисляемая по формуле: ILMT (A) = 3600/RLMT (кОм) |
| VCC | 16 | Вывод внутреннего источника 3,3 В, который развязывается с помощью конденсатора емкостью не менее 4,7 мкФ. |
Для получения более подробной технической информации следует обратиться к заводской документации.
На сайте производителя имеется онлайн-симулятор, который поможет изучить работу схемы с помощью осциллограмм, а так же получить рекомендации по трассировке печатной платы и даже ее типовой рисунок с переключаемыми слоями (рисунок 3).

Рис. 3. Пример печатной платы из онлайн-симулятора на сайте Silergy
Данная микросхема доступна со склада. Вы можете ознакомиться с ее характеристиками в нашем каталоге на странице SY8308RBC.
Узнать актуальные цены и оформить заказ поможет ваш менеджер в КОМПЭЛ.
Дополнительные материалы
- Мощный понижающий DC/DC-преобразователь TPP60508 3PEAK для индустриального применения
- Азиатские DC/DC-преобразователи с широким входом 40…60 В для суровых условий
- Со cклада доступен усовершенствованный аналог западных контроллеров – 100 В DC/DC-преобразователь NSR10A01 производства Novosense
Наши информационные каналы