Формирование системы питания с малым шумом для аналогового тракта. Часть 1
17 ноября 2025
Дмитрий Илларионов (г. Нижний Новгород)
Чувствительная к пульсации и шумам питающего напряжения аналоговая электроника (в особенности – прецизионная малосигнальная аппаратура) требует применения малошумящих линейных источников напряжения. В последнее время на российском рынке появились качественные изделия данной категории, выпускаемые китайскими компаниями и соответствующие мировым стандартам. Помочь в выборе и призвана эта статья.
Одной из проблем при разработке аналоговых устройств является создание системы питания, обеспечивающей не только точность и стабильность питающего напряжения, но и приемлемый уровень его пульсаций и шумов. В отличие от цифрового, аналоговый сигнальный тракт крайне чувствителен к данным характеристикам, поскольку они напрямую влияют на качество обработки исходного сигнала, а также могут ограничивать возможности измерительного и/или усилительного каналов. Происходит это из-за того, что в реальных аналоговых микросхемах любое изменение напряжения питания влечет за собой изменение в сигнале, с которым работает чип, т.е. пульсации и шумы источника как бы «просачиваются» в полезный сигнал. В результате сильно шумящий источник может заметно снизить отношение «сигнал/шум» аналогово-цифрового преобразователя (АЦП), а в различного рода усилителях шумы и пульсации питающего напряжения искажают форму сигнала на выходе микросхемы.
Степень влияния нестабильности источника питания на работу аналогового узла определяется коэффициент ослабления пульсаций питающего напряжения (КОПП или PSRR). Данный коэффициент показывает, насколько изменится сигнал на выходе усилителя или на входе цифровой части АЦП (ΔVANLG) при определенном изменении напряжения питания ΔVPOWER:
$$PSRR=20\cdot \lg \left(\frac{\Delta V_{POWER}}{\Delta V_{ANLG}} \right).$$
В идеальном случае никакие изменения питающего напряжения не должны приводить к дополнительным смещениям полезного сигнала (ΔVANLG=0), поэтому идеальный аналоговый чип имеет бесконечный PSRR. У реальных микросхем данный параметр хоть и сравнительно высок, но все же конечен, к тому же, он ухудшается с повышением частоты (рисунок 1):

Рис. 1. Зависимость коэффициента ослабления пульсаций от частоты для различных АЦП и ОУ
При этом для пульсаций по питанию обычно характерна треугольная форма, и мощность их спектральных составляющих с ростом частоты достаточно быстро становится незначительной, что в достаточной степени компенсирует спад PSRR на высоких частотах (рисунок 2):

Рис. 2. Пульсации по питанию
Шум же, формируемый полупроводниковыми компонентами, в области ВЧ является преимущественно белым, т.е. его спектральную плотность на частотах выше нескольких десятков килогерц можно считать постоянной (рисунок 3):

Рис. 3. Спектральная плотность шума
И здесь спад коэффициента PSRR микросхемы приводит к тому, что с ростом частоты шум начинает все больше и больше влиять на форму рабочего сигнала, так как подавлять его чипу все сложнее, а спектральная плотность шума при этом не снижается. Вследствие этого на высоких частотах шум проходит на вход цифровой части АЦП или на выход усилителя практически без ослабления, что является весьма критичным в ряде случаев (например, для ВЧ-устройств, работающих с сигналами малой амплитуды). Таким образом, при разработке системы питания аналогового тракта рекомендуется принимать во внимание не только размах пульсаций питающего напряжения, но и уровень шума в нем, особенно когда дело касается прецизионной малосигнальной аппаратуры.
Линейные стабилизаторы напряжения с малым шумом
Наиболее простым и дешевым способом обеспечить качественное питание для аналогового тракта является применение малошумящих линейных стабилизаторов (МШЛС). Данный класс изделий обычно относится к микросхемам с низким падением напряжения на регулирующем элементе (Low Dropout Regulator; LDO), требует небольшого количества внешних элементов и достаточно прост в использовании. При этом уровень шума на выходе МШЛС, как правило, в несколько раз ниже, чем у обычных стабилизаторов серий 317 и 1117 (менее 40 мкВ(RMS)), а коэффициент подавления пульсаций питающего напряжения зачастую выше как минимум на несколько децибел. Этого удается достичь благодаря внесению некоторых изменений в основные узлы микросхемы, а также соблюдению определенных правил при выборе внешних элементов стабилизатора и при трассировке печатной платы.
Внутренняя структура малошумящего линейного стабилизатора с фиксированным выходным напряжением показана на рисунке 4.

Рис. 4. Внутренняя структура малошумящего линейного стабилизатора
За исключением резистора RNR, который, впрочем, присутствует далеко не во всех МШЛС, она полностью совпадает со структурой микросхем серий 317 и 1117. Отличия заключаются в конкретной реализации узлов стабилизатора, а именно:
- источник опорного напряжения или ИОН (Reference). В малошумящих LDO вместо традиционной схемы на транзисторе со стабилитроном обычно используется ИОН с напряжением запрещенной зоны (Bandgap Reference). Принцип работы такого источника основан на арифметическом сложении напряжения на прямо смещенном p-n-переходе одного транзистора (убывает при повышении температуры) и комплементарного ему напряжения на другом транзисторе (увеличивается при росте температуры). Достоинством рассматриваемого ИОН является отсутствие температурной зависимости (ТКН = 0), если его выходное напряжение, задающееся номиналами внутренних резисторов, приблизительно равно
$$V_{REF}=\frac{E_{g}}{\left|e \right|}=1.21\:В,$$
где e – элементарный электрический заряд (заряд электрона), а Eg – ширина запрещенной зоны для легированного монокристаллического кремния (отсюда и название схемы). В реальных МШЛС опорное напряжение обычно составляет +1,18…+1,25 В, а его предельное отклонение от нормы во всем диапазоне рабочих температур и токов не превышает 3%. Кроме того, при изготовлении ИОН малошумящих стабилизаторов могут применяться специальные методы, позволяющие снизить дробовой и тепловой (джонсоновский) шумы, формируемые источником опорного напряжения;
- усилитель ошибки (Error Amplifier). Наряду с ИОН, усилитель ошибки является одним из главных источников шума на выходе линейного стабилизатора. Поэтому в МШЛС данный узел обычно строится по специальным топологиям, в которых используются специализированные компоненты, например, полевые транзисторы с p-n переходом (JFET). Применение таких активных элементов позволяет создавать крайне эффективные усилители, имеющие высокое входное сопротивление, большой коэффициент усиления и, что самое главное, низкий уровень 1/f-шума (так называемый фликкер-шум или розовый шум);
- регулирующий элемент (Pass FET). В качестве силового элемента, выполняющего фактическую стабилизацию выходного напряжения, в МШЛС обычно используются малошумящие полевые транзисторы с увеличенным размером канала и малой площадью затвора. Такие ключи (чаще всего P-канальные), в отличие от биполярных и полевых транзисторов без оптимизации шумовых характеристик, позволяют свести к минимуму фликкер-шум, добавляемый регулирующим элементом стабилизатора в его выходное напряжение. Кроме того, в ряде случаев в силовую часть добавляется дополнительный транзистор, образующий с основным ключом каскодное соединение и позволяющий увеличить коэффициент подавления пульсаций PSRR;
- фильтр нижних частот (ФНЧ). Нередко производители малошумящих линейных стабилизаторов предусматривают возможность дополнительной фильтрации шумов, формируемых источником опорного напряжения. Для этих целей используется ФНЧ, который устанавливается на выходе ИОН и состоит из резистора RNR, интегрированного в МШЛС, и конденсатора CNR, обычно подключаемого к микросхеме снаружи. Данный фильтр подавляет высокочастотные спектральные составляющие шума опорного напряжения, причем полосу пропускания ФНЧ можно регулировать при помощи изменения емкости конденсатора CNR (если, конечно, для этого у микросхемы предусмотрен соответствующий вывод). Чем выше эта емкость, тем более качественная фильтрация шумов ИОН будет обеспечена, однако при этом увеличится время выхода стабилизатора на рабочий режим, поскольку напряжение на входе усилителя ошибки будет дольше нарастать до нормального уровня. Обычно частоту среза фильтра принимают равной 10…500 Гц – как показывает практика, это обеспечивает наилучший компромисс между подавлением шумов ИОН и временем запуска МШЛС;
- питание внутренних цепей. В ряде моделей МШЛС чувствительные узлы (ИОН, усилитель ошибки и прочие) запитаны не напрямую от входного напряжения, а через вторичный стабилизатор, интегрированный в микросхему. Такое решение позволяет сделать питание данных узлов более чистым за счет дополнительного подавления пульсаций и шумов, присутствующих в напряжении на входе МШЛС, что, в свою очередь, улучшает эффективность работы всего стабилизатора.
Необходимо понимать, что чистота выходного напряжения, обеспечиваемая малошумящими линейными стабилизаторами, имеет свою цену. Более сложная схемотехника МШЛС, применяемая для снижения шумов и улучшения коэффициента подавления пульсаций питания (особенно в области высоких частот), неминуемо ведет к увеличению стоимости таких микросхем и замедляет их реакцию на изменение нагрузки и входного напряжения. Кроме того, для уменьшения шума Джонсона в МШЛС используются резисторы более низкого номинала, в связи с чем собственное токопотребление данных стабилизаторов зачастую может достигать нескольких миллиампер. Применение в силовой части микросхемы транзисторов с большим размером канала, а также каскодных конфигураций увеличивает падение напряжения на регулирующем элементе – обычно для МШЛС этот параметр составляет более 500 мВ. К тому же, использование подобных специализированных активных элементов ухудшает выходное сопротивление стабилизатора, что ведет к снижению тока, который может обеспечить чип на своем выходе (типовые значения здесь составляют 500…1000 мА).
Также следует иметь в виду, что для обеспечения максимальной эффективности МШЛС разработчик должен выполнить следующие условия:
- входное напряжение микросхемы необходимо брать на 2…3 В выше выходного – в противном случае нормальная стабилизация выхода может быть затруднена;
- если стабилизатор имеет вывод для подключения конденсатора CNR, входящего в состав ФНЧ на выходе источника опорного напряжения, нужно обязательно использовать эту возможность;
- на входе и выходе стабилизатора необходимо устанавливать конденсаторы, емкость которых во всем диапазоне рабочих температур устройства не опускается ниже значения, рекомендованного производителем;
- не использовать на выходе конденсаторы с малым эквивалентным последовательным сопротивлением (ESR). Чем большее значение ESR будет иметь выходная емкость, тем дальше в область низких частот сдвинется нуль передаточной характеристики петли обратной связи микросхемы, и тем стабильнее будет ее работа. Отметим, что данный запрет не касается моделей МШЛС, изначально рассчитанных на работу с конденсаторами типа «Low-ESR» (в том числе, и с керамическими), либо имеющих настроенную внутреннюю компенсацию контура ОС;
- при использовании микросхем, выходное напряжение которых программируется при помощи внешнего делителя, сопротивление резисторов этого делителя необходимо брать как можно ниже. Любой резистор, независимо от его типа, качества и так далее, формирует на своих выводах шумовое напряжение, называемое тепловым шумом или шумом Джонсона, среднеквадратичное значение которого может быть найдено как
$$V_{n(RMS)}=\sqrt{4k\cdot T\cdot R\cdot \Delta f},$$
где k=1,38∙10-23Дж/К – постоянная Больцмана, T=273+t°С – абсолютная температура резистора, выраженная в Кельвинах, R – сопротивление резистора в Омах, Δf – полоса частот, в которой проводятся измерения (Гц). Обратите внимание, что мощность теплового шума не зависит от напряжения, тока или частоты, приложенных к резистору, а зависит только от его сопротивления и температуры. Именно поэтому для снижения шумов на выходе МШЛС номиналы делителя в обратной связи стабилизатора должны быть как можно ниже. Однако бездумно уменьшать сопротивление резисторов тоже не следует, поскольку при этом будет увеличиваться не только собственный ток потребления микросхемы, но и нагрев элементов делителя, а это, в свою очередь, приведет к увеличению шума Джонсона за счет температуры (см. формулу выше);
- в случае использовании внешнего делителя крайне рекомендуется подключить конденсатор небольшой емкости параллельно верхнему резистору. Это снизит коэффициент усиления контура ОС на высоких частотах, что уменьшит высокочастотный шум, формируемый МШЛС.
Помимо требований, перечисленных выше, при работе с малошумящими линейными стабилизаторами должна быть обеспечена грамотная трассировка печатной платы. Требования для конкретных моделей МШЛС могут быть разными, однако, некоторые общие моменты сформулировать все же можно:
- силовые цепи должны быть выполнены в виде широких дорожек или полигонов для уменьшения падения напряжения на них. Данное требование особенно касается стабилизаторов с большим выходным током, а также имеющих теплоотводящий контакт на корпусе;
- входной и выходной конденсаторы должны располагаться как можно ближе к стабилизатору;
- зачастую производитель рекомендует шунтировать вход и выход микросхемы дополнительными керамическими конденсаторами номиналом 0,1 мкФ для уменьшения шума и улучшения переходной характеристики выходного каскада. В этом случае шунтирующие конденсаторы также необходимо располагать как можно ближе к микросхеме.
Пример трассировки печатной платы, рекомендуемой для стабилизатора TPL8033, приведен на рисунке 5.

Рис. 5. Пример трассировки печатной платы стабилизатора
Если просуммировать все вышесказанное, может показаться, что использование малошумящих линейных стабилизаторов ограничено исключительно узкоспециализированными приложениями. Например, в устройствах с высокими токами нагрузки применение МШЛС может быть просто невозможно в связи с отсутствием подходящей микросхемы (напомним, что выходной ток большинства рассматриваемых стабилизаторов не превышает 1 А). К тому же, из-за относительно высокого собственного токопотребления могут возникнуть определенные трудности с использованием МШЛС в приложениях с батарейным питанием. Но главное – для систем с невысокими требованиями к шумам, которые обычно еще и имеют жесткие ограничения по бюджету, малошумящие стабилизаторы кажутся слишком дорогими и избыточными. Поэтому раньше МШЛС действительно применялись преимущественно в узкосегментной продукции, где использование сравнительно дорогостоящих комплектующих может быть экономически оправдано: LNA-усилители, радиочастотные тракты, синтезаторы частот, прецизионные АЦП и ЦАП, специализированная измерительная техника, аудиосистемы класса Hi-Fi и т.д. Однако в последние годы с приходом на российский рынок азиатских производителей электронных компонентов ситуация серьезно изменилась, поскольку их продукция отличается конкурентными характеристиками.
Производители МШЛС
В настоящее время малошумящие линейные стабилизаторы представлены на отечественном рынке множеством компаний: от уже давно зарекомендовавших себя до недавно появившихся. Естественно, в таком разнообразии легко запутаться. Необходимо понимать, что ориентироваться на электронные комплектующие первого попавшегося производителя не следует, даже если их стоимость и кажется довольно привлекательной. Хотя микросхемы многих брендов обладают достойным качеством, далеко не все изготовители могут обеспечить приемлемый уровень технической поддержки, а также доступность продукции. При этом разработчику бывает сложно самостоятельно сориентироваться в огромном перечне производителей МШЛС, поэтому КОМПЭЛ периодически составляет список компаний-изготовителей, чья продукция соответствует мировым стандартам. Как дистрибьютор электронных компонентов, мы постоянно проводим работу по аудиту, оценке и анализу азиатских брендов электроники, поэтому данный перечень периодически обновляется (таблица 1).
Таблица 1. Производители малошумящих линейных стабилизаторов, рекомендуемые КОМПЭЛ на 2025 год
| Runic | 3PEAK | JSCJ | Joulwatt | Unisonic | MicrOne | Analogy Semi | EGMicro | SGMicro | Wayon | Richtek | Etek | |
|---|---|---|---|---|---|---|---|---|---|---|---|---|
| Low Noise Vn<40 мкВ (RMS) |
||||||||||||
| Ultra-Low Noise Vn<10 мкВ (RMS) |
||||||||||||
Для удобства пользователя доступные модели стабилизаторов разбиты на две группы: микросхемы с низким уровнем шума («Low Noise») и микросхемы со сверхнизким уровнем шума («Ultra-Low Noise»). Обратите внимание на то, что данное деление весьма условное, и многие компании-производители записывают в МШЛС даже чипы, имеющие VN = 100 мкВ(RMS) и более. Однако, такой уровень шума уже сопоставим с характеристиками обычных стабилизаторов, поэтому, на наш взгляд, рассматривать в качестве малошумящих имеет смысл лишь микросхемы с VN < 40 мкВ(RMS).
Из всего перечня рекомендованных производителей хотелось бы отметить две компании, достигшие серьезных успехов в производстве МШЛС: SGMicro и 3PEAK. В арсенале первой содержится самое большое количество стабилизаторов из группы «Low Noise» – от типовых решений, повыводно совместимых с микросхемами серии 1117, но имеющих меньший шум и большее подавление пульсаций (SGM2212), до довольно специфической продукции (например, чип SGM2208 позволяет снимать с выхода токи до 3 А(!) и допускает питание вплоть до +24 В). Если же разработчика интересуют МШЛС со сверхнизким уровнем шума, рекомендуем обратить внимание на продукцию компании 3PEAK – ее ассортимент насчитывает порядка 20 серий микросхем группы Ultra-Low Noise, среди которых есть стабилизаторы с рекордным шумовым значением VN = 1 мкВ(RMS). Кроме того, следует упомянуть бренд Runic, выпускающий МШЛС марки RS3007 с рабочим напряжением +45,0 В, а также компанию JSCJ, активно развивающую рассматриваемое направление и каждые полгода-год выпускающую новые модели малошумящих стабилизаторов. Продукция упомянутых производителей представлена в широком ассортименте на складе КОМПЭЛ.
Примеры МШЛС
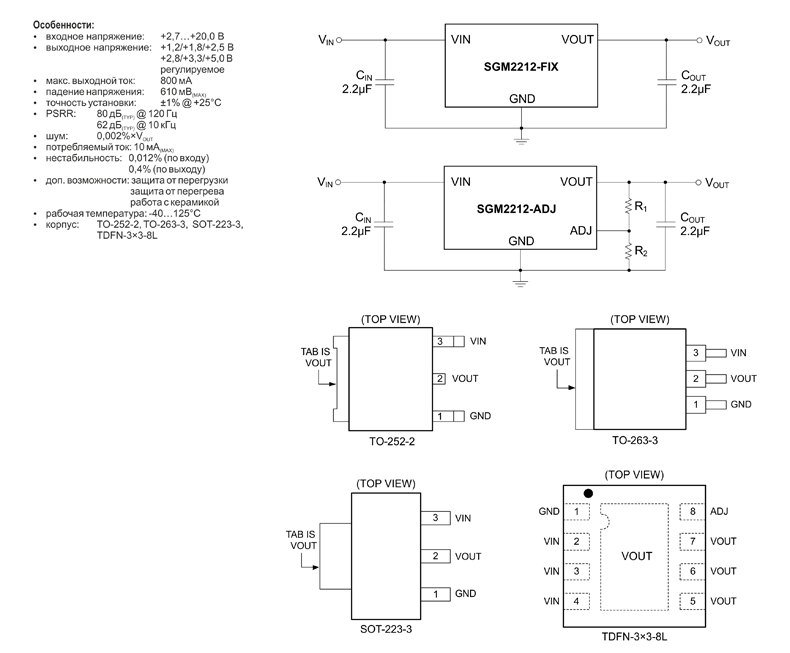
В качестве примеров малошумящих линейных стабилизаторов рассмотрим несколько моделей МШЛС производства компаний SGMicro и 3PEAK. Начнем с одной из самых простых микросхем – SGM2212. Строго говоря, по классификации, введенной в предыдущем пункте, она не является малошумящим стабилизатором, поскольку уровень ее шумов превышает 40 мкВ(RMS), однако, данный чип повыводно совместим с микросхемами серии 1117 в корпусе SOT-223 и может выступать в качестве улучшенной замены этих микросхем (к тому же, производитель позиционирует SGM2212 именно как «Low Noise Regulator»). Основные характеристики рассматриваемого МШЛС, а также схема его включения приведены ниже:
SGM2212

Рис. 6. Основные характеристики и схемы включения SGM2212
Как видно из приведенных данных, помимо улучшенных шумовых характеристик стабилизатор SGM2212 обладает меньшим падением напряжения, меньшей нестабильностью по входу, а также лучшим подавлением пульсаций по сравнению с микросхемами серии 1117. Кроме того, он позволяет устанавливать на выход керамические конденсаторы в малых корпусах, в то время, как обычные стабилизаторы допускают работу только с танталовыми или алюминиевыми конденсаторами. Учитывая современные тенденции к миниатюризации и удешевлению электронной продукции, этот фактор может оказаться серьезным аргументом для разработчика при выборе элементной базы к очередному проекту. Единственный момент, который следует учитывать при использовании SGM2212 – в корпусах SOT-223, TO-252-2 и TO-263-3 доступны только версии стабилизатора с фиксированным выходным напряжением, регулируемый вариант микросхемы выпускается исключительно в компактном корпусе TDFN-3×3-8L.
Еще одним интересным примером МШЛС от компании SGMicro является микросхема SGM2211. Отличительными особенностями данного стабилизатора являются прекрасное подавление пульсаций и достаточно малый шум – этот параметр у SGM2211 практически такой же, как у МШЛС группы Ultra-Low Noise. Кроме того, следует отметить неплохие динамические характеристики чипа, а также возможность мягкого старта (для микросхем в корпусе TDFN-2×2-6AL). Основные электрические параметры МШЛС SGM2211, его внутренняя структура и схема включения приведены на рисунке 7.
SGM2211

Рис. 7. Основные характеристики и схемы включения SGM2211
Обратите внимание на то, как в рассматриваемой микросхеме организована петля ОС (рисунок 8). В обычных стабилизаторах сигнал обратной связи напрямую сравнивается с опорным напряжением чипа, для чего выходное напряжение стабилизатора подается на вход усилителя ошибки через резистивный делитель. Как говорилось выше, для улучшения шумовых характеристик МШЛС сопротивление резисторов этого делителя должно быть достаточно низким, что ведет к увеличению тока, потребляемого схемой. В рассматриваемом стабилизаторе применен другой способ: здесь не сравнительно высокое выходное напряжение приводится к опорному, а наоборот – сигнал с выхода ИОН усиливается до необходимого уровня при помощи промежуточного усилительного каскада. Достоинством такого способа является то, что сопротивление резисторов R2 и R4 можно выбрать достаточно большим, что понизит собственный ток потребления микросхемы, а возникший вследствие этого дополнительный тепловой шум частично компенсируется при помощи ФНЧ R3C3, а частично – при помощи конденсатора С2 в петле обратной связи промежуточного усилителя. Кроме того, примененный подход позволяет при необходимости увеличивать выходное напряжение относительно заданного при помощи дополнительного делителя, устанавливаемого на выходе стабилизатора (данная возможность доступна только в чипах в корпусе TDFN-2×2-6AL):

Рис. 8. Организация петли обратной связи в стабилизаторе SGM2211
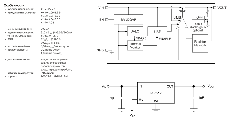
При разработке массовой электронной продукции одним из ключевых факторов является себестоимость изделия. В связи с этим разработчику все время приходится выбирать между дорогостоящими комплектующими, обеспечивающими лучшие характеристики продукта, и компонентами с несколько худшими параметрами, но имеющими более низкую цену. В этом смысле достаточно интересными выглядят малошумящие стабилизаторы серии RS3212 от компании Runic. Несмотря на малую цену, данная микросхема является полноценным низковольтным МШЛС из группы Low Noise с гарантированным выходным током 300 мА и достаточно низким падением напряжения. Основные характеристики, структурная схема, а также схема включения стабилизатора RS3219 приведены на рисунке 9.
RS3212

Рис. 9. Основные характеристики и схемы включения RS3212
Отметим, что, несмотря на дешевизну, рассматриваемый МШЛС имеет вход разрешения работы, потребление которого не превышает 4 мкА(TYP). Пороги включения и выключения стабилизатора не зависят от его входного напряжения и составляют 1,2 В и 0,4 В, соответственно. Время реагирования микросхемы на сигнал разрешения работы (рисунок 10) не превышает нескольких десятков микросекунд.

Рис. 10. Время реагирования RS3212 на сигнал разрешения работы
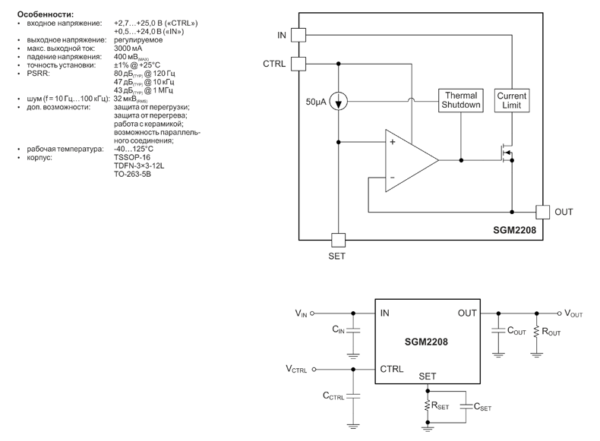
Закончить рассмотрение МШЛС группы «Low Noise» хотелось бы стабилизатором SGM2208. Это достаточно уникальный малошумящий стабилизатор, дающий возможность снимать со своего выхода токи до 3 А при падении не более 400 мВ, и позволяющий запитывать себя напряжением до +24,0 В относительно выходного. Кроме того, микросхема SGM2208 имеет раздельные шины питания для силовой части («IN») и схемы управления («CTRL»), что позволяет, например, тщательно отфильтровать напряжение для запитки управляющих цепей МШЛС при помощи обычных RC-фильтров, так как потребление по шине «CTRL» не превышает 1,5 мА. Основные характеристики, внутренняя структура и схема включения рассматриваемого стабилизатора приведены на рисунке 11.
SGM2208

Рис. 11. Основные характеристики и схемы включения SGM2208
К интересным особенностям микросхемы SGM2208 можно отнести способ программирования выходного напряжения – вместо традиционного резистивного делителя здесь используется один резистор и источник стабильного тока. Конечно, температурные характеристики такого решения хуже, чем у ИОН с запрещенной зоной, однако оно позволяет получить на выходе любое низкое напряжение – для этого достаточно взять резистор RSET с малым сопротивлением:
$$V_{OUT}=50\;мкА\times R_{SET}.$$
Отметим, что использование источника тока дает возможность сделать выходное напряжение стабилизатора даже нулевым путем закорачивания вывода «SET» на общий провод. Кроме того, примененный подход позволяет соединять микросхемы SGM2208 параллельно (рисунок 12) для увеличения максимального выходного тока.

Рис. 12. Параллельное соединение SGM2208
При этом на выход каждого стабилизатора добавляется балластный резистор RB, который используется для выравнивания выходных токов.
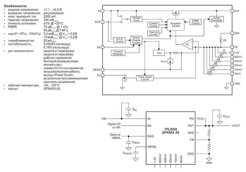
В качестве представителя микросхем со сверхнизким уровнем шума (Ultra-Low Noise) рассмотрим низковольтный стабилизатор TPL9208-S, выпускаемый компанией 3PEAK. Данный МШЛС позволяет снимать с выхода токи до 2 А, при этом падение напряжения на нем не превышает 200 мВ. Кроме того, рассматриваемый стабилизатор обладает неплохим коэффициентом подавления пульсаций и хорошими динамическими характеристиками. Отметим, что микросхема TPL9208-S выпускается в двух типах корпусов: DFN2.5×2.5-10 и QFN5x5-20, однако, параметры и функционал чипа в первом случае несколько хуже (видимо, это плата за его компактность). Поэтому дальше будем рассматривать стабилизатор TPL9208-S в корпусе QFN5x5-20, основные характеристики, внутренняя структура и схема включения которого приведены на рисунке 13.
TPL9208-S (QFN5x5-20)

Рис. 13. Основные характеристики и схемы включения TPL9208-S
Интересной особенностью микросхемы TPL9208-S является наличие встроенных резисторов, при помощи которых можно устанавливать фиксированное выходное напряжение без использования внешнего делителя. Диапазон устанавливаемых значений составляет от +0,8 до +3,95 В с шагом 0,05 В. Установка конкретного напряжения на выходе стабилизатора осуществляется путем подключения определенных выводов «50mV», «100mV», «200mV», «400mV», «800mV», «1.6V» к общему проводу (таблица соответствия выходного напряжения подключаемым выводам приводится в документации на TPL9208-S). В том случае, когда на выходе микросхемы требуется получить напряжение больше +3,95 В, необходимо использовать внешний резистивный делитель.
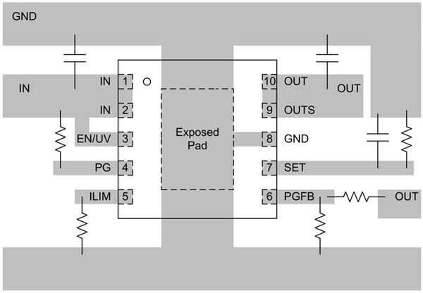
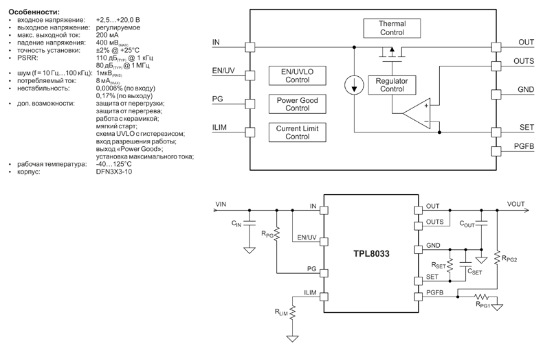
Завершить обзор малошумящих стабилизаторов хотелось бы микросхемой TPL8033. Данный МШЛС имеет крайне низкий уровень шума, обеспечивает отличное подавление пульсаций и допускает работу в широком диапазоне питающих напряжений. Также к достоинствам TPL8033 можно отнести возможность установки выходного напряжения при помощи всего одного резистора и наличие различных дополнительных функций. Основные параметры рассматриваемого стабилизатора, его внутренняя структура и схема включения приведены на рисунке 14.
TPL8033

Рис. 14. Основные характеристики и схемы включения TPL8033
Как уже отмечалось, микросхема TPL8033 предоставляет разработчику достаточное количество дополнительных возможностей. Например, в ее состав входит прецизионный источник тока на 100 мкА, позволяющий устанавливать выходное напряжение при помощи всего одного резистора, а также дающий возможность сформировать на выходе стабилизатора сколь угодно низкое значение, в том числе и нулевое. Порог включения микросхемы может быть запрограммирован пользователем при помощи внешнего делителя REN2REN1 (рисунок 15).

Рис. 15. Задание порога включения TPL8033
Напряжение срабатывания схемы UVLO в этом случае может быть рассчитано по формуле
$$V_{IN,UVLO}=1.23\:В\times \left(1+\frac{R_{EN2}}{R_{EN1}} \right)+I_{EN}\times R_{EN2},$$
где IEN2 – ток вывода «EN/UV».
Максимальный выходной ток стабилизатора также программируется пользователем при помощи резистора RLIM:
$$I_{LIM}[мА]=\frac{125}{R_{LIM}[кОм]},$$
(например, при RLIM = 1 кОм ток на выходе составит 125 мА).
Наконец, еще один параметр TPL8033, который может быть задан извне – это порог включения сигнала «Power Good». Данный порог определяется номиналами резистивного делителя RPG2PRG1 при помощи следующего выражения:
$$V_{PG,TH}=0.3\:В\times \left(1+\frac{R_{PG2}}{R_{PG1}} \right)+I_{PGFB}\times R_{PG2},$$
где IPGFB – ток, протекающий по выводу «PGFB». Обратите внимание на то, что сигнал «Power Good» формируется внутренним транзистором с открытым стоком, поэтому для его нормальной работы требуется внешний подтягивающий резистор RPG.
Продолжение следует…
В первой части статьи, посвященной малошумящим системам питания для аналогового тракта, были рассмотрены линейные преобразователи напряжения. Вторая часть данной статьи будет посвящена импульсным микросхемам, в том числе, имеющим гальваническую развязку входа и выхода. Мы подробно рассмотрим такой класс устройств, как преобразователи напряжения на переключаемых конденсаторах (Charge Pump), приведем примеры соответствующих микросхем, а также затронем основные методы снижения шумов в классических преобразователях: выбор правильной топологии и режима работы индуктора, использование синхронного выпрямления, схемы расширения спектра и другие решения.
Наши информационные каналы