100-вольтовые понижающие DC/DC-преобразователи от ведущих азиатских производителей. Часть 2
10 ноября 2025
Николай Вашкалюк (КОМПЭЛ)
Современные понижающие DC/DC-преобразователи со входным напряжением до 100 В и встроенным силовым ключом, характеризующиеся высокой степенью интеграции, полным набором защит и высокой частотой переключения, предназначены для ответственных применений в промышленной автоматике, умных счетчиках, автомобильной и телекоммуникационной аппаратуре. Статья из двух частей поможет выбрать решения, предлагаемые китайскими компаниями 3PEAK, Novosense, JSCJ, JoulWatt и Silergy.
В первой части статьи (ссылка) мы рассмотрели сравнительно новые микросхемы от 3PEAK, а также недавние предложения от JSCJ и Novosense. Интересен продукт от Novosense – хотя компания только начала осваивать это направление, ее первый и пока единственный преобразователь NSR10A01 оказался конкурентоспособным. Он схож с аналогами (xM5007MM, xM5008MM и xM5009MM), но имеет различия в ключевых характеристиках. Например, ток собственного потребления контроллера в режиме ожидания у Novosense более чем в десять раз ниже, чем у аналогичных моделей ведущих западных производителей.
Во второй части статьи мы познакомимся с продукцией одного из азиатских производителей силовой электроники – компании Silergy, чьи решения давно присутствуют на рынке.
Наряду с этим мы также рассмотрим предложения вендора, который специализируется исключительно на микросхемах управления питанием – JoulWatt. Несмотря на сравнительно недавний выход на рынок (2013 год), продукты этой компании сопоставимы с западными образцами.
JoulWatt (JW514x и JWH514x)
Компания JoulWatt представляет линейку высоковольтных преобразователей, работающих в режиме COT с входным напряжением до 100 В и предназначенных для питания в широком диапазоне в промышленных и автомобильных приложениях. В ее состав входят четыре асинхронных и шесть синхронных контроллеров в корпусах ESOP8 и DFN4x4-8 (таблица 10). Эти устройства сочетают в себе высокую степень интеграции, улучшенную защиту от перенапряжений и оптимизированную работу в условиях переменной нагрузки.
Таблица 10. Линейка 100-вольтовых преобразователей JoulWatt
| Наименование | Входное напряжение, В | Выходной ток, А | Выходное напряжение, В | Ток покоя, мкА | Частота работы, кГц | Корпус | Синхрон- ный |
Опорное напряжение, В | Температура работы, °C |
|---|---|---|---|---|---|---|---|---|---|
| JWH5140DFNI#TR | 6,0…100 | 0,6 | 1,225…30 | 145 | 100…1000 | DFN4x4-8 | Да | 1,225 ± 2% | -40…125 (J)* |
| JWH5140FDFNI#TR | 6,0…100 | 0,6 | 1,225…30 | 145 | 100…1000 | DFN4x4-8 | Да | 1,225 ± 2% | -40…125 (J)* |
| JWH5140ESOP#TR | 6,0…100 | 0,6 | 1,225…30 | 145 | 100…1000 | ESOP8 | Да | 1,225 ± 2% | -40…125 (J)* |
| JWH5140FESOP#TR | 6,0…100 | 0,6 | 1,225…30 | 145 | 100…1000 | ESOP8 | Да | 1,225 ± 2% | -40…125 (J)* |
| JWH5141ESOP#TRPBF | 6,0…100 | 1,0 | 1,225…30 | 100 | 100…1000 | ESOP8 | Да | 1,225 ± 2% | -40…125 (J)* |
| JWH5141FESOP#TRPBF | 6,0…100 | 1,0 | 1,225…30 | 100 | 100…1000 | ESOP8 | Да | 1,225 ± 2% | -40…125 (J)* |
| JW5142ESOP#TR | 6,0…100 | 1,5 (2,5 peak) |
1,2…VIN | 20 | 300 | ESOP8 | Нет | 1,225 ± 1,5% | -40…125 (J)* |
| JW5142PESOP#TR | 6,0…100 | 1,5 (2,5 peak) |
1,2…VIN | 20 | 100…600 | ESOP8 | Нет | 1,225 ± 1,5% | -40…125 (J)* |
| JW5143ESOP#TR | 6,0…100 | 1,5 (3,5 peak) |
1,2…VIN | 20 | 300 | ESOP8 | Нет | 1,225 ± 1,5% | -40…125 (J)* |
| JW5143PESOP#TR | 6,0…100 | 1,5 (3,5 peak) |
1,2…VIN | 20 | 100…600 | ESOP8 | Нет | 1,225 ± 1,5% | -40…125 (J)* |
* Температура работы кристалла (Operating Junction Temperature)
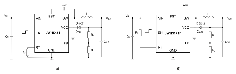
Микросхемы серии JWH5140(F) и JWH5141(F) (первые шесть строчек в таблице 10) – это синхронные DC/DC-преобразователи с регулируемой частотой 100 кГц…1 МГц и выходным током 0,6 и 1,0 А, соответственно. В режиме выключения контроллеры потребляют всего 3,3 мкА, а относительно высокое опорное напряжение 1,225 В позволяет получить более стабильную работы схемы в условиях сильных внешних шумов.
Блокировка при пониженном напряжении тут регулируемая (с гистерезисом) и выполняется с помощью вывода EN (формулу расчета, схему и остальные нюансы работы вы можете найти в инструкции изготовителя (Data Sheet)). Встроенная схема мягкого запуска (типовое значение 1,9 мс) предотвращает превышение выходного напряжения преобразователя во время запуска и восстановления после короткого замыкания.
Микросхемы JWH5140(F) и JWH5141(F) оснащены двумя встроенными LDO-стабилизаторами, предназначенными для питания внутренней схемы (VDD) – один работает от вывода VIN, второй – от вывода VCC. Когда напряжение на VCC ниже 6 В, LDO, подключенный к VIN, обеспечивает заряд конденсатора на шине VDD. Как только напряжение на VDD достигает порога выхода из режима блокировки при пониженном напряжении (UVLO), преобразователь плавно переходит в активный режим работы.
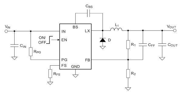
При превышении напряжением на выводе VCC уровня 6,175 В активируется внутренний LDO от VCC, а стабилизатор от VIN автоматически отключается. Для стабильной работы в большинстве приложений рекомендуется установить керамический конденсатор емкостью 0,1 мкФ непосредственно на выводе VCC (рисунок 9).
Для повышения КПД и снижения тепловыделения можно подключить внешнее вспомогательное напряжение к выводу VCC через диод. При подаче напряжения в диапазоне 6,5…25 В внутренний регулятор от VIN отключается, что минимизирует потери мощности и способствует более эффективной работе устройства в целом.
Частота переключения микросхем JWH5140(F) и JWH5141(F) легко настраивается с помощью внешнего резистора RT, подключаемого между выводом RT и землей (GND) для моделей JWH5140 / JWH5141 (без буквы «F»), либо между RT и входным напряжением (VIN) – для версий с суффиксом «F» (JWH5140F/JWH5141F). Этот параметр позволяет гибко подстроить работу преобразователя под конкретные требования приложения.
Выбор оптимальной частоты всегда представляет собой баланс между несколькими факторами: высокая частота позволяет уменьшить габариты внешних компонентов, но может снизить КПД из-за увеличения коммутационных потерь. В то же время при высоком коэффициенте понижения напряжения (например, 48 В → 3,3 В) ключевым ограничением становится минимальное время включения, которое составляет всего 90 нс. Это значение задает нижнюю границу для достижимой скважности импульсов и, соответственно, ограничивает максимальную частоту в таких приложениях.
Особое внимание уделено поведению микросхем при малой нагрузке. Модели JWH5140 и JWH5141 автоматически переходят в энергоэффективный режим пропуска импульсов (PFM), снижая частоту переключения и минимизируя потребление. В то же время версии JWH5140F и JWH5141F работают в режиме принудительного ШИМ с неразрывными токами (FCCM – Forced Continuous Conduction Mode), поддерживая постоянную частоту переключения независимо от уровня нагрузки. Это обеспечивает стабильные и предсказуемые характеристики, минимальные пульсации выходного напряжения и высокую помехоустойчивость, что особенно важно в чувствительных аналоговых и автомобильных системах.
Таким образом, выбор между «обычной» и «F» версией позволяет гибко оптимизировать разработку под конкретные требования: максимальный КПД при частичной нагрузке или стабильность и низкие пульсации в режиме полного диапазона выходной мощности.
Еще одной интересной особенностью данных микросхем является защита от неконтролируемого роста выходного тока (Output Current Run-Away Protection). В момент включения, когда на входе присутствует высокое напряжение, а на выходе еще не сформировано достаточное напряжение, ток через выходной дроссель может резко нарастать из-за инерционности магнитного поля. Это может привести к значительному броску выходного тока, потенциально опасному для компонентов схемы. Для предотвращения этого явления в микросхемах JWH5140(F) и JWH5141(F) реализована защита на основе ограничения по минимальному току (valley current limit). Согласно этому алгоритму, верхний силовой ключ может включиться только после того, как ток в дросселе будет ниже заданного порога минимума. Такой механизм эффективно контролирует нарастание тока на этапе запуска, обеспечивая плавное и безопасное включение преобразователя без перегрузки по току.
Поцикловое ограничение тока, защита от КЗ с циклическим перезапуском, OVP и OTP – все это также имеется на борту рассматриваемых преобразователей.

Рис. 9. Типовые схемы включения JWH5140/JWH5141 (а) и JWH5140F/JWH5141F (б)
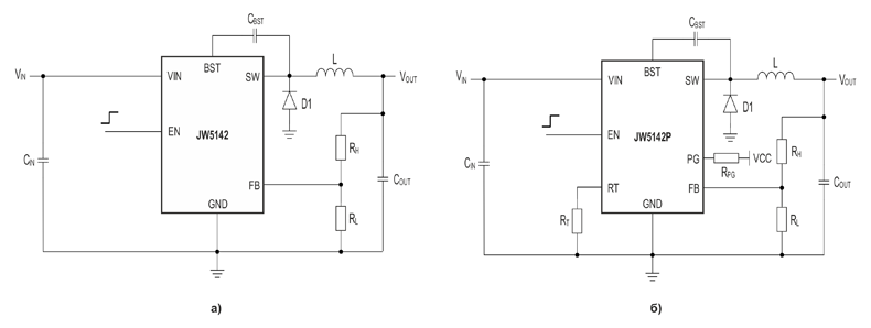
Серия асинхронных понижающих контроллеров представлена микросхемами JW5142(P) и JW5143(P) в корпусах ESOP8 с выходным током до 1,5 А. Работает они в улучшенном режиме – ACOT и, в отличие от рассмотренных выше JWH5140(F) и JWH5141(F), имеют значительно меньшее собственное потребление в активном режиме – 20 мкА и всего 2 мкА в отключенном состоянии. Преобразователи стабильны даже при практически полном отсутствии пульсаций на выходе за счет встроенной схемы добавления пилообразного напряжения для имитации пульсаций. А на малой нагрузке контроллеры переходят на работу с пониженной частотой, увеличивая КПД.
Микросхемы JW5142P и JW5143P (с суффиксом «P») имеют вывод «Powergood» для отслеживания штатной работы преобразователя, а также возможность установки частоты коммутации от 100 кГц до 600 кГц. В то же время JW5142 и JW5143 (без суффикса «P») работают с фиксированной частотой переключения – 300 кГц.
Для достижения высокого рабочего цикла (97%) микросхемы используют внутренний зарядный насос (bootstrap-цепь), состоящий из встроенного диода и внешнего керамического конденсатора между выводами BST и SW (рисунок 10). Этот конденсатор обеспечивает необходимое напряжение для включения верхнего силового MOSFET. При длительной работе с малой разницей между входным и выходным напряжением, когда верхний ключ остается включенным большую часть времени, напряжение на bootstrap-конденсаторе может уменьшиться ниже порога UVLO (2,1 В). В этом случае контроллер кратковременно отключает верхний ключ и включает нижний (не силовой) MOSFET на минимальное значение 200 нс, чтобы перезарядить конденсатор от внутреннего источника VCC. Благодаря этому механизму поддерживается стабильная работа в режиме высокого коэффициента заполнения, что обеспечивает выходное напряжение даже при значительном проседании входного.
Набор защит тут аналогичен тем, что имеются у JWH5140(F) и JWH5141(F): поцикловое ограничение тока, регулируемая UVLO, защита от неконтролируемого роста выходного тока (Output Current Run-Away Protection), защита от КЗ с циклическим перезапуском и защита от перегрева.

Рис. 10. Типовые схемы включения JW5142/JW5143 (а) и JW5142P/JW5143P (б)
Silergy
Компания Silergy также предлагает широкую линейку 100-вольтовых понижающих DC/DC-преобразователей с выходным током до 3 А. Отличительной особенностью является точность установки выходного напряжения ± 1%, частота преобразования до 1 МГц, возможность работы с малым рабочим циклом (высоким соотношением VIN/VOUT) и гибкость использования.
Продуктовая линейка включает семь синхронных и четыре асинхронных понижающих преобразователя (таблица 11). Все представленные микросхемы работают в режиме непрерывного тока (Continuous Conduction Mode, CCM) и реализуют фирменную технологию управления Instant PWM. По своей архитектуре этот метод представляет собой усовершенствованную разновидность COT-регулирования (Constant On-Time), с внутрисхемной эмуляцией выходных пульсаций, используемых в качестве внутреннего тактирующего сигнала для корректной работы контура обратной связи. Благодаря отсутствию необходимости в сложной компенсации и высокой скорости реакции на изменения нагрузки, COT-архитектура обеспечивает исключительно быстрый переходный отклик – качество, которое, вероятно, и легло в основу названия Instant PWM, подчеркивающего мгновенность реакции преобразователя на динамические изменения в нагрузке.
Рассмотрим более подробно, чем отличается фирменный Instant PWM от классического COT. Данная архитектура включает в себя несколько усовершенствований. В то время как традиционные COT-контроллеры требуют прямого подключения к выходному напряжению для детектирования длительности импульса включения (tON), в методе Instant-PWM этот сигнал формируется внутри микросхемы (рисунок 11).

Рис. 11. Архитектура Instant PWM от Silergy
Еще одним важным улучшением является оптимизация работы с выходными керамическими конденсаторами, обладающими очень низким эквивалентным последовательным сопротивлением (ESR). Хотя в большинстве современных приложений предпочтительно использовать именно такие конденсаторы, классические COT-преобразователи могут работать нестабильно, поскольку полезный пилообразный сигнал, создаваемый протеканием тока дросселя через ESR конденсатора, становится слишком малым для надежного детектирования перепадов напряжения, обеспечивающего работу схемы обратной связи.
Именно поэтому в технологии Instant PWM этот сигнал синтезируется внутрисхемно. Внутренний виртуальный пилообразный сигнал суммируется с обратной связью по напряжению и сравнивается с опорным напряжением. Как только эта сумма становится ниже опорного уровня – при условии, что соблюдено минимальное время выключения и ток дросселя (измеряемый через нижний транзистор) не превышает порога ограничения – запускается импульс включения (tON). В этот момент нижний транзистор выключается, а верхний – включается.
В течение периода tON ток дросселя линейно нарастает. По завершении этого интервала верхний транзистор выключается, нижний включается, и ток дросселя начинает плавно спадать. Одновременно запускается таймер минимального времени выключения, обеспечивающий достаточную паузу для стабилизации переходных процессов и корректной работы компаратора обратной связи перед началом следующего цикла. Это минимальное время выключения – достаточно короткое, что позволяет при быстрых скачках нагрузки немедленно повторно запускать импульс tON с минимальной задержкой, обеспечивая быстрое нарастание тока дросселя и мгновенную подачу необходимой энергии в нагрузку.
Для предотвращения сквозных токов (протекания тока через оба транзистора одновременно) между моментами переключения верхнего и нижнего транзисторов автоматически формируется временная задержка (мертвое время, tDEAD).
Таблица 11. Линейка продукции Silergy
| Наименование | Входное напряжение, В | Выходной ток, А | Выходное напряжение, В | Ток покоя, мкА | Частота работы, кГц | Корпус | Синхрон- ный |
Опорное напряжение, В | Температура работы, °C |
|---|---|---|---|---|---|---|---|---|---|
| SY26406SXC | 7,0…100 | 0,6 | up to VIN | – | 200…1000 | DFN4x4-8 | Да | 1,225 ± 2% | -40…85 |
| SY26406FCC | 7,0…100 | 0,6 | up to VIN | – | 200…600 | ESOP8 | Да | 1,225 ± 2% | -40…85 |
| SY21035SXC | 7,0…100 | 0,6 | up to VIN | – | 200…1000 | DFN4x4-8 | Да | 1,225 ± 2% | -40…85 |
| SY21035FCC | 7,0…100 | 0,6 | up to VIN | – | 200…600 | ESOP8 | Да | 1,225 ± 2% | -40…85 |
| SY26407FCC | 7,0…100 | 1,0 | up to VIN | – | 200…600 | ESOP8 | Да | 1,225 ± 2% | -40…85 |
| SY21053FCC | 7,0…100 | 1,0 | up to VIN | – | 200…600 | ESOP8 | Да | 1,225 ± 2% | -40…85 |
| SY21051FCC | 7,0…100 | 1,0 | up to VIN | 400 | 200…1000 | ESOP8 | Да | 1,2 ± 2% | -40…85 |
| SY21034ADC | 4,5…100 | 0,6 | up to VIN | 100 | 200 | SOT23-6 | Нет | 0,6 ± 1% | -40…85 |
| SY21034BADC | 4,5…100 | 1,2 | up to VIN | 100 | 200 | SOT23-6 | Нет | 0,6 ± 1% | -40…85 |
| SY21252FCC | 4,5…100 | 2,0 | up to VIN | 100 | 100…1000 | ESOP8 | Нет | 0,8 ± 1% | -40…85 |
| SY21253FCC | 4,5…100 | 3,0 | up to VIN | 100 | 100…500 | ESOP8 | Нет | 0,8 ± 1% | -40…85 |
В технической документации на ряд преобразователей производитель не приводит прямых данных о токе собственного потребления. Однако на основании косвенных признаков и сравнения с аналогичными по архитектуре и принципу работы решениями, можно оценить этот параметр на уровне 400…500 мкА. Такое значение нельзя считать выдающимся для современных контроллеров подобного класса.
Синхронные преобразователи SY26406x, SY21035x, SY26407FCC, SY21053FCC (первые шесть строчек таблицы 11) выполнены по идентичной схемотехнике и имеют абсолютно одинаковый набор функций и защит:
- Мягкий запуск
- Регулируемая схема UVLO
- Поцикловое ограничение рабочего тока
- Защита от перегрузки и перегрева
- Поцикловое ограничение обратного тока (Cycle-by-cycle Reverse Current Limit)
- Корпус ESOP8 (суффикс «FCC» в конце наименования) и DFN4x4-8 (суффикс «SXC»)
- Регулируемая частота 200 кГц … 1 МГц (SY26406SXC, SY21035SXC и SY21051FCC) и 200 кГц … 600 кГц (SY26406FCC, SY21035FCC, SY26407FCC и SY21053FCC)
Микросхема SY21051FCC имеет очень похожую внутреннюю архитектуру за исключением наличия функции автоматического разряда выходной емкости (Output Auto-Discharge Function), которая срабатывает при отключении стабилизатора по сигналу с вывода VIN или EN, а также при активации защиты от перегрева. Это позволяет быстро снизить уровень выходного напряжения до нуля за минимально возможное время.
Типовая схема включения SY26406x, SY21035x, SY26407FCC, SY21053FCC и SY21051FCC показана на рисунке 12.

Рис. 12. Типовая схема включения синхронных преобразователей Silergy
Производитель в своих документах добавляет несколько нестандартных примеров использования рассматриваемых контроллеров: источник питания на основе топологии Fly-Buck, позволяющей получить дополнительную секцию изолированного от основной схемы напряжения (рисунок 13) и инвертирующий повышающе-понижающий преобразователь (Buck-Boost) (рисунок 14).

Рис. 13. Fly-Buck преобразователь на основе синхронного контроллера от Silergy

Рис. 14. Инвертирующий повышающе-понижающий преобразователь (Buck-Boost)
Автору не удалось выявить существенных различий в технической документации между микросхемами с одинаковыми ключевыми параметрами и идентичными корпусами. Единственным отличительным признаком оказывается дата выпуска технической инструкции – это позволяет предположить, что некоторые наименования устарели. Соответствие между такими названиями приведено в таблице 12. Отдельно обращаем внимание: для внутреннего рынка компания Silergy использует альтернативные обозначения тех же самых микросхем – это дополнительно усложняет идентификацию и может вводить в заблуждение при подборе компонентов.
Таблица 12. Соответствие наименований Silergy
| Старое название | Новое название | Название для внутреннего рынка | Выходной ток, А | Частота работы, кГц | Корпус |
|---|---|---|---|---|---|
| SY21035SXC | SY26406SXC | SQ27000SXC | 0,6 | 200…1000 | DFN4x4-8 |
| SY21035FCC | SY26406FCC | SQ27000FCC | 0,6 | 200…600 | ESOP8 |
| SY21053FCC | SY26407FCC | SQ27001FCC | 1,0 | 200…600 | ESOP8 |
Следует отметить, что синхронные понижающие преобразователи от Silergy не поддерживают отдельный режим энергосбережения (например, PSM или режим пропуска импульсов) при очень малой нагрузке. В результате их КПД значительно снижается, когда выходной ток падает ниже 5…10% от номинального значения. Частично эта проблема компенсируется наличием функции поциклового ограничения обратного тока. Эта схема отслеживает ток через нижний MOSFET и отключает его, как только ток достигает нуля или становится отрицательным, предотвращая протекание тока от земли к выходу. Это позволяет избежать излишних потерь и улучшает эффективность в режиме малой нагрузки.
Алгоритм защиты от перегрузки основан на контроле тока индуктора в режиме cycle-by-cycle. При возникновении перегрузки, если выходное напряжение падает ниже 33% от номинального значения, контроллер активирует режим foldback и снижает порог ограничения тока в минимуме (Value Current Limit) до 50% от типичного значения. Это позволяет ограничить ток через силовые компоненты и предотвратить перегрев при сильной перегрузке или коротком замыкании.
Рассмотрим теперь серию асинхронных преобразователей: SY21034ADC, SY21034BADC, SY21252FCC и SY21253FCC. В отличие от ранее описанных решений, эти микросхемы реализуют уникальный гибридный метод управления – контроль постоянного времени выключения (Constant Off-Time) в сочетании с режимом управления по пиковому току (Peak Current Mode, PCM).
Такой подход сочетает в себе преимущества обоих методов, обеспечивая высокую динамическую реакцию на изменения нагрузки, стабильность работы и упрощенную схемотехнику. Особое достоинство этого решения – возможность устойчивой работы в режиме глубокой непрерывной проводимости (deep CCM) без необходимости применения компенсационных цепей коррекции наклона. Более того, данный метод по своей природе устраняет склонность к субгармоническим колебаниям, характерную для классического PCM в CCM-режиме. Таким образом, управление с постоянным временем выключения и пиковым контролем тока можно рассматривать как эволюционное развитие традиционного PCM – более совершенное, надежное и устойчивое к нестабильностям, что позволяет его использовать в современных, надежных и стабильных высокоточных источниках питания, работающих на динамичную нагрузку.
Работает это так: после окончания фиксированного периода выключения (tOFF) контроллер включает верхний MOSFET, и ток через индуктивность начинает расти. Контроллер постоянно отслеживает величину этого тока, и как только он достигает порогового значения, определяемого сигналом VCOMP (напряжением компенсации, пропорциональным отклонению выходного напряжения от заданного), контроллер выключает MOSFET и в течение строго заданного времени tOFF силовой ключ остается выключенным, после чего цикл повторяется. Величина tOFF автоматически подстраивается в зависимости от входного и выходного напряжений и требуемой частоты переключения (fSW), формула 1:
$$t_{OFF}=\frac{1-\frac{V_{OUT}}{V_{IN}}}{f_{SW}}\qquad{\mathrm{(}}{1}{\mathrm{)}}$$
Динамику при изменении нагрузки можно описать следующим образом. При увеличении нагрузки выходное напряжение падает → VCOMP растет → порог тока повышается → tON увеличивается → больше энергии передается → напряжение восстанавливается. При уменьшении нагрузки напряжение растет → VCOMP снижается → порог тока понижается → tON уменьшается → меньше энергии передается.
Микросхемы SY21034ADC и SY21034BADC в компактном корпусе SOT23-6 представляют собой базовые импульсные регуляторы напряжения (рисунок 15), отличающиеся высокой надежностью и встроенной защитой. Они работают с фиксированной частотой, оснащены схемой UVLO, плавным пуском, функцией поциклового ограничения тока для защиты от перегрузок, а также схемами защиты от перегрева и короткого замыкания с режимом циклического перезапуска – так называемой «икотой», обеспечивающей безопасное восстановление после аварийных ситуаций.

Рис. 15. Схема включения SY21034ADC и SY21034BADC
Более мощные и функциональные решения – контроллеры SY21252FCC и SY21253FCC в корпусе ESOP-8 – расширяют возможности базовых моделей. Помимо всех перечисленных функций, они позволяют гибко настраивать частоту переключения в диапазоне 100 кГц…1 МГц (для SY21252FCC) и 100 кГц…500 кГц (для SY21253FCC), а также оснащены выходом Powergood, сигнализирующим о стабильности выходного напряжения (рисунок 16).

Рис. 16. Схема включения SY21252FCC и SY21253FCC (имеется регулировка частоты и вывод Powergood)
Общая таблица
Для наглядного сопоставления ключевых параметров преобразователей удобно объединить их в единую таблицу, что упрощает анализ и выбор подходящего решения. Однако в приведенных ранее таблицах, из-за ограниченного объема места, отсутствует схема расположения выводов (pinout), которая особенно важна на этапе проектирования. Наличие этой информации позволило бы разработчику не только оценить удобство трассировки печатной платы, но и подобрать аналог с совместимой конфигурацией выводов – например, для замены уже используемого в проекте DC/DC-преобразователя без необходимости переработки топологии платы. Все рассматриваемые микросхемы представлены в таблице 13.
Таблица 13. 100-вольтовые преобразователи от азиатских производителей
| Наименование | Входное напряжение, В | Выходной ток, А | Частота работы, кГц | Корпус | Синхрон- ный |
Pinout |
|---|---|---|---|---|---|---|
| TPP00031-ES1R (3PEAK) | 4,5…100 | 0,3 | Min On-Time 100 ns | ESOP8 | Да | GND-VIN-UVLO-RON-FB-VCC-BST-SW |
| TPP00031-DF6R (3PEAK) | 4,5…100 | 0,3 | Min On-Time 100 ns | DFN3x3-8 | Да | GND-VIN-UVLO-RON-FB-VCC-BST-SW |
| TPP00032-ES1R (3PEAK) | 4,5…100 | 0,3 | Min On-Time 100 ns | ESOP8 | Да | GND-VIN-UVLO-RON-FB-VCC-BST-SW |
| TPP00032-DF6R (3PEAK) | 4,5…100 | 0,3 | Min On-Time 100 ns | DFN3x3-8 | Да | GND-VIN-UVLO-RON-FB-VCC-BST-SW |
| NSR10A0 (Novosense) | 9,0…100 | 0,5 | Min Off-Time 300 ns | MSOP8 | Нет | SW-BST-TLIM-GND-FB-RON-VCC-VIN |
| CJ92900-M6N (JSCJ) | 4,5…100 | 0,5 | 550 | SOT23-6 | Нет | BST-GND-FB-EN-VIN-SW |
| CJ92911-M6N (JSCJ) | 4,5…100 | 1,0 | 460 | SOT23-6 | Нет | BST-GND-FB-EN-VIN-SW |
| CJ92910-PBN (JSCJ) | 4,5…100 | 1,0 | 300/500/800 | ESOP8 | Да | GND-VIN-EN-SET-FB-NC-BST-SW |
| CJ92920-PBN (JSCJ) | 4,5…100 | 1,5 | 300/500/800 | ESOP8 | Да | GND-VIN-EN-SET-FB-NC-BST-SW |
| CJ92930-PBN (JSCJ) | 4,5…100 | 3,5 (peak) | 150/240/420 | ESOP8 | Нет | FB-NC-VIN-BST-SW-SET-EN-GND |
| JWH5140DFNI#TR (JoulWatt) | 6,0…100 | 0,6 | 100…1000 | DFN4x4-8 | Да | GND-VIN-EN-RT-FB-VCC-BST-SW |
| JWH5140FDFNI#TR (JoulWatt) | 6,0…100 | 0,6 | 100…1000 | DFN4x4-8 | Да | GND-VIN-EN-RT-FB-VCC-BST-SW |
| JWH5140ESOP#TR (JoulWatt) | 6,0…100 | 0,6 | 100…1000 | ESOP8 | Да | GND-VIN-EN-RT-FB-VCC-BST-SW |
| JWH5140FESOP#TR (JoulWatt) | 6,0…100 | 0,6 | 100…1000 | ESOP8 | Да | GND-VIN-EN-RT-FB-VCC-BST-SW |
| JWH5141ESOP#TRPBF (JoulWatt) | 6,0…100 | 1,0 | 100…1000 | ESOP8 | Да | GND-VIN-EN-RT-FB-VCC-BST-SW |
| JWH5141FESOP#TRPBF (JoulWatt) | 6,0…100 | 1,0 | 100…1000 | ESOP8 | Да | GND-VIN-EN-RT-FB-VCC-BST-SW |
| JW5142ESOP#TR (JoulWatt) | 6,0…100 | 1,5 (2,5 peak) |
300 | ESOP8 | Нет | FB-NC-VIN-BST-SW-NC-EN-GND |
| JW5142PESOP#TR (JoulWatt) | 6,0…100 | 1,5 (2,5 peak) |
100…600 | ESOP8 | Нет | GND-VIN-EN-RT-FB-PG-BST-SW |
| JW5143ESOP#TR (JoulWatt) | 6,0…100 | 1,5 (3,5 peak) |
300 | ESOP8 | Нет | FB-NC-VIN-BST-SW-NC-EN-GND |
| JW5143PESOP#TR (JoulWatt) | 6,0…100 | 1,5 (3,5 peak) |
100…600 | ESOP8 | Нет | GND-VIN-EN-RT-FB-PG-BST-SW |
| SY26406SXC (Silergy) | 7,0…100 | 0,6 | 200…1000 | DFN4x4-8 | Да | GND-VIN-EN-RON-FB-VCC-BST-SW |
| SY26406FCC (Silergy) | 7,0…100 | 0,6 | 200…600 | ESOP8 | Да | NC-VIN-EN-RON-FB-VCC-BST-SW |
| SY21035SXC (Silergy) | 7,0…100 | 0,6 | 200…1000 | DFN4x4-8 | Да | GND-VIN-EN-RON-FB-VCC-BST-SW |
| SY21035FCC (Silergy) | 7,0…100 | 0,6 | 200…600 | ESOP8 | Да | NC-VIN-EN-RON-FB-VCC-BST-SW |
| SY26407FCC (Silergy) | 7,0…100 | 1,0 | 200…600 | ESOP8 | Да | NC-VIN-EN-RON-FB-VCC-BST-SW |
| SY21053FCC (Silergy) | 7,0…100 | 1,0 | 200…600 | ESOP8 | Да | NC-VIN-EN-RON-FB-VCC-BST-SW |
| SY21051FCC (Silergy) | 7,0…100 | 1,0 | 200…1000 | ESOP8 | Да | NC-VIN-EN-RON-FB-VCC-BST-SW |
| SY21034ADC (Silergy) | 4,5…100 | 0,6 | 200 | SOT23-6 | Нет | BST-GND-FB-EN-VIN-SW |
| SY21034BADC (Silergy) | 4,5…100 | 1,2 | 200 | SOT23-6 | Нет | BST-GND-FB-EN-VIN-SW |
| SY21252FCC (Silergy) | 4,5…100 | 2,0 | 100…1000 | ESOP8 | Нет | VIN-EN-FREQ-GND-FB-PG-BS-SW |
| SY21253FCC (Silergy) | 4,5…100 | 3,0 | 100…500 | ESOP8 | Нет | VIN-EN-FREQ-GND-FB-PG-BS-SW |
Рассмотренные в статье понижающие DC/DC-преобразователи с входным напряжением до 100 В представляют собой надежные решения для промышленных и профессиональных применений. Они отличаются высокой степенью интеграции, режимом управления с постоянной длительностью включения (COT) или его усовершенствованными версиями, что обеспечивает быстрый переходный отклик и отсутствие необходимости во внешней компенсации. Современные архитектуры включают комплексную защиту от перенапряжения, перегрева, перегрузки по току и неконтролируемого роста выходного тока, а также гибкие настройки частоты и режимов работы. Такие понижающие DC/DC-преобразователи могут применяться в компактных, эффективных и стабильных источниках питания.
Наши информационные каналы