100-вольтовые понижающие DC/DC-преобразователи от основных азиатских производителей. Часть 1
31 октября 2025
Николай Вашкалюк (КОМПЭЛ)
Современные понижающие DC/DC-преобразователи со входным напряжением до 100 В и встроенным силовым ключом, характеризующиеся высокой степенью интеграции, полным набором защит и высокой частотой переключения, предназначены для ответственных применений в промышленной автоматике, умных счетчиках, автомобильной и телекоммуникационной аппаратуре. Статья из двух частей поможет выбрать решения, предлагаемые китайскими компаниями 3PEAK, Novosense, JSCJ, JoulWatt и Silergy.
Широкий спектр современных технологий – от промышленного оборудования, функционирующего в сетях 24/48 В, до телекоммуникационных систем и сетевого электропитания, от аккумуляторных электроинструментов до электрического транспорта (велосипедов, самокатов, скутеров), от автомобильных приложений (GPS-навигация, сигнализации, бортовые системы) до высоковольтных преобразователей, распределенных энергосистем (солнечные панели, ветрогенераторы) и комплексных систем накопления энергии – все они активно задействуют DC/DC-преобразователи с расширенным диапазоном входного напряжения (от 60 В и выше). Применение преобразователей с запасом по напряжению позволяет проектировать источники питания, соответствующие строгим требованиям отраслевых стандартов. Такие решения упрощают реализацию цепей защиты от импульсных перенапряжений, снижают общую стоимость конечного продукта и открывают возможность создания универсальных, гибких в применении источников, адаптированных к разнообразным эксплуатационным условиям.
В данной статье будут рассмотрены современные монолитные (со встроенным силовым ключом) понижающие DC/DC-преобразователи со входным напряжением до 100 В, характеризующиеся высокой степенью интеграции, полным набором защит и высокой частотой переключения – от 200 кГц и выше. Такие решения предназначены для ответственных применений, где критичны надежность, компактность и стабильность: промышленная автоматика, умные счетчики, автомобильная и телекоммуникационная аппаратура.
Анализ не охватывает простые PWM-преобразователи, несмотря на их работу при высоком входном напряжении. Эти микросхемы ориентированы на неизолированные или изолированные AC/DC-источники на базе Flyback-топологии, такие как светодиодные драйверы или чувствительные к цене источники питания для нетребовательной нагрузки, и имеют принципиальные ограничения: высокое пороговое напряжение запуска (не менее 15…20 В), низкая частота переключения (обычно до 150 кГц), зависимость от внешнего питания (через вспомогательную обмотку для формирования напряжения VDD). А такие признаки, как наличие одного или нескольких выводов DRAIN, встроенная высоковольтная (HV) схема запуска – указывают на архитектуру, не предназначенную для современных неизолированных DC/DC-систем в ответственных применениях.
Также в статье не приводятся сравнительные данные по КПД преобразователей. Это обусловлено тем, что все рассматриваемые решения обладают высокой эффективностью (90% и выше) в типовых режимах работы. Кроме того, сравнение КПД по единой методике (одинаковые VIN, VOUT, IOUT, частота, нагрузка) выходит за рамки данной статьи и требует отдельного тестового стенда. Цель работы – архитектурный и функциональный анализ, призванный помочь разработчику выбрать решение, пригодное для реальных проектов. Поэтому акцент сделан на современных, защищенных, высокочастотных преобразователях, соответствующих требованиям промышленных и профессиональных приложений.
Управление с постоянной длительностью включения (COT)
Подавляющая часть преобразователей с ультрашироким входом, в том числе и рассматриваемые в данной статье, функционируют в режиме управления с постоянной длительностью включения (COT, Constant On-Time Control) и его разновидностей. По сравнению с традиционными методами – токовым режимом управления (CMC, Current Mode Control) и управлением по напряжению (VMC, Voltage Mode Control) – режим COT демонстрирует ряд существенных преимуществ: он обеспечивает более высокую эффективность управления, не требует сложных компенсационных цепей и отличается исключительно быстрым переходным откликом. Это особенно важно в приложениях, где критичны строгие допуски по стабильности выходного напряжения. При резких изменениях нагрузки время переходного процесса в COT-регуляторах сокращается почти вдвое по сравнению с классическими решениями на основе CMC- и VMC-управления, а для достижения требуемой динамики реакции на нагрузку можно использовать меньшую емкость, что позволяет сократить габариты и стоимость решения.
Еще одно важное преимущество архитектуры COT-управления проявляется при работе с малыми нагрузками: в таких условиях частота импульсов автоматически снижается, что позволяет сохранять высокий КПД. В отличие от традиционных схем с фиксированной частотой переключения – таких как VMC или CMC, где тактовый генератор активен постоянно – COT-регулятор формирует импульсы только по мере необходимости, строго в соответствии с потребностями нагрузки. Это кардинально снижает количество ненужных переключений, а вместе с ним – и динамические потери. В результате DC/DC-преобразователи с COT-управлением демонстрируют исключительно высокий КПД в режимах малой нагрузки и холостого хода.

Рис. 1. Переходная реакция COT-регулятора на ступенчатую нагрузку по сравнению со схемой управления токовым режимом
На рисунке 1 приведено наглядное сравнение поведения CMC- и COT-регуляторов при одинаковом скачке тока нагрузки. В отличие от токового режима, где переключение происходит с фиксированной частотой и реакция на изменение нагрузки откладывается до следующего такта, COT-управление мгновенно реагирует на отклонение напряжения, увеличивая частоту коммутации. Благодаря этому ток дросселя быстрее подстраивается под потребление нагрузки, значительно сокращая временной зазор между скачком и реакцией на него. Такой подход не только минимизирует просадку выходного напряжения, но и эффективно подавляет его выбросы, обеспечивая более плавную и стабильную работу преобразователя в динамических режимах.
При использовании COT выходное напряжение измеряется через резисторы обратной связи (рисунок 2), и минимальная амплитуда выходного пульсирующего напряжения напрямую сравнивается с опорным напряжением VREF для формирования фиксированного по длительности импульса, открывающего МОП-транзистор (MOSFET) верхнего плеча. По истечении времени этого импульса транзистор верхнего плеча выключается, а MOSFET нижнего плеча открывается.

Рис. 2. Архитектура COT (Constant-On-Time)
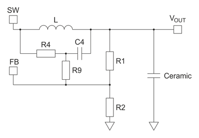
Благодаря такой дискретной работе схемы управления, архитектура COT, в отличие от традиционных CMC и VMC, не требует компенсации цепи управления, что уменьшает общее количество компонентов схемы и устраняет трату времени на настройку значений компенсации. Однако, чтобы контроллер с режимом COT работал стабильно и без дрожания (ложных срабатываний), на его входе обратной связи должен быть хорошо заметный перепад (изменение) напряжения. Для этого нарастание выходного сигнала (напряжения) должно быть больше, чем любой случайный шум на входе обратной связи. Если выходные конденсаторы имеют достаточно высокое эквивалентное последовательное сопротивление (ESR), то нарастание напряжения обратной связи (или, по-другому, выходные пульсации), вызванное этим ESR, доминирует над меньшим последовательным сопротивлением индуктора. В качестве таких конденсаторов могут применяться электролитические или танталовые. В этом случае достаточно использовать простой резистивный делитель в цепи обратной связи (рисунок 2). Если уровень пульсаций на выходе преобразователя имеет первостепенное значение, то предпочтительно использовать керамические конденсаторы с низким ESR. Но тогда для создания необходимого пилообразного напряжения на входе обратной связи нужно использовать дополнительную схему генератора пилообразного сигнала (рисунок 3).

Рис. 3. Пример дополнительной генерации пилообразного напряжения при использовании Low-ESR конденсаторов на выходе преобразователя
Следует отметить, что COT – это базовый метод работы преобразователя, основная проблема которого заключается в зависимости частоты переключения от соотношения входного (VIN) и выходного (VOUT) напряжений, а также от величины нагрузки. При высоком VIN и низком VOUT импульсы становятся очень короткими и может не хватить времени для корректной работы драйвера или схемы задержки. Это ограничивает минимальную длительность импульса и может привести к пропуску тактов или нестабильности. Поэтому на сегодняшний день существует много вариаций этой архитектуры, каждая из которых решает свои задачи.
Рассмотрение этих методов управления выходит за рамки данной статьи, но отметим, что самой популярной модификацией COT является ACOT (Adaptive Constant On-Time). Это адаптивный режим, в котором длительность включения не фиксирована, а автоматически подстраивается под текущие условия (входное напряжение, выходное напряжение, частоту). ACOT генерирует почти постоянную частоту переключения, адаптируя длительность включения так, чтобы она соответствовала текущему соотношению VIN /VOUT. Главный плюс такого решения – оно устраняет проблему минимальной длительности импульса и имеет стабильную и предсказуемую частоту переключения, что удобно для фильтрации и ЭМС.
Далее перейдем к более детальному рассмотрению 100-вольтовых понижающих преобразователей, которые выпускают азиатские производители.
3PEAK (TPP00031 и TPP00032)
Начнем с продукции компании 3PEAK, представленной двумя сериями синхронных понижающих преобразователей – TPP00031 и TPP00032, способных обеспечивать выходной ток до 300 мА. Основное различие между ними заключается в алгоритме работы при малой нагрузке, что позволяет выбрать оптимальное решение в зависимости от приоритетов проектирования:
- TPP00031 работает в режиме принудительного ШИМ (Forced PWM) с постоянной частотой переключения, что обеспечивает минимальный уровень выходных пульсаций – оптимально для чувствительных аналоговых нагрузок, где важна стабильность напряжения.
- TPP00032 использует режим пропуска импульсов (Pulse Skip Mode), который повышает эффективность преобразования при малых токах нагрузки, снижая энергопотребление и продлевая время автономной работы – подходит для энергосберегающих приложений.
Основные параметры приведены в таблице 1, оба преобразователя выпускаются в корпусах ESOP8 и DFN3x3-8 и работают по методу ACOT.
Таблица 1. Преобразователи от 3PEAK
| Наименование | Входное напряжение, В | Выходной ток, А | Выходное напряжение, В | Ток покоя, мкА | Частота работы | Корпус | Синхрон- ный |
Опорное напряжение, В | Температура работы, °C |
|---|---|---|---|---|---|---|---|---|---|
| TPP00031-ES1R | 4,5…100 | 0,3 | 1,225…100 | 400 | Min On-Time 100 ns | ESOP8 | Да | 1,2 ± 2% | -40…125 |
| TPP00031-DF6R | 4,5…100 | 0,3 | 1,225…100 | 400 | Min On-Time 100 ns | DFN3x3-8 | Да | 1,2 ± 2% | -40…125 |
| TPP00032-ES1R | 4,5…100 | 0,3 | 1,225…100 | 125 | Min On-Time 100 ns | ESOP8 | Да | 1,2 ± 2% | -40…125 |
| TPP00032-DF6R | 4,5…100 | 0,3 | 1,225…100 | 125 | Min On-Time 100 ns | DFN3x3-8 | Да | 1,2 ± 2% | -40…125 |
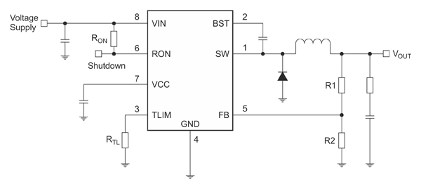
Следует обратить внимание, что в типовой схеме включения (рисунок 4) уже имеется схема дополнительной генерации пилообразного напряжения, аналогичная той, что показана на рисунке 3, таким образом, TPP0003x может работать с Low-ESR конденсаторами и иметь низкие пульсации на выходе.
Для корректной работы преобразователя важно правильно выбрать резистор RON. Его значение должно обеспечивать минимальную длительность импульса включения не менее 100 нс при максимальном входном напряжении. Данное требование может ограничивать максимальную частоту коммутации при высоком VIN, поэтому необходимо учитывать это обстоятельство на этапе проектирования.
Микросхемы TPP0003x оснащены встроенным линейным регулятором, позволяющим питать внутреннюю схему напрямую от входного напряжения до 100 В, но при подаче внешнего питания 5…30 В на вывод VCC внутренний стабилизатор отключается, снижая тепловыделение и повышая КПД в высоковольтных приложениях.
TPP0003x отличаются низким током потребления: всего 125 мкА (TPP00032) и 400 мкА (TPP00031) в активном режиме, а в режиме отключения – лишь 5 мкА, что делает ее подходящей для энергосберегающих решений. Дополняют функциональность интегрированный плавный пуск длительностью 2 мс, а также комплекс систем защиты: UVLO, OCP, OVP (на выходе), OTP.

Рис. 4. Типовая схема включения TPP00031 и TPP00032
Существует и оценочная плата, внешний вид которой показан на рисунке 5.

Рис. 5. Оценочная плата TPP00032 EVM
Novosense (NSR10A01)
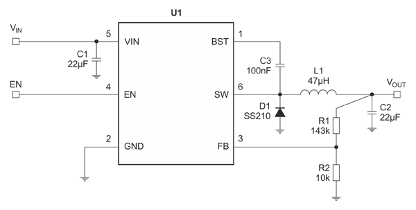
Компания Novosense недавно выпустила асинхронный 100-вольтовый понижающий преобразователь NSR10A01 в корпусе MSOP8, который является усовершенствованным Pin-to-Pin аналогом популярных западных контроллеров xM5007MM, xM5008MM и xM5009MM.
Микросхема работает в режиме ACOT с входным напряжением от 9 до 100 В и выходным током до 500 мА (таблица 2). Ранее мы публиковали новость о поступлении NSR10A01 на наш склад, где рассмотрели данный преобразователь более подробно. Ознакомиться с материалом можно по ссылке.
Таблица 2. Основные параметры NSR10A01 (Novosense)
| Наименование | Входное напряжение, В | Выходной ток, А | Выходное напряжение, В | Ток покоя, мкА | Частота работы | Корпус | Синхронный | Опорное напряжение, В | Температура работы |
|---|---|---|---|---|---|---|---|---|---|
| NSR10A01 | 9,0…100 | 0,5 | up to VIN | 100 | Min Off-Time 300 ns | MSOP8 | Нет | 2,5 ± 2% | -40…125°C (J)* |
* Температура работы кристалла (Operating Junction Temperature)
Следует отметить, что в отличие от продукции 3PEAK, характеристики которой включают параметр минимального времени включения (Min On-Time), определяемого скоростью срабатывания компаратора, задержками драйвера затвора и нарастанием тока в индуктивности, у контроллера Novosense ключевым ограничением является минимальное время выключения (Min Off-Time).
Этот параметр типичен для асинхронных понижающих преобразователей с внешним диодом и обусловлен необходимостью полной перезарядки бутстрепного конденсатора (Bootstrap Capacitor- между первым и вторым выводом на рисунке 6) в каждом цикле. Без достаточного времени выключения этот конденсатор не успевает зарядиться, что приводит к недостаточному напряжению на затворе верхнего транзистора и, как следствие, к его неполному открытию и возможному перегреву.
Таким образом, ограничение по tOFF(min) напрямую влияет на максимально достижимую частоту переключения, особенно в условиях низкого входного напряжения, когда время включения велико, а время выключения – минимально. Кроме того, данный параметр особенно критичен при работе в режиме прерывистой проводимости (DCM), который NSR10A01 активно использует на легких нагрузках для повышения эффективности.

Рис. 6. Типовая схема включения NSR10A01
Чтобы обеспечить надежную работу NSR10A01, как и в случае любого другого асинхронного преобразователя, рекомендуется использовать мощный диод Шоттки с низким прямым падением напряжения и высокой скоростью переключения. Номинальное напряжение диода должно превышать максимальное выходное напряжение микросхемы, а его средний и пиковый ток – быть выше соответствующих значений выходного тока преобразователя.
JSCJ (CJ929xx)
В последнее время в ассортименте этого производителя появилось пять 100-вольтовых микросхем с выходным током от 500 мА до 1,5 А (таблица 3). Все решения построены по технологии ACOT с фиксированной частотой переключения и имеют некоторые отличия во внутренней структуре и функциональности.
Таблица 3. Серия 100-вольтовых DC/DC-преобразователей JSCJ
| Наименование | Входное напряжение, В | Выходной ток, А | Выходное напряжение, В | Ток покоя, мкА | Частота работы, кГц | Корпус | Синхрон- ный |
Опорное напряжение, В | Температура работы, °C |
|---|---|---|---|---|---|---|---|---|---|
| CJ92900-M6N | 4,5…100 | 0,5 | 0,8…24 | 180 | 550 | SOT23-6 | Нет | 0,788 ± 1,5% | -40…125 |
| CJ92911-M6N | 4,5…100 | 1,0 | 0,8…24 | 180 | 460 | SOT23-6 | Нет | 0,78 ± 1,5% | -40…125 |
| CJ92910-PBN | 4,5…100 | 1,0 | 0,8…28 | 240 | 300/500/800 | ESOP8 | Да | 0,78 ± 1,5% | -40…125 |
| CJ92920-PBN | 4,5…100 | 1,5 | 0,8…28 | 240 | 300/500/800 | ESOP8 | Да | 0,78 ± 1,5% | -40…125 (J)* |
| CJ92930-PBN | 4,5…100 | 3,5 (peak) | 0,8…28 | 190 | 150/240/420 | ESOP8 | Нет | 0,78 ± 1,5% | -40…125 |
* Температура работы кристалла (Operating Junction Temperature)
Базовая версия контроллеров, выполненных в компактном корпусе SOT23-6 (CJ92900-M6N и CJ92911-M6N – первые две позиции в таблице 3), оснащена комплексом защитных функций, обеспечивающих надежную и безопасную работу в различных условиях. Среди них – поцикловое ограничение тока (cycle-by-cycle current limit), позволяющее точно контролировать токовый режим преобразователя; схема защиты от короткого замыкания с режимом циклического перезапуска (так называемый «режим икоты», hiccup mode), минимизирующая энергопотребление и тепловые нагрузки при аварии; термозащита (OTP) и блокировка при пониженном напряжении питания (UVLO), предотвращающая некорректную работу на этапе включения или при нестабильном входе.

Рис. 7. Типовая схема включения CJ92900-M6N и CJ92911-M6N
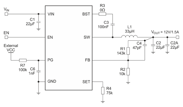
Преобразователи в корпусе ESOP8 (стандартный 8-выводной планарный корпус (SOP8) с дополнительным открытым термопадом для эффективного отвода тепла) – CJ92910-PBN и CJ92920-PBN – предлагают более продвинутую функциональность по сравнению с младшими моделями в корпус SOT23-6. Благодаря синхронной топологии выходного каскада они обеспечивают повышенный КПД и повышенную динамику регулирования.
К ключевым особенностям данных решений относится расширенный набор защитных функций: в дополнение к базовым механизмам добавлены защита от перенапряжения на выходе (OVP) и защита от обрыва цепи обратной связи, что гарантирует надежность в сложных эксплуатационных условиях и предотвращает повреждение нагрузки при отказе внешних компонентов.
Особого внимания заслуживает гибкость настройки: с помощью всего одного вывода SET можно выбрать одну из трех фиксированных частот переключения, а также задать режим работы на малой нагрузке – либо энергоэффективный режим пропуска импульсов, либо режим принудительного ШИМ для минимизации пульсаций (таблица 4).
Таблица 4. Частота коммутации и режим работы CJ92910-PBN и CJ92920-PBN в зависимости от сопротивления на выводе SET
| Вывод SET | Режим работы на малой нагрузке | Частота коммутации, кГц |
|---|---|---|
| Вывод соединен с GND | FPWM | 300 |
| Резистор RSET = 18,7 кОм | FPWM | 500 |
| Резистор RSET = 37,4 кОм | FPWM | 800 |
| Резистор RSET = 75 кОм | PFM | 300 |
| Резистор RSET = 150 кОм | PFM | 500 |
| Вывод не подключен (float) | PFM | 800 |
В режиме принудительного ШИМ (FPWM) частота переключения микросхемы остается практически неизменной независимо от уровня тока нагрузки. Это способствует снижению пульсаций выходного напряжения при малой нагрузке и упрощает проектирование фильтра, предназначенного для подавления шумов силового каскада. Тем не менее из-за повышенной частоты переключения внутренних силовых МОП-транзисторов энергоэффективность в условиях малой нагрузки оказывается ниже, чем в режиме ЧИМ (PFM). В свою очередь, режим PFM предлагает более высокую энергоэффективность, но в качестве компромисса сопровождается увеличенными пульсациями выходного напряжения. Таким образом, выбор между FPWM и PFM зависит от приоритетов: стабильность и чистота сигнала или максимальная эффективность при небольшой или отсутствующей нагрузке.
Обращаем внимание, что микросхемы CJ92910-PBN и CJ92920-PBN имеют интегрированную схему заряда бутстрепного конденсатора, необходимую для схемы синхронного выпрямления, которая работает в режиме частотно-импульсной модуляция (ЧИМ или PFM) на малой нагрузке. Дело в том, что в таком режиме нижний силовой транзистор может длительное время оставаться закрытым, пропуская импульсы, что приводит к разрыву цепи заряда бутстрепного конденсатора. Это, в свою очередь, угрожает стабильности питания драйвера верхнего ключа и может нарушить его функционирование. Напомним, что в несинхронных преобразователях подобная проблема отсутствует – внешний диод обеспечивает непрерывный путь для зарядного тока конденсатора, соединяя его напрямую с общим проводом («землей») вне зависимости от состояния силового ключа.

Рис. 8. Типовая схема включения CJ92920-PBN
Самым мощным решением в данной линейке является преобразователь CJ92930-PBN, обеспечивающий пиковый выходной ток до 3,5А, выполненный по несинхронной схеме, архитектура которого ближе к базовым ИМС в корпусе SOT23-6. В таблице 5 представлено сравнение всех рассматриваемых преобразователей по ключевым функциональным возможностям и особенностям схемотехнического построения.
Таблица 5. Сравнение линейки преобразователей JSCJ
| Особенности | CJ92900-M6N | CJ92911-M6N | CJ92910-PBN | CJ92920-PBN | CJ92930-PBN |
|---|---|---|---|---|---|
| Схема мягкого пуска | Есть | Есть | Есть | Есть | Есть |
| Поцикловое ограничение тока | Есть | Есть | Есть | Есть | Есть |
| Защита от КЗ с режимом «икоты» | Есть | Есть | Есть | Есть | Есть |
| Защита от перегрева | Есть | Есть | Есть | Есть | Есть |
| Блокировка при пониженном напряжении питания | Есть | Есть | Есть | Есть | Есть |
| Схема защиты от превышения напряжения на выходе | – | – | Есть | Есть | – |
| Защита от обрыва цепи обратной связи | – | – | Есть | Есть | – |
| Выбор рабочей частоты | – | – | Есть | Есть | Есть |
| Выбор режима работы на малой нагрузке | – | – | Есть | Есть | – |
| Встроенная схема заряда бутстрепного конденсатора | – | – | Есть | Есть | Есть |
| Синхронный выход | – | – | Есть | Есть | – |
| Выход Powergood | – | – | – | Есть | – |
В следующей части подробно рассмотрим DC/DC-преобразователи от Joulwatt и Silergy, а так же приведем общую таблицу со схемой расположения выводов (pinout) каждой из микросхем. Такая информация будет полезна не только для подбора Pin-to-Pin аналога, но и для оценки трассировки будущей печатной платы.
Наши информационные каналы