Изолированные интеллектуальные драйверы затвора от Novosense для ответственных применений
12 марта 2024
Николай Вашкалюк (Компэл)
Компания Novosense, один из ведущих китайских производителей гальванических изоляторов, предлагает серию одноканальных изолированных интеллектуальных драйверов затвора NSi66x1A/NSi68515xC, выполненных в широком корпусе SO16-300 (SO16W) и предназначенных для высокопроизводительных систем с повышенной надежностью и высокой удельной мощностью.
Драйверы могут управлять IGBT, MOSFET, в том числе карбид-кремниевым полевым транзистором (SiC MOSFET), и обеспечивают полный комплекс защит для безопасной работы силового ключа. В линейке имеются микросхемы с раздельными выходами OUTH и OUTL для индивидуального управления продолжительностью нарастания и спада выходного сигнала. Максимальный выходной ток до ±5 А для NSi68515xC и до ±10 А для серии NSi66x1A. Размах выходного напряжения может достигать значения уровня шин питания («rail-to-rail output»), а высокая степень надежности изолятора подтверждается улучшенной стойкостью к синфазным помехам (CMTI) с минимальным значением, равным ±150 кВ/мкс.
NSi66x1A включает в себя такие важные функции защиты, как блокировка при пониженном напряжении (UVLO), подавление эффекта Миллера, вывод из насыщения («DESAT» – desaturation), защита от короткого замыкания и мягкое отключение. В случае короткого замыкания или срабатывания схемы UVLO на выводе «FLT» (Fault) появляется низкий уровень, сигнализирующий о появлении критической ошибки в работе системы.
Функция активного короткого замыкания «ASC» (active short circuit), которая имеется только у NSi6611ASC-DSWR, используется для принудительного включения транзистора, игнорирующего входные сигналы драйвера. Пример такой ситуации – действие повышенного напряжения на схему коммутации/питания, обусловленное выбегом электродвигателя (нагрузки системы) и перекачкой энергии обратно к источнику питания через внутренние диоды MOSFET. В этом случае внешняя схема контроля напряжения детектирует повышенное значение на шинах питания и активирует систему ASC, которая будет принудительно «тормозить» электродвигатель открытием одного из транзисторов верхнего или нижнего плеча, тем самым уменьшая паразитную генерацию энергии до безопасного уровня.
Особенности:
- Напряжение изоляции 5,7 кВ (среднеквадратичное)
- Питание первичной стороны до 32 В со схемой блокировки от пониженного напряжения (UVLO)
- Выходной ток драйвера ±5 А/±10 А для серии NSi68515xC/NSi66x1A соответственно
- Высокая стойкость к синфазным помехам ±150 кВ/мкс
- Функция активного короткого замыкания ASC (active short circuit) (только для NSi6611ASC-DSWR)
- Высокое быстродействие схемы вывода из насыщения (DESAT)
- Мониторинг состояние работы микросхемы (выводы Fault и Ready)
- Типовая задержка распространения 80…100 нс
- Мягкое выключение током 140 мА/400 мА (NSi68515xC/NSi66x1A)
- Максимальное искажение длительности импульса 100 нс/30 нс (NSi68515xC/NSi66x1A)
- Схема активного подавления эффекта Миллера
- Автоматический сброс (только для NSi68515xC)
- Выход сигнала о срабатывание схемы UVLO (только для NSi68515UC-DSWR)
- Температурный диапазон работы -40…125°C
- Широкий корпус SO16-300 (SOW16)
- Квалификация AEC-Q100 для автомобильного применения
Примеры применений NSi66x1A / NSi68515xC: тяговые инверторы для электромобилей, зарядные устройства для гибридных авто- и электромобилей, промышленные приводы электродвигателей, инверторы солнечных панелей, мощные импульсные источники питания.
В таблице 1 показан список всех вариантов микросхем интеллектуальных изолированных драйверов от Novosense, а с помощью таблицы 2 их можно сравнить по имеющемуся функционалу.
Таблица 1. Список интеллектуальных драйверов затвора от Novosense
| Наименование | Напряжение изоляции, В | Выходной ток, А | CMTI, кВ/мкс | Применение | Рабочая температура, °C | Корпус |
|---|---|---|---|---|---|---|
| NSi6611ASC-DSWR | 5700 | ±10 | ±150 | Индустриальное | -40~125°C | SO16-300 (SOW16) |
| NSi6651ASC-DSWR | ||||||
| NSi6651ALC-DSWR | ||||||
| NSi6611ASC-Q1SWR | Автомобильное | |||||
| NSi6651ASC-Q1SWR | ||||||
| NSi6651ALC-Q1SWR | ||||||
| NSi68515LC-DSWR | ±5 | Индустриальное | ||||
| NSi68515UC-DSWR | ||||||
| NSi68515AC-DSWR | ||||||
| NSi68515RC-DSWR |
Таблица 2. Сравнение микросхем по встроенным функциям
| Наименование | Схема DESAT |
Мягкое выключ. | Miller Сlamp1 | Вывод Ready | Раздел. выходы |
Схема ASC |
AEC-Q100 | Auto-Reset2 | RtR3 | Индикация UVLO |
|---|---|---|---|---|---|---|---|---|---|---|
| NSi6611ASC-DSWR | Есть | Есть | Есть | Есть | Есть | Есть | – | – | – | – |
| NSi6651ASC-DSWR | Есть | Есть | Есть | Есть | Есть | – | – | – | – | – |
| NSi6651ALC-DSWR | Есть | Есть | Есть | Есть | – | – | – | – | – | – |
| NSi6611ASC-Q1SWR | Есть | Есть | Есть | Есть | Есть | Есть | Есть | – | – | – |
| NSi6651ASC-Q1SWR | Есть | Есть | Есть | Есть | Есть | – | Есть | – | – | – |
| NSi6651ALC-Q1SWR | Есть | Есть | Есть | Есть | – | – | Есть | – | – | – |
| NSi68515LC-DSWR | Есть | Есть | Есть | – | – | – | – | – | Есть | – |
| NSi68515UC-DSWR | Есть | Есть | Есть | Есть | – | – | – | Есть | Есть | Есть |
| NSi68515AC-DSWR | Есть | Есть | Есть | – | – | – | – | Есть | Есть | –- |
| NSi68515RC-DSWR | Есть | Есть | Есть | – | – | – | – | Есть | – | – |
- Активная схема подавления эффекта Миллера.
- Схема автоматического сброса. Для серии NSi66x1A такой сброс можно реализовать с помощью внешнего логического инвертора, подключенного между выводами EN/RST и IN— или подключением RST/EN к выводу IN+ напрямую.
- Выход «rail—to—rail output», при котором размах выходного напряжения может достигать значения уровня шин питания.
Рассмотрим расположение и назначение выводов драйверов (рисунки 1 и 2)

Рис. 1. Расположение выводов NSi66x1A

Рис. 2. Расположение выводов NSi68515xC
Описание выводов:
- ASC – схема активного КЗ. Если подать высокий логический уровень напряжения, то вывод OUTH, игнорируя сигналы на входах, принудительно включится
- DESAT – вход быстродействующей защиты от перегрузки и КЗ в нагрузке
- GND2 – общий проводник драйверной (вторичной) стороны
- OUTL/OUTH – выходы нижнего и верхнего внутренних ключей драйвера
- VCC2 – напряжение питания вторичной стороны
- CLAMP – схема активного подавления эффекта Миллера
- VEE2 – отрицательное напряжение питания вторичной стороны
- GND1 – общий проводник первичной стороны
- IN+/ IN— – входы драйвера
- RDY – сигнал «powergood». Так же устанавливается в низкий уровень при срабатывании схемы UVLO
- FLT – сигнал ошибки. Низкий уровень появляется при перегрузке или КЗ
- RST – при высоком значении разрешает работу драйвера
- VCC1 – напряжение питания первичной стороны
- NC – вывод без внутреннего подключения
- OUT –выход драйвера
- TEST – используется для тестирования чипа при производстве. Рекомендуется подключить к GND1
- CATHOD / ANOD – выводы входов (NSi68515xC)
В таблице 3 показаны основные технические параметры драйверов.
Таблица 3. Основные технические параметры
| Параметр | Значение | Единицы | ||
|---|---|---|---|---|
| Мин. | Тип. | Макс. | ||
| Рабочая температура | -40 | 125 | °С | |
| Напряжение питания первичной стороны | 3 | 5,5 | В | |
| Напряжение питания вторичной стороны (NSi66x1A) | 13 | 32 | В | |
| Напряжение питания вторичной стороны (NSi68515xC) | 15 | 32 | В | |
| Напряжение изоляции | 5700 | В | ||
| Выходной ток (NSi66x1A) | ±10 | А | ||
| Выходной ток (NSi68515xC) | ±5 | А | ||
| Напряжение UVLO | 13 | В | ||
| Стойкость к синфазным помехам | ±150 | кВ/мкс | ||
| Стойкость к электростатическому разряду (NSi66x1A) (модель HBM) | 3000 | В | ||
| Стойкость к электростатическому разряду (NSi68515xC) (модель HBM) | 2000 | В | ||
Изоляционный барьер рассматриваемых драйверов основан на емкостной изоляции с применением технологии импульсного кодирования (OOK – On Off Keying) (рисунок 3), ключевые преимущества которой заключаются в высокой помехозащищенности и низком уровне электромагнитных помех. Цифровой сигнал модулирует высокочастотный несущий сигнал, генерируемый внутренним осциллятором на стороне передатчика, после чего он передается через емкостный изолирующий барьер и демодулируется на стороне приемника.
Функциональные блок-схемы семейств NSi66x1A и NSi68515xC показаны на рисунке 4. Микросхемы NSi66x1A имеют два сигнальных логических входа (инвертирующий IN- и неинвертирующий IN+), а раздельные выходы драйверов NSi66x1A обеспечивают индивидуальный контроль времени нарастания и спада выходного сигнала. В отличие от NSi66x1A, драйверы NSi68515xC имеют на входе светодиод, аналогичный тем, что находятся в оптопарах. Для нормальной его работы требуется ток управления 7…16 мА.

Рис. 3. Иллюстрация принципа работы импульсного кодирования OOK

Рис. 4. Структурные схемы NSi66x1A (а) и NSi68515xC (б)
Обе серии драйверов поддерживают биполярный режим питания на вторичной (драйверной) стороне. Если требуется высокая скорость переключения, наличие отрицательного напряжения питания может сыграть решающее значения в борьбе с эффектом Миллера, тем самым предотвращая ложное срабатывание силового ключа из-за паразитного внутреннего конденсатора (емкости Миллера). При этом рекомендуется к существующим конденсаторам установить еще две дополнительные емкости по 100 нФ между цепями VCC2 – GND – VEE2 (см. рисунки 8 и 10), расположенные как можно ближе к выводам микросхемы.
Также драйверы обеспечивают функцию принудительного отключения транзистора (аctive pull-down) при уменьшении напряжения питания ниже порогового значения (UVLO): для первичной стороны это напряжение составляет 2,5 В, для вторичной – 11,5 В.
Во время короткого замыкания напряжение затвора MOSFET или IGBT вырастает из-за наличия обратной связи через емкость Миллера. Внутренние диоды между контактами OUT / CLAMP и VCC2 (рисунок 5) ограничивают это напряжение уровнем примерно на 0,7 В выше напряжения питания VCC2, тем самым предотвращая выход из строя транзистора из-за чрезмерного увеличения напряжения на затворе. Максимальный ток диодов 500 мА, и если требуются более высокие токи ограничения, следует использовать дополнительные внешние диоды Шоттки (важно чтобы прямое падение на внешних диодах было меньше 0,7 В).

Рис. 5. Схема защиты от КЗ
На рисунке 6 показана схема активного подавления эффекта Миллера. Вывод CLAMP подключается непосредственно к транзистору и активируется, когда напряжение на затворе уменьшится до величины VCLAMP_TH (типовое значение 2,0 ~ 2,1 В). При этом внутренний транзистор открывается и притягивает вывод CLAMP к VEE, обеспечивая току разряда путь с более низким импедансом для предотвращения ложного срабатывания силового транзистора.

Рис. 6. Схема активного подавления эффекта Миллера
Защита от насыщения (схема DESAT) используется для предотвращения КЗ силового транзистора. Вывод DESAT имеет типовое пороговое значение 9 В/6,5 В для драйверов NSi66x1A/NSi68515xC соответственно и при превышении которого выход драйвера принудительно закрывает транзистор (рисунок 7). Чтобы предотвратить эффект перерегулирования из-за высокой скорости отключения транзистора, которое приводит к выбросу напряжения на паразитной индуктивности эмиттера, закрытие силового ключа в аварийной ситуации должно происходить относительно плавно. Для этих целей внутри драйвера имеется специальная схема, закрывающая транзистор заданным током для получения необходимого наклона графика разряда затворной емкости: 400 мА для серии NSi66x1A и 140 мА для микросхем NSi68515xC.
При срабатывании схемы DESAT также активируется вывод FLT, сигнализирующий о неисправности. В таком состоянии (за исключением нескольких драйверов, имеющих схему автоматического сброса) микросхема будет находиться до подачи сигнала сброса.

Рис. 7. Схема защиты от насыщения (DESAT)
Типовая схема включения драйверов NSi66x1A показана на рисунке 8. Особое внимание следует уделить керамическим конденсаторам в цепях питания: их следует подключать как можно ближе к выводам микросхемы. Фильтр RIN CIN рекомендуется использовать, если входной управляющий сигнал ШИМ имеет высокочастотный звон из-за длинных дорожек или плохой трассировки печатной платы. Однако следует понимать, что это ухудшит временные параметры управляющего сигнала.
Если требуется автоматический сброс драйвера после срабатывания схемы DESAT, нужно вывод EN/RST подключить либо напрямую к выводу IN+, либо через логический инвертор – к выводу IN- (см. спецификацию на микросхему).

Рис. 8. Типовая схема включения драйверов серии NSi66x1A
Для управления силовыми транзисторами в полумостовой конфигурации можно использовать два драйвера NSi66x1A (рисунок 9). Микросхемы поддерживают защиту от блокировки в случае обнаружения ошибок в управляющем ШИМ-сигнале и корректируют выходной сигнал таким образом, чтобы избежать пробоя силового транзистора, связанного с отрицательной защитной паузой («deadtime»).

Рис. 9. Управление полумостовой схемой с помощью двух драйверов NSi66x1A
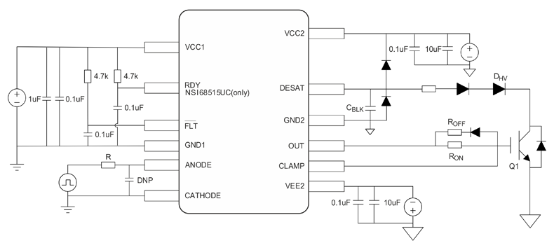
Типовая схема включения драйверов NSi68515xC показана на рисунке 10. Тут имеются аналогичные рекомендации по установке керамических конденсаторов в непосредственной близости к выводам питания микросхемы.

Рис. 10. Типовая схема включения драйверов серии NSi68515xC
Ввиду того, что на входе драйвера установлен светодиод, для нормальной работы входной цепи требуется ток смещения 7…16 мА. Если ШИМ-контроллер не может обеспечить такой ток напрямую, то необходимо добавить внешнюю цепь (рисунок 11).

Рис. 11. Варианты входной каскада управления NSi68515xC
NSi68515xC также можно использовать для управления полумостовой схемой, если задействовать два драйвера, как показано на рисунке 12. Аналогично ранее рассмотренной схеме, тут также имеется корректировка выходного сигнала управления для предотвращения пробоя одного из силовых транзисторов при обнаружении отрицательной защитой паузы.

Рис. 12. Управление полумостовой схемой с помощью двух драйверов NSi68515xC
Тщательная компоновка печатной платы необходима для получения оптимальной производительности драйвера. Вот некоторые ключевые рекомендации:
- Развязывающие конденсаторы по питанию следует размещать как можно ближе к выводам микросхемы.
- Высокий коммутационный ток силового транзистора генерирует сильные электромагнитные помехи, что приводит к появлению высокочастотных паразитных импульсов в сигнале управления. Поэтому необходимо разместить драйвер рядом с силовым транзистором, тем самым уменьшив паразитную индуктивность контура управления.
- Выводы питания вторичной стороны VCC2 и VEE2 нужно расположить на больших медных полигонах для улучшения рассеяния мощности микросхемой. При ограниченном месте приоритет следует отдать выводу VEE2.
- Для обеспечения требуемого напряжения изоляции необходимо выдержать минимальный воздушный зазор 8 мм между первичной и вторичной сторонами.
Для более подробной информации обратитесь к заводским спецификациям. Найти их можно в карточке товара на каждую из микросхем.
Наши информационные каналы