RS-485-трансивер ADM3485EARZ производства YOUTAI (UTM) для систем сбора данных и управления
позавчера
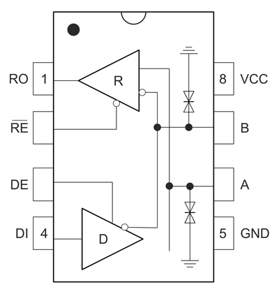
Трансивер ADM3485EARZ, выпускаемый компанией YOUTAI (UMW Semiconductor) – это подходящее решение для задач, требующих интерфейса RS-485 (рисунок 1). Микросхема активно используется в широкой номенклатуре приборов для систем сбора данных и управления: от измерительной техники до ПЛК.
Особенности:
- работа в условиях сильных электромагнитных помех и перепадов температуры;
- подключение до 256 устройств на шину;
- встроенная функция защиты от короткого замыкания, перегрева и электростатических разрядов (ESD);
- режим низкого энергопотребления (спящий режим).
Технические характеристики:
- питание: 3,0…3,6 В (номинал 3,3 В);
- режим работы: полудуплексный;
- скорость передачи: до 12 Mбит/с;
- рабочая температура: -40…85°C;
- корпус: SOP8.

Рис. 1. Блок-схема ADM3485EARZ
Микросхема ADM3485EARZ повыводно совместима и может применяться в тех же решениях, в которых используются ADM3483x, ADM3485x, MAX3485x и SN65HVD72x.
Дополнительные материалы
- MAX13487 от JSMICRO – трансивер RS-485 с автоматическим определением направления передачи
- CA-IS3092W – изолированный трансивер RS-485 со встроенным DC/DC от Chipanalog
- Решения ChipAnalog для гальванической изоляции шины RS-485
Наши информационные каналы