Решения ChipAnalog для гальванической изоляции шины RS-485
22 августа 2024
Интерфейс RS-485, разработанный 20 лет назад ассоциациями телекоммуникационной (TIA) и электронной (EIA) промышленности, получил широкое распространение и в настоящее время применяется в самых разных областях. Данный интерфейс обеспечивает надежный обмен данными на расстоянии более 1000 м, поскольку информация передается по витой паре с использованием дифференциальных сигналов.
Применение RS-485 в системах управления двигателями, устройствах промышленной автоматики, инфраструктуре электросетевого хозяйства, а также в других высоковольтных и низковольтных системах, требует гальванической изоляции узлов сети этого интерфейса. Она обеспечивает защиту оборудования и оператора, а также позволяет предотвратить образование земляных петель и возникновение помех, влияющих на передачу данных по шине RS-485. Специалисты компании ChipAnalog делятся способами гальванической изоляции узлов сети RS-485 с приведением соответствующих принципиальных схем.
Гальваническая изоляция шины RS-485
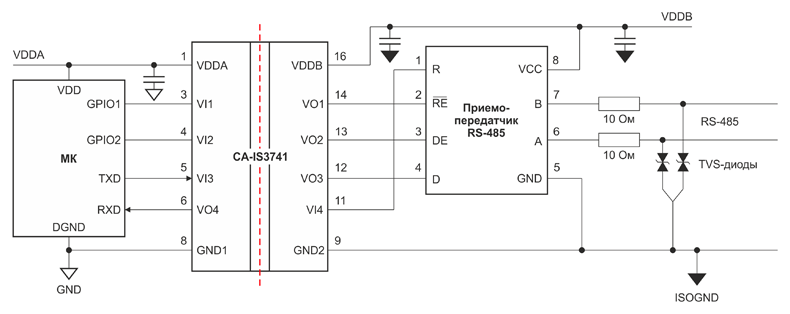
Существуют два варианта реализации гальванической изоляции сети RS-485. Первый вариант заключается в использовании цифрового изолятора и обычного приемопередатчика RS-485. В этом случае между микроконтроллером и приемопередатчиком располагается микросхема цифрового изолятора, например, CA-IS3741, которая обеспечивает развязку логических сигналов управления (RE, DE), передачи (D) и приема (R). Соответствующая схема приведена на рисунке 1. Основное достоинство такого решения – возможность выбора микросхемы приемопередатчика, которая максимально подходит для конкретного применения. Однако две микросхемы и их обвязка требуют больше места на печатной плате.

Рис. 1. Совместное использование цифрового изолятора CA-IS3741 и приемопередатчика RS-485
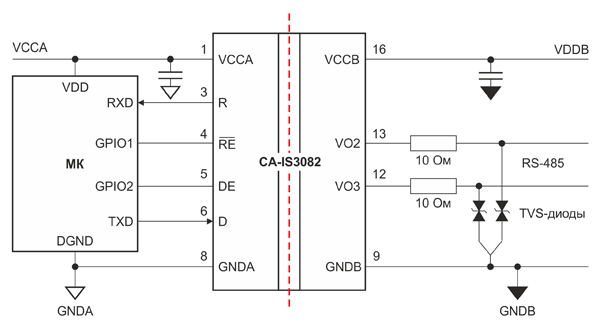
Второй вариант заключается в применении изолированного приемопередатчика – микросхемы, объединяющей цифровой изолятор и приемопередатчик RS-485. В качестве примера можно привести интегральную схему CA-IS3082WX – высоконадежный изолированный полудуплексный приемопередатчик, соответствующий стандарту TIA/EIA-485-A. Он обладает высокой помехоустойчивостью и низким уровнем излучаемых помех. Помимо этого, в CA-IS3082WX реализована функция отказоустойчивости: если в режиме приемника на шине будет обнаружен обрыв или короткое замыкание, то на выходе установится низкий уровень. Изоляционный барьер микросхемы препятствует проникновению помех из шины и других внешних цепей в локальную землю. Благодаря этому исключается воздействие помех на чувствительные цепи или их повреждение. Высокое значение параметра CMTI (стойкости к изменению синфазного напряжения) обеспечивает корректную передачу цифровых сигналов. CA-IS3082WX выпускается в широком 16-контактном корпусе SOIC и имеет электрическую прочность изоляционного барьера 2,5 кВ (СКЗ). Данное решение позволяет сократить место на печатной плате и требует меньше внешних компонентов. Схема включения микросхемы изолированного приемопередатчика RS-485 CA-IS3082WX приведена на рисунке 2. Дополнительные сведения о ней можно найти в технической документации.

Рис. 2. Применение ИС CA-IS3082WX
Изолированный приемопередатчик RS485 со встроенным DC/DC-преобразователем
Оба способа гальванической изоляции, описанных выше, требуют применения изолированного источника питания, поэтому самым интегрированным решением является микросхема CA-IS3092W, представляющая собой изолированный полудуплексный приемопередатчик RS-485 со встроенным изолированным источником питания и трансивером в одном корпусе. Данная интегральная схема обладает высокой устойчивостью к ЭМП и низким уровнем излучаемых помех. Изоляционный барьер микросхемы препятствует проникновению помех из шины и других внешних цепей в локальную землю, тем самым исключая их влияние на чувствительные цепи и предотвращая повреждение (рисунок 3). Высокое значение параметра CMTI (стойкости к изменению синфазного напряжения) обеспечивает корректную передачу цифровых сигналов. Применение данной ИС позволяет сократить занимаемое место на печатной плате и в некоторых случаях облегчает прохождение сертификации по нормам безопасности.

Рис. 3. Рекомендуемая схема включения ИС CA-IS3092W
Каждый вариант гальванической изоляции узлов сети RS-485 имеет как преимущества, так и недостатки. Выбор того или иного способа зависит от конкретной схемотехнической реализации и особенностей применения. Компания ChipAnalog выпускает компоненты, которые подойдут для любого решения. Отличительными особенностями продукции этой компании являются высокие качество и надежность в сочетании с выгодной стоимостью.
Компоненты ChipAnalog для гальванической изоляции узлов сети RS-485 доступны для заказа со склада КОМПЭЛ.
Дополнительные материалы
- CA-IS3092W – изолированный трансивер RS-485 со встроенным DC/DC от Chipanalog
- MAX13487 от JSMICRO – трансивер RS-485 с автоматическим определением направления передачи
Наши информационные каналы