Новые N-канальные IGBT-транзисторы SUNCO для систем обогрева электромобилей
1 ноября 2023
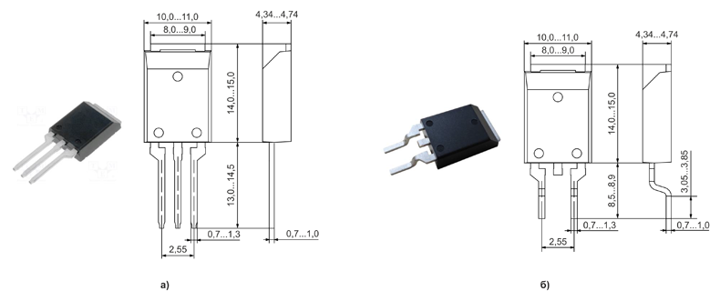
В автомобилях с электродвигателями обогрев салона осуществляется с помощью нагревателей на базе позисторов – элементов с положительным температурным коэффициентом (PTC). Такое решение эффективно и безопасно, поскольку сопротивление нагревателя увеличивается с ростом температуры, а значит, потребление тока падает и автоматически прекращается при перегреве. Управление нагревателем достаточно простое и не требует от ключа высоких скоростей переключения, однако небольшое падение напряжения на нем и малые затраты на управление повышают эффективность системы в целом. Компания SUNCO анонсировала выпуск транзисторов (таблица 1) в двух вариантах корпусов (рисунок 1) для автомобильных PTC-применений.

Рис. 1. Внешний вид и размер корпусов Super TO-220 (а) и Super TO-263 (б)
Особенности новых N-канальных IGBT-транзисторов:
- максимальная температура кристалла 175°C;
- структура Trench-FS, благодаря которой достигнут оптимальный баланс между блокирующей способностью и малым напряжением насыщения;
- высокая эффективность с очень малым значением напряжения насыщения и медленным выключением определяют основное применение – автомобильные PTC-приложения;
- соответствие стандартам RoHS.
Таблица 1. N-канальные IGBT производства компании SUNCO
| Наименование | Максимальное напряжение «коллектор-эмиттер», В | Продолжительный ток коллектора при Tc = 100°C, А | Номинальное напряжение насыщения «коллектор-эмиттер» при Tc = 25°C и максимальном токе, В |
Заряд затвора (Qg), мкКл | Корпус |
|---|---|---|---|---|---|
| DGS40N120ATL0AQ | 1200 | 40 | 1,85 | 0,33 | STO-220 |
| DGR40N120ATL0AQ | STO-263 | ||||
| DGS80N120ATL1BQ | 80 | 1,75 | 0,65 | STO-220 | |
| DGR80N120ATL1BQ | STO-263 |
Наши информационные каналы