Формирование системы питания с малым шумом для аналогового тракта. Часть 3
19 января
Дмитрий Илларионов (г. Нижний Новгород)
Когда необходим малошумящий источник питания с гальванической развязкой по напряжению, можно воспользоваться несколькими вариантами решения такой задачи: использовать готовые модули на дискретных элементах, готовые интегральные решения или самостоятельно спроектировать решения с использованием интегральных драйверов трансформаторов и линейных стабилизаторов. Рассмотрим, какой вариант будет предпочтителен в зависимости от конструкторской задачи и какие готовые решения есть у компаний MEAN WELL, YDS, ChipAnalog, Silergy, Novosense, AnalogySemi и 3PEAK.
Гальванически развязанные импульсные преобразователи напряжения с малым шумом
Смотрите также предыдущие статьи цикла:
- Формирование системы питания с малым шумом для аналогового тракта. Часть 1
- Формирование системы питания с малым шумом для аналогового тракта. Часть 2
В первых двух частях статьи мы рассматривали только неизолированные преобразователи напряжения, то есть. не имеющие гальванической развязки входа и выхода. Однако, существует относительно широкий круг задач, в которых источник питания должен обеспечивать такую развязку. Одной из них является гальваническая изоляция аналоговой части в устройствах смешанного типа, вводимая для уменьшения помех, создаваемых цифровой частью схемы и затрудняющих работу чувствительного аналогового тракта. Основная идея данного метода – устранение пути, по которому кондуктивные ЭМП могут передаваться от элементов, имеющих характерное импульсное токопотребление (микроконтроллеры, DSP, АЦП и т.д.), к классическим аналоговым компонентам (операционным усилителям, источникам тока, источникам опорного напряжения и т.д.). Применение гальванической развязки, хотя и увеличивает себестоимость изделия, позволяет существенно повысить соотношение «сигнал/шум» аналогового тракта, а также улучшить точность обработки входного сигнала.
Классический пример ситуации, в которой может использоваться гальваническая развязка аналогового и цифрового каналов, приведен на рисунке 1.

Рис. 1. Использование гальванической развязки в системе питания
Здесь сигнал после первичной аналоговой обработки оцифровывается при помощи АЦП, а затем передается по интерфейсу SPI в главный обрабатывающий узел, в качестве которого обычно выступает микропроцессор, микроконтроллер, DSP и так далее. Гальваническая развязка канала передачи данных (в данном случае SPI) чаще всего формируется при помощи изоляторов цифровых сигналов – специализированных микросхем, подробное рассмотрение которых не входит в задачи данной статьи. По питанию же для развязки цифровой и аналоговой части используется специальный изолятор, в качестве которого разработчик может применить как одно из многочисленных готовых решений, представленных на рынке электронной продукции, так и самостоятельно спроектированный изолированный DC/DC-преобразователь. Отметим, что первый вариант дает возможность упростить схемотехнику устройства и сократить время на его разработку, что позволяет ускорить вывод конечного изделия на рынок. Однако при этом следует учитывать, что стоимость готовых изолированных DC/DC-преобразователей сравнительно велика, к тому же они могут иметь относительно низкий КПД, а их выходное напряжение обычно ограничено стандартным рядом (+3,3 В; +5,0 В; +9,0 В и т.д.). С другой стороны, самостоятельная разработка изолятора питания хотя и способна удешевить проектируемое устройство и учесть все его нюансы, требует от проектировщика определенных компетенций в данной области, а также дополнительного времени на отладку изделия. Поэтому для выбора оптимального варианта исполнения изолированного питания разработчик должен хорошо представлять себе плюсы и минусы возможных решений. Рассмотрению этих вопросов будет посвящена оставшаяся часть данной статьи.
Готовые решения на дискретных элементах
Данный тип изоляторов является наиболее популярным у разработчиков, благодаря тому, что он позволяет не сильно вникать в вопросы организации изолированного аналогового питания, при этом обладая приемлемой ценой. Фактически это готовые миниатюрные источники питания, требующие минимума внешних элементов, а подчас и вовсе обходящиеся без них. Конструктивно изолированные преобразователи на дискретных компонентах представляют собой законченные электронные модули, собранные на отдельной печатной плате из обычных «объемных» элементов (транзисторов, резисторов, конденсаторов и т.д.) и имеющие открытое или закрытое исполнение (рисунок 2).

Рис. 2. Готовые изолированные модули питания в закрытом и открытом исполнениях
При этом чаще всего открытые модули характеризуются достаточно высокой выходной мощностью, большими габаритами и избыточной стоимостью, поэтому при проектировании систем питания аналогового тракта они обычно не используются. В связи с этим, в нашем случае мы остановимся на рассмотрении изолированных DC/DC-преобразователей закрытого типа, представляющих собой миниатюрные печатные платы со смонтированными на них элементами, помещенные в корпус из слабогорючего пластика и для надежности залитые компаундом (рисунок 3).

Рис. 3. Корпусирование изолированных DC/DC закрытого типа
Обычно закрытые модули на дискретных элементах характеризуются небольшой выходной мощностью (1…2 Вт) и имеют один изолированный выход, который может быть как однополярным, так и двухполярным. Форм-фактор модуля и расположение его выводов в общем случае могут быть произвольными, однако, у наиболее популярных моделей преобразователей, изготавливаемых разными компаниями, цоколевка и размеры совпадают. Например, у одноваттных модулей с однополярным выходом, выпускаемых в корпусе SIP-4, габариты, а также назначение и расположение выводов будут такими (смотреть рисунок 4, высота корпуса может немного отличаться от вендора к вендору).

Рис. 4. Расположение выводов одноваттных однополярных изолированных DC/DC закрытого типа в корпусе SIP -4
Данный фактор позволяет тестировать преобразователи разных производителей, не изменяя печатную плату устройства, а также диверсифицировать их поставки, снизив риски отсутствия конкретной модели изолятора в текущий момент времени.
Отметим, что стремление к миниатюризации и удешевлению продукции приводит к тому, что подавляющее большинство производителей строит DC/DC-преобразователи закрытого типа на базе максимально простых схем. Следствием этого является полное отсутствие петли обратной связи, поэтому выходное напряжение у изоляторов рассматриваемого типа обычно бывает нестабилизированным. Более того – упрощенные схемы практически не имеют защиты от короткого замыкания на выходе, а также не допускают увеличения емкости выходного конденсатора больше определенного значения. Еще одним недостатком, присущим ряду изолированных DC/DC-преобразователей закрытого типа, является то, что их выход должен быть нагружен током не ниже 20% от максимального. В противном случае выходное напряжение модуля будет существенно отличаться от номинального значения, к тому же, оно может носить колебательный характер. Кроме того, рассматриваемые изоляторы питания имеют сравнительно узкий диапазон рабочих температур (-40…85°С), а применение моделей, предназначенных для установки в отверстия, может вызвать определенные проблемы при автоматическом монтаже печатных плат.
И все же, несмотря на перечисленные недостатки, изоляторы питания закрытого типа достаточно широко применяются разработчиками аналоговых устройств благодаря их относительной дешевизне и простоте использования. Закрытые изолированные DC/DC-преобразователи, например, продукция компании MEAN WELL, входят в складскую номенклатуру и доступны для поставки.. Бюджетные модули Yuan Dean (YDS) также могут быть заказаны через нашу компанию. Отметим, что в среднем параметры изолированных DC/DC-преобразователей закрытого типа, выпускаемых азиатскими производителями, схожи с характеристиками аналогичных модулей от европейских брендов. Однако, важным отличием изоляторов питания от компании MEAN WELL является соответствие стандарту EN 55032 («Электромагнитная совместимость мультимедийного оборудования – требования к излучению»). Наличие соответствующих сертификатов при соблюдении всех требований производителя гарантирует прогнозируемость уровня электромагнитных помех, формируемых используемым DC/DC-преобразователем, что крайне важно при формировании «чистого» питания для аналогового тракта.
Таким образом, резюмируя вышесказанное, можно выделить следующие достоинства и недостатки изоляторов питания закрытого типа:
| приемлемая цена | низкая стабильность и точность выходного напряжения | ||
| доступность | сравнительно большие общие габариты | ||
| простота использования | отсутствие защиты от перегрева | ||
| минимум внешних элементов | отсутствие функции плавного старта | ||
| высокий КПД | для нормальной работы требуется выходной ток не ниже 10…20% от максимального | ||
| большая номенклатура модулей | |||
| прогнозируемые ЭМП (для модулей азиатских производителей) | |||
| наличие сертификатов соответствия (для модулей азиатских производителей) |
В качестве примера изолированного конвертера закрытого типа хотелось бы рассмотреть модули семейства SMU01-N, являющиеся наиболее дешевыми и востребованными изоляторами питания от компании MEAN WELL. Данное семейство включает в себя бюджетные преобразователи мощностью 1 Вт с нестабилизируемым выходным напряжением из стандартного ряда (3,3 В/5 В/9В/12 В/15 В/24 В), выпускаемые в типовом корпусе SIP-4 для установки в отверстия и имеющие напряжение пробоя изоляции 1500 В. Следует отметить, что входное напряжение изоляторов SMU01-N может составлять +3,3 В, +5 В, +12 В или +24 В, чего вполне достаточно для подавляющего большинства приложений, в которых используется аналоговый тракт. Кроме того, несмотря на дешевизну, модули семейства SMU01-N выдерживают продолжительное воздействие короткого замыкания, хотя производитель и рекомендует устанавливать на их вход предохранитель замедленного действия. Наиболее популярными являются изоляторы с входным напряжением +5 В, основные характеристики которых представлены в таблицах 1 и 2.
Таблица 1. Характеристики одноваттных закрытых DC/DC-модулей MEAN WELL в корпусе SIP-4 (часть 1)
| Наименование | Входное напряжение, В | Входной ток, 100% нагр./0% нагр., мА | Выходное напряжение, В | Выходной ток, макс./мин., мА |
|---|---|---|---|---|
| SMU01L-03N | +5,0 ± 10% | 250/6 | +3,3 ± 3% | 300/30 |
| SMU01L-05N | 235/6 | +5,0 ± 3% | 200/20 | |
| SMU01L-09N | 235/7 | +9,0 ± 3% | 111/12 | |
| SMU01L-12N | 235/9 | +12,0 ± 3% | 84/9 | |
| SMU01L-15N | 233/12 | +15,0 ± 3% | 67/7 | |
| SMU01L-24N | 235/20 | +24,0 ± 3% | 42/4 |
Таблица 2. Характеристики одноваттных закрытых DC/DC-модулей MEAN WELL в корпусе SIP-4 (часть 2)
| Наименование | Коэффициент полезного действия, тип., % | Макс. выходная емкость, мкФ | Пульсации на выходе, мВP—P | Нестабильность, % | Сертификация | ||
|---|---|---|---|---|---|---|---|
| По входу1 | По выходу2 | ||||||
| SMU01L-03N | 80 | 470 | 75 | 1,5 | 12 | ЕАС TP TC 020/2011, CISPR32/EN55032 Class B, EN61000-4-2…EN61000-4-8 | |
| SMU01L-05N | 85 | 470 | 1,2 | 8 | |||
| SMU01L-09N | 85 | 220 | 1,2 | 8 | |||
| SMU01L-12N | 85 | 220 | 1,2 | 8 | |||
| SMU01L-15N | 86 | 220 | 1,2 | 8 | |||
| SMU01L-24N | 85 | 100 | 1,2 | 8 | |||
1 – максимальное значение при изменении входного напряжения на ±1%;
2 – максимальное значение при изменении нагрузки с 10% до 100%.
Готовые интегральные решения
Следующим по популярности решением при формировании изолированного питания аналогового тракта являются готовые DC/DC-преобразователи интегрального типа. Данные преобразователи отличаются от рассмотренных выше тем, что они выпускаются в стандартных корпусах (SOIC, QFN и т.д.), а все их внутренние элементы, включая силовой трансформатор, выполнены исключительно в интегральном виде (рисунок 5)

Рис. 5. Внутренние элементы интегрального изолятора питания
Благодаря такому подходу рассматриваемый тип изоляторов питания имеет малые габариты и расширенный диапазон рабочих температур (tMAX = 125°С), а также прекрасно подходит для автоматического монтажа. Кроме того, использование интегральной технологии позволяет без особых затрат добавить в преобразователь такие функции, как защита от перегрузки и перегрева, отключение при пониженном питании (UVLO), мягкий старт и т.д. Но самое главное – применение данной технологии дает возможность усложнения схемы преобразователя, в том числе, позволяет включить в нее цепь обратной связи, что значительно повышает стабильность выходного напряжения. Также следует отметить, что благодаря развитию методов изготовления кристаллов, имеется возможность объединить в одном корпусе изолятор питания и изолятор цифровых сигналов – это позволяет сэкономить место на печатной плате, а также снизить количество требуемых внешних элементов.
К сожалению, использование интегральных элементов имеет и свои недостатки. Одним из них является цена – стоимость изоляторов рассматриваемого типа получается довольно высокой. Другой неустранимый недостаток интегральных преобразователей – низкий КПД, обусловленный особенностями изготовления интегрального трансформатора. При использовании традиционной КМОП-технологии такие трансформаторы помимо потерь в обмотках и между катушками будут иметь существенные потери в подложках [3]. Для снижения последних могут применяться специальные техники, однако, все они ведут к существенному удорожанию кристалла, что неминуемо увеличит и так довольно высокую стоимость чипа. Также следует отметить невысокую выходную мощность интегральных изоляторов питания, обусловленную небольшим объемом стандартных корпусов микросхем. Кроме того, разработка силовых изолированных чипов является достаточно дорогим и сложным процессом, поэтому номенклатура у них не так широка, как у DC/DC-преобразователей на дискретных элементах.
Тем не менее, простота использования и небольшие размеры интегральных изоляторов питания, а также наличие полностью интегрированных изолированных интерфейсов в ряде случаев делают микросхемы данного типа очень привлекательными для применения в цифро-аналоговых устройствах. Интегральные изоляторы, включая продукцию брендов ChipAnalog, Silergy и Novosense, включены в наш каталог электронных компонентов. Наиболее популярные модели данных микросхем приведены в таблицах 3 и 4.
Таблица 3. Интегральные изоляторы питания*
| Наименование | Входное напряжение, В | Выходное напряжение, В | Точность выхода, % | Выходная мощность, мВт | КПД (VOUT = 5,0 В), % |
Рабочая температура, °C | Напряжение пробоя, В | Корпус |
|---|---|---|---|---|---|---|---|---|
| CA-IS3105W | +5,0 ±10% | +3,3/3,7/5,0/5,4 | ±7 | 650 | 55 | -40…125 | 5000 | SOIC-16W |
| SY20694WNQ | +4,5…+14,0 | +5,0 | ±1 | 1000 | 64 | -40…125 | 3000 | QFN4×5.5-14 |
* – все представленные модели микросхем имеют защиту от перегрузки, короткого замыкания и перегрева, а также схему мягкого старта.
Таблица 4. Полностью интегрированные изолированные интерфейсы [1]
| Наименование | Производитель | Тип интерфейса | Кол-во каналов (входы/выходы) |
Скорость передачи, Мбит/с | Рабочая температура, °C | Напряжение пробоя, В | Корпус |
|---|---|---|---|---|---|---|---|
| CA-IS3620LW | ChipAnalog | Изолятор | 2/0 | 150 | -40…125 | 5000 | SOIC-16W |
| CA-IS3641LW | ChipAnalog | Изолятор | 3/1 | 150 | -40…125 | 5000 | SOIC-16W |
| NSIP8820 | Novosense | Изолятор | 2/0 | 150 | -40…125 | 4500 | SOIC-16W |
| NSiP8841 | Novosense | Изолятор | 3/1 | 150 | -40…125 | 4500 | SOIC-16W |
| CA-IS3098W | ChipAnalog | RS-485 | 1 (Half-duplex) | 10 | -40…125 | 5000 | SOIC-16W |
| CA-IS3096W | ChipAnalog | RS-485/RS-422 | 2 (Full-duplex) | 10 | -40…125 | 5000 | SOIC-16W |
| NSIP83086 | Novosense | RS-485/RS-422 | 2 (Full-duplex) | 16 | -40…105 | 5000 | SOIC-16W/20W |
| NSIP1042 | Novosense | CAN | 1 | 5 | -40…105 | 5000 | SOIC-20W |
| CA-IS2062A | ChipAnalog | CAN | 1 | 5 | -40…125 | 2500 | LGA-16 |
Следует отметить, что полностью интегрированный интерфейс может выступать в качестве обычного изолятора питания, если не использовать линии передачи данных. Конечно, в подавляющем большинстве случаев это нецелесообразно, но в некоторых случаях рыночные условия делают такой подход экономически оправданным, позволяя приобрести партию интерфейсных микросхем по низкой цене. Однако, при этом следует помнить, что нагрузочная способность у изолированных интерфейсов может быть ниже, чем у полноценных изоляторов питания, а некоторые полезные функции, наподобие мягкого старта и входа разрешения работы, могут отсутствовать.
В качестве примера изолятора питания рассмотрим преобразователь CA-IS3105W от компании ChipAnalog, основные характеристики, внутренняя структура и схема включения которого приведены на рисунке 6.
CA-IS3105W


Рис. 6. Структура, характеристики и схема включения преобразователя CA-IS3105W
Как видно из приведенных данных, CA-IS3105W является изолятором питания со входным напряжением +5,0 В ± 10%, выходной мощностью 0,65 Вт и напряжением пробоя изоляции 5 кВ (имеется сертификат соответствия стандарту UL1577). Выходное напряжение преобразователя программируется при помощи вывода «SEL» и может составлять +3,3, +3,7, +5,0 и +5,4 В. Отметим, что значения +3,7В и +5,4В выбраны не случайно – в этом случае выход микросхемы CA-IS3105W может быть подключен к линейному стабилизатору с малым падением напряжения (LDO). Это позволяет более качественно сформировать стандартные шины питания +3,3 В и +5,0 В, поскольку точность установки выходного напряжения самого́ преобразователя оставляет желать лучшего. Наличие встроенных функций защиты от короткого замыкания, перегрузки и перегрева, а также схем отключения при пониженном питании (UVLO) и мягкого старта обеспечивают надежную и стабильную работу всей системы в целом. Кроме того, уникальная схема управления позволяет преобразователю быстро реагировать на любые изменения нагрузки и четко стабилизировать выходное напряжение.
В качестве внешних элементов рассматриваемому преобразователю требуются только блокировочные конденсаторы по входу и по выходу, а также корректное подключение вывода «SEL» (здесь может понадобиться резистор номиналом 100 кОм). Обратите внимание на то, что производитель рекомендует установку сразу двух шунтирующих емкостей, соединенных в параллель, как по входу, так и по выходу. При этом блокировочные конденсаторы должны иметь как можно меньшее внутреннее сопротивление (ESR), а их емкость не должна сильно изменяться с температурой и напряжением. Оптимальным здесь выглядит применение керамических конденсаторов с типом диэлектрика X7R, однако, следует учитывать сильную зависимость емкости керамики от приложенного к ней напряжения (рисунок 7).

Рис. 7. Зависимость емкости керамического конденсатора от приложенного напряжения
В связи с этим для нормальной работы микросхемы CA-IS3105W шунтирующие конденсаторы должны выбираться с достаточным запасом либо по номиналу, либо по рабочему напряжению (что более корректно).
При разработке печатной платы блокировочные элементы необходимо располагать на той же стороне, что и преобразователь, причем, конденсаторы должны быть расположены как можно ближе к выводам микросхемы. Подключение шунтирующих емкостей к CA-IS3105W необходимо осуществлять широкими дорожками без переходных отверстий в целях минимизации паразитных индуктивностей (рисунок 8).

Рис. 8. Трассировка участка печатной платы под CA-IS3105W
Для обеспечения изоляции между первичной и вторичной сторонами в верхнем и нижнем слоях пространство под микросхемой CA-IS3105W должно быть свободно от проводников, переходных отверстий и контактных площадок. Минимальная длина пути утечки при этом должна быть не меньше 8 мм, чтобы обеспечить выполнение требований к напряжению пробоя.
Самостоятельно проектируемые изоляторы питания
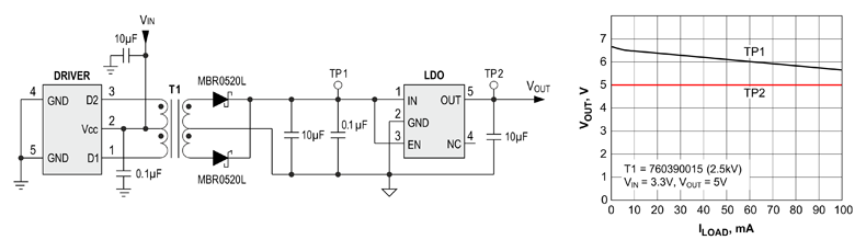
Выше уже отмечалось, что готовые решения, хотя и ускоряют процесс проектирования и отладки изделия, не могут учесть все нюансы разрабатываемого устройства. Поэтому в некоторых случаях проектировщику приходится разрабатывать изолятор аналогового питания самостоятельно. Отметим, что это наименее популярное решение – согласно данным, полученным в ходе отраслевых опросов, использовать изолированные DC/DC-преобразователи собственной разработки предпочитают всего 14% респондентов. Такая тенденция вполне объяснима – самостоятельное проектирование изолятора питания не только требует от разработчика соответствующих компетенций, но и увеличивает время вывода изделия на рынок. Также построение полноценного DC/DC-преобразователя со стабильным выходным напряжением существенно усложняет схему устройства за счет необходимости введения в нее контура обратной связи. Кроме того, изолированный источник питания требует проектирования и изготовления силового трансформатора, а это заставляет разработчика решать дополнительные организационные и технологические вопросы. Все это и приводит к тому, что большинство проектировщиков отказываются от разработки собственных изоляторов питания в пользу готовых решений, благо потребление аналогового тракта обычно невелико, а вопрос с плохой стабилизацией выходного напряжения легко решается при помощи обычного линейного стабилизатора. И, пожалуй, рекомендовать самостоятельное проектирование изолированного DC/DC-преобразователя для питания аналоговой части схемы можно лишь при использовании связки «готовый драйвер трансформатора + готовый трансформатор» (рисунок 9).

Рис. 9. Вариант изолятора питания собственной разработки с использованием ряда готовых компонентов
Фактически при таком подходе внутренняя структура преобразователя полностью совпадает со структурой в готовых модулях закрытого типа, построенных на дискретных элементах (см. выше). Однако за счет того, что разработчик сам выбирает каждый компонент в данной схеме, он способен влиять как на ее стоимость, так и на эффективность. Применение специализированных микросхем позволяет встроить в изолятор питания защиту от перегрузки и перегрева, а также другие полезные функции. Широкая номенклатура готовых трансформаторов позволяет подобрать нужный магнитный элемент под любые задачи и бюджет проекта. Кроме того, самостоятельно спроектированный преобразователь обладает большей гибкостью, позволяющей оптимально разместить его составляющие на выделенном участке печатной платы, несмотря на то, что суммарная занимаемая им площадь обычно будет превышать площадь, занимаемую готовым модулем.
Предлагаемый вариант преобразователя построен по типовой двухтактной схеме и имеет топологию типа «Push-pull». Здесь микросхема драйвера осуществляет поочередное включение и выключение первичных обмоток трансформатора при помощи внутренних ключей Q1 и Q2, а также формирует небольшие паузы между включенными состояниями во избежание короткого замыкания на обоих концах первичной обмотки (т.н. «мертвое время»). На вторичной стороне ток в нагрузке и накопительной емкости обеспечивается при помощи диода, смещенного в данный момент в прямом направлении. Требуемое значение выходного напряжения VOUT обеспечивается за счет соответствующего коэффициента трансформации «n» – отношения числа витков на вторичной и первичной обмотках трансформатора (N2 и N1 соответственно). Базовые процессы, протекающие в двухтактном преобразователе типа «Push-pull», показаны на рисунке 10.

Рис. 10. Работа двухтактного изолирующего преобразователя типа Push-pull
Исторически сложилось так, что микросхемы, используемые в самостоятельно проектируемых изоляторах питания для аналогового тракта, чаще всего базируются на одной из двух разработок ведущей западной компании – чипах xx6501 и xx6505 (рисунок 11). Обе эти микросхемы являются драйверами трансформатора с отводом от средней точки, однако различаются функционалом, корпусом и характеристиками. Чип xx6505 имеет широкий диапазон входных напряжений, лучшую нагрузочную способность, а также различные дополнительные функции. Микросхема xx6501 является более простой и обладает несколько худшими характеристиками, однако, обычно она существенно доступней по цене. Отличительной особенностью обоих чипов является высокая симметрия выходных транзисторов, позволяющая снизить ток подмагничивания трансформатора до минимума. Сравнение основных характеристик микросхем xx6501 и xx6505 приведено в таблице 5.
Таблица 5. Характеристики микросхем xx6501 и xx6505
| Параметр | Обозначение | xx6501 | xx6505 |
|---|---|---|---|
| Входное напряжение, В | VCC | +3,0…+5,5 | +2,3…+5,5 |
| Ток ключей, А | ID | 0,15 (VCC = +3,3 В ± 10%); 0,35 (VCC = +5,0 В ± 10%) |
0,75 (VCC < +2,8 В); 1,00 (VCC ≥ +2,8 В) |
| Частота коммутации ключей (тип.), кГц | fSW | 360 (VCC = +3,3 В ± 10%); 410 (VCC = +5,0 В ± 10%) |
160 (xx6505A); 424 (xx6505B) |
| Сопротивление открытого ключа (макс.), Ом | RON | 3 (VCC = +3,3 В ± 10%); 2 (VCC = +5,0 В ± 10%) |
0,31 (VCC = +2,8 В); 0,25 (VCC = +4,5 В) |
| Потребление тока (макс.), мА | ICC | 0,4 (VCC = +3,3В ± 10%); 0,7 (VCC = +5,0В ± 10%) |
1,4 (xx6505A); 2,3 (xx6505B) |
| Дополнительные возможности | – | – |
|
| Рабочая температура, °C | TA | -40…125 | -55…125 |
| Корпус | – | SOT-23-5 | SOT-23-6 |

Рис. 11. Внешний вид микросхем xx6501 и xx6505
Двухтактные драйверы трансформаторов, такие как продукция брендов 3PEAK, Novosense и AnalogySemi, входят в номенклатуру поставляемых компонентов. Наиболее популярные модели микросхем приведены в таблице 6.
Таблица 6. Популярные модели двухтактных драйверов трансформаторов
| Vin, В | Iout(max), мА | Fosc, кГц | Температурный диапазон, °С | Мягкий старт | Корпус | Выводы | |
|---|---|---|---|---|---|---|---|
| Pin-to-pin аналоги хх6501 | |||||||
| NSIP6051-DSTAR (Novosense) | 2,25…5,5 | 350 | 425 | -40…125 | Есть | SOT23-5 | D1-VCC-D2-GND-GND |
| TPM6501A(Q)-55TR-5 (3PEAK) | 2,25…5,5 | 1000 | 420 | -40…125 | Есть | SOT23-5 | D1-VCC-D2-GND-GND |
| TPM6501B(Q)-55TR-5 (3PEAK) | 2,25…5,5 | 1000 | 2200 | -40…125 | Есть | SOT23-5 | D1-VCC-D2-GND-GND |
| IS801(Q)B (AnalogySemi) | 2,5…5,5 | 500 | 300…550 | -40…125 | Есть | SOT23-5 | D1-VCC-D2-GND-GND |
| SA52733AAT (Silergy) AEC-Q100 | 3,0…5,5 | 500 | Н/Д | -40…125 | Есть | SOT23-5 | D1-VCC-D2-GND-GND |
| MX6501T (MAXINMicro) | 2,25…5,5 | 1000 | 400 | -40…125 | Нет | SOT23-6 | D1-VCC-D2-GND-NC-GND |
| Pin-to-pin аналоги хх6505 | |||||||
| NSIP6055A (Novosense) |
2,25…5,5 | 1000 | 160 | -40…125 | Есть | SOT23-6 | D1-VCC-D2-GND-EN-CLK |
| NSIP6055B (Novosense) | 2,25…5,5 | 1000 | 420 | -40…125 | Есть | SOT23-6 | D1-VCC-D2-GND-EN-CLK |
| TPM6505A(Q)-56TR (3PEAK) | 2,25…5,5 | 1000 | 160 | -40…125 | Есть | SOT23-6 | D1-VCC-D2-GND-EN-CLK |
| TPM6505B(Q)-56TR (3PEAK) | 2,25…5,5 | 1000 | 420 | -40…125 | Есть | SOT23-6 | D1-VCC-D2-GND-EN-CLK |
| TPM6505C-56TR (3PEAK) | 2,25…5,5 | 1000 | 2200 | -40…125 | Есть | SOT23-6 | D1-VCC-D2-GND-EN-CLK |
| TPM6505D-56TR (3PEAK) | 2,25…5,5 | 1000 | 160 | -40…125 | Нет | SOT23-6 | D1-VCC-D2-GND-EN-CLK |
| IS802B (AnalogSemi) | 2,5…5,5 | 500 | 275…550 | -40…125 | Есть | SOT23-6 | D1-VCC-D2-GND-EN-CLK |
Здесь хотелось бы отметить линейку недорогих чипов IS80x от компании AnalogySemi, а также семейство более продвинутых драйверов TPM650x производства компании 3PEAK, имеющих более высокую выходную мощность и расширенную функциональность. В состав продукции обоих производителей входят микросхемы, повыводно совместимые как с чипами xx6501, так и с чипами xx6505, причем практически все драйверы имеют модели, соответствующие отраслевому автомобильному стандарту AEC-Q100 (на это указывает индекс «Q» в наименовании изделия). В случае совместимости с xx6505 микросхема имеет вход разрешения работы, а также вход внешней частоты, что дает возможность синхронизировать несколько устройств от одного источника тактовых импульсов и обеспечивает большую гибкость при проектировании системы питания. Благодаря возможности расширения спектра сигнала, вся рассматриваемая продукция позволяет снизить уровень электромагнитных помех, формируемых импульсным преобразователем, а чипы от компании 3PEAK для еще большего снижения ЭМП имеют схему ограничения скорости нарастания выходного напряжения.
Основные электрические характеристики рассматриваемых микросхем приведены в таблице 7.
Таблица 7. Основные электрические параметры популярных двухтактных драйверов трансформаторов
| Параметр | Обозначение | IS801B | IS802B | TPM6501 | TPM6505 | |
|---|---|---|---|---|---|---|
| Повыводная совместимость | – | xx6501 | xx6505 | xx6501 | xx6505 | |
| Входное напряжение, В | VIN | +2,5…+5,5 | +2,25…+5,5 | |||
| Напряжение на стоках ключей, В | VVD1/2 | 0…+11,0 | -0,5…+30,0 | |||
| Допустимый ток через ключи, мА | ID1/2 | 500 | 1000 | |||
| Частота коммутации ключей (тип.), кГц | FOSC | 370 (VIN = +3,3 В)1; 380 (VIN = +5,0В)1 |
440 (6501A)2; 2200 (6501B) |
170 (6505A)3; 440 (6505B,D)2; 2200 (6505C) |
||
| Мертвое время (тип.), нс | TDEAD | 110…165 | 50 | |||
| Сопротивление открытого ключа (тип.) при ID1 = ID2 = 500 мА, TJ = 25°C, Ом | RON | 0,36 (VIN = +3,3 В); 0,34 (VIN = +5,0 В) |
0,30 (VIN = +2,25 В); 0,23 (VIN = +4,50 В) |
|||
| Потребление тока (макс.), мА | ICC | 0,45 (VIN = +5,0 В) | 4 (VIN = +5,0 В) | |||
| Напряжение включения (UVLO) | VUVLO_ON | +2,55 В(MAX)4 | +2,25 В(MAX) | |||
| Напряжение выключения (UVLO) | VUVLO_OFF | +2,00 В(TYP) | +1,65 В(MIN) | |||
| Дополнительные возможности | – |
|
|
|||
| Рабочая температура, °C | TA | -40…125 | -40…125 | |||
1 – полный диапазон возможных частот составляет 300 кГц…550 кГц
2 – полный диапазон возможных частот составляет 340 кГц…515 кГц
3 – полный диапазон возможных частот составляет 120 кГц…200 кГц
4 – обратите внимание: напряжение включения при пониженном питании (VUVLO_ON) может быть выше минимального рекомендуемого входного напряжения (VIN_MIN)
5 – за исключением микросхемы TPM6505D
Из приведенных данных видно, что если микросхемы ISO802B и TPM6505 в среднем близки по характеристикам к чипу xx6505 (за исключением рабочего тока ISO802B), то аналоги драйвера xx6501 существенно превосходят его по параметрам и дополнительным возможностям. Это следует учитывать при переходе на продукцию азиатских производителей – в ряде случаев она позволяет снизить себестоимость изделия не только за счет меньшей цены самого́ драйвера трансформатора, но и за счет исключения его дополнительного обвеса.
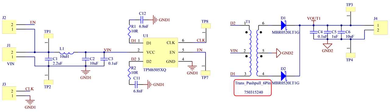
Следует отметить, что в ряде случаев производитель драйвера указывает в документации рекомендованные модели трансформаторов. Например, из типовой схемы включения чипов серии TPM6505 следует, что компания 3PEAK рекомендует использовать с этими микросхемами трансформатор модели 750315240, имеющий соотношение числа витков на первичной и вторичной обмотках, равное «1:1,1» (рисунок 12).
Однако, далеко не все производители приводят список рекомендованных моделей трансформаторов, поэтому зачастую разработчику приходится выбирать необходимый элемент самостоятельно. Основные критерии, по которым должен вестись выбор – это значение вольт-секундного интервала и требуемый коэффициент трансформации. Смысл первого критерия заключается в том, чтобы не допустить ухода сердечника трансформатора в насыщение. Как известно, размах индукции в катушке индуктивности может быть вычислен как
$$\Delta B=\frac{V\cdot t}{A_{E}\cdot N},\qquad{\mathrm{(}}{1}{\mathrm{)}}$$
поэтому для трансформатора с эффективным сечением сердечника AE и числом витков первичной обмотки N размах индукции ΔB будет прямо пропорционален произведению «V×t»:
$$\Delta B\sim V\cdot t.\qquad{\mathrm{(}}{2}{\mathrm{)}}$$
Для того, чтобы не произошло насыщение магнитопровода, спровоцированное превышением индукции B, вольт-секундный интервал проектируемого изолятора питания должен быть меньше минимального значения «V×t», приводимого в документации на трансформатор. Смысл второго критерия – выбрать коэффициент трансформации таким образом, чтобы на выходе проектируемого преобразователя при любом сочетании внешних факторов присутствовало напряжение не ниже требуемого. В идеальной двухтактной схеме типа Push-Pull выходное напряжение VOUT определяется только напряжением на входе VIN и соотношением числа витков на вторичной и первичной стороне (N2 и N1, соответственно):
$$V_{OUT}=\frac{N2}{N1}\cdot V_{IN}=n\cdot V_{IN}.\qquad{\mathrm{(}}{3}{\mathrm{)}}$$
Однако, в реальном преобразователе всегда будут присутствовать потери. На вторичной стороне они возникают за счет падения напряжения на диодах выпрямителя (VF), а на первичной – за счет ненулевого сопротивления канала внутреннего ключа RON, протекая через которое ток обмотки ID создает «паразитное» падение напряжения VDS = ID × RON (рисунок 13).

Рис. 13. Потери на вторичной стороне преобразователя
Кроме того, некоторые потери, обусловленные сопротивлением обмоток, поверхностным эффектом, неидеальностью сердечника и так далее, имеет и сам трансформатор – КПД реальных образцов, массово выпускаемых промышленностью, обычно составляет ηTR = 96%…97%. В результате на первичной обмотке будет действовать не полное входное напряжение VIN, а уменьшенное:
$$V_{P}=V_{IN}-V_{DS}=V_{IN}-I_{D}\cdot R_{ON},\qquad{\mathrm{(}}{4}{\mathrm{)}}$$
а для того, чтобы получить требуемую величину VOUT, со вторичной обмотки на диод должно поступать увеличенное напряжение:
$$V_{S}=V_{OUT}+V_{F}.\qquad{\mathrm{(}}{5}{\mathrm{)}}$$
Поэтому необходимый коэффициент трансформации реального преобразователя всегда будет больше идеального значения, и может быть вычислен как
$$n=\frac{N2}{N1}=\frac{V_{S}}{\eta_{TR}\cdot V_{P}}=\frac{V_{OUT}+V_{F}}{\eta _{TR}\cdot \left(V_{IN}-I_{D}\cdot R_{ON} \right)}.\qquad{\mathrm{(}}{6}{\mathrm{)}}$$
Таким образом, общий алгоритм действий, который можно рекомендовать разработчику изолятора питания на базе драйверов трансформатора типа xx6501/xx6505, выглядит так:
- Выбор диодов. Первым шагом необходимо выбрать модель диодов, которые будут использоваться в выходном выпрямителе преобразователя. Выбор обычно осуществляется по трем основным параметрам: тип диода, его рабочий ток и допустимое обратное напряжение. Как следует из приведенной ниже схемы двухтактного преобразователя, в устоявшемся режиме обратное напряжение на диодах будет складываться из напряжения на нагрузке и напряжения на неактивной обмотке, т.е. составит VR = VS+VOUT = 2∙VOUT + VF (рисунок 14).

Рис. 14. К выбору диода для выходного выпрямителя преобразователя
Амплитуда токовых импульсов, протекающих через диод (IF), будет равна выходному току преобразователя (IOUT), причем коэффициент заполнения данных импульсов не превысит DC=50%. Поэтому среднее значение тока через выпрямитель будет меньше величины IF_AVG = DC×IOUT = 0,5×IOUT, а среднеквадратичное – меньше IF_RMS = √DC×IOUT = 0,707×IOUT. Каким из этих значений руководствоваться при выборе диода – решать разработчику, однако рекомендуется использовать либо амплитудную, либо среднеквадратичную величину (последняя имеет прямое отношение к нагреву элемента). Что же касается типа используемых диодов, то для увеличения общего КПД источника в рассматриваемой схеме лучше применять диоды Шоттки, поскольку они имеют наименьшее падение напряжения. Кроме того, диоды данного типа обладают малым временем восстановления, что крайне важно для высокочастотных схем, к которым относятся изоляторы питания на базе драйверов трансформатора с их рабочими частотами в несколько сотен килогерц.
Таким образом, рекомендации по выбору выходных диодов можно сформулировать так:
| тип диода: | Шоттки; |
| допустимый прямой ток диода: | ≥ [1,5…2,0]×IOUT; |
| допустимое обратное напряжение: | ≥ 2×[2∙VOUT + VF], |
| где VF – прямое падение напряжения на выбранном диоде при токе IOUT. | |
Обычно в качестве выходных диодов производители рекомендуют использовать диоды модели MBR0520L (500 мА/20 В) или MBR0530L (500 мА/30 В) в зависимости от выходного напряжения. Однако, в преобразователях с небольшим выходным током вполне могут применяться сдвоенные диоды в более компактном корпусе SOT-23-3 (например, BAT54C). Обратите внимание на то, что в случае диодов Шоттки недостаточный запас по напряжению может привести к значительному росту обратного тока IR (рисунок 15).

Рис. 15. Зависимость обратных напряжения и тока для типичного диода Шоттки
Это, в свою очередь, спровоцирует разогрев выходного выпрямителя за счет возрастания мощности PR, выделяемой на закрытом диоде:
$$P_{R}=DC\cdot I_{R}\cdot V_{R}\approx 0.5\cdot I_{R}\cdot \left(2\cdot V_{OUT}+V_{F} \right),\qquad{\mathrm{(}}{7}{\mathrm{)}}$$
что вызовет еще больший рост обратного тока. В результате этого возможно возникновение лавинообразного процесса, который может привести не только к резкому падению выходного напряжения выпрямителя, но и к выходу его из строя.
- Выбор трансформатора. Как говорилось выше, основными критериями для выбора трансформатора служат его вольт-секундный интервал и коэффициент трансформации. Сперва необходимо вычислить значение «V×t» для разрабатываемого преобразователя. В худшем случае оно будет равно
$$\left[V\cdot t \right]_{DRV\_MAX}=DC\cdot V_{IN\_MAX}\cdot T_{MAX}=0.5\cdot \frac{V_{IN\_MAX}}{f_{SW\_MIN}},\qquad{\mathrm{(}}{8}{\mathrm{)}}$$
где DC=50% – предельно возможный коэффициент заполнения для драйвера трансформатора, fSW_MIN – его минимальная рабочая частота, а VIN_MAX – максимально возможное входное напряжение схемы (например, при VIN = +5,0В±10% значение VIN_MAX будет равно VIN_MAX = 110%∙5,0В = +5,5В). Далее по формуле 6 определяется необходимый коэффициент трансформации, причем, для гарантированной работы преобразователя необходимо задаваться наихудшими условиями:
$$n_{MIN}=\frac{V_{OUT}+V_{F\_MAX}}{\eta _{TR}\cdot \left(V_{IN\_MIN}-I_{D\_MAX}\cdot R_{ON\_MAX} \right)}.\qquad{\mathrm{(}}{9}{\mathrm{)}}$$
Здесь VOUT – требуемое выходное напряжение, VF_MAX – максимально возможное падение на выходных диодах с учетом температурного режима работы устройства, ηTR – КПД трансформатора, обычно равный 96%…97%, VIN_MIN – минимально возможное входное напряжение (вычисляется аналогично VIN_MAX), RON_MAX – максимальное сопротивление открытого канала ключа драйвера, а ID_MAX – максимальный ток через него. Отметим, что производитель обычно рекомендует значения RON_MAX и ID_MAX брать из документации на драйвер, что вполне приемлемо для микросхем малой мощности с рабочим током до 350 мА. Однако для мощных драйверов такой подход может привести к необоснованно высокому значению коэффициента трансформации, при котором выходное напряжение в реальном преобразователе будет завышенным. Поэтому здесь представляется более корректным в качестве величины ID_MAX использовать значение тока, «отраженного» трансформатором со вторичной стороны на первичную, взятое с небольшим запасом k = 0,2…0,3:
$$I_{D\_MAX}=\left(1+k \right)\cdot \frac{V_{OUT}}{V_{IN}}\cdot I_{OUT}.\qquad{\mathrm{(}}{10}{\mathrm{)}}$$
Тогда основные требования к выбираемому трансформатору будут следующие:
| тип трансформатора: | с отводом от середины обмоток; |
| вольт-секундный интервал: | ≥ [V×t]DRV_MAX; |
| коэффициент трансформации: | ≥ nMIN. |
Прочие критерии, такие как напряжение пробоя изоляции, стоимость, габариты, конфигурация выводов и т.д., определяются конкретным проектом и не являются объектом рассмотрения предлагаемого алгоритма.
- Выбор конденсаторов. Обычно в самостоятельно проектируемых изоляторах питания используются керамические многослойные конденсаторы с типом диэлектрика X7R, поскольку они имеют стабильные характеристики, небольшие габариты и приемлемую стоимость. В общем случае схеме требуется три конденсатора: блокировочный, входной и выходной. Блокировочный конденсатор устанавливается на питающие выводы драйвера и обеспечивает его корректную работу. Входной конденсатор подключается непосредственно к средней точке первичной обмотки трансформатора и служит аккумулятором энергии для коротких бросков тока, возникающих при переключении внутренних ключей микросхемы. Выходной конденсатор сглаживает пульсации выходного напряжения, а также его провалы, возникающие при переходных процессах в нагрузке. Номиналы конденсаторов, используемых в двухтактных схемах типа Push-Pull, сильно зависят от модели примененного в ней драйвера трансформатора и обычно приводятся в документации на выбранную микросхему. Типовые значения этих емкостей приведены ниже:
| блокировочный: | 0,047…0,47 мкФ |
| входной: | 1,0…10,0 мкФ |
| выходной: | 1,0…10,0 мкФ |
Напомним, что при использовании керамических конденсаторов необходимо учитывать зависимость их номинала от приложенного напряжения (см. раздел «Готовые интегральные решения»).
Также необходимо отметить, что выходное напряжение преобразователя на базе драйверов трансформатора типа xx6501/xx6505 является нестабилизированным и довольно сильно падает с ростом нагрузки. Поэтому в тех случаях, когда требуется получить стабильную шину питания для аналогового тракта, на выход данного преобразователя рекомендуется устанавливать линейный стабилизатор с малым падением напряжения. Такой подход, помимо стабилизации выхода изолятора питания, позволяет при необходимости существенно улучшить его шумовые характеристики за счет применения МШЛС (см. первую главу данной статьи) (рисунок 16).

Рис. 16. Получение стабилизированного выходного напряжения преобразователя
При разработке печатной платы для преобразователя, построенного на базе драйверов трансформатора типа xx6501/xx6505, необходимо учитывать следующие требования:
- блокировочный конденсатор должен располагаться как можно ближе к микросхеме драйвера;
- соединения между стоками внутренних ключей драйвера и выводами первичной обмотки трансформатора, а также между выводом питания микросхемы и средней точкой первичной обмотки должны быть максимально короткими для минимизации индуктивности дорожек;
- входной конденсатор должен располагаться как можно ближе к средней точке первичной обмотки трансформатора;
- соединения между диодами и выводами вторичной обмотки трансформатора, а также между изолированной землей и средней точкой вторичной обмотки должны быть максимально короткими для минимизации индуктивности дорожек;
- все соединения с земляными полигонами на другой стороне печатной платы должны выполняться при помощи двух и более переходных отверстий для минимизации индуктивности соединения.
Пример корректной трассировки печатной платы показан на рисунке 17.

Рис. 17. Трассировка печатной платы преобразователя на базе драйверов типа xx6501/xx6505
В завершение данного пункта хотелось бы отметить, что применение связки «драйвер трансформатора + готовый трансформатор» не ограничивается схемой, рассмотренной выше. Небольшие изменения топологии выпрямителя позволяют получить преобразователи с двухполярным выходом, а также умножители напряжения с повышающим коэффициентом 2 и 4. Примеры таких схем приведены на рисунке 18 (здесь n = N2/N1 – коэффициент трансформации):

Рис. 18. Расширение функционала преобразователей напряжения
Обратите внимание на то, что для расширения функционала преобразователя требуется минимум компонентов.
Дополнительные материалы
- Д. Илларионов, Формирование системы питания с малым шумом для аналогового тракта. Часть 1
- Д. Илларионов, Формирование системы питания с малым шумом для аналогового тракта. Часть 2
- Rayan Bajwa, Murat Kaya Yapici, Integrated On-Chip Transformers: Recent Progress in the Design, Layout, Modeling and Fabrication, Sensors 2019, 19

Наши информационные каналы