MORNSUN – это не только модули. Собственные микросхемы известного производителя ИП
13 сентября 2022
Константин Кузьминов (г. Заполярный)
Производитель популярных модулей электропитания MORNSUN помимо них предлагает также микросхемы ШИМ-контроллеров для AC/DC и DC/DC, микросхемы запуска (стартеры) для этих ШИМ-контроллеров, драйверы интерфейсов RS-485 и CAN и микросхемы изоляторов для гальванической развязки интерфейсов и цифровых сигнальных линий. В некоторых случаях эти изделия превосходят по характеристикам изделия европейских и американских производителей.
Компания MORNSUN давно известна российским разработчикам как надежный партнер по производству и поставке модулей питания. Укреплению репутации компании способствует не только индивидуальный и бережный подход к клиентам, но и собственные дизайнерские центры и инвестиции в разработки и исследования. Это позволило MORNSUN не только обеспечить ШИМ-контроллерами собственные модули питания, но и производить иные компоненты, такие как интегральные схемы (ИС) цифровых изоляторов, интерфейсов, стартеров для ШИМ-контроллеров, генераторов для пьезоизлучателей, ряд моточных изделий и другие. Часть этих компонентов представлена в статье.
ШИМ-контроллеры для AC/DC-преобразователей
Для построения источников питания, работающих в сетях переменного тока, компания MORNSUN предлагает несколько вариантов ИС. Серия SCM17хх – обратноходовые ШИМ-контроллеры со встроенным силовым ключом, с обратной связью (ОС) от первичной или вторичной сторон. На рисунке 1 (здесь и далее расположение выводов микросхем в типовых и рекомендуемых схемах показано в соответствии с их фактическим расположением на корпусах) изображена типовая схема включения контроллера SCM1738ASA с ОС от первичной стороны, от встроенного силового ключа и вспомогательной обмотки трансформатора, что исключает необходимость в оптопаре, передающей данные о выходном токе источника питания. Максимальная мощность контроллера SCM1738ASA составляет 8 Вт.

Рис. 1. Типовая схема включения SCM1738ASA
Микросхема выполнена в SMD-корпусе SOP-7, назначение выводов приведено в таблице 1.
Таблица 1. Выводы корпуса SOP-7 контроллера SCM1738ASA
| № | Обозначение вывода | Назначение вывода |
|---|---|---|
| 1 | VDD | Плюс напряжения питания от вспомогательной обмотки трансформатора, требует установки блокировочного конденсатора. |
| 2 | FB | Напряжение обратной связи от вспомогательной обмотки трансформатора и программирование компенсации потерь на кабеле. |
| 3 | NC | Не используется |
| 4 | Isen | Вход для датчика тока. |
| 5, 6 | Drain | Сток встроенного MOSFET в качестве силового ключа и вход высоковольтного питания для запуска контроллера |
| 7 | GND | Общий, требуется избегать длинных линий к нему |
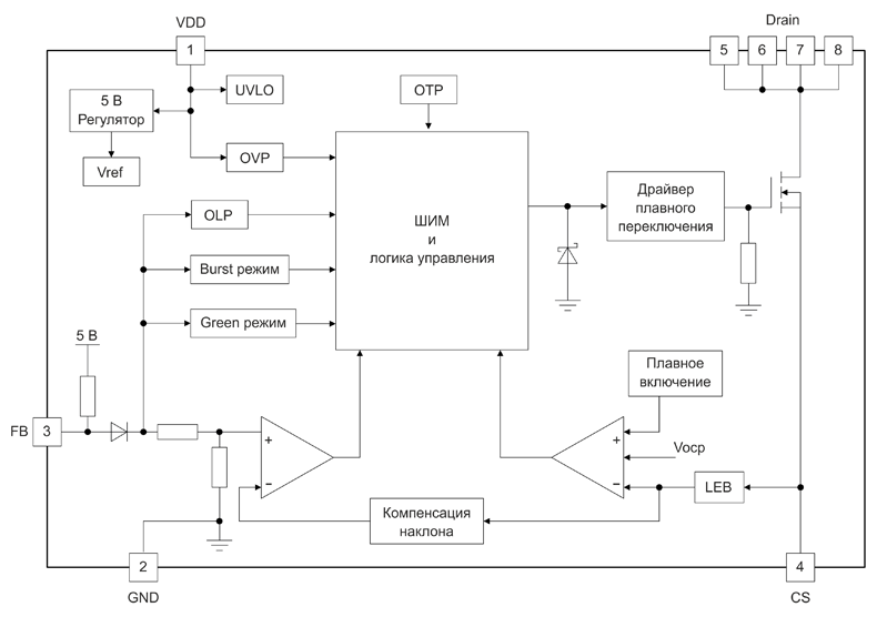
Контроллер может работать в режимах постоянного напряжения (CV) и постоянного тока (СС), имеет возможность программируемой компенсации падения напряжения на кабеле. Это позволяет преобразователю в режиме CV обеспечить более точное выходное напряжение во всем диапазоне нагрузок. Программирование компенсации осуществляется значениями сопротивлений делителя на входе FB. На блок-схеме SCM1738ASA (рисунок 2) видно, что контроллер обладает широким защитным функционалом: от превышения максимального тока (OCP), перегрузки по мощности (OLP), перегрева (OTP), превышения напряжения (OVP), напряжения ниже рабочего значения (UVLO). Устойчивость работы также обеспечивается блокированием ложных фронтов (LEB) на управляющем сигнале ключа, появляющихся из-за помех на датчике тока.

Рис. 2. Блок-схема SCM1738A
ШИМ-контроллер SCM1733ASA предназначен для построения источников питания мощностью до 20 Вт (при входном напряжении 230 В АС) с обратной связью со вторичной стороной через оптотранзистор и питанием от вспомогательной обмотки.

Рис. 3. Типовая схема включения SCM1733ASA
Как видно на типовой схеме включения (рисунок 3), у микросхемы восемь выводов, назначение которых схоже с описанием выше для SCM1738. Контроллер SCM1733ASA имеет несколько режимов работы. При нормальных рабочих условиях он находится в штатном режиме с частотой преобразования 65 кГц. При уменьшении тока нагрузки включается режим «Green» – линейное снижение частоты до 22 кГц, что снижает потери на переключении ключа и в сердечнике трансформатора и, как следствие, повышает КПД преобразования. При дальнейшем снижении нагрузки или при ее отсутствии контроллер перейдет в «Burst» – режим ожидания с эпизодическим переключением ключа. Это еще более минимизирует потери и максимально снижает энергопотребление. Блок-схема контроллера SCM1733ASA показана на рисунке 4.

Рис. 4. Блок-схема SCM1733ASA
Достаточно большой ряд компенсационных и защитных функций контроллеров AC/DC преобразователей производства MORNSUN обеспечивает очень высокую точность выходного напряжения, хорошую динамику отклика на изменение нагрузки, плавный пуск и несколько режимов работы, устойчивость к внешним помехам и отслеживание аварийных ситуаций, например, отсутствие данных на измерительных входах. Некоторые общие характеристики контроллеров приведены в таблице 2.
Таблица 2. Характеристики ШИМ-контроллеров серии SCM17xx
| Наименование | SCM1733ASA | SCM1738ASA |
|---|---|---|
| Встроенный силовой ключ | да | |
| Максимальная выходная мощность при входном напряжении в диапазоне 90…264 В АС, Вт | 18 | 8 |
| Максимальное входное напряжение ключа, В | 650 | |
| Продолжительный ток встроенного ключа, А | 4 | 1 |
| Рекомендуемая частота преобразования, кГц | 60…70 | – |
| Диапазон напряжений питания, В | 10…26 | |
| Диапазон рабочих температур, °С | -40…125 | |
| Температура срабатывания OTP, °С | 150 | |
| Температура отключения OTP, °С | 120 | |
| Корпус | SOP-8 | SOP-7 |
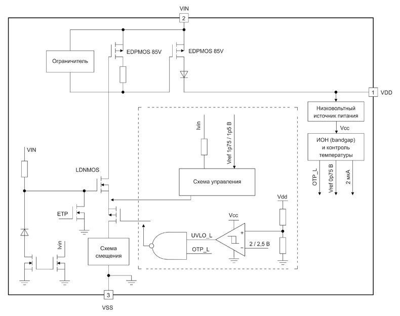
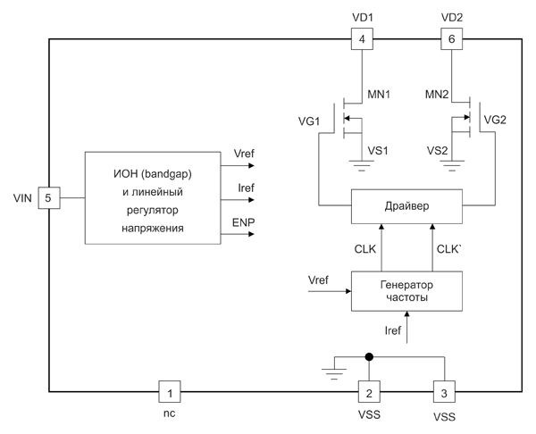
Специализированная микросхема для запуска (стартер) ШИМ-контроллеров AC/DC SCM9603BTA для входных напряжений до 85 В DC предназначена для ШИМ-контроллеров изолированных DC/DC-преобразователей. Ее блок-схема показана на рисунке 5. Указанный на ней блок ИОН (bandgap) – источник опорного напряжения, построенный на запрещенной зоне.

Рис. 5. Блок-схема стартера SCM9603BTA
SCM9603BТА оперирует двумя значениями тока зарядки конденсатора: 2,3 мА при входном напряжении менее 9 В и выходном менее 8 В, и 20 мА при достижении этих значений напряжений. При появлении напряжения на выходе более 10 В рабочий ток стартера становится менее 150 мкА.
Стартер обладает защитным функционалом, позволяющим избежать повреждения или сбоя в работе при коротких замыканиях на выходе или недостаточной емкости блокировочного конденсатора ШИМ-контроллера. SCM9603BТА имеет защиту от перегрева, срабатывающую при 155°С (отключение при 125°С). Характеристики стартера приведены в таблице 3.
Таблица 3. Характеристики стартера SCM9603
| Диапазон входных напряжений, В DC | 4…85 |
|---|---|
| Выходное напряжение, В DC | 7,52…10,6 |
| Номинальный (максимальный) выходной ток, мА | 2,3(-); |
| 20(-) | |
| Емкость блокировочного конденсатора, мкФ | 0,047…20 |
| Диапазон рабочих температур, °С | -40…125 |
| Корпус | SOT23-3 |
Понижающие DC/DC-преобразователи
Построить неизолированный DC/DC-преобразователь компания MORNSUN предлагает на понижающих (step-down) ШИМ-контроллерах SCM1301ATA и SCM1316AFA, блок-схемы которых изображены на рисунках 6 и 7, соответственно.

Рис. 6. Блок-схема контроллера SCM1301ATA

Рис. 7. Блок-схема контроллера SCM1316AFA
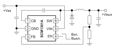
Котроллер асинхронного преобразования SCM1301ATA выполнен в корпусе SOT23-6L, работает на фиксированной частоте 700 кГц и требует совсем небольшого количества внешних компонентов, что можно увидеть на рекомендуемой схеме (рисунок 8). Диапазон входных напряжений составляет 4,5…40 В. Встроенный силовой ключ способен обеспечить ток нагрузки до 1 А. Вход управления позволяет перевести контроллер в спящий режим с током потребления всего 1,6 мкА.

Рис. 8. Рекомендуемая схема DC/DC-преобразователя с контроллером SCM1301ATA
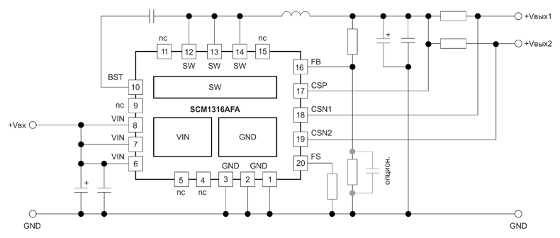
Контроллер SCM1316AFA, как и SCM1301ATA, не требует большого количества внешних компонентов, но при этом имеет существенные отличия:
- синхронное преобразование;
- возможность построить источник питания с двумя выходами с индивидуальным контролем тока для каждого;
- выбор частоты преобразования;
- встроенный полумостовой ключ, позволяющий обеспечить ток до 6 А;
- корпус QFN5*5-20.
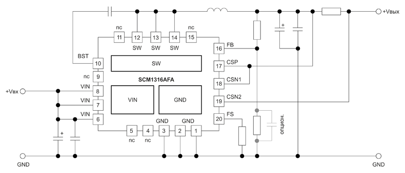
Как видно на схемах преобразователей (рисунки 9 и 10) на основе SCM1316AFA, варианты с двумя и одним выходом различаются всего лишь замыканием отрицательного входа (CSN1) на общий положительный вход (CSP) датчика тока. Частота преобразования задается номиналом резистора на входе FS.

Рис. 9. Схема DC/DC-преобразователя с контроллером SCM1316AFA с двумя выходами

Рис. 10. Схема DC/DC-преобразователя с контроллером SCM1316AFA с одним выходом
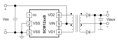
Контроллеры серии SCM13xx имеют защиту от короткого замыкания и перегрева (на блок-схемах не показаны) и позволяют построить высокоэффективные источники питания, работающие в широком диапазоне входных напряжений, обеспечивая стабильные параметры выхода с малыми пульсациями. Однако, не менее важны преобразователи, обеспечивающие небольшой ток и рассчитанные на малые входные напряжения, например, для использования в решениях с гальванической изоляцией сигналов. Такие преобразователи достаточно просто могут быть построены с применением серии SCM12xxB – двухтактных контроллеров со встроенными силовыми ключами (рисунок 11).

Рис. 11. Блок-схема контроллеров SCM12xxB
Данная серия представлена двумя вариантами контроллеров SCM1201B и SCM1212B, различающихся количеством и назначением выводов (рисунок 12).

Рис. 12. Различие корпусов контроллеров SCM1201B и SCM1212B
Оба контроллера имеют защиту от короткого замыкания на выходе, притом они отличают его от броска тока при заряде конденсаторов, переходя в последнем случае в режим СС и тем самым обеспечивая возможность работы со значительной емкостной нагрузкой в несколько тысяч мкФ. Защитный комплекс включает в себя OTP, UVLO, а также способность выдержать превышение входного напряжения до 9 В (при номинальном 2,7…5,5) в течение 1 секунды. Кроме того, надежность работы обеспечивается схемой плавного запуска, а идентичность ключевых транзисторов MOSFET N-канала уменьшает значение магнитного смещения в сердечнике трансформатора. Типовая схема включения SCM12xxB показана на рисунке 13.

Рис. 13. Типовая схема включения SCM12xxB
В таблице 4 приведены основные характеристики и назначение описанных выше контроллеров для преобразователей DC/DC.
Таблица 4. Характеристики контроллеров MORNSUN для DC/DC-преобразователей
| Наименование | SCM1201BTA | SCM1212BTA | SCM1301ATA | SCM1316AFA |
|---|---|---|---|---|
| Топология преобразователя | двухтактный | асинхронный | синхронный | |
| Изолированный преобразователь | да | нет | ||
| Встроенный силовой ключ | да | |||
| Диапазон входных напряжений, В | 2,5…6 | 4,5…40 | 7…38 | |
| Максимальный ток силового ключа, А | 0,6 | 1 | 6 | |
| Частота преобразования, кГц | 195…245 | 700 | 130…300 | |
| Диапазон рабочих температур, °С | -40…150 | -40…125 | -40…150 | |
| Корпус | SOT-23-6 | SOT23-5 | SOT23-6L | QFN5*5-20 |
Драйверы интерфейсов RS-485 и CAN
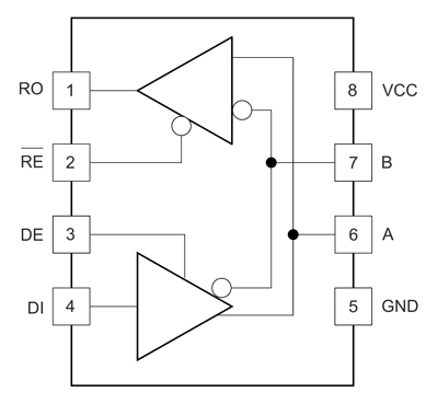
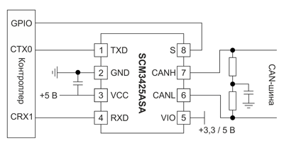
Помимо решений для источников питания, компания MORNSUN предлагает драйверы интерфейсов: полудуплексный трансивер SCM3406ASA для RS-485, блок-схема которого приведена на рисунке 14, и высокоскоростной трансивер CAN-шины SCM3425ASA с типовой схемой включения, показанной на рисунке 15. Оба трансивера имеют одинаковые корпуса SOP-8 и способны работать в диапазоне рабочих температур -40…125°С.

Рис. 14. Блок-схема трансивера SCM3406ASA
Трансивер SCM3406ASA содержит один приемник и один передатчик. Приемник имеет входной фильтр защиты от помех, а передатчик оснащен защитой от коротких замыканий на линии. Питание трансивера однополярное, в диапазоне 3…5,5 В, скорость передачи данных до 10 Мб/c, нагрузочная способность на шине до 256 узлов, допустимый диапазон напряжений на сигнальных линиях шины: -7…12 В. Надежность эксплуатации обеспечивается не только защитой от КЗ, но и высокой стойкостью к ESD – до 15 кВ.

Рис. 15. Типовая схема включения трансивера SCM3425ASA
Несмотря на то, что трансивер CAN-шины SCM3425ASA требует питания 4,5…5,5 В, его интерфейс способен работать с сигналами уровня 3 В. Напряжение на линиях шины допускается в пределах -42…42 В. Трансивер полностью соответствует стандарту ISO 11898 и поддерживает CANFD. Максимальная скорость обмена данными 5 МБ/с, количество узлов на шине – до 110. Помимо защиты передатчика от превышения тока из-за аварийных ситуаций или перегрузки шины, трансивер имеет защиту от перегрева. OTP уменьшает ток в передатчике, не влияя на остальной функционал. Кроме того, вход S позволяет отключить передатчик, переключив трансивер только в режим приема.
Микросхемы гальванической развязки цифровых сигналов и интерфейсов
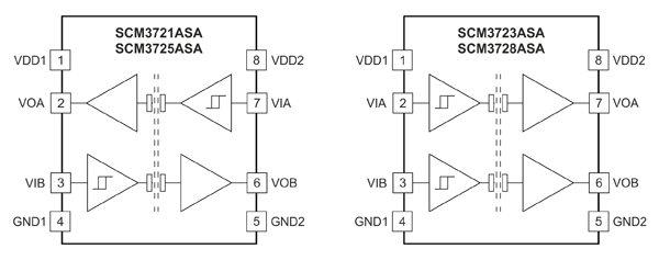
Для тех приложений, где необходимо гальванически изолировать интерфейсы RS-485, CAN или цифровые сигналы, например, внешнего АЦП, компания MORSNUN предлагает несколько универсальных и специализированных решений: изоляторы серий SCM372x, TD51, TD541 и TDA51S.

Рис. 16. Блок-схема изоляторов серии SCM372x
Изоляторы серии SCM372x выполнены в корпусе SOP-8, два варианта исполнения обеспечивают одно- или двунаправленную изоляцию 3000 В АС двух линий цифровых данных (рисунок 16). Изоляторы работают при напряжении питания 3…5,5 В, температуре окружающей среды -40…125°С и способны обеспечить трансляцию логических уровней такого же диапазона напряжений, как у питания. Различия внутри серии приведены в таблице 5.
Таблица 5. Основные различия изоляторов серии SCM372x
| Наименование | SCM3721ASA | SCM3723ASA | SCM3725ASA | SCM3728ASA |
|---|---|---|---|---|
| Количество направлений линий данных внутри корпуса | 2 | 1 | 2 | 1 |
| Уровень выхода по умолчанию | высокий | низкий | ||
| Устойчивость к синфазным переходным процессам (CMTI), кВ/мкс | ±150 | ±75 | ||
| Скорость передачи данных, Мб/с | 0,15 | 10 | ||
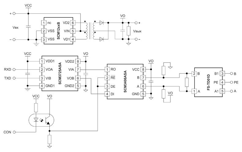
Используя изоляторы этой серии, а также ранее описанные компоненты – контроллер двухтактного преобразователя серии SCM12xx и трансиверы SCM34хх, можно построить решение по гальваническому изолированию интерфейсов CAN и RS-485 только на компонентах компании MORNSUN, учитывая наличие у компании и собственного ряда трансформаторов для преобразователей. Пример решения для интерфейса RS-485 показан на рисунке 17 (на схеме также присутствует FS-TD01D – компонент защиты в виде сборки из супрессоров и газоразрядников производства MORNSUN).

Рис. 17. Гальванически изолированный интерфейс RS-485 на основе компонентов компании MORNSUN
Иное решение гальванической изоляции может быть осуществлено с использованием изоляторов серий TD51 и TD541, которые в корпусах стандартов обычных микросхем содержат изолированный DС/DC-преобразователь и 4 линии цифровых сигналов (рисунок 18). Преобразователь построен на основе трансформатора с воздушным сердечником, высокими добротностью и КПД, низким уровнем излучения. В качестве изоляции в трансформаторе используется тонкопленочный полимер. Как и контроллеры преобразователей, изоляторы серий TD51 и TD541 построены с комплексом защитных механизмов (OTP, UVLO, OCP) и системой плавного запуска. Цифровые сигналы имеют модуляцию OOK, в целях повышения помехоустойчивости передаются дифференциально и изолированы друг от друга через материал SiO2 по принципу емкостной связи, обеспечивая тем самым высокую устойчивость к электромагнитным воздействиям.

Рис. 18. Блок-схема изоляторов серий TD51 и TD541
Направления передачи по четырем линиям могут иметь различную комбинацию, поэтому данная серия представлена в пяти вариантах, показанных на рисунке 19. Вариант закодирован в маркировке TD541S-4xH(L) порядковым номером вместо символа х, а символ H или L означает уровень сигнала на выходе линий при первоначальном запуске.

Рис. 19. Комбинации направлений изоляторов серий TD51 и TD541
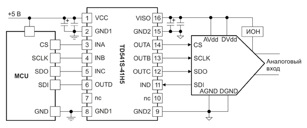
Наличие всех вариантов комбинаций направления линий данных позволяет оптимально подобрать изолятор под конкретную задачу, например, для изоляции АЦП, как изображено на рисунке 20.

Рис. 20. Пример использования изолятора TD541S-41H5 для гальванической развязки АЦП
Одно из отличий изолятора TD51S-41HC от серии TD541 – вход SEL, позволяющий выбрать на выходе VISO уровень напряжения 3,3 или 5 В. Выбор значения выходного напряжения в серии TD541 осуществляется избранием определенного варианта изолятора, уровень напряжения обозначен последней цифрой в маркировке. Остальные характеристики и отличия приведены в таблице 6.
Таблица 6. Характеристики изоляторов серий TD51 и TD541
| Наименование | TD541 | TD51 |
|---|---|---|
| Изоляция, В DС | 5000 | |
| Устойчивость к ESD (HBM), кВ | ±8 | нет данных |
| Напряжение питания, В DC | 4,75…5,25 | 3…5,5 |
| Минимальное напряжение уровня логической 1 на входе, В | 2 | |
| Минимальный ток на выходе, мА | -4 | |
| Максимальный ток на выходе, мА | 4 | |
| Максимальная скорость передачи данных, Мб/с | 150 | |
| Номинальная задержка сигнала, нс | 8 | 10 |
| Устойчивость к синфазным переходным процессам (CMTI), кВ/мкс | 75…100 | 100…150 |
| Диапазон рабочих температур, °С | -40…125 | |
| Корпус | DFN-16 | SOIC-16WB |
Как видно на рисунке 17, решение изоляции интерфейсов RS-485 и CAN потребовало трех компонентов. Применение изоляторов серий TD51 и TD541 позволит сократить это количество до двух. Однако компания MORNSUN готова предложить и третий вариант: TDA51S485HC и TDA51SCANHC – специализированные изоляторы интерфейсов RS-485 (полудуплекс) и CAN. На рисунках 21 и 22 показаны типовые схемы их включения, а в таблице 7 приведены основные характеристики.

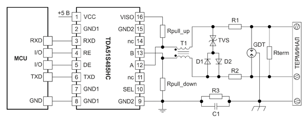
Рис. 21. Типовая схема изолированного интерфейса RS-485 на основе TDA51S485HC

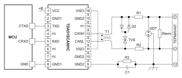
Рис. 22. Типовая схема изолированного интерфейса CAN на основе TDA51SCANHC
Как и у ранее рассмотренных трансиверов и универсальных изоляторов, изоляторы интерфейсов RS-485 и CAN имеют защитные механизмы от возможных перегрузок и замыканий на шинах.
Таблица 7. Характеристики изоляторов TDA51S485HC и TDA51SCANHC
| Наименование | TDA51S485HC | TDA51SCANHC |
|---|---|---|
| Изоляция, В DС | 5000 | |
| Устойчивость к ESD линий данных (HBM), кВ | ±6 | ±5 |
| Стандарт интерфейса | TIA/EIA-485A | ISO11898-2 |
| Напряжение питания, В DC | 3,5…5,5 | 4,5…5,5 |
| Минимальное напряжение уровня логической 1 на входе, В | 2 | |
| Количество узлов на шине | 256 | 110 |
| Максимальная скорость передачи данных, Мб/с | 0,5 | 1 |
| Номинальная задержка сигнала передатчика, нс | 16 | 55 (off);75(on) |
| Номинальная задержка сигнала приемника, нс | 80 | 80(off);110(on) |
| Устойчивость к синфазным переходным процессам (CMTI), кВ/мкс | 100…150 | |
| Диапазон рабочих температур, °С | -40…125 | |
| Корпус | SOIC-16WB | |
Решение компании MORNSUN представить рынку рассмотренные выше компоненты позволяет российским разработчикам не только найти замену аналогичным компонентам в кризисных условиях, но и получить преимущество в конкурентноспособности приложений, так как решения от MORNSUN могут быть не только оперативно поставлены по более низкой стоимости, но в некоторых случаях отличаются в лучшую сторону от аналогичных решений европейских или американских производителей как по количеству необходимых внешних компонентов, так и по рабочим характеристикам. Продукция компании MORNSUN соответствует требованиям российских стандартов и подходит для применения в приложениях промышленного назначения и бытовых устройствах. Стандарт AEC-Q100, которому соответствуют ИС контроллеров DC/DC SCM12хх и драйверы интерфейса CAN SCM3425ASA, разрешает их применение в электронном оборудовании автомобильного транспорта.
Приобрести продукцию MORNSUN можно на сайте КОМПЭЛ.
Записаться на вебинар «Решения MORNSUN для промышленных применений: от микросхем до ИП на DIN-рейку», который пройдет 02.11.2022, вы можете здесь>>
Наши информационные каналы