MEAN WELL – эксперт по источникам питания. 100 вопросов о ИП MW
24 апреля 2024
Производя более 10 тысяч стандартных и ряд специализированных моделей источников питания и придерживаясь принципа полной поддержки клиентов, крупнейший мировой производитель ИП, компания MEAN WELL, подготовила список часто задаваемых вопросов о выпускаемой ею продукции с ответами на них. В отдельную группу выделены вопросы и ответы по светодиодным драйверам.
Ассортимент источников питания (ИП) компании MEAN WELL огромен. Чтобы пользователь мог безошибочно выбрать вариант, отвечающий поставленным задачам и условиям эксплуатации, MEAN WELL опубликовала ответы на некоторые вопросы по видам ИП, расшифровке терминов, правилам безопасного использования, возможностям интеграции в системы автоматизации (например, «умный дом») и многим другим темам. Ответы на наиболее популярные вопросы приводятся в предлагаемом материале.
Общие вопросы об источниках питания компании MEAN WELL
-
Какие вы можете дать советы по выбору импульсных источников питания?
-
- Эффективно повысить надежность работы ИП позволит «запас прочности» – выбор источника питания с выходной мощностью на 30% выше необходимой.
- Необходимо учитывать температуру окружающей среды и наличие/отсутствие дополнительных способов охлаждения. Если ИП работает в условиях высоких температур, его выходная мощность будет меньше номинальной. График зависимости снижения допустимой выходной мощности от температуры окружающей среды можно найти в спецификации (его пример будет показан ниже на рисунке 9 в вопросе о способе установки).
- Исходя из области применения, определите необходимый набор функций блока питания:
-
- Защита от перенапряжения (OVP), защита от перегрева (OVP), защита от перегрузки (OLP) и т.д;
- Сигнализация состояний (исправное питание, сбой питания), дистанционное управление, измерительный вход и т.д.;
- Специальные функции: коррекция коэффициента мощности (PFC), функция бесперебойного питания (ИБП).
- Убедитесь, что выбранный источник питания соответствует необходимым стандартам безопасности и нормам электромагнитной совместимости (EMC).
-
Где находятся отчеты об испытаниях ИП MEAN WELL?
- Всю информацию об источниках питания и другой продукции можно получить на сайте компании по адресу. На странице продукта предлагается спецификация, отчеты о тестировании (меню «REPORT», рисунок 1), сертификаты и декларации соответствия CE и UK, а также некоторые прочие данные.

Рис. 1. Веб-страница продукта MEAN WELL с отчетом об испытаниях
-
Будет ли источник питания с маркировкой CE (декларация соответствия нормам и стандартам Европейского союза) отвечать требованиям электромагнитной совместимости (EMC) после установки в конечную систему?
- Различные условия и применения (расположение, способ подключения и заземление) влияют на характеристики EMC, поэтому один и тот же импульсный источник питания может показать разные результаты электромагнитной совместимости, следовательно, невозможно дать 100% гарантии соответствия EMC для любой конечной системы. Условия, при которых проведены испытания и получены соответствующие результаты, приведены в отчете EMC.
-
Почему входное напряжение, указанное на этикетке блока питания, отличается от указанного в спецификации, например, 88…264 В AC и 100…240 В AC?
- Источник питания работоспособен в диапазоне входных напряжений, указанного в спецификации. Информация на этикетке ИП указана для пользователя, с целью правильного подключения к сети определенного стандарта. В спецификации указывается диапазон, соответствующий более строгим требованиям безопасной эксплуатации: ± 10% от указанного на этикетке (стандарт IEC60950 требует + 6%, -10%).
-
Что необходимо учитывать при выборе кабелей для источников питания?
- Любой провод при обычных условиях обладает некоторым сопротивлением, значение которого зависит от материала токопроводящей жилы и ее площади поперечного сечения. Чем больше площадь сечения, тем меньше сопротивление, можно безопасно обеспечить больший ток, избежав недопустимого нагрева и возгорания кабеля. Кроме того, может возникнуть ситуация, когда на достаточно больших расстояниях сопротивление кабеля вызовет падение напряжения ниже допустимого для нагрузки. В этом случае также необходимо уменьшить сопротивление, выбрав провод с большей площадью поперечного сечения жилы или соединив несколько проводов параллельно.
Значения тока, потребляемого ИП от сети, и тока, потребляемого нагрузкой, различны (в большинстве случаев), что требует подбора двух и более (если у блока питания несколько выходов) различных проводов. Таблица 1 позволяет подобрать необходимую площадь поперечного сечения жилы медного провода, а также узнать соответствующий ему номер AWG.
Таблица 1. Допустимый ток в зависимости от площади поперечного сечения медных проводов UL1007/1015
Площадь поперечного сечения, мм2 AWG № Падение напряжения при токе 1 А, мВ/м Кол-во проволок/диаметр проволоки, мм Рекомендуемый максимальный ток UL 1007
(300V 80°C)UL 1015
(600V 105°C)0,051 30 358 7/0,102 0,12 – 0,081 28 222 7/0,127 0,15 0,2 0,129 26 140 7/0,16 0,35 0,5 0,205 24 88,9 11/0,16 0,7 1,0 0,326 22 57,5 17/0,16 1,4 2,0 0,517 20 37,6 26/0,16 2,8 4,0 0,823 18 22,8 43/0,16 4,2 6,0 1,309 16 14,9 54/0,18 5,6 8,0 2,081 14 9,5 41/0,26 – 12,0 3,309 12 6,0 65/0,26 – 22,0 5,262 10 3,8 104/0,26 – 35,0 Примечание: значение рекомендуемого максимального тока подходит только для кабеля из 1…4 жил, при 5 или более жил ток должен быть не более 80% от рекомендуемого значения. Необходимо учитывать, что данные в таблице 1 приведены для проводов UL 1007 (ПВХ-изоляция, луженая медная проволока, максимальная температура 80°C) и UL 1015 (ПВХ-изоляция, луженая или обычная медная проволока, 105°C). Другой материал изоляции, условия прокладки и температура окружающей среды могут внести дополнительный коэффициент в расчет допустимого значения тока.
-
Во время работы источника питания на его корпусе присутствует некоторый ток утечки. Нормальное ли это явление, и безопасен ли этот ток утечки для человека?
- Для удовлетворения требований к электромагнитной совместимости и снижения уровня электромагнитных помех, между линиями первичной сети и корпусом прибора должны находиться несколько Y-конденсаторов («Y» обозначает не только условную схему подсоединения, но и повышенные требования к надежности конденсатора). Эти конденсаторы и вызывают небольшой ток утечки. Стандарт IEC60601-1 требует, чтобы этот ток был меньше 3,5 мА, это значение безопасно для человека, но может вызывать неприятное ощущение. Правильное подключение к заземлению полностью решает проблему тока утечки.
-
Что такое MOP, MOOP и MOPP?
- MOP – аббревиатура Means of Protection – средства защиты, исключающие опасность поражения электрическим током пациента и оператора при использовании медицинских электроприборов. MOP делятся на два класса (утверждено в IEC60601-1, начиная с третьего издания): MOOP – средства защиты оператора (всех лиц, кроме пациента), и MOPP – средства защиты пациента. Надпись вида «2xMOPP» означает удвоенную защиту пациента, это сводит риск поражения током к минимуму. В таблице 2 приведено сравнение основных параметров источников питания для различных классов средств защиты.
Таблица 2. Требования к источникам питания медицинских приборов
1xMOOP 1xMOPP 2xMOOP 2xMOPP Изоляция между первичной и вторичной сторонами, В AC 1500 1500 3000 4000 Длина пути тока утечки, мм 2,5 4 5 8 Изоляционный промежуток (воздушный зазор), мм 2 2,5 4 5 -
Чем отличаются информационный IEC60950-1 и медицинский IEC60601-1 стандарты безопасности?
- В таблице 3 приведены основные различия между этими двумя стандартами.
Таблица 3. Различия в стандартах IEC60950-1 и IEC60601-1 в требованиях к электроприборам
IEC60950-1 IEC60601-1 Путь утечки тока (обычная/усиленная изоляция), мм 2,5/5 4/8 Путь утечки тока при максимальном действующем рабочем напряжении 250 В (обычная/усиленная изоляция), мм 2/4 2,5/5 Испытание на электрическую прочность (обычная/усиленная изоляция), В АС 1500/3000 1500/4000 Ток при касании, мА Класс I портативные 0,75 – прочие 3,5 Утечка на землю 0,3 Ток утечки корпуса 0,1 Класс II 0,25 Ток утечки корпуса 0,1 Количество предохранителей 1 2 Минимальный верхний порог диапазона рабочих температур, °C Устанавливается производителем 40 -
Что такое классы LPS, LVLE, классы 2 и II, в чем отличие классов I и II?
- Классы I и II определяют уровень безопасности от поражения электрическим током, в предыдущем вопросе они упоминались в таблице 3. Их основные отличия:
- Класс I – защита в виде базовой изоляции и подключения к защитному заземлению здания (есть клемма/контакт для заземления). Защитное заземление уводит опасное напряжение на землю, если основная изоляция выходит из строя.
- Класс II – помимо базовой изоляции предусмотрены дополнительные меры предосторожности, такие как двойная изоляция или усиленная изоляция. Подключение к защитному заземлению не обязательно (клемма/контакт для заземления может отсутствовать).
Класс 2 и LPS ограничивают мощность источника питания. Класс 2 определяется стандартом безопасности UL1310, выходной ток и мощность должны находиться находятся в пределах, указанных в таблице 4 (таблица 30.1 в UL1310).
Таблица 4. Параметры источников питания класса 2 в соответствие UL1310
Напряжение цепи Vmax, В Максимальные значения паспортной таблички Максимальный выходной ток, А В⋅А А 0…20 5,0 x Vmax 5,0 8,0 >20…30 100 100/Vmax 8,0 >30…60, только DC 100 100/Vmax 150/Vmax Источники питания LPS (Limited power sources) определены в стандарте IEC60950-1. Такие ИП должны соответствовать условиям, приведенным в таблице 5 (таблица 2B IEC60950-1), если они не имеют защиты от перегрузки по току, или таблице 6 (таблица 2С IEC60950-1) при наличии защиты от перегрузки в виде плавкого предохранителя или электромеханического устройства без регулировки и автовозврата.
Таблица 5. Предельные значения для источников питания без устройства защиты от перегрузки по току
Выходное напряжение Uoc, В Выходной ток Isc, А Полная мощность S, ВА переменный ток постоянный ток ≤30 ≤30 ≤8,0 ≤100 – 30<Uoc≤ 60 ≤150/Uoc ≤100 Таблица 6. Предельные значения для источников питания с устройством защиты от перегрузки по току
Выходное напряжение Uoc, В Выходной ток Isc, А Полная мощность S, В⋅А Номинальный выходной ток, А переменный ток постоянный ток ≤20 ≤1000/Uoc ≤250 ≤5 20<Uoc≤ 30 ≤100/Uoc – 30<Uoc≤60 Примечание: в спецификациях стандартов определены условия измерения значений в вышеприведенных таблицах 4…6.
Подобными характеристиками обладают и источники питания LVLE (Low Voltage Limited Energy), с той лишь разницей, что параметры регулируются стандартом UL8750 и применяются для светодиодного освещения.
Источники питания класса 2, LPS или LVLE менее пожароопасны, при их производстве можно уменьшить расстояния между компонентами, использовать пластиковый корпус с менее требовательным классом воспламеняемости, что положительно сказывается на стоимости ИП.
-
Что такое SELV?
- Этот термин относится к выходным цепям источника напряжения и переводится как «безопасное сверхнизкое напряжение» (БСНН). В цепях БСНН напряжение должно быть безопасным для прикосновения как в условиях нормальной эксплуатации, так и после единичной неисправности. При нормальных условиях эксплуатации в отдельной цепи БСНН или во взаимосвязанных цепях БСНН значение напряжения между любыми двумя проводами цепи или цепей БСНН и между любым одним таким проводом и землей не должно превышать 42,4 В пикового значения напряжения переменного тока или 60 В постоянного тока. Кроме того, в случаях единичного отказа ограничен и период превышения – не более 0,2 секунды, притом не выше 71 В переменного тока или 120 В постоянного. Более подробно требования к цепям SELV описаны в IEC 60950-1 п. 2.2.
-
Что такое напряжение пробоя, и как его измерить?
- Напряжение пробоя – это такое напряжение, при котором происходит нарушение изоляции. Применительно к источникам питания подразумевается изоляция между первичной и вторичной сторонами, которая в основном обеспечивается изоляцией между первичной и вторичными обмотками импульсного трансформатора.
Напряжение пробоя измеряется в ходе испытания высоким напряжением или проверкой на электрическую прочность. Перед проведением тестов линии входа и линии выхода должны быть закорочены (рисунок 2). Испытания должны проводиться по циклу между цепями «вход-выход», «вход-FG» и «выход-FG» с определенным значением высокого напряжения в течение одной минуты. Номинальный ток утечки составляет 25 мА при тестировании переменным током.
Испытание высоким напряжением – это способ убедиться, что изоляция между первичной и вторичной обмотками выполнена должным образом и предотвращает повреждение источника питания при воздействии на него высокого напряжения. Испытательное напряжение постепенно повышается от нуля до заданного уровня в течение 60 секунд. При массовом производстве период тестирования можно сократить до 1 секунды. Если ток утечки, протекающий через изоляционный материал, быстро увеличивается, это указывает на проблему с изоляцией (пробой диэлектрика). Эффект коронного разряда или электрическая дуга не считаются отказом.При подаче испытательного напряжения переменного тока основной причиной тока утечки являются Y-конденсаторы. Конденсатор емкостью 4,7 нФ может вызвать ток утечки 5 мА. Согласно стандарту UL-554, Y-конденсаторы должны быть извлечены при проведении испытания высоким напряжением, что нецелесообразно для массового производства. Единственное решение данной проблемы – увеличить значение тока утечки. Для тестового прибора обычно устанавливают значение до 25 мА.Согласно стандарту IEC60950-1, для устранения тока утечки напряжение постоянного тока при испытании может быть изменено, если между первичной и вторичной цепями подключены мостовые конденсаторы.![Рис. 2. Испытание изоляции с помощью тестера Extech 7420 [1]](//www.compel.ru/wordpress/wp-content/uploads/2024/04/ris_2-4.png)
Рис. 2. Испытание изоляции с помощью тестера Extech 7420 [1]
-
Заземление выхода (GND) и заземление корпуса (FG) – одна и та же точка в моей системе. Могут ли источники питания MEAN WELL использоваться в такой системе?
- Да. Поскольку продукция MEAN WELL разработана на основе концепции изоляции, даже если заземление выхода и заземление на корпус – одна и та же точка, проблем не будет. Но это может повлиять на уровень электромагнитных помех (EMI).
-
Что такое степень защиты IP? И что такое IP68?
- Код IP определяет степень защиты корпуса от проникновения внутрь устройства различных посторонних материалов (от пальцев пользователя до пыли), устойчивость к воздействию воды и дополнительные особенности. Обеспечивая защиту своих источников питания, компания MEAN WELL руководствуется главным образом международным стандартом IEC60529. Код IP состоит из одной или двух цифр, расшифровка значений которых приведена в таблице 7, и необязательных символов, обозначающих дополнительную информацию. Код может быть записан следующими вариантами:
- IP25 – отсутствие букв;
- IPX5 – опущена первая цифра;
- IP2X – опущена вторая цифра;
- IP20C – использована одна дополнительная или вспомогательная буква;
- IPXXC – опущены обе цифры, использована одна дополнительная буква;
- IPX1C – опущена первая цифра, использована одна дополнительная буква;
- IP3XD – опущена вторая цифра, использована одна дополнительная буква;
- IP21CM – использованы одна дополнительная и одна вспомогательная буквы;
- IPX5/IPX7 – обозначение двух степеней защиты одной оболочки двойного использования (например, здесь указана защита от действия струй воды и от непродолжительного погружения в воду).
Таблица 7. Расшифровка значений цифр кода IP
Первая цифра – защита от проникновения внешних твердых предметов Вторая цифра – защита от вредного воздействия в результате проникновения воды 0 нет защиты 0 нет защиты 1 диаметром ≥ 50 мм 1 Защищено от вертикально падающих капель воды 2 диаметром ≥ 12,5 мм 2 Защищено от вертикально падающих капель воды с отклонением от вертикали на угол до 15° 3 диаметром ≥ 2,5 мм 3 Защищено от воды, падающей в виде дождя (угол до 60° от вертикали) 4 диаметром ≥ 1,0 мм 4 Защищено от сплошного обрызгивания (с любого направления) 5 Пылезащищенное (пыль не должна проникать в количестве, достаточном для нарушения нормальной работы оборудования или снижения его безопасности) 5 Защищено от водяных струй 6 Пыленепроницаемое 6 Защищено от сильных водяных струй 7 Защищено от воздействия при временном (непродолжительном) погружении в воду 8 Защищено от воздействия при длительном погружении в воду 9 Защищено от горячих струй воды под высоким давлением Источники питания MEAN WELL, получившие код IP68, прошли следующее испытание: в течение 1 месяца, в погруженном состоянии на 1 метр ниже уровня воды, каждые 12 часов включалось или отключалось входное напряжение переменного тока.
Следует учесть, что «длительное» не означает «постоянное». Вся продукция MEAN WELL не допускает постоянного погружения под воду.
-
Что такое «пусковой ток»? На что обратить внимание?
- Из-за схемотехнических особенностей блоков питания, в момент их включения всегда будет импульс повышенного потребления тока от сети, который и называется пусковым током. Его значение зависит от конструкции ИП, а длительность не превышает одного цикла (1/50 секунды для сетей с частотой 50 Гц). Хотя пусковой ток не навредит блоку питания, не рекомендуется включать/выключать блок питания очень быстро в течение короткого промежутка времени. Кроме того, если одновременно включается несколько источников питания, суммарный импульс пусковых токов может вызвать срабатывание защиты, стоящей выше по питающей сети, поэтому рекомендуется осуществлять включение источников питания поочередно.
-
Каковы особенности включения источника питания, когда к нему подключены двигатели или емкостные нагрузки?
- Если в качестве нагрузки ИП используются двигатели, лампы накаливания или большие емкостные нагрузки, то в начале включения они представляют собой цепь с очень низким сопротивлением – то есть, вызовут большой импульсный выходной ток, который приведет к отказу запуска контроллера источника питания. Необходимо выбрать источник питания с постоянной защитой по току.
-
Что такое минимальная нагрузка и как найти ее в спецификации?
- При эксплуатации источников питания MEAN WELL с несколькими выходами, необходимо соблюдать некоторые требования к минимальной нагрузке, иначе уровень выходного напряжения будет нестабильным или вне допустимого диапазона. В спецификации указываются диапазоны тока (CURRENT RANGE) для каждого канала, как, например, показано в таблице 8. Здесь канал 1 требует минимальной нагрузки 2 А; канал 2 – 0,5 А; канал 3 – 0,1 А; канал 4 не требует минимальной нагрузки.
Таблица 8. Параметры выходных каналов источника питания
OUTPUT NUMBER CH1 CH2 CH3 CH4 DC VOLTAGE 5V 12V -5V -12V RATED CURRENT 11A 4,5A 1A 0,5A CURRENT RANGE 2…12A 0,5…4,5A 0,1…1A 0…1A -
Почему блок питания отключился во время работы, допустимо ли его включение?
- Есть два обстоятельства, которые приводят к отключению блока питания:
- Срабатывание защиты от перегрузки. Для устранение этой проблемы необходимо увеличить номинальную выходную мощность или изменить точку срабатывания OLP.
- Срабатывание защиты от перегрева, когда внутренняя температура достигает заданного значения. После снижения температуры блок питания вернется в нормальное состояние.
-
Что такое PFC?
- PFC (Power Factor Correction) – корректор коэффициента мощности. Коэффициент мощности показывает, как полная мощность (мощность, которую необходимо выработать электростанцией) соотносится с активной (затраченной на полезную работу). При коэффициенте мощности 0,5 устройства, электростанция должна вырабатывать в два раза больше электроэнергии, чем это устройство действительно использует, а половина энергии будет бесполезно потрачена в нагрев кабелей. Корректор коэффициента мощности позволяет повысить коэффициент максимально близко к единице, способствуя эффективности энергосбережения.
Существует несколько топологий PFC, компания MEAN WELL в своих источниках питания применяет одно- и двухступенчатые активные корректоры, особенности которых показаны в таблице 9.
Таблица 9. Особенности топологий активного корректора коэффициента мощности
APFC топология Преимущества Недостатки Ограничения Одноступенчатая Малая стоимость
Простая схема
Высокая эффективность в маломощных устройствахСложное управление 1. Нулевое «время удержания» — состояние выхода напрямую зависит от входа сети.
2. При использовании в светодиодных драйверах большие пульсации тока приводят к уменьшению срока службы светодиодов.
3. Низкая динамическая реакция, нагрузка оказывает влияние.Двухступенчатая Высокая эффективность
Высокий коэффициент
Простое управление
Высокая адаптивность к нагрузкеВысокая стоимость
Сложная схемаПодходит для всех видов использования -
В чем разница между одноступенчатым и двухступенчатым источником питания?
- Это относится к топологии активного корректора мощности, описанного в предыдущем вопросе
Одноступенчатый источник питания объединяет функции коррекции коэффициента мощности и конвертора в одной цепи, а двухступенчатый использует две отдельные цепи. Характеристики защищенности двухступенчатого блока питания от сети переменного тока намного лучше, чем у одноступенчатого блока питания; кроме того, двухступенчатый источник питания демонстрирует лучшие показатели относительно шума пульсаций на выходе. Благодаря этому двухступенчатый ИП может подключаться к проблемным электросетям, например, в промышленных приложениях. Однако, двухступенчатая топология сложнее и дороже.
-
Что такое пульсации и шум? Как их измерить?
- Это небольшие нежелательные остаточные периодические изменения выходного постоянного тока источника питания. Их форма показана на рисунке 3.

Рис. 3. Пульсации и шум выходного напряжения импульсного источника питания
Пульсации проникают из первичной сети, имеют низкую частоту (больше входной в два раза – 100 Гц для сетей с частотой переменного напряжения 50 Гц); шум генерируется импульсным преобразователем, поэтому обладает более высокой частотой, равной частоте преобразования. Для измерения высокочастотного шума [2] требуются осциллограф с полосой пропускания 20 МГц, зонд с максимально коротким проводом заземления (рисунок 4) и конденсаторы 0,1 мкФ и 47 мкФ, подключенные параллельно с точкой измерения.

Рис. 4. Измерение пульсаций и шума выходного напряжения импульсного источника питания
-
Что нужно знать перед использованием функции «Remote Sensing» (дистанционного измерения)?
- Измерительный вход источника питания обладает высокой чувствительностью, поэтому для снижения влияния помех необходимо использовать витые провода, проложенные максимально удаленно от линий первичной сети и выхода источника питания. Если нагрузка динамическая (частота выше 1 кГц), требуется подключение конденсатора (рисунок 5) со следующими параметрами:
- номинальный ток пульсации в 0,2 раза превышает выходной ток ИП;
- номинальное напряжение выше выходного напряжения ИП.

Рис. 5. Измерение напряжения на стороне нагрузки
-
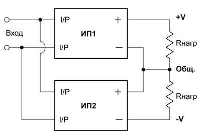
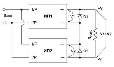
Для чего применяют соединение двух блоков питания последовательно?
- Последовательное соединение выходов источников питания позволяет создать двухполярное питание (рисунок 6) или получить более высокое выходное напряжение (рисунок 7).

Рис. 6. Двухполярное питание с помощью последовательного соединения выходов ИП
При увеличении выходного напряжения номинальный выходной ток не изменяется. Чтобы предотвратить повреждение блока питания при запуске, необходимо добавить внешние блокирующие диоды (D1 и D2 на рисунке 7), обратное напряжение которых должно быть больше, чем сумма выходных напряжений V1 + V2. Номинальное значение тока диода должно быть больше выходного тока ИП. В некоторых моделях источников питания подобное последовательное соединение уже предусмотрено и не требует установки внешних диодов.

Рис. 7. Получение более высокого выходного напряжения
-
В чем разница между -V и COM, которые отмечены на стороне выхода?
- COM (Common) означает общий полюс для нескольких выходов питания. Например, для двухполярного блока питания этот полюс является общим для шин +V и -V; для нескольких положительных полюсов (+V1, +V2 и т.д.) это общий отрицательный полюс.
-
Каковы требования к параллельному соединению?
- Параллельное подключение источников питания используется для увеличения выходной мощности или для более надежной работы системы (функция резервирования). Однако не все ИП имеют защиту от обратного тока, поэтому обеспечение резервирование должно осуществляться блоками питания, изначально имеющими такую функцию, либо внешним модулем резервирования.
При параллельном включении должны соблюдаться следующие правила:
- Соедините клеммы P (LP/CS) вместе (рисунок 8), как указано в спецификации, раздел «parallel function». Вход и выход должны быть сначала соединены параллельно, а затем уже подключены к источнику переменного тока и нагрузке.
- Следует учитывать, что после параллельного соединения некоторые ИП требуют минимальной нагрузки.

Рис. 8. Параллельное соединение блоков питания
- Разница выходного напряжения между ИП должна быть как можно меньше, обычно менее 0,2 В.
- Максимальное использование мощности должно составлять около 90% от суммы номинальных мощностей источников питания.
- При параллельном соединении, если нагрузка ниже 10% от номинальной нагрузки отдельного ИП, светодиодный индикатор или сигналы («Power Good», «Pok», «Alarm») могут работать неправильно.
- Для обеспечения эффективного распределения тока нагрузки между параллельно включенными ИП рекомендуется не использовать более 4…6 блоков питания одновременно.
- В некоторых моделях следует использовать измерительный вход (клеммы +S, -S) для уменьшения пульсаций выходного напряжения.
-
На что следует обратить внимание при установке блока питания в вертикальном и горизонтальном положениях?
- Большинство источников питания малой мощности, не имеющих вентиляторов принудительного охлаждения, устанавливаются в горизонтальном положении. Если необходимо установить БП вертикально, следует учесть снижение выходной мощности из-за перегрева. Графики зависимости выходной мощности от температуры окружающей среды приведены в спецификациях, пример таких графиков для ИП серии SP-150 дан на рисунке 9.

Рис. 9. Зависимость выходной мощности от температуры и положения ИП серии SP-150
При активном (принудительном) охлаждении встроенным вентилятором или внешней системой, какой-то значительной разницы между горизонтальным и вертикальным положениями источника питания нет. Выходная мощность при принудительном охлаждении может быть на 20% выше, чем при пассивном охлаждении посредством конвекции воздуха.
-
Какие механизмы контроля есть у вентиляторов охлаждения?
- В сравнении с другими компонентами блока питания вентиляторы имеют относительно короткий срок службы, можно сказать, что встроенный вентилятор является самым ненадежным компонентом ИП. Многорежимная работа вентилятора может продлить срок его службы. Наиболее распространенные алгоритмы режимов работы вентилятора:
- Контроль температуры: если внутренняя температура источника питания превышает пороговое значение, вентилятор начнет работать на полной скорости; если внутренняя температура меньше установленного значения, вентилятор перестает работать или работает на меньшей мощности. Подобных уровней может быть несколько, либо скорость вращения вентилятора может изменяться синхронно с температурой источника питания.
- Контроль выходной мощности: если выходная мощность источника питания превышает пороговое значение, вентилятор начнет работать на полной скорости, иначе вентилятор не работает или работает вполовину своей мощности.
-
Возможно ли уменьшить шум вентилятора?
- Шум неотъемлемо связан с воздушным потоком вентилятора. Снижение оборотов вентилятора лишь ради снижения шума, а не когда это позволяют температурные условия или потребляемая мощность, как описано в ответе на вопрос выше, означает ухудшение рассеивания тепла, что повлияет на надежность работы источника питания вплоть до срабатывания защиты от перегрева или выхода из строя. Кроме того, источник питания сертифицируется с определенным минимальным воздушным потоком вентилятора, и при каких-либо изменениях понадобится новая процедура сертификации. Если шум вентилятора является критичной проблемой, следует выбрать продукцию с пассивной системой охлаждения («FANLESS») или связаться с компанией MEAN WELL для обсуждения иных вариантов в зависимости от условий использования.
-
Можно ли подключить источник питания MEAN WELL к сети переменного напряжения с частотой 45…440 Гц?
- Источники питания MEAN WELL могут эксплуатироваться с входным напряжением частотой 45…440 Гц, однако, следует учесть, что:
- Слишком низкая частота вызывает снижение эффективности. Пример: КПД блока питания SP-200-24 при частоте входного напряжения 60 Гц равен 84%; если частота снизится до 50 Гц, КПД снизится до 83,8%.
- Слишком высокая частота приводит к уменьшению коэффициента мощности (для источников питания со встроенным ККМ), что также приводит к повышению тока утечки. Пример: коэффициент мощности блока питания SP-200-24 при частоте входного напряжения 60 Гц равен 0,93, а ток утечки – около 0,7 мА; при увеличении частоты до 440 Гц коэффициент мощности уменьшится до 0,75, а ток утечки возрастет примерно до 4,3 мА.
-
Что такое сигналы «Power Good» и «Power Fail», и как их использовать?
- Некоторые источники питания выдают сигналы состояния: при включении – «Power Good», при выключении – «Power Fail». Сигналы используются для целей мониторинга и контроля. Например, «Power Good» можно использовать для реализации последовательного включения нескольких ИП, чтобы снизить суммарный импульс пускового тока на первичную сеть, а «Power Fail» позволяет оперативно известить систему и обслуживающий персонал о проблеме.
На рисунке 10 показаны условия и временные характеристики генерации этих сигналов.

Рис. 10. Генерация сигналов состояния источника питания
-
Если у изделия MEAN WELL наработка на отказ короче, чем у конкурентов, означает ли это, что качество продукции MEAN WELL хуже, чем у других брендов?
- Нет. Расчет наработки на отказ имеет множество вариантов, и на конечный результат влияет множество условий. Кроме того, этот параметр далеко не единственный, характеризующий качество продукции. В отличие от других компаний, продающих товары на условиях OEM/ODM, компания MEAN WELL производит стандартные источники питания под собственным брендом, поэтому такой параметр как наработка на отказ не может каждый раз настраиваться под разные применения заказчиков, а в этом случае значение этого параметра будет меньше.
Компания MEAN WELL постоянно стремится к совершенствованию. На основе полученных данных после пересмотра параметров наработки на отказ по TELCORDIA SR/TR-332 (Bellcore), компания внедрила оптимизацию, осуществляет периодический пересмотр политики оценки качества поставщиков, отслеживает на всех этапах производственного цикла качество компонентов и готовой продукции. Все перечисленные действия не только выводят качество продукции MEAN WELL на новый уровень, но и положительно влияют на изменение статуса коэффициента качества в NQ уравнении наработки на отказ. Ведущее значение наработки на отказ может быть оптимизировано с уровня 0…I до уровня I…II [3].
Следует отметить, что срок гарантийных обязательств на продукцию компании MEAN WELL довольно значительный, у многих источников питания он составляет 5 лет, а у некоторых моделей, например, семейств HLG и HEP – 7 и 6 лет соответственно.
-
Где получить информацию о новой продукции MEAN WELL?
- Компания MEAN WELL постоянно разрабатывает новую продукцию, информация о которой доступна на сайте компании по адресу в меню «News» («Новости») и далее «New Products» («Новая продукция»).
-
Как узнать какие блоки питания являются устаревающими?
- Обеспечение наилучшего соотношения цены и качества стандартных блоков питания и услуг – это миссия компании MEAN WELL. Чтобы соответствовать новейшим международным стандартам безопасности, компания постоянно разрабатывает новые высокопроизводительные модели. На странице «Products» («Продукция») сайта MEAN WELL есть разделы «Discontinued Products» («Продукты, снятые с производства») и «End of Life» («Окончание жизненного цикла»). В них перечислены модели, которые постепенно снимаются (или уже сняты) с производства или срок эксплуатации которых закончился. Все эти продукты заменяются более совершенными.
Статус продуктов не влияет на послепродажное обслуживание и выполнение гарантийных обязательств компанией MEAN WELL.
Общие вопросы об источниках питания для светодиодного освещения
-
Как выбрать подходящий светодиодный источник питания MEAN WELL?
-
- Определить необходимую мощность.
- В зависимости от характеристик и способа подключения к первичной сети выбрать вариант с необходимым входным диапазоном напряжения и типом подключения, в случае подключения с помощью штепсельной вилки – определить ее вариант.
- Выбрать режим работы. Светодиод – полупроводниковый компонент, для работы которого принципиально важен режим стабилизированного тока (СС, Constant Current). Однако конструкция светильника может использовать источник питания с режимом стабилизированного напряжения (CV, Constant Voltage), в этом случае источником тока служат какие-то иные компоненты, например, резисторы, установленные непосредственно на светодиодную ленту.
- При выборе светодиодного драйвера с режимом работы СС – определить его диапазон выходного напряжения. Например, падение напряжения на светодиоде (указывается в спецификации светодиода) составляет 3,4…3,6 В, если соединены последовательно шесть светодиодов, суммарное падение напряжения составит 20,4…21,6 В. В этом случае необходимо выбрать драйвер, у которого область постоянного тока определена диапазоном 18…24 В.
- В зависимости от рабочей среды определить подходящий уровень защиты IP и конструкцию драйвера: металлический или пластиковый корпус; без корпуса.
- В соответствии с требованиями стандартов определить необходимость функции PFC. Для моделей с активным PFC при питании от сети 230 В AC для более высокого коэффициента мощности необходимо нагрузить LED-драйвер на 75% и более номинальной мощности (рисунок 11).

Рис. 11. Зависимость коэффициента мощности (PF) от нагрузки
- Выбрать, если требуется регулировка яркости светодиодов, вариант диммирования.
- В областях применения с нестабильным сетевым напряжением, например, промышленные области или питание от генератора, необходимо выбрать драйвер, вход которого способен выдержать перепады напряжения.
- Убедитесь, что модель соответствует необходимым стандартам безопасности и нормам EMC/EMI.
-
Можно ли постоянно использовать драйверы светодиодов от MW при полной нагрузке? Ведь большинство AC/DC-источников питания рекомендуется нагружать до 70%.
- LED-драйверы рекомендуется использовать при полной нагрузке, с соблюдением диапазона рабочих температур, указанного в спецификации. Работа в указанном диапазоне температур обязательна для сохранения гарантии производителя.
-
Каковы наиболее распространенные методы питания светодиодов?
- Как упоминалось выше, светодиодные драйверы могут работать в двух режимах: СС (стабилизация тока) и CV (стабилизация напряжения). Конструкция драйвера может предполагать работу либо в одном их этих режимов, или обладать возможностями совмещенных режимов, в этом случае режим драйвера указывается как CC + CV.
Режим CC позволяет подключить цепочку последовательно соединенных светодиодов непосредственно к драйверу (рисунок 12). Ток стабилизируется на уровне номинального тока одного светодиода, а выходное напряжение равно сумме падений напряжений на каждом светодиоде. Поскольку максимальное напряжение в некоторой степени ограничивает число светодиодов в цепочке, при необходимости, их число увеличивается подключением таких же параллельных цепочек, притом ток увеличивается кратно числу цепочек. Например, если построить светильник из 24 мощных белых светодиодов с номинальным током одного светодиода 350 мА и падением напряжения 3,5 В, то одна цепочка потребует от драйвера выходного напряжения около 90 В (24 х 3,5 = 84). Две параллельных цепочки позволяют использовать драйвер с диапазоном выходных напряжений 33,6…48 вольт (12 х 3,5 = 42), при этом ток составит 700 мА (2 х 350 = 700).

Рис. 12. Режим СС, непосредственное подключение цепочек светодиодов к драйверу
Преимущество подобного метода – в его очень низкой стоимости и простоте расположения светодиодов. Последний фактор немаловажен: например, в торцевой подсветке матриц дисплеев недопустимы значительные промежутки между отдельными светодиодами. Однако, у этого метода есть и недостатки: отсутствует компенсация изменения температуры светодиодов, а в случае параллельных цепочек из-за невозможности создать светодиоды с абсолютно одинаковыми характеристиками ток будет распределен неравномерно. В конечном итоге эти недостатки могут ускорить деградацию светодиодов.
Обычный источник питания обеспечивает стабилизированное напряжение (режим CV). При использовании такого режима каждой цепочке светодиодов необходимо добавить токоограничивающий резистор (рисунок 13). Такой метод достаточно дешев, обеспечивает более-менее стабильный ток для каждой цепочки и в какой-то степени компенсирует изменения температуры, но из-за потерь мощности на резисторах имеет самый низкий КПД.

Рис. 13. Режим СV, использование резистора как источника тока светодиодных цепочек
Метод с токоограничивающими резисторами позволяет использовать любой режим (CC или CV), что расширяет выбор источников питания.
Метод с применением дополнительных интегральных схем (IC) драйверов показан на рисунке 14. Система питается от источника питания с режимом CV, ток регулируется для каждой цепочки отдельной микросхемой драйвера. Это самое дорогостоящее решение, однако оно способно обеспечить самый стабильный ток, а значит, и самый долгий срок службы светодиодов. Из-за дополнительных потерь энергии КПД, как и у предыдущего варианта с резисторами, не самый высокий.

Рис. 14. Режим СV, использование интегральных драйверов для стабилизации тока светодиодных цепочек
Светодиодные светильники могут использовать в качестве источника питания модели с совмещенными режимами CV + CC. Во время запуска такой ИП работает в режиме CV, как только ток потребления достигнет области стабилизация тока, источник питания начинает работать в режиме СС.
-
Могут ли значения выходных напряжения и тока в LED-драйверах MEAN WELL регулироваться?
- Да, часть моделей светодиодных драйверов MEAN WELL позволяет регулировать значения тока и напряжения благодаря встроенным потенциометрам, доступ к которым в большинстве случаев осуществляется через отверстия в корпусе, закрытые резиновыми заглушками. Иногда (например, для семейств драйверов PLN и ELN) требуется снятие корпуса. Более подробная информация о подстройке выходных характеристик находится в спецификации драйвера.
-
С какой точностью удерживается значение тока на выходе LED-драйвера?
- Это зависит от модели драйвера, точную информацию можно узнать из спецификации. Для моделей драйверов, работающих в режиме CC, погрешность значения выходного тока указана как «CURRENT ACCURACY» в разделе «SPECIFICATION». Для моделей с режимом CC + CV – в том же разделе, в графе «PROTECTION», параметр «OVER CURRENT».
-
Могут ли светодиодные источники питания подключаться параллельно?
- LED-драйверы MEAN WELL не имеют функции параллельного распределения тока, поэтому они не подходят для параллельного подключения, и никакие линии выхода не должны объединятся ни совместно, ни по отдельности (рисунок 15). При недостатке мощности потребуется либо разделить светодиодные элементы на отдельно подключаемые части к нескольким драйверам, либо выбрать драйвер с достаточной выходной мощностью.

Рис. 15. Недопустимые соединения LED-драйверов
-
Какой уровень перенапряжения выдерживает LED-драйвер MEAN WELL?
- Эта характеристика различна среди семейств светодиодных драйверов MEAN WELL. Наивысший уровень перенапряжения у семейств CEN, CLG, HBG, HLG, HLN, HLP, HVG, HSG – они способны выдержать импульс до 4 кВ, что соответствует промышленному уровню. Обеспечить требуемый уровень можно с помощью внешних компонентов – варисторов и газоразрядников, если их установка соответствует требуемым правилам безопасности. Для защиты нескольких светодиодных светильников можно установить SPD (устройство защиты от перенапряжений).
Почему использование IC-драйвера может иногда вызывать сбой при запуске? (Выходное напряжение фиксируется светодиодами и не может подняться до номинального уровня)
Проблемой может являться слишком большая разница между выходным напряжением источника питания и общим падением напряжения на светодиодах. В этом случае при запуске источника питания возникает ситуация, когда от него требуется большая мощность, чем он может обеспечить. Например, в случае, когда используются повышающие IC-драйверы (режим «boost»), микросхема драйвера начнет запускаться при очень низком уровне напряжения, обычно около половины от номинального напряжения источника питания. Для удовлетворения требований к номинальной мощности ток запуска будет в два раза превышать номинальный ток источника питания. Если источник питания не сможет предоставить такой ток, он не запустится. Рекомендуется либо увеличить напряжение запуска микросхемы драйвера, чтобы оно было как можно ближе к напряжению источника питания, либо, если микросхема позволяет, использовать функцию плавного пуска. Для схем с понижающими (режим «buck») драйверами рекомендуется выбирать ИП с выходным напряжением как можно ближе к падению напряжения светодиодов, и несколько избыточной мощностью (мощность светодиодов/0,85).
-
В каких моделях драйверов есть ограничение стартового тока?
- Ограничение пускового (стартового) тока присутствует во всех источниках питания MEAN WELL, для него, как правило, используется термистор. Следует учитывать, что есть ряд источников питания, где входной LC-фильтр установлен до термистора, в этом случае ток заряда емкости фильтра не ограничивается. В ассортименте компании MEAN WELL отсутствуют LED-драйверы, где реализована функция Soft Start (плавный пуск), так как это накладывает дополнительные ограничения, например, требует реализации «холодного» старта (при отрицательных температурах окружающей среды).
В зависимости от мощности ИП пусковой ток имеет значение 20…60 А. Если к одной сети подключается много светильников, то при их одновременном включении пусковые токи суммируются и появляется риск срабатывания автоматического выключателя. Как было сказано в общих вопросах по источникам питания, избежать этой проблемы можно поочередным включением драйверов. Это не всегда удобно, поэтому компания MEAN WELL предлагает иное решение: модули защиты от пусковых токов – серии ICL-16 и ICL-28. Они снижают пусковой ток до определенного уровня, при этом к ним можно подключить довольно большое количество источников питания, в том числе и LED-драйверов. Эти модели есть в вариантах установки на DIN-рейку и шасси, их можно найти на сайтах компаний MEAN WELL и КОМПЭЛ.
-
Как работает драйвер XLG-25 вне графика выходного тока и напряжения, например, при выходном токе 250 мА, напряжении 30 В?
- В спецификации драйвера XLG-25 есть график управления выходными напряжением и током, где рекомендуемая область работы заштрихована синим (рисунок 16). Это область безопасной работы, при выходе за ее границы драйвер уходит в какую-либо защиту; результатом может стать моргание светодиодов, «тикающий» режим (при избыточном токе). При токе 250 мА драйвер должен работать с выходным напряжением 54 В, а значит, при напряжении 30 В может сработать защита. Данный режим работы не является рекомендованным, выходит за границы области безопасных режимов.

Рис. 16. Область безопасной работы на графике из спецификации драйвера XLG-25
-
Какую модель драйвера выбрать для диммирования светодиодной ленты?
- Для изменения яркости свечения (диммирования) светодиодных лент необходимо учитывать то, что в большинстве случаях в лентах установлены резисторы, как источники тока, и требуется напряжение 12 В. Модели с диммированием в режиме CV с напряжением 12 В – семейства PWM (имеет функцию беспроводного управления через Bluetooth) и XLN.
-
Может ли MEAN WELL рекомендовать диммеры, совместимые со схемой димминга 3 в 1?
- Диммирование 3 в 1 (аналоговый сигнал 0(1)…10 В, ШИМ или переменный резистор) – наиболее часто применяемый метод регулировки яркости светодиодов, который не требует работы с каким-либо конкретным диммером. Единственное, что должно быть проверено: совместим ли диммер с рекомендациями в спецификации драйвера.
-
В чем основное различие между диммированием 1…10 В и 0…10 В относительно их применений?
- С диммированием 1…10 В освещение можно уменьшить до 10% от максимальной яркости, а с 0…10 В оно может быть уменьшено до 0%, то есть, диммер работает выключателем («dim to off»).
-
Как мы можем узнать, сколько моделей с диммированием 3 в 1 может управляться одним диммирующим устройством?
- Драйвер по каналу диммирования (в варианте «3 в 1») потребляет ток 0,1 мА. Разделив номинальный ток диммера на это значение, можно узнать, сколькими устройствами он может управлять. Если в качестве диммера используется переменный резистор, его сопротивление должно равняться 100/n кОм, где n – число подключенных драйверов.
-
Какие решения может предложить MEAN WELL для светодиодных уличных фонарей?
- Для уличного освещения идеально подойдут драйверы семейства XLG, представленного широким рядом моделей разной выходной мощности. Металлический корпус, степень защиты IP67 (пыле- и влагонепроницаемы), диапазон рабочих температур -40…90°С, способность выдерживать всплески перенапряжений до 4 кВ (между линиями и корпусом – до 6 кВ, опционально 6/10 кВ) и 440 вольт в первичной сети в течение 48 часов – эти особенности позволяют драйверам семейства XLG надежно работать в условиях улицы. В таблице 10 приведены два варианта построения уличных светильников и особенности каждого из решений.
Таблица 10. Варианты уличных светильников с драйвером XLG-185H
Вариант Схема Особенности Прямое подключение в режиме СС 
Низшая стоимость.
Самый простой дизайн.
Сбой в любой цепочке светодиодов повлияет на другие цепочки.
Несбалансированный между цепочками светодиодовИспользование с дополнительными драйверами семейства LDD 
Более высокая стоимость.
Независимая стабилизация тока для каждой цепочки светодиодов.
Требуется дополнительное место для установки драйверов LDD. -
Какие интеллектуальные продукты выпускает компания MEAN WELL?
- Интеллектуальные продукты от MEAN WELL оснащены интерфейсами связи, которые позволяют регулировать или изменять параметры и функции. Например, интеллектуальное зарядное устройство RPB-1600, пользователи которого могут легко настраивать кривые заряда для работы с различными типами аккумуляторов благодаря протоколу связи PMBus. Компания MEAN WELL выпускает интеллектуальные продукты четырех видов: PMBus, CAN bus, DALI и KNX, включая беспроводные Bluetooth-варианты для интернета вещей (IoT): семейства LCM-xx-IoT и PWM-xx-IoT.
-
Какие интеллектуальные решения есть для управления освещением с помощью DALI?
- Компания MEAN WELL может предложить LED-драйверы с возможностью управления через DALI (Digital Addressable Lighting Interface, цифровой адресуемый интерфейс управления освещением). Поскольку Ассоциация DALI продолжает добавлять новые функции управления освещением, версия интерфейса меняется, и в данный момент существуют варианты DALI 1.0 и DALI 2.0. В ассортименте продукции компании MEAN WELL присутствуют модели драйверов как для одной, так и для другой версии (таблица 11).
Таблица 11. LED-драйверы MEAN WELL с DALI
DALI 1.0 DALI 2.0 DAP-04
ELG-75CDA/100CDA/150CDA/200CDA/240CDA
ELG-75DA/100DA/150DA/200DA/240DA
HLG-320-CDA
HBG-100DA/160DA/200DA/240DA
HBC-100PDA/160PDA
HVGC-480ADA/650DA
IDLC-45DA/65DA
IDPC-45DA/65DA
LCM-25DA/40DA/60DA
LCM-40UDA/60UDA
LDC-35DA/55DA/80DA
LDD-H-DA
ODLC-45DA/65DA
PWM-60DA/90DA/120DADLC-02
ELGC-300-L/M/H-ADA
HBGC-300-L/M/H-ADA
HVGC-1000-L/M/H-DA
LCM-25DA2/40DA2/60DA2
LCM-40TW
LDC-55DA2
PWM-60DA2/90DA2/120DA2/200DA2 -
В чем основное различие между DALI 1.0 и DALI 2.0? Существуют ли какие-либо меры предосторожности перед использованием протоколов?
- DALI 2.0 – это модернизированная версия DALI 1.0, скорректированная и оптимизированная для следующих целей:
- Снижение риска сбоев и повышение точности данных благодаря более точной спецификации электрических допусков и ее реструктуризации;
- Добавление 14 новых команд/функций и удаление одной команды.
Среди наиболее важных изменений – увеличенное время затухания яркости, диапазон которого стал от 0,1 секунды до 16 минут. DAIL 2.0 оптимизирует последовательность связи между контроллером приложения, устройством ввода и механизмом управления, позволяя устройствам разных производителей работать вместе
на одной шине DALI. Продукты DALI 2.0 должны быть полностью сертифицированы Ассоциацией DiiA (Digital Illumination Interface Alliance). Продукты DALI 1.0 и DALI 2.0 можно использовать вместе, с учетом того, что устройства с интерфейсом второй версии полностью функциональны в системе первой, а устройства первой версии, установленные в систему второй, не смогут выполнять часть функций.
-
В чем разница между линейными и логарифмическими кривыми затемнения в DALI?
- Человеческий глаз неверно интерпретирует изменение яркости, если оно происходит с постоянной (линейной) скоростью, в отличие от изменения по логарифмической кривой. Притом, логарифмическое изменение визуально для человека воспринимается линейным. В DALI для пользователей доступны и линейные, и логарифмические кривые затемнения.
-
Какие интеллектуальные решения есть для управления освещением с помощью KNX?
- KNX – это открытый мировой стандарт для автоматизации коммерческих и частных зданий. Он контролирует все аспекты управления домом и зданием: освещение, отопление, охлаждение и вентиляция, жалюзи/ставни, пожарно-охранные системы, контроль доступа, аудио-видеосистемы, прочая бытовая техника и т. д. Драйверы с данным протоколом могут взаимодействовать с контроллерами и коммутаторами KNX на любом уровне: от небольшой домашней сети до интеллектуального коммерческого здания. В таблице 12 перечислена продукция MEAN WELL с интерфейсом KNX.
Таблица 12. Продукция компании MEAN WELL с интерфейсом KNX
Наименование Описание LCM-25KN/40KN/60KN Светодиодный драйвер с выходной мощностью 25, 40 или 60 ватт PWM-60KN/120KN/200KN Светодиодный драйвер с выходной мощностью 60, 120 или 200 ватт KAA-8R(-10) 8 каналов реле для управления различной нагрузкой (10/16 А на канал) KAA-4R4V(-10) 4 канала реле для управления различной нагрузкой (10/16 А на канал) и 4 канала диммирования 0(1)…10 В KDA-64 Шлюз между KNX и DALI с интерфейсом Ethernet DLC-02KN Шлюз между KNX и DALI с интерфейсом USB и 4 каналами реле KNX-20E-640/40E-1280D Источники питания EIB/KNX мощностью 20 и 40 ватт, с интегрированным дросселем KSI-01U Интерфейс KNX-USB KSR-01IP Ethernet KNX IP/TP маршрутизатор KSC-01L Линейный соединитель/ретранслятор KNX TP За исключением LCM и PWM, устройства имеют корпус для монтажа на DIN-рейку. -
Какие есть часто задаваемые вопросы о продуктах KNX и где их найти?
- В MEAN WELL разделили проблемы с KNX на три части: вопросы применения; проектирование и конфигурирование системы KNX с помощью программного обеспечения ETS (Engineering Tool Software); защита данных KNX. Подробная информация доступна по адресу. На некоторые вопросы ответы приведены далее.
-
Как начать использовать KNX?
- Чтобы сиcтема KNX стала, собственно, системой, она должна содержать в себе некоторый минимум оборудования с интерфейсом KNX: источник питания, интерфейс USB или Ethernet для конфигурирования, и хотя бы одно устройство, которое будет выполнять необходимое действие (LED-драйвер, управление нагрузкой и так далее).
Пример системы освещения и управления жалюзи окна:
- Источник питания шины KNX-20E-640;
- Интерфейс USB KSI-01U;
- Релейный модуль KAA-4R4V для управления приводом жалюзи;
- Светодиодный драйвер LCM-25KN (или любой другой с функцией диммирования 0(1)…10 В, так как у модуля KAA-4R4V есть четыре канала диммирования).
Все компоненты необходимо подключить между собой и включить питание.
Следующий шаг: загрузить и установить программу ETS на компьютер, для чего необходимо создать учетную запись на сайте my.knx.org (бесплатная лицензия на ПО ETS поддерживает до пяти устройств).
После установки ETS необходимо запустить программу и импортировать базу данных приложений KNX аппаратного обеспечения продукта. Самый простой способ – загрузить его через облако (рисунок 17).

Рис. 17. Загрузка файла продукта LED-драйвера MEAN WELL из облака
Следующие шаги:
- Создание нового проекта в ETS;
- Создание установки;
- Настройка параметров продукта(ов);
- Загрузка данных проекта в устройство(а);
- Закрытие ETS.
-
Что такое файлы .vd, .knxprod и где их взять?
- Файлы с расширениями .vd и .knxprod используются в программе конфигурирования ETS, являются описанием устройства (ETS Product Files). Расширение .vd использовалось для старых версий ETS, начиная с четвертой версии ETS файл продукта имеет расширение .knxprod. В соответствии с политикой ассоциации KNX, MEAN WELL регистрирует, сертифицирует продукцию и предоставляет файл продукта для ETS начиная с версии 5 (в данный момент актуальная версия – 6). Загрузить файл продукта можно с веб-сайта MEAN WELL или из онлайн-каталога ETS.
-
Что делать, если при обновлении встроенного ПО (firmware, «прошивка») устройства возникло сообщение об ошибке?
- Причиной ошибки обновления может быть проблема передачи данных. Необходимо убедиться, что во время обновления сеть не занята чем-то еще, а интерфейсы USB или Ethernet поддерживают длинные сообщения (telegram), в противном случае обновление может завершиться неудачно, и работать со старой базой данных приложения будет невозможно.
-
Ошибка в ETS: PortADDR имеет неправильное значение.
- Такая ошибка может возникнуть, если база данных приложения ETS не соответствует версии прошивки устройства. Необходимо обновить firmware. Ниже приведен пример действий по обновлению прошивки драйвера LCM-KN: на странице продукта LCM-KN в разделе «OTHERS» выбрать пункт меню «ETS Application Database» (рисунок 18).

Рис. 18. Переход в раздел данных для устройств KNX на сайте компании MEAN WELL
Затем необходимо скачать лог истории изменений (столбец «History», ссылка «log») и просто следовать указанным там инструкциям.
-
Ошибка в ETS: хэш продукта отличается от существующего продукта (The product has a different hash than the existing product).
- Решение: перейти в раздел «Настройки» → «Устранение неполадок», и выполнить «Очистить память хранилища продуктов». После этого выполнить импорт базы данных продуктов.
Вопросы по интеллектуальным продуктам промышленного сегмента и системных решений
-
Какую интеллектуальную продукцию с интерфейсами CAN, Modbus и PMBus предлагает компания MEAN WELL?
- PMBus (Power Management Bus) представляет собой протокол управления питанием, Modbus – это протокол передачи данных, изначально разработанный для программируемых логических контроллеров. Существует множество вариантов протоколов Modbus, компания MEAN WELL выбрала Modbus RTU (удаленный терминальный блок) с EIA-485 из-за преимуществ надежной и гибкой работы. CAN (Controller Area Network) – это шина последовательной связи, разработанная изначально для работы в автомобильных приложениях и распространившаяся в остальные области. В таблице 13 перечислены источники питания MEAN WELL с возможностью удаленного управления, изменения и контроля ряда параметров, мониторинга состояния.
Таблица 13. Интеллектуальные продукты MEAN WELL для с интерфейсами PMBus, Modbus и CAN
Тип PMBus CAN Modbus Многопрофильный интеллектуальный контроллер общего назначения CMU2C-P CMU2C-C Зарядные устройства DBR-3200
DBU-3200
RPB-1600
RCB-1600DBR-3200CAN
DBU-3200CAN
RPB-1600CAN
RCB-1600CANИсточники питания DPU-3200PM
DRP-3200DPU-3200CAN
DRP-3200CANDRS-240CAN
DRS-480CANDRS-240
DRS-480HEP-1000(PM) HEP-1000CAN HEP-2300PM
PHP-3500
RCP-1600HEP-2300(CAN)
PHP-3500CAN
RCP-1600CANHEP-2300MOD RCP-2000 RSP-1600PM
UHP-1500PM
UHP-2500PMRSP-1600CAN
UHP-1500CAN
UHP-2500CANИсточники питания с подключением к 3-фазной сети SHP-10KPM SHP-10K SHP-10KMOD Более подробную информацию о различиях между шинами можно получить по адресу.
-
Почему нельзя отрегулировать ток до нуля при использовании интерфейса CAN?
- Параметры регулировки тока при использовании CAN фактически предназначены для регулировки лишь ограничения тока (функция PC).
-
Можно ли установить собственную кривую зарядки на интеллектуальных зарядных устройствах, когда предварительно определенные кривые зарядки не удовлетворяют требованиям системы?
- Да, кривые зарядки интеллектуальных зарядных устройств, включая серии ENC, RPB и RCB, могут быть установлены и настроены через отдельно приобретаемый программатор SBP-001, позволяющий настроить следующие функции [4]:
- Регулировка параметров зарядки: режимы CC и CV, напряжения холостого хода (FV) и тока «tapper» (TC).
- Изменение зарядного напряжения для компенсации различных температурных условий.
- Настройка тайм-аута (времени отключения) позволяет предотвратить перезаряд аккумулятора.
-
Что такое системное решение 3+N?
- Это комбинация: цифра «3» означает следующие продукты: модульные ИП; ИП для монтажа в стойку; системы питания; «N» – это бесконечные возможности сочетания продуктов MEAN WELL. Например, система 3+N может содержать 20 единиц DRP-3200 + CMU2.
-
В чем разница между системными решениями 3+N и предыдущими решениями?
- В сложности применения. Стандартные ИП и драйверы несложно использовать, но интеллектуальные продукты (KNX, контроллеры MCU и проч.) могут вызвать трудности при эксплуатации. Являясь ведущим производителем стандартных источников питания, компания MEAN WELL также разрабатывает интеллектуальные продукты со сложной функциональностью, подходящие для новых отраслей промышленности. Чтобы понять потребности пользователей и предложить подходящие продукты и решения, устранить сложности в применении системных решений 3+N, компания MEAN WELL активно взаимодействует с клиентами через специально созданную команду технической поддержки.
-
Какие системные решения 3+N может предложить компания MEAN WELL?
-
- Системы управления питанием CMU2.
- Системные решения [5].
- Светодиодное освещение – высокое напряжение постоянного тока [6].
- Светодиодное освещение – беспроводные IOT-решения [7].
- Светодиодное освещение – интеллектуальные решения c DALI [8].
- KNX-решения для систем управления зданиями [9].
- Рекуперация энергии для испытательных стендов [10].
Благодаря огромному ассортименту продукции (более 10 тысяч стандартных источников питания) и расположенным по всему миру офисам продаж и технического обслуживания, компания MEAN WELL может подобрать подходящие продукты и решения, в том числе создать индивидуальную для приложений заказчика систему 3+N.
-
Где можно найти дополнительную информацию о системных решениях 3+N, и как связаться со службой поддержки MEAN WELL?
- У компании MEAN WELL есть собственное приложение, где предоставляется информация о системных решениях 3+N, часто задаваемые вопросы, новости технологий, технические видео и семинары. Контактную информацию службы технической поддержки MEAN WELL можно найти по ссылке.
-
Какие системные решения есть у MEAN WELL?
- Потребляемая мощность, уровни выходного напряжения и функциональные возможности варьируются в зависимости от различных проектов и приложений. Для выполнения требований таких применений компания MEAN WELL предложила набор удобных решений под названием «System Power Solutions». Системное решение может быть собрано и отрегулировано в соответствии с требованиями заказчика. Мощность составляет от 3200 Вт до 128 кВт, диапазон напряжений – от 23,5 В до 58,8 В. Кроме того, клиенты также могут выбрать различные формы шкафов. Для получения более подробной информации свяжитесь с местными дистрибьюторами.
-
Существуют ли решения для систем управления питанием CMU2?
- Интеллектуальные источники питания MEAN WELL оснащены интерфейсами PMBus или CAN, через которые осуществляется удаленные управление и контроль. Для сокращения времени конструирования процесса в области управления питанием, MEAN WELL представила решение в виде системы управления питанием CMU2. CMU2 – это не только контроллер, но и графический пользовательский интерфейс, предоставляющий возможность легко и удобно выполнять мониторинг и управление интеллектуальными источниками питания. Кроме того, CMU2 может оптимизировать и повысить надежность системы управления питанием.
Пример применения:
Национальный центр исследований синхротронного излучения Тайваня для управления твердотельными усилителями мощности радиочастоты, которые генерируют высокочастотную энергию для ускорения электронов, движущихся со скоростью, близкой к скорости света, использует систему питания, состоящую из множества ИП DRP-3200. Для достижения наилучшего результата выходное напряжение этой системы должно регулироваться в диапазоне 42…54 В постоянного тока для каждой рабочей точки с определенным уровнем мощности RF. CMU2 Способность CMU2 одновременно и точно управлять выходным напряжением до 48 источников питания в системе делает его оптимальным решением для данного приложения.
Заключение
Области применения продукции компании MEAN WELL безграничны, как и ее ассортимент, что может вызвать дополнительные вопросы о возможностях и особенностях использования источников питания, светодиодных драйверов, прочих устройств и системных решений MEAN WELL. Ответы на эти вопросы можно получить в службе технической поддержки MEAN WELL и у специалистов компании КОМПЭЛ.
Дополнительные материалы
- How to measure Power Supply Withstand Voltage?
- How to measure Power Supply Ripple & Noise?
- MEAN WELL MTBF Optimization
- ENC programmable charger
- 99 MEAN WELL – CMU2 – Power Management Demo Kit
- 3+N System Solutions: DC High Voltage Centralized Power System Solution
- MEAN WELL – IoT Wireless Lighting – IoT Demo Kit
- MEAN WELL – DLC-02 – Digital Smart Lighting Controller Demo Kit
- MEAN WELL – Smart Buildings Demonstration Tool – KNX Demo Kit
- Energy Recycling Burn-in System: ERG-5000
Перевел Константин Кузьминов по заказу АО Компэл

![Рис. 2. Испытание изоляции с помощью тестера Extech 7420 [1]](http://www.compel.ru/wordpress/wp-content/uploads/2024/04/ris_2-4.png)


















Наши информационные каналы