Немногим дороже дискретного решения: новое поколение импульсных стабилизаторов Mornsun
10 июля 2019
Сергей Миронов (КОМПЭЛ)
В качественных импульсных стабилизаторах семейства R78xxR3 производства Mornsun используется оригинальная микросхема собственной разработки, что привело к существенному снижению общей стоимости изделий.
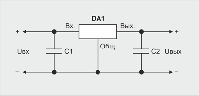
Практически во всех радиоэлектронных устройствах массово применяются линейные понижающие стабилизаторы напряжения типа КРЕН в корпусе TO220 (другое обозначение – 78хх) и им подобные для формирования основного напряжения питания схемы. Данные стабилизаторы позволяют без особых затрат получить нужное для каскада или узла схемы напряжение, если устройство питается от внешнего источника с более высоким напряжением. Для этого требуются стабилизатор и два конденсатора (рисунок 1).

Рис. 1. Типовая схема включения линейного стабилизатора напряжения
Эта схема очень простая, выгодная по цене и обладает хорошими параметрами по ЭМС. Тем не менее, и у нее есть недостаток, который является следствием линейной стабилизации – это невысокий КПД, особенно если выходное напряжение имеет низкое значение. Как правило, стабилизатор для отвода тепла требуется устанавливать на радиатор. Это необходимо при повышенных токах нагрузки и/или при большой разнице между значениями входного и выходного напряжений. Особенно актуально это для устройств, работающих при повышенной температуре окружающей среды. Наличие дополнительного радиатора ухудшает массогабаритные показатели устройства, а иногда для его установки просто нет места или площадь меди на печатной плате недостаточна для ее использования в качестве теплоотвода (для корпуса DPAK). Кроме того, при компоновке печатной платы не всегда имеется возможность поместить стабилизатор рядом с каскадом, который он питает, именно из-за наличия радиатора или находящихся рядом компонентов, например, электролитических конденсаторов, которым нежелателен дополнительный нагрев от стабилизатора. Это вынуждает выносить стабилизатор на край платы, что удлиняет цепи питания и ведет к сбоям при импульсном потреблении тока и неграмотной трассировке печатной платы. Помимо прочего, подобные стабилизаторы неэффективны в устройствах с автономным питанием, применение которых в последнее время возрастает..
В таких ситуациях оптимальным выбором является использование модульных импульсных понижающих стабилизаторов (неизолированных DC/DC-преобразователей), например, в корпусе SIP3 или в других. Причем преобразователи в корпусе SIP3 по выводам совместимы с корпусом TO220, а это значит, что даже в готовом устройстве можно заменить линейный стабилизатор импульсным, улучшив при этом показатели по эффективности и снизив тепловыделение (если линейный стабилизатор был установлен на радиаторе). Основное преимущество указанных стабилизаторов – именно в их эффективности: значение КПД может достигать 96%. При указанных в технических данных диапазонах токов и напряжений им не требуется радиатор, а диапазоны эти вполне широкие (выходной ток – до 2 А, а входное напряжение – до 36 В). Соответственно, снимаются ограничения, связанные с тепловыделением и дополнительным радиатором, улучшаются массогабаритные показатели устройства, возрастает общая эффективность и упрощается трассировка печатной платы, поскольку такой стабилизатор можно устанавливать в непосредственной близости от каскада, для которого он предназначен.
Эти изделия относятся к так называемому классу POL-преобразователей (Point of Load), то есть преобразователей, локализованных рядом с нагрузкой. Подобные преобразователи в различных типах корпусов выпускает известная на российском рынке DC/DC-преобразователей компания Mornsun (рисунок 2).

Рис. 2. Типы корпусов неизолированных стабилизаторов напряжения Mornsun: а) SIP3 – в корпусе; открытая плата; б) SMD – в корпусе; открытая плата; в) для объемного монтажа
Среди всей линейки неизолированных стабилизаторов Mornsun – семейства K78xx – особое внимание заслуживают стабилизаторы напряжения нового поколения, имеющие в конце наименования символы R3 (K78xxR3). Структура наименования таких преобразователей показана на рисунке 3.

Рис. 3. Структура наименования семейства К78хх
Стабилизаторы выпускаются на стандартный ряд фиксированного выходного напряжения 1,5…15 В и тока 500…2000 мА при входном напряжении до 36 В (в зависимости от модели). Некоторые модели можно использовать и для формирования выходного напряжения отрицательной полярности, включив стабилизатор определенным способом. Также с помощью двух преобразователей можно сформировать и биполярное напряжение со средней точкой, например, как показано на рисунке 4.

Рис. 4. Типовые схемы включения серии K78Lxx-1000R3
Инженеры Mornsun смогли применить нестандартный подход к разработке стабилизаторов нового поколения, в результате чего стоимость готового модульного преобразователя практически сравнялась со стоимостью компонентов при реализации подобного функционального узла на дискретных элементах. При этом технические параметры преобразователей остались прежними, а надежность увеличилась.
Нестандартный подход заключается в том, что в стабилизаторах семейства R78xxR3 используется оригинальная микросхема собственной разработки, и изготавливаются они на производстве с высокой степенью автоматизации. Такой подход позволил сократить число внутренних компонентов, что уменьшило стоимость комплектующих, а также снизить трудоемкость изготовления, что привело к существенному снижению общей стоимости. Сокращение количества компонентов с уменьшением количества точек пайки привело к повышению общей надежности, а высокая степень автоматизации обеспечивает хорошую стабильность (повторяемость) параметров от партии к партии и уменьшение времени изготовления.
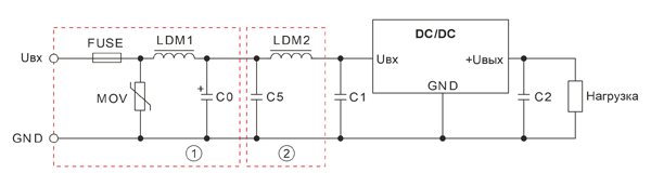
Поскольку рассматриваемые стабилизаторы относятся к классу импульсных преобразователей, то возникает вопрос: как у них обстоят дела с ЭМС? Здесь тоже все в порядке. Достаточно просто обеспечить ЭМС по критериям требований CISPR32/EN55032 класс В. Для этого следует применить на входе стабилизатора простой LC-фильтр, показанный, например, в блоке 2 рисунка 5, а если необходимо дополнительно обеспечить устойчивость к импульсным помехам и выбросам амплитудой до 1 кВ, рекомендуется использовать схему защиты (смотреть блок 1 на рисунке 5). Параметры компонентов фильтра и схемы защиты указаны в технических данных на конкретную модель.

Рис. 5. Схема включения преобразователя серии K78Lxx-1000R3 в соответствии с требованиями ЭМС и с дополнительной защитой от импульсов амплитудой до 1 кВ
Преобразователи семейства K78ххR3 (таблица 1) характеризуются крайне низким значением тока собственного потребления (на уровне нескольких десятых долей мА), что на порядок ниже, чем у линейных стабилизаторов, и обладают самовосстанавливающейся защитой от короткого замыкания на выходе.
Таблица 1. Основные параметры стабилизаторов семейства К78хх производства Mornsun
| Наименование | Выходной ток, мА | Диапазон входного напряжения, В | Выходное напряжение, В | Тип корпуса | Размер (ДхШхВ), мм | Примечание |
|---|---|---|---|---|---|---|
| K78xxJT-500R3 | 500 | 4,75…36 | 3,3/5/9/12/15 | SMD (открытая плата) |
12,50х13,50х3,50 | |
| K78xxW-500R3 | 500 | 4,75…36 | 3,3/5/9/12/15 | с проводами | 11,50х9,00х17,50 | Объемный монтаж |
| K78xxT-500R3 | 500 | 4,75…36 | 1,5/1,8/2,5/3,3 /5/6,5/9/12/15 |
SMD | 15,24х11,40х8,25 | |
| K78Lxx-500R3 | 500 | 4,75…36 | 3,3/5/12/15 | SIP (открытая плата) |
10,00х7,20х11,00 | |
| K78xx-500R3 | 500 | 4,75…36 | 3,3/5/9/12/15 | SIP | 11,60х7,55х10,16 | |
| K78xxT-1000R3 | 1000 | 4,75…36 | 1,5/1,8/2,5/3,3 /5/6,5/9/12 |
SMD | 15,24х11,40х8,25 | |
| K78Lxx-1000R3 | 1000 | 6…36 | 3,3/5/12/15 | SIP (открытая плата) |
11,50х7,50х17,50 | |
| K78xx-1000R3(L) | 1000 | 6…36 | 3,3/5/9/12/15 | SIP | 11,50х9,00х17,50 | L-выводы под углом 90° |
| K78xxM-1000R3 | 1000 | 6…36 | 3,3/5/9/12/15 | SIP | 11,60х8,00х10,40 | |
| K78xx-1500(L) | 1500 | 4,75…18 | 3,3/5/6,5 | SIP | 11,50х9,00х17,50 | L-выводы под углом 90° |
| K78xx-2000R3 | 2000 | 4,5…36 | 2,5/3,3/5/9/12/15 | SIP | 11,50х9,00х17,50 | |
| K78xx-2000(L) | 2000 | 4,75…18 | 2,5…6,5 | SIP | 11,50х9,00х17,50 | L-выводы под углом 90° |
Заключение
Компания Mornsun выпускает широкий спектр неизолированных стабилизаторов на различные сочетания выходного тока и напряжения и в различном конструктивном исполнении (таблица 1, рисунок 2). В настоящий момент в линейке продукции имеются стабилизаторы только самого последнего поколения (R3), характеризующиеся высоким качеством и стоимостью, сравнимой со стоимостью набора дискретных компонентов (серия K78Lxx/R3), что делает их привлекательными не только для крупно-, но и для мелкосерийного производства. Стабилизаторы могут применяться в различных промышленных и коммерческих устройствах, где требуется надежность и имеются жесткие требования по ЭМС (с применением дополнительного LC-фильтра) и температурному диапазону.
Наши информационные каналы