Сборки MOSFET-транзисторов JSCJ для схемы защиты литий-ионных аккумуляторов
5 мая 2023
Развитие рынка литиевых источников питания требует реакции и от рынка полупроводниковых компонентов, предназначенных для модулей зарядки, контроля и защиты аккумуляторов. На рисунке 1 показана типовая схема защиты от перенапряжения, перегрузки, короткого замыкания и глубокого разряда источников питания этого типа. Ключевыми элементами защиты являются два встречно включенных транзистора MOSFET, от параметров которых зависит эффективность и надежность всего модуля.
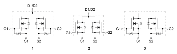
Компания Jiangsu Changjing Technology Co., Ltd. (JSCJ), являющаяся одним из лидеров среди производителей полупроводников в Китае, предлагает сборки MOSFET в конфигурации N + N (таблица 1), в том числе с защитой от электростатического разряда. Различные варианты корпусов (рисунок 3), в том числе ультратонких и ультракомпактных форм-факторов DFNWB и CSP, обладающих эффективным отведением тепла, в сочетании с различными характеристиками кристаллов дают возможность найти подходящую конфигурацию модуля защиты, оптимального по габаритам, надежности и стоимости.

Рис. 1. Типовая схема модуля защиты для литий-ионного аккумулятора
Таблица 1. Характеристики N-канальных транзисторных сборок производства компании JSCJ
| Наименование | Напряжение, В | Ток, А | Номинальное сопротивление перехода (Rdson), мОм, при VGS= | Корпус | Номер схемы (рисунок 2) |
||||
|---|---|---|---|---|---|---|---|---|---|
| Сток-исток (VDS) | Затвор-исток (VGS) | ||||||||
| 4,5 В | 3,8 В | 3,1 В | 2,5 В | ||||||
| CJAE2002 | 18 | ±12 | 15 | 4,4 | 4,6 | 4,9 | 5,4 | DFNWB3x3-8L-J | 1 |
| CJCD2003 | 18 | ±12 | 12 | 6,2 | 6,8 | 7,2 | 8,2 | DFNWB2x3-6L | 1 |
| CJCD2004 | 20 | ±12 | 10 | 7,3 | 7,8 | 8,2 | 9,0 | DFNWB2x3-6L | 1 |
| CJCD2005 | 20 | ±12 | 8 | 9,0 | 9,7 | 10,6 | 12,5 | DFNWB2x3-6L | 1 |
| CJCD2007 | 20 | ±12 | 8 | 12,5 | 13,5 | 14,5 | 17,0 | DFNWB2x3-6L | 1 |
| CJL2016 | 20 | ±10 | 6 | 15,7 | 16,4 | – | 20,0 | SOT-23-6L | 2 |
| CJL8810 | 20 | ±12 | 7 | 14,5 | 15,6 | – | 18,5 | SOT-23-6L | 1 |
| CJS9004 | 20 | ±12 | 10 | 7,5 | 8,4 | 8,9 | 9,7 | TSSOP-8 | 1 |
| CJS8810 | 20 | ±12 | 7 | 14,2 | 15,4 | – | 18,2 | TSSOP-8 | 1 |
| CJ6207SP | 12 | ±8 | 8,5 | 4,0 | 4,2 | 4,9 | 6,8 | CSPB2213-6 | 3 |
| CJ8208SP | 12 | ±8 | 14 | 2,0 | 2,1 | 2,4 | 2,8 | CSPC3015-10 | 3 |
| CJ8209SP | 12 | ±8 | 17 | 1,2 | 1,3 | 1,5 | 1,8 | CSPC2624-10 | 3 |
| CJ12209SP | 12 | ±8 | 19,8 | 1,2 | 1,3 | 1,4 | 1,6 | CSPC3028-14 | 3 |
| CJ4502SP | 20 | ±12 | 3,5 | 22,6 | 23,3 | 25,0 | 27,7 | CSPB1111-4 | 3 |
| CJ4506SP | 20 | ±12 | 10 | 11,2 | – | 12,7 | 14,7 | CSPB1717-4 | 3 |
| CJ6617SP | 20 | ±12 | 12 | 4,9 | 5,2 | 5,7 | 6,6 | CSPB2217-6 | 3 |

Рис. 2. Варианты эквивалентных схем сборок MOSFET-транзисторов

Рис. 3. Схематические (без масштабирования) изображения конфигураций и назначений выводов корпусов
Наши информационные каналы