Мостовой выпрямитель с корректором коэффициента мощности (PFC) на основе китайских дискретных компонентов
26 марта 2025
Алексей Васильев
Задача обеспечения нужной величины коэффициента мощности блока питания решается посредством использования так называемых корректоров коэффициента мощности (PFC, ККМ). Компоненты превосходного качества для PFC – мостовые сборки, выпрямительные диоды, MOSFET, дроссели и конденсаторы – изготовляют китайские производители, продукцию которых вы можете найти в КОМПЭЛ.
В прошлом электрооборудование представляло собой преимущественно линейную нагрузку. Для определения характера нагрузки использовался параметр cos φ, где φ – сдвиг по фазе между напряжением и током. Если нагрузка является чисто резистивной, то φ = 0 и, соответственно, cos φ = 1. В чисто емкостной нагрузке φ = -π/2, а в чисто индуктивной φ = π/2. Для обоих случаев cos φ = 0. Реально существующие электроприборы имеют cos φ в пределах от 0,5 до 1. Низкое значение cos φ приводит к тому, что значительная часть электроэнергии не используется для полезной работы, а теряется за счет дополнительного нагрева проводов.
Современные электронные устройства имеют значительную нелинейность. Для оценки характеристики такой нагрузки используется коэффициент мощности (PF). Он равен отношению активной мощности к общей мощности, отдаваемой в нагрузку. Принципиальное отличие от cos φ – в том, что PF учитывает не только сдвиг по фазе между током и напряжением, но и нелинейность нагрузки. Таким образом, приближение PF к идеальному значению, равному 1, связано не только с уменьшением фазового сдвига между током и напряжением, но и с уменьшением уровня гармоник тока.
Высокий уровень гармоник приводит к электромагнитным помехам в сети. Кроме этого, колебания с гармониками нечетных порядков складываются в нулевом проводе трехфазного кабеля, вызывая его нагрев. Итог – преждевременный износ силового кабеля.
Нормирование значений PF и уровня гармоник
Минимальные значения PF определяются нормативными документами для каждого вида электрооборудования. Например, для светильников используются нормы Постановления Правительства РФ от 24.12.2020 №2255 «Об утверждении требований к осветительным устройствам и электрическим лампам, используемым в цепях переменного тока в целях освещения».
Уровень гармоник высших порядков в России и других странах ЕАЭС нормируется техническим регламентом ТР ТС 020/2011 «Электромагнитная совместимость технических средств», который обязателен к исполнению.
Импульсные блоки питания

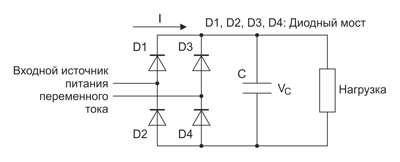
Рис. 1. Упрощенная схема мостового выпрямителя на входе импульсного БП
На входе импульсного блока питания (БП) находится мостовой выпрямитель (рисунок 1), к выходу которого, в свою очередь, подключен сглаживающий конденсатор. Далее напряжение подается на импульсный DC/DC-преобразователь, на выходе которого обеспечивается заданное значение напряжения или тока, в зависимости от типа источника.
Cоответствующая пара диодов выпрямительного моста открывается только в том случае, когда мгновенное значение напряжения на входе по модулю больше суммы напряжения на сглаживающем конденсаторе и удвоенного напряжения открытия диода.

Рис. 2. Форма тока на входе БП, не оснащенного PFC
В результате форма тока на входе БП (рисунок 2) значительно отличается от синусоидальной, что снижает значение PF и увеличивает уровень гармоник в сети. Для решения данной проблемы используются PFC.
Классификация вариантов построения PFC
Простейшим вариантом PFC является реактор, собранный на пассивных компонентах. Но его эффективность не соответствует современным требованиям многих приложений.

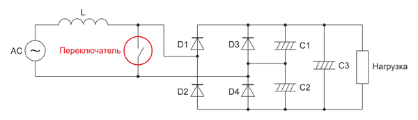
Рис. 3. Упрощенная схема PFC с частичным переключением
Известна также конструкция PFC с частичным переключением (Partial-switching, рисунок 3), в которой выход реактора (L) кратковременно соединяется с нулевым проводом в начале каждой полуволны питающего напряжения. Ее недостатки – дополнительное повышение питающего напряжения, а также необходимость в коммутаторе, способном пропускать ток в двух направлениях. Все это значительно увеличивает стоимость блока питания. Данное решение используется для относительно узких сфер применения: например, в кондиционерах.

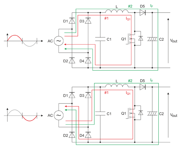
Рис. 4. Упрощенная схема активного PFC и пути протекания токов для положительной и отрицательной полуволн напряжения питания
Активный PFC устанавливается между выпрямителем и DC/DC-преобразователем (рисунок 4). Важный момент — конденсатор C1 имеет относительно небольшую емкость, а сглаживание пульсаций с удвоенной частотой тока в сети осуществляется конденсатором C2. Коммутация происходит на пульсирующем токе, протекающем в одном направлении, в качестве ключа используется MOSFET-транзистор. Эта схема получила наибольшее распространение в блоках питания.

Рис. 5. Упрощенная схема активного PFC с параллельным соединением транзисторов в ключе
В мощных PFC используются ключи, составленные из нескольких параллельно включенных MOSFET-транзисторов (рисунок 5). Кроме этого, в БП мощностью более 500 Вт нашли применение так называемые PFC с чередованием (Interleaved PFC), описание схемотехники которых выходит за пределы данной статьи.
Активные PFC
По способу управления ключом активные PFC можно разделить на три типа: CCM, CRM и DCM.

Рис. 6. График, демонстрирующий работу PFC в режиме CCM
CCM (Continuos Conduction Mode – режим непрерывной проводимости). В этом режиме (рисунок 6) ключ замыкается в моменты времени, когда ток в реакторе начинает уменьшаться. При этом он размыкается с постоянной частотой, в несколько раз превышающей частоту тока в сети. В итоге меняется промежуток времени, в течение которого транзистор находится в открытом состоянии. Максимальное значение тока, протекающего через транзистор в данном методе, при прочих равных условиях, значительно ниже, чем в других, что позволяет использовать более дешевые транзисторы. Но при этом переключение диода D5 происходит при значительных токах в реакторе. Это требует от данного диода высокого быстродействия. Желательно использовать кремниевые диоды с барьером Шоттки (SBD), в том числе изготовленные из карбида кремния (SiC).

Рис. 7. График, демонстрирующий работу PFC в режиме CRM
CRM (CRitical conduction Mode – режим критической проводимости). Ключ замыкается в моменты, когда ток в реакторе начинает уменьшаться, и размыкается при нулевом значении этого параметра (рисунок 7). Меняются как ширина импульсов, подаваемых на затвор транзистора, так и частота их следования. Поскольку переключение осуществляется при нулевом токе в диоде D5, метод отличается высокой энергоэффективностью.

Рис. 8. График, демонстрирующий работу PFC в режиме DCM
DCM (Discontinuous Сonduction Мode – режим прерывистой проводимости). На затвор транзистора подаются импульсы с постоянными значениями частоты и длительности (рисунок 8). Преимуществом данного метода является простота построения схемы управления ключом. Недостатки – повышенные требования к мощности MOSFET-транзистора, используемого в качестве ключа, а также меньший КПД по сравнению с другими методами.
Сравнение особенностей режимов работы активных PFC и области их применения приведены в таблице 1.
Таблица 1. Режимы работы активных PFC
| Режим | Преимущества | Недостатки | Рекомендуемый диапазон мощностей, Вт | Сфера применения |
|---|---|---|---|---|
| ССМ | Низкий уровень помех в сети, низкое значение пикового тока через ключ | Необходимость использования дорогостоящего диода SBD | Более 300 | Промышленное оборудование |
| CRM | Низкий уровень электромагнитных помех, высокий КПД | Высокое значение пикового тока через ключ | 75…300 | Бытовая техника, компьютеры, промышленное оборудование |
| DCM | Простота реализации схемы управления ключом | Низкий КПД, относительно высокий уровень помех в сети, высокое значение пикового тока через ключ | 25…75 | Светодиодные светильники, маломощные бытовые устройства |
Выбор соответствующего режима при разработке PFC делается по таблице на основе данных о сфере применения БП и его номинальной мощности. Следующим шагом является выбор электронных компонентов.
Мостовые сборки
Для повышения надежности лучше использовать в выпрямителе готовую сборку, представляющую собой мост из четырех диодов. Тем самым уменьшается количество соединений между отдельными элементами, что повышает надежность БП. Мостовые сборки следует выбирать по двум основным параметрам – номинальному выходному току Io и максимальному значению обратного напряжения Vrrm входящих в них диодов.
Определить Vrrm можно на основе значения входного напряжения БП по таблице 2. Значения, приведенные в этой таблице, учитывают необходимый запас на возможные броски напряжения в сети.
Таблица 2. Минимально допустимое значение Vrmm для выпрямительных диодов
| Входное напряжение, В | Vrmm, В |
|---|---|
| 110 | 400 |
| 120 | 400 |
| 230 | 600 |
| 277 | 600 |
Применительно к нашей стране для большинства применений входное напряжение БП принимается равным 230 В, соответственно, выбирать надо мостовые сборки с Vrmm не менее 600 В.
Если пренебречь падением напряжения в диодах, то напряжение постоянного тока на выходе мостового выпрямителя будет равно
$$V_{o}=1.41\times V,\qquad{\mathrm{(}}{1}{\mathrm{)}}$$
где V – напряжение переменного тока на входе БП.
Максимальный выходной ток мостового выпрямителя:
$$I_{o}=\frac{K\times P_{out}}{V_{o}},\qquad{\mathrm{(}}{2}{\mathrm{)}}$$
где Pout – номинальная выходная мощность выпрямителя, K – коэффициент запаса.
Для большинства типов БП значение K принимается 1,3.
Выбираем мостовую сборку, для которой значение Io не меньше значения, рассчитанного по формуле (2).
Возможные варианты мостовых сборок приведены в таблице 3.
Таблица 3. Мостовые сборки
| Тип | Vrmm, В | Iо, А | Корпус |
|---|---|---|---|
| SUNCO ABS6 | 600 | 1 | ABS |
| SUNCO ABS1506 | 600 | 1,5 | ABS |
| SUNCO ABS26 | 600 | 2 | ABS |
| SUNCO BR1506 | 600 | 15 | BR |
| SUNCO BR2506 | 600 | 25 | BR |
| DC Components DB105 | 600 | 1 | DB1 |
| DC Components KBL06 | 600 | 4 | KBL |
| DC Components KBU6J | 600 | 6 | KBU |
| DC Components KBU10J | 600 | 10 | KBU |
| DC Components KBPC3506 | 600 | 35 | KBC |
Выпрямительные диоды
Расскажем о том, как выбрать выпрямительный диод D5, используемый непосредственно в PFC (рисунок 4. Поскольку PFC работает на частотах, многократно превышающих частоту тока в сети, желательно, чтобы D5 как минимум относился к категории быстродействующих (Super Fast Recovery).
Максимальное обратное напряжение, которое может быть приложено к диоду D5, равно напряжению на выходе PFC. Оно немного больше, чем напряжение на выходе выпрямителя. Для сетевого напряжения 230 В значение напряжения на выходе PFC обычно принимают равным Vpfc = 370 В. Округляя это значение до ближайшего большего доступного номинала, получаем, что Vrmm для D5 должно быть не менее 400 В. Но лучше взять его с таким же запасом, как для мостовой сборки (таблица 2), т. е. не менее 600 В. Следует отметить, что диоды с барьером Шоттки, способные выдержать обратное напряжение 600 В, производятся в основном из карбида кремния.
Значение средней величины тока, протекающего через диод D5, рассчитывается по формуле:
$$I_{davr}=\frac{P_{pfc}}{V_{pfc}},\qquad{\mathrm{(}}{3}{\mathrm{)}}$$
где Ppfc – выходная мощность корректора.
Поскольку переключение рассматриваемого диода в режимах CRM и DCM происходит при нулевом токе в реакторе, диод нагревается только от действия постоянной составляющей. Необходимо выбрать диод, у которого значение Io превосходит значение Idavr, рассчитанное по формуле (3).
Совершенно иная ситуация складывается, если PFC работает в режиме CCM. В данном случае добавляется еще составляющая потерь, связанная с переключением, из-за чего через диод протекает дополнительный ток Idrms. Мощность, связанная с этим током, рассеивается на внутреннем сопротивлении диода. Расчет параметров диода для режима CCM сложен и выходит за рамки статьи. Если данных для расчета недостаточно, можно обойтись введением дополнительного запаса по мощности, а именно – выбрать диод со значением Io, в два и более раза превышающем вычисленное по формуле (3) значение Idavr.
Примеры диодов, подходящих для PFC, приведены в таблице 4.
Таблица 4. Диоды, которые можно использовать в PFC
| Наименование | Вид прибора | Vrmm, B | Io, А | Максимальное время восстановления после приложенного обратного напряжения, нс | Общий емкостной заряд Qc, нКл | Корпус |
|---|---|---|---|---|---|---|
| SUNCO E1J | Si | 600 | 1,7 | 35 | Н/д | SOD-123FL |
| SUNCO ES2J | Si | 600 | 2 | 35 | Н/д | SMB |
| SUNCO ES3J | Si | 600 | 3 | 35 | Н/д | SMC |
| SUNCO SF58G | Si | 600 | 5 | 35 | Н/д | DO-201AD |
| SUNCO SF68G | Si | 600 | 6 | 35 | Н/д | R-6 |
| SUNCO YJD106506BQG2 | SiC SBD | 650 | 10 | н/д | 25 | TO-263 |
| SUNCO YJD106510DQG2 | SiC SBD | 650 | 14 | н/д | 30 | TO-252 |
| JIEJIE JECR0506CL | Si | 600 | 5 | 13 | Н/д | Н/д |
| JIEJIE JECR0806AL-D | Si | 600 | 8 | 13 | Н/д | Н/д |
| JIEJIE JEUR1006CL | Si | 600 | 10 | 50 | Н/д | Н/д |
| JSCJ US1JF | Si | 600 | 1 | 50 | Н/д | DO221AC |
| JSCJ MURS460 | Si | 600 | 4 | 50 | 40 | DO215AB |
MOSFET
Проектирование PFC в настоящее время осуществляется с помощью специального программного обеспечения. Здесь мы рассмотрим несложные эмпирические правила, позволяющие выбрать транзисторы MOSFET, подходящие для проекта.
При напряжении в сети 230 В максимальное напряжение «сток-исток» у транзистора должно быть не менее 600 В.
Накопленный опыт создания PFC показывает, что потери энергии в них составляют около 5%. Верхняя граница мощности, рассеиваемой транзистором, соответствует случаю, когда все потери происходят в коммутирующем транзисторе. Можно быть уверенным, что транзистор заведомо подойдет по мощности, если номинальное значение рассеиваемой мощности у него не менее значения, вычисляемого по следующей формуле:
$$P_{d}=0.05\times P_{pfc},\qquad{\mathrm{(}}{4}{\mathrm{)}}$$
Для построения ключа в PFC следует выбирать MOSFET с минимальным значением произведения сопротивления «сток-исток» в открытом состоянии (Rds) на величину общего заряда затвора (Qg).
Данные по некоторым типам MOSFET, пригодных для работы в качестве ключа в PFC, приведены в таблице 5.
Таблица 5. N-канальные MOSFET производства SUNCO
| Наименование | Материал | Vdss, В | Pd, Вт при температуре корпуса 25°С | Rds, мОм | Qg, нКл | Корпус |
|---|---|---|---|---|---|---|
| SUNCO YJD11C65HJ | Si | 650 | 83 | 380 | 21 | TO-252 |
| SUNCO YJT33C60HJ | Si | 600 | 250 | 72 | 70 | TOLL |
| SUNCO YJN48C60HJ | Si | 600 | 227 | 72 | 70 | TO-247 |
| SUNCO YJD2065100B7GH | SiC | 650 | 161 | 100 | 13,5 | TO-263-7L |
| SUNCO YJD206520NCFGH | SiC | 650 | 375 | 20 | 287 | TO-247-4L |
| SUNCO YJD206550B7GH | SiC | 650 | 234 | 50 | 121 | TO-263-7L |
| SUNCO YJD206550NCFGH | SiC | 650 | 250 | 50 | 121 | TO-247-4L |
| WAYON WMJ38N60C2 | Si | 700 | 277 | 89 | 60 | TO-247-3 |
| CR Micro CRNQ050C65 | GaN | 650 | 100 | 55 | 20 | TO-247-3 |
| CR Micro CRNT080C65 | GaN | 650 | 108 | 65 | 22 | TO-220-3L |
| CR Micro CRJQ69N60G2 | Si | 600 | 277 | 63 | 79 | TO-247-3 |
Дроссели
Значение индуктивности дросселя L (рисунок 4) для режимов CRM и DCM рассчитывается по формуле:
$$L=\frac{(V_{input}-1.41\times V_{min})\times V_{min}^2\times \eta }{(2\times F_{min}\times P_{pfc}\times V_{input})},\qquad{\mathrm{(}}{5}{\mathrm{)}}$$
где Vinput – номинальное напряжение на входе PFC, Vmin – минимальное напряжение на входе PFC, η – КПД (принимается равным 0,95), Fmin – минимальное значение рабочей частоты.
Для режима CCM используется та же формула, но результат умножается на 10.
Другими важными параметрами дросселя являются сопротивление обмотки и рабочий ток. Сопротивление должно быть как можно меньше. Что же касается рабочего тока, то он не должен быть ниже, чем максимальное значение тока Imax, проходящего через дроссель при работе PFC. В противном случае произойдет магнитное насыщение сердечника дросселя, что может нарушить нормальную работу корректора. Данный параметр рассчитывается по формуле:
$$I_{max}=\frac{1.41\times P_{pfc}}{V_{min}\times \left(1+\frac{K_{p}}{2} \right)},\qquad{\mathrm{(}}{6}{\mathrm{)}}$$
где Kp – коэффициент пульсаций на входе, обычно принимаемый равным 0,25.
Современные PFC, как правило, работают на частотах от 30 до 100 кГц. Примеры подходящих для PFC дросселей приведены в таблице 6.
Таблица 6. Дроссели для PFC производства Fuantronics
| Наименование | Индуктивность, мкГн | Сопротивление, мОм | Рабочий ток, А |
|---|---|---|---|
| FAAIRD01-220K | 22 | 20 | 5,5 |
| FAAIRD01-270K | 27 | 30 | 4,5 |
| FAAIRD01-330K | 33 | 40 | 4 |
| FAAIRD01-470K | 47 | 62 | 2,8 |
| FAAIRD01-101K | 100 | 98 | 2,8 |
| FAAIRD01-121K | 120 | 127 | 2 |
| FAAIRD01-151K | 150 | 181 | 1,6 |
| FAAIRD01-181K | 180 | 217 | 1,6 |
| FAAIRD01-221K | 220 | 240 | 1,6 |
| FAAIRD01-271K | 270 | 300 | 1,6 |
Конденсаторы
Значение конденсатора C1 (рисунок 4) выбирается на основании эмпирического правила:
$$C_{1}=3.3\cdot 10^{-9}\times P_{pfc}\qquad{\mathrm{(}}{7}{\mathrm{)}}$$
Емкость конденсатора C2 (рисунок 4) должна быть не менее следующего значения:
$$C_{2}=\frac{P_{pfc}}{2\pi \times F_{line}\times \Delta V_{pfc}\times V_{pfc}},\qquad{\mathrm{(}}{8}{\mathrm{)}}$$
где Fline – частота тока в сети, равная 50 Гц, ΔVpfc – амплитуда пульсаций на выходе PFC.
Обычно в качестве C2 применяют электролитические конденсаторы на соответствующее напряжение (не менее 600 В) емкостью порядка сотен – тысяч микрофарад.
Компания Hongfa производит специальную серию пленочных конденсаторов HMKP25, предназначенную для работы в PFC на позиции C1 (рисунок 4). Их рекомендуется использовать для входной выпрямительной цепи, где они выполняют функции фильтрующих и сглаживающих DC- и PFC-конденсаторов. Максимальное напряжение (450, 520 и 630 В) согласовано с параметрами PFC блока питания для принятого у нас стандарта сети ~230 В, диапазон номиналов соответствует наиболее распространенным значениям мощностей импульсных блоков питания (до 22 мкФ). В качестве диэлектрика используется полипропилен, что обеспечивает высокую стабильность значения емкости. Отклонение от номинальной емкости не превышает ± 5%. Данные параметры позволяют рассматривать серию HMKP25 как замену и более надежную альтернативу для классических электролитических конденсаторов на входе импульсных блоков питания и балластных устройств. В сравнении со стандартными электролитами пленочные конденсаторы имеют более стабильные значения емкости и ESR на минусовых температурах. Параметры некоторых из электронных компонентов, входящих в эту серию, приведены в таблице 7.
Таблица 7. Конденсаторы производства Hongfa из серии HMKP25, специально разработанной для использования в PFC
| Наименование | Емкость, мкф | Максимально допустимое напряжение постоянного тока, В |
|---|---|---|
| HMKP25/2J223J40A405 | 0,022 | 630 |
| HMKP25/2J333J40A405 | 0,033 | 630 |
| HMKP25/2J104J40A405 | 0,1 | 630 |
| HMKP25/2J274J60A605 | 0,27 | 630 |
| HMKP25/2J393J40C000 | 0,39 | 630 |
| HMKP25/2J105J61C000 | 1 | 630 |
| HMKP25/2J154J40A405 | 1,5 | 630 |
| HMKP25/2J225J91A707 | 2,2 | 630 |
| HMKP25/2J335J91A707 | 3,3 | 630 |
| HMKP25/2J106JB1A807 | 10 | 630 |
Преимущества работы с компанией КОМПЭЛ
Импульсный блок питания – массовый вид продукции. Для него, с одной стороны, важны надежность и энергоэффективность, а с другой – сбалансированная стоимость и возможность поставок комплектующих в больших количествах.
В нынешних условиях надежные поставки электронных компонентов в больших количествах по приемлемым ценам могут гарантировать в основном китайские производители.
При организации поставок электронных компонентов из Китая в Россию важно выбрать надежного партнера с подтвержденным опытом подобной деятельности.
В этом вы можете полагаться на КОМПЭЛ:
- специалисты компании имеют большой опыт работы с китайскими производителями;
- крупные объемы поставок обеспечивают конкурентные цены, что снижает затраты для конечных клиентов;
- наличие огромного склада электронных компонентов упрощает логистику: большинство компонентов доступно для оперативной отгрузки, что сокращает сроки поставок;
- техническая поддержка помогает корректно подобрать аналоги компонентов ушедших с рынка брендов, минимизируя риски ошибок при замене;
- такое партнерство может стать практичным решением, особенно если ваша задача – стабильные поставки без компромиссов в качестве.
Наши информационные каналы