Силовые полупроводники SUNCO для различных топологий зарядных станций
6 марта 2025
Алексей Катков (г. Санкт-Петербург)
Развитие электротранспорта требует соответствующей инфраструктуры, в которую входит сеть стационарных зарядных станций. Для их построения необходимы выпрямительные диоды, IGBT-модули и MOSFET-транзисторы. Компания SUNCO предлагает широкий выбор качественных дискретных компонентов по конкурентной цене.
Число электромобилей во всем мире продолжает стремительно расти. В Китае в 2023…2024 годах доля продаж легкового электротранспорта впервые превысила количество проданных машин с бензиновыми моторами. Вследствие этого постоянно увеличивается количество зарядных станций. И оно продолжит расти соразмерно числу проданных машин на электротяге. В России такого перелома еще не случилось, однако тренд наметился: количество зарядных станций в крупных городах стремительно увеличивается вместе с количеством электромобилей. Если с привычными бензоколонками все, в целом, понятно, то с зарядными станциями – не очень. Как они построены? На какой элементной базе? Какая топология наиболее предпочтительна? Давайте разберемся.
Типы зарядных станций
Существуют два типа систем зарядки: переменного и постоянного тока. Зарядное устройство переменного тока питает аккумулятор электромобиля через бортовое зарядное устройство, которое преобразует энергию, получаемую из электросети. Зарядное устройство постоянного тока заряжает аккумулятор транспортного средства напрямую.
Все зарядные устройства можно разделить на 4 типа, в зависимости от их мощности:
- Устройства уровней I и II (3…10 кВт) относятся к системам зарядки переменного тока (рисунок 1). Такие зарядные станции подключаются к бортовому заряднику, и преобразование переменного тока в постоянный происходит уже в нем. Таким образом аккумулятор полностью заряжается за 3…10 часов. Эти устройства подходят для применения в домашних условиях.

Рис. 1. Структурная схема зарядной станции AC/DC
- Устройства уровня III и IV (50…250 кВт) относятся к системам зарядки постоянного тока и заряжают аккумулятор электромобиля напрямую за 10…30 минут. Электрозарядные станции (далее ЭЗС) на их основе хорошо подходят для общественной зарядной инфраструктуры. На рисунке 2 показана типовая структурная схема зарядной станции постоянного тока.

Рис. 2. Структурная схема зарядной станции постоянного тока
Стандарты ЭЗС
В разных странах действуют свои стандарты на станции заряда электротранспорта и зависят от ограничений по силе тока, напряжению и мощности (таблица 1).
Таблица 1. Стандарты ЭЗС
| Тип стандарта | Регион | Принятый стандарт | Тип соединителя | Максимальное напряжение, В | Максимальная сила тока, А | Максимальная мощность, Вт. |
|---|---|---|---|---|---|---|
| CCS2 | Россия, Европа, Южная Америка | SAE J3068 | ![]() |
1000 | 250 | 250 |
| CHAdeMO | Северная Америка, Япония, Европа | IEE2030.1.1 IEC 62916-3 | ![]() |
1000 | 400 | 400 |
| CCS Combo 1 | Северная Америка, Япония, Россия | SAE J1772 IEC 62916-3 | ![]() |
600 | 400 | 200 |
| CCS Combo 2 | Европа, Россия | IEC 62916-3 | ![]() |
900 | 400 | 350 |
| Tesla | Северная Америка | Нет специального стандарта | ![]() |
500 | 631 | 250 |
| GB/T | Китай, Россия | IEC 62916-3 | ![]() |
750 | 250 | 185 |
| ChaoJi | Универсальный | CHAdeMO and GB/T | ![]() |
1500 | 600 | 900 |
| MCS | – | Нет специального стандарта | ![]() |
1500 | 3000 | 45000 |
При проектировании и производстве ЭЗС необходимо ориентироваться в первую очередь на указанные стандарты. Также нужно иметь в виду условия эксплуатации. К примеру, домашние зарядные станции, попадающие в категорию 3…10 кВт, должны быть относительно компактными. Они зачастую выполняются в виде единого монолитного устройства на базе дискретных компонентов.
В свою очередь, для достижения таких высоких уровней мощности, как в устройствах уровней III и IV, используются зарядные модули мощностью 10…40 кВт на основе дискретных компонентов или силовых модулей на базе IGBT и/или карбида кремния (SiC), которые включаются параллельно. Они состоят из силовых каскадов переменного/постоянного тока (AC/DC) и постоянного тока (DC/DC). Каждый такой преобразователь соединен со своей системой управления, состоящей из драйверов затвора, датчиков тока и напряжения и управляющего контроллера. Размещение нескольких таких преобразователей внутри транспортного средства нерационально ввиду внушительных габаритов, поэтому эти преобразователи размещаются в самой зарядной станции, которая напрямую взаимодействует с аккумулятором транспортного средства, минуя бортовое зарядное устройство.
Топологии зарядных станций переменного тока с изоляцией и корректором коэффициента мощности
Для получения более высокой мощности и, как следствие, увеличения скорости заряда требуется подключение к трехфазной сети. Упрощенная структура такой зарядной станции представлена на рисунке 3.

Рис. 3. Схема ЭЗС на переменном токе (AC/DC)
Блок корректора коэффициента мощности (ККМ, PFC) обеспечивает синфазность входного тока с напряжением сети, тем самым улучшая общий коэффициент ее мощности: снижается нагрев проводов, большая часть энергии идет в дело. При его использовании уровень гармонических искажений уменьшается до 5% и ниже.
Этап DC/DC является вторым уровнем преобразования мощности на зарядной станции электромобиля. Он преобразует входящее напряжение постоянного тока 800 В (в случае трехфазных систем) в более низкое постоянное напряжение для зарядки аккумулятора электромобиля. Электрические характеристики зарядных модулей обусловлены стандартами и регулируются такими нормативными документами, как Combined Charging System (CCS) и CHAdeMO. Преобразователь постоянного тока должен быть способен подавать номинальную мощность на аккумулятор в широком диапазоне, например, 50…500 В для аккумуляторов от 48 В (электровелосипеды) до 400 В (подключаемый гибридный электромобиль).
Существуют несколько топологий AC/DC-преобразователей зарядных модулей, это обусловлено разнообразием технических требований и условий эксплуатации зарядных станций. Каждая топология имеет свои преимущества и недостатки, которые делают ее более подходящей для определенных задач. Разнообразие схемотехнических решений позволяет инженерам выбирать оптимальный вариант для конкретных условий, соблюдая баланс между эффективностью, стоимостью и функциональностью.
Однофазный корректор коэффициента мощности по схеме Totem pole
На рисунке 4 показана топология ККМ, выполненная по схеме Totem pole. Она представляет собой повышающий преобразователь, в котором диоды заменены полупроводниковыми ключами S1 и S2, соединенными по схеме полумоста. Ключи S3 и S4 в свою очередь образуют линию низкой частоты на 50…60 Гц, которая либо служит в качестве выпрямителя переменного тока, либо может быть заменена МОП-транзисторами с низким RDS(on) для повышения эффективности, переключающимися синхронно.

Рис. 4. Топология по схеме Totem pole
Топология Totem pole весьма эффективна. В ней основной ток протекает через два полупроводниковых ключа с малым сопротивлением открытого канала, которые управляются сигналами ШИМ. Такая топология обеспечивает высокую плотность мощности и может быть построена на базе относительно недорогих компонентов. Totem pole может работать в двух направлениях, а потому подходит для применения в системах V2G (Vehicle to Grid) и во встроенных двунаправленных зарядных устройствах.
Суть технологии V2G заключается в том, что аккумулятор может при необходимости отдавать часть энергии обратно в сеть, от которой заряжается, для ее стабилизации.
Единственным недостатком Totem pole является то, что в MOSFET-транзисторах на карбиде кремния эта схема может работать только в режимах прерывистой (DCM) или критической (CrM) проводимости. Это обусловлено тем, что в режиме непрерывной (CCM) проводимости обратное восстановление диодов может привести к чрезмерным потерям. Время обратного восстановления внутреннего диода в карбид-кремниевых MOSFET намного больше чем у стандартных быстровосстанавливающихся диодов, поэтому потери будут очень высокими, а эффективность – низкой.
Корректор коэффициента мощности с фиксированной нейтралью (NPC)
На рисунке 5 показана типовая схема ККМ с фиксированной нейтралью для зарядных станций.

Рис. 5. Схема преобразователя с фиксированной нейтралью
Эта топология имеет несколько преимуществ по сравнению с традиционным двухуровневым преобразователем.
Во-первых, многоуровневые преобразователи могут выдавать выходные напряжения с очень низкими уровнями гармонических искажений. В дополнение к этому, в силу особенностей схемы, коммутация в ней может происходить без перегрузки силовых ключей по напряжению.
Во-вторых, данный многоуровневый преобразователь дает хорошие показатели в части электромагнитной совместимости (ЭМС) и имеет низкий уровень гармонических искажений, из-за чего на входе может быть использована менее громоздкая индуктивность. Компоненты на основе GaN/SiC можно применять в этой схеме только когда требуются очень высокие эффективность и плотность мощности. Наконец, преобразователь с фиксированной нейтралью обеспечивает поток энергии в двух направлениях.
Если говорить о недостатках схемы, то можно отметить использование относительно большого количества силовых полупроводниковых компонентов. Для каждого переключателя требуется изолированная схема управления затвором, которая может быть довольно дорогостоящей и сложной в проектировании.
Трехфазный двухуровневый ККМ
На рисунке 6 изображена типовая топология трехфазного двухуровневого корректора коэффициента мощности. Повышающий выпрямитель с шестью ключами имеет довольно простую схему. Он эффективен и является двунаправленным, чтобы при необходимости батарея могла отдавать часть энергии в сеть для ее стабилизации, к тому же ею просто управлять.

Рис. 6. Двухуровневый преобразователь переменного тока
Особенность этой топологии заключается в том, что она требует высоковольтных ключей. Например, если напряжение постоянного тока составляет 800 В, то для силового каскада необходимы карбид-кремниевые транзисторы с номинальным напряжением 1200 В.
Одним из недостатков является громоздкая индуктивность в составе фильтров на входе схемы. Плотность энергии при этом небольшая. Кроме того, пиковое напряжение может достигать весьма внушительных значений, что негативно влияет на надежность компонентов, используемых в силовом каскаде. Наконец, в части электромагнитной совместимости эта схема также проигрывает другим популярными многоуровневым топологиям.
Трехфазный ККМ по схеме Виенна (Виенна-выпрямитель)
Топология Виенна-выпрямителя, которая показана на рисунке 7, используется в ККМ мощных зарядных станций с подключением к трехфазной сети. Данный выпрямитель широко применяется благодаря своей способности работать в режиме непрерывной проводимости (CCM), при этом силовые компоненты схемы не подвержены воздействию экстремальных скачков напряжения. Виенна-выпрямитель характеризуется высокой плотностью мощности при небольших габаритах, поскольку он требует применения не таких крупных индуктивностей, как двухуровневый.
В отличие от двухуровневого преобразователя, Виенна-выпрямитель обеспечивает высокую эффективность на повышенных частотах коммутации и не нуждается в высоковольтных карбид-кремниевых транзисторах на 1200 В, а может быть реализован на обычных MOSFET или IGBT-модулях на 600…650 В в совокупности с диодами Шоттки на карбиде кремния. Из недостатков этой топологии можно выделить то, что она поддерживает только однонаправленный режим передачи мощности – из сети в нагрузку.

Рис. 7. Виенна-выпрямитель
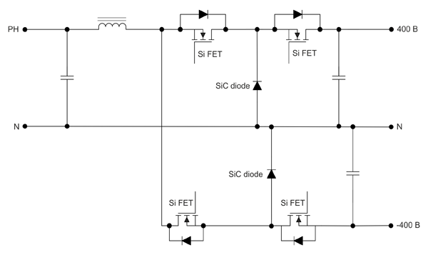
Трехфазный ККМ с фиксированной/активной нейтралью (ANPC/NPC)
Рисунок 8 иллюстрирует базовую топологию преобразователя с фиксированной нейтралью. Она похожа на рассмотренную ранее однофазную многоуровневую топологию, которая была расширена до трех фаз. В данном случае нагрузка по напряжению на силовые компоненты является самой низкой среди всех топологий, рассмотренных выше. Следовательно, ее можно легко масштабировать, в зависимости от мощности, стоимости и требуемого уровня эффективности. Силовые элементы подбираются исходя прежде всего из уровня мощности системы.

Рис. 8. Топология преобразователя с фиксированной точкой нейтрали
Поскольку коммутируются только 50% от величины всего напряжения в системе, то это вдвое сокращает потери на коммутацию в МОП-транзисторах. К плюсам данной топологии также можно отнести возможность применения компонентов на 600 В вместо 1200 В. В данном случае сама коммутация будет происходить быстрее, что приведет к дальнейшему снижению потерь на коммутацию. В качестве надежных компонентов для данного применения хорошо зарекомендовала себя продукция компании SUNCO (таблица 2).
Таблица 2. Выпрямительные диоды SUNCO
| Наименование | Корпус | Рабочее напряжение, В | Ток, А | Прямое напряжение (VF), В | Обратный ток IR, мкА | Прямой имп. ток (IFSM), А | Общий заряд (QC), нКл. | Рассеиваемая мощность (PTOT), Вт. | Тепловое сопротивление RthJ-C, °C/W |
|---|---|---|---|---|---|---|---|---|---|
| YJD106502DQG3 | TO-252/DPAK | 650 | 2 | 1,5 | 0,1 | 20 | 5,2 | 42 | 3,62 |
| YJD106502PQG3 | TO-220AC | 650 | 2 | 1,5 | 0,1 | 20 | 5,2 | 45 | 3,33 |
| YJD106504DG1 | TO-252/DPAK | 650 | 4 | 1,46 | 0,5 | 32 | 12,5 | 51 | 2,93 |
| YJD106504FG1 | ITO-220AC | 650 | 4 | 1,46 | 0,5 | 32 | 12,5 | 27 | 5,46 |
| YJD106504FQG3 | ITO-220AC | 650 | 4 | 1,56 | 0,2 | 40 | 10 | 30 | 4,99 |
| YJD106504PG1 | TO-220AC | 650 | 4 | 1,46 | 0,5 | 32 | 12,5 | 60 | 2,47 |
| YJD106504PQG3 | TO-220AC | 650 | 4 | 1,56 | 0,2 | 40 | 10 | 64 | 2,31 |
| YJD106506BQG2 | TO-263/D2PAK | 650 | 6 | 1,31 | 0,5 | 65 | 25 | 84 | 1,75 |
| YJD106506DQG2 | TO-252/DPAK | 650 | 6 | 1,31 | 0,5 | 65 | 25 | 100 | 1,49 |
| YJD106506FQG2 | ITO-220AC | 650 | 6 | 1,31 | 0,5 | 65 | 25 | 31 | 4,76 |
| YJD106506PQG2 | TO-220AC | 650 | 6 | 1,31 | 0,5 | 65 | 25 | 84 | 1,78 |
| YJD106508BQG2 | TO-263/D2PAK | 650 | 8 | 1,3 | 0,5 | 70 | 30 | 136 | 1,1 |
| YJD106508DQG2 | TO-252/DPAK | 650 | 8 | 1,3 | 0,5 | 70 | 30 | 132 | 1,14 |
| YJD106508FQG2 | ITO-220AC | 650 | 8 | 1,3 | 0,5 | 70 | 30 | 43 | 3,5 |
| YJD106508PQG2 | TO-220AC | 650 | 8 | 1,3 | 0,5 | 70 | 30 | 136 | 1,1 |
| YJD106510BQG2 | TO-263/D2PAK | 650 | 10 | 1,35 | 0,5 | 80 | 30 | 136 | 1,1 |
| YJD106510DQG2 | TO-252/DPAK | 650 | 10 | 1,35 | 0,5 | 80 | 30 | 136 | 1,1 |
| YJD106510DQG3 | TO-252/DPAK | 650 | 13 | 1,54 | 0,5 | 80 | 25 | 125 | 1,2 |
| YJD106510FQG2 | ITO-220AC | 650 | 10 | 1,35 | 0,5 | 80 | 30 | 43 | 3,5 |
| YJD106510NQG2 | TO-247AC | 650 | 10 | 1,35 | 0,5 | 70 | 30 | 126 | 1,19 |
| YJD106510PQG2 | TO-220AC | 650 | 10 | 1,35 | 0,5 | 80 | 30 | 136 | 1,1 |
| YJD106520BQG2 | TO-263/D2PAK | 650 | 20 | 1,35 | 1 | 160 | 62 | 144 | 1,04 |
| YJD106520BQG3 | TO-263/D2PAK | 650 | 20 | 1,2 | 2 | 380 | 135,3 | 375 | 0,4 |
| YJD106520DQG2 | TO-252/DPAK | 650 | 20 | 1,35 | 1 | 160 | 62 | 150 | 1 |
| YJD106520FQG2 | ITO-220AC | 650 | 20 | 1,35 | 1 | 160 | 62 | 47 | 3,2 |
| YJD106520NCTQG2 | TO-247AB | 650 | 20 | 1,35 | 0,5 | 80* | 30* | 230 | 0,65 |
| YJD106520NCTQG3 | TO-247AB | 650 | 20 | 1,55 | 0,5 | 70 | 25 | 166 | 0,9 |
| YJD106520NQG2 | TO-247AC | 650 | 20 | 1,35 | 1 | 160 | 62 | 187 | 0,8 |
| YJD106520PQG2 | TO-220AC | 650 | 20 | 1,35 | 1 | 160 | 62 | 170 | 0,88 |
| YJD106530NYG4 | TO-247AC | 650 | 30 | 1,36 | 0,2 | 200 | 92 | 238 | 0,63 |
| YJD106540NCTQG2 | TO-247AB | 650 | 40 | 1,35 | 1 | 160* | 62* | 365 | 0,41 |
| YJD106550BQG3 | TO-263/D2PAK | 650 | 50 | 1,45 | 3 | 380 | 135,3 | 375 | 0,4 |
| YJD106550NQG3 | TO-247AC | 650 | 50 | 1,45 | 3 | 380 | 135,3 | 454 | 0,33 |
| YJD106560NCTYG4 | TO-247AB | 1200 | 60 | 1,36 | 0,5 | 235* | 173* | 577** | 0.26** |
| YJD106560NCTYG4 | TO-247AB | 650 | 60 | 1,36 | 0,2 | 200* | 92* | 469** | 0.32** |
| YJD112002DG1 | TO-252/DPAK | 1200 | 2 | 1,41 | 3 | 25 | 14 | 46 | 3,3 |
| YJD112002DYG4 | TO-252/DPAK | 1200 | 2 | 1,45 | 0,1 | 20 | 10,2 | 42 | 3,57 |
| YJD112002FYG4 | ITO-220AC | 1200 | 2 | 1,45 | 0,1 | 20 | 10,2 | 23,8 | 6,3 |
| YJD112002PG1 | TO-220AC | 1200 | 2 | 1,41 | 3 | 25 | 14 | 47 | 3,2 |
| YJD112002PYG4 | TO-220AC | 1200 | 2 | 1,45 | 0,1 | 20 | 10,2 | 47,5 | 3,16 |
| YJD112005DG1 | TO-252/DPAK | 1200 | 5 | 1,4 | 1,8 | 52 | 37 | 57 | 2,6 |
| YJD112005FG1 | ITO-220AC | 1200 | 5 | 1,4 | 1,8 | 52 | 37 | 31 | 4,8 |
| YJD112005PG1 | TO-220AC | 1200 | 5 | 1,4 | 1,8 | 52 | 37 | 79 | 1,9 |
| YJD112008DQG3 | TO-252/DPAK | 1200 | 8 | 1,46 | 1 | 95 | 37 | 126 | 1,19 |
| YJD112008FQG3 | ITO-220AC | 1200 | 8 | 1,46 | 1 | 95 | 37 | 33 | 4,55 |
| YJD112008NQG3 | TO-247AC | 1200 | 8 | 1,46 | 1 | 95 | 37 | 98 | 1,52 |
| YJD112008PQG3 | TO-220AC | 1200 | 8 | 1,46 | 1 | 95 | 37 | 95 | 1,57 |
| YJD112010BGH | TO-263/D2PAK | 1200 | 10 | 1,38 | 0,5 | 90 | 58 | 153 | 0,98 |
| YJD112010BQG2 | TO-263/D2PAK | 1200 | 10 | 1,42 | 1,3 | 85 | 53 | 158 | 0,95 |
| YJD112010BXGH | TO-263/D2PAK | 1200 | 10 | 1,38 | 0,5 | 90 | 58 | 153 | 0,98 |
| YJD112010BXQG2 | TO-263/D2PAK | 1200 | 10 | 1,42 | 1,3 | 85 | 53 | 158 | 0,95 |
| YJD112010DGH | TO-252/DPAK | 1200 | 10 | 1,38 | 0,5 | 90 | 58 | 116 | 1,29 |
| YJD112010DQG2 | TO-252/DPAK | 1200 | 10 | 1,42 | 1,3 | 85 | 53 | 189 | 0,79 |
| YJD112010FGH | ITO-220AC | 1200 | 10 | 1,38 | 1 | 83 | 58 | 38 | 3,9 |
| YJD112010FQG2 | ITO-220AC | 1200 | 10 | 1,42 | 1,3 | 85 | 53 | 36 | 4,1 |
| YJD112010NGH | TO-247AC | 1200 | 10 | 1,38 | 0,5 | 90 | 58 | 136 | 1,1 |
| YJD112010NQG2 | TO-247AC | 1200 | 10 | 1,42 | 1,3 | 85 | 53 | 266 | 0,56 |
| YJD112010PGH | TO-220AC | 1200 | 10 | 1,38 | 0,5 | 90 | 58 | 153 | 0,98 |
| YJD112010PQG2 | TO-220AC | 1200 | 10 | 1,42 | 1,3 | 85 | 53 | 170 | 0,88 |
| YJD112015NGG2 | TO-247AC | 1200 | 15 | 1,25 | 0,5 | 144 | 114 | 319 | 0,47 |
| YJD112015NQG3 | TO-247AC | 1200 | 15 | 1,35 | 3 | 160 | 91 | 163 | 0,92 |
| YJD112015PGG2 | TO-220AC | 1200 | 15 | 1,25 | 0,5 | 140 | 114 | 241 | 0,62 |
| YJD112015PQG3 | TO-220AC | 1200 | 15 | 1,35 | 3 | 160 | 91 | 170 | 0,88 |
| YJD112016NCTQG3 | TO-247AB | 1200 | 16 | 1,46 | 1 | 95 | 37 | 200 | 0,75 |
| YJD112020BGG2 | TO-263/D2PAK | 1200 | 20 | 1,35 | 0,5 | 160 | 114 | 92 | 0,7 |
| YJD112020BGH | TO-263/D2PAK | 1200 | 20 | 1,45 | 1 | 145 | 104 | 197 | 0,76 |
| YJD112020BXGG2 | TO-263/D2PAK | 1200 | 20 | 1,34 | 0,5 | 160 | 114 | 214 | 0,7 |
| YJD112020BXGH | TO-263/D2PAK | 1200 | 20 | 1,45 | 1 | 145 | 104 | 197 | 0,76 |
| YJD112020NCTCG2 | TO-247AB | 1200 | 20 | 1,4 | 1 | 86 | 60 | 535 | 0,28 |
| YJD112020NCTQG2 | TO-247AB | 1200 | 20 | 1,42 | 1,3 | 85* | 53* | 500 | 0,30 |
| YJD112020NGG2 | TO-247AC | 1200 | 20 | 1,34 | 0,5 | 160 | 114 | 319 | 0,47 |
| YJD112020NGG3 | TO-247AC | 1200 | 20 | 1,38 | 0,5 | 210 | 120 | 326 | 0,46 |
| YJD112020NGH | TO-247AC | 1200 | 20 | 1,4 | 0,5 | 160 | 104 | 300 | 0,5 |
| YJD112020NQG3 | TO-247AC | 1200 | 20 | 1,45 | 3 | 160 | 96 | 227 | 0,66 |
| YJD112020PGG2 | TO-220AC | 1200 | 20 | 1,34 | 0,5 | 160 | 114 | 241 | 0,62 |
| YJD112020PGH | TO-220AC | 1200 | 20 | 1,45 | 1 | 145 | 104 | 197 | 0,76 |
| YJD112020PQG3 | TO-220AC | 1200 | 20 | 1,45 | 3 | 160 | 91 | 170 | 0,88 |
| YJD112030NCTCG2 | TO-247AB | 1200 | 30 | 1,22 | 0,5 | 150 | 104 | 576 | 0,51 |
| YJD112030NCTGH | TO-247AB | 1200 | 30 | 1,31 | 0,5 | 160 | 104 | 517 | 0,29 |
| YJD112030NCTQG3 | TO-247AB | 1200 | 30 | 1,35 | 3 | 160 | 96 | 428 | 0,35 |
| YJD112030NG1 | TO-247AC | 1200 | 30 | 1,54 | 1 | 240 | 153 | 394 | 0,38 |
| YJD112030NGG3 | TO-247AC | 1200 | 30 | 1,54 | 0,5 | 250 | 122 | 326 | 0,46 |
| YJD112030NGH | TO-247AC | 1200 | 30 | 1,38 | 1 | 261 | 205 | 333 | 0,45 |
| YJD112030NGHD | TO-247AC | 1200 | 30 | 1,29 | 1 | 288 | 209 | 535 | 0,28 |
| YJD112030NQG2 | TO-247AC | 1200 | 30 | 1,43 | 3,4 | 225 | 162 | 416 | 0,36 |
| YJD112040NCQG2 | TO-247AB | 1200 | 40 | 1,41 | 2 | 300 | 216 | 468 | 0,32 |
| YJD112040NCTGG2 | TO-247AB | 1200 | 40 | 1,34 | 0,5 | 160* | 228 | 638 | 0,24 |
| YJD112040NCTGH | TO-247AB | 1200 | 40 | 1,4 | 0,5 | 160 | 104 | 517 | 0,29 |
| YJD112040NCTQG3 | TO-247AB | 1200 | 40 | 1,45 | 3 | 160 | 91 | 326 | 0,46 |
| YJD112040NGG2 | TO-247AC | 1200 | 40 | 1,38 | 1 | 300 | 222 | 573 | 0,26 |
| YJD112040NGH | TO-247AC | 1200 | 40 | 1,4 | 1 | 300 | 209 | 535 | 0,28 |
| YJD112040NQG2 | TO-247AC | 1200 | 40 | 1,41 | 3,1 | 280 | 216 | 440 | 0,34 |
| YJD112060NQG2 | TO-247AC | 1200 | 60 | 1,45 | 2 | 445 | 320 | 750 | 0,19 |
| YJD112060NYG4 | TO-247AC | 1200 | 60 | 1,4 | 0,5 | 390 | 332 | 500 | 0,3 |
| YJD112080NPQG2 | TO-247PLUS | 1200 | 80 | 1,42 | 1 | 300 | 211 | 750 | 0,2 |
| YJD117010NG1 | TO-247AC | 1700 | 10 | 1,4 | 3 | 72 | 143 | 254 | 0,59 |
| YJD117010PG1 | TO-220AC | 1700 | 10 | 1,4 | 3 | 72 | 143 | 223 | 0,67 |
| YJD117020NCTG1 | TO-247AB | 1700 | 20 | 1,4 | 3 | 72* | 143 | 483 | 0,31 |
| YJD117030NCTG1 | TO-247AB | 1700 | 30 | 1,33 | 4 | 165 | 199 | 576 | 0,51 |
| YJD117030NG1 | TO-247AC | 1700 | 30 | 1,7 | 10 | 242 | 231 | 319 | 0,47 |
| YJD117040NCTG1 | TO-247AB | 1700 | 40 | 1,48 | 4 | 210 | 199 | 576 | 0,51 |
| YJD120025NG1 | TO-247AC | 2000 | 25 | 1,55 | 5 | 240 | 316 | 405 | 0,37 |
Топология с фиксированной нейтралью имеет малое значение пульсаций выходного тока и напряжения, что упрощает задачу фильтрации на выходе схемы. Эта топология обеспечивает высокую плотность мощности и относительно небольшие гармонические искажения формы тока и напряжения, а также высокий уровень ЭМС и двунаправленную передачу мощности. Все перечисленные преимущества позволяют сделать вывод, что данное решение является предпочтительным для работы с частотой коммутации свыше 50 кГц за счет малых потерь и высокой эффективности.
Одним из недостатков данной схемы является использование большого количества силовых полупроводниковых переключателей, каждому из которых требуется схема управления затвором. Кроме того, управление всей схемой получается довольно сложным. Часто для более симметричного распределения потерь в схеме диоды заменяют на активные полупроводниковые ключи, что, по сути, трансформирует схему в преобразователь с активной нейтралью (ANPC), как показано на рисунке 9.

Рис. 9. Преобразователь с активной нейтралью (ANPC)
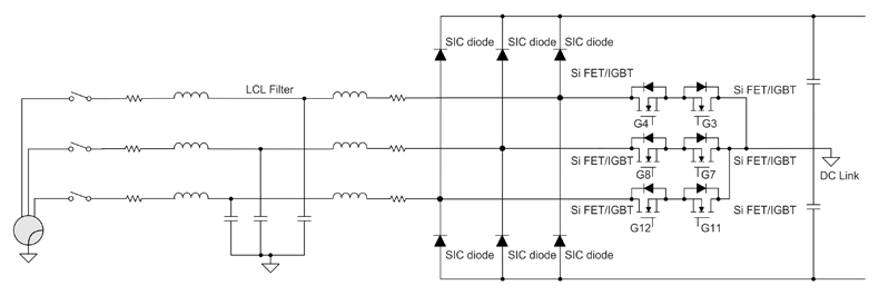
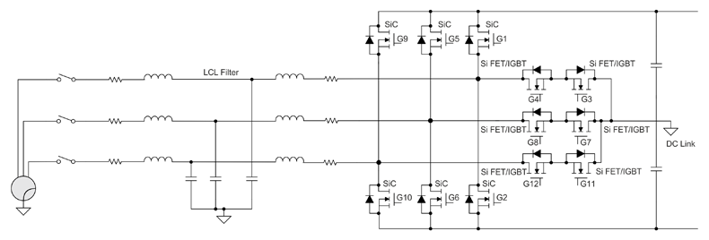
Трехфазный трехуровневый ККМ TNPC
На рисунке 10 изображена базовая топология преобразователя T-типа с тремя индуктивностями на входе. Она представляет собой двухуровневую топологию преобразователя напряжения, усовершенствованную за счет применения активного двунаправленного переключателя в средней точке, подключенного к звену постоянного тока, который должен блокировать половину подаваемого напряжения и поэтому может строиться на транзисторах 600 В, в отличие от верхнего и нижнего плечей преобразователя, которые должны быть построены на транзисторах 1200 В. ККМ по схеме TNPC имеет меньше компонентов, по сравнению с NPC, что упрощает конструкцию и снижает стоимость, а также, в сравнении с Виенна-выпрямителем и двухуровневым ККМ, обеспечивает высокие эффективность и плотность мощности. Он поддерживает двунаправленный поток мощности и подходит для частот переключения до 50 кГц, хотя на более высоких частотах NPC является более предпочтительным. К тому же, подобно другим топологиям, эта также имеет высокие характеристики в области гармонических искажений, поэтому не требует громоздкой индуктивности на входе.
Главным недостатком этой топологии является высокое пиковое напряжение на высоковольтных блокирующих полевых транзисторах.

Рис. 10. Трехфазный трехуровневый преобразователь TNPC
Определить оптимальный вариант рассмотренных схем поможет сравнение параметров, приведенных в таблице 3.
Таблица 3. Сравнение топологий первой части всех схемы ККМ
| Топология | 2-уровневая | 3-уровневый NPC | 3-уровневый Виенна-преобразователь | 3-уровневый TNPC | 3-уровневый ANPC |
|---|---|---|---|---|---|
| Уровень гармонических искажений на выходе | Высокий | Очень низкий | Очень низкий | Очень низкий | Очень низкий |
| Пиковое напряжение на активных и пассивных компонентах | Высокое | Низкое | Низкое | Низкое (блоки) | Очень низкое |
| Плотности мощности | Низкая | Высокая | Высокая | Высокая | Высокая |
| Двунаправленная передача энергии | Да | Да | Нет | Да | Да |
| Потери на проводимости | Низкие | Высокие | Высокие | Средние | Высокие |
| Коммутационные потери | Высокие | Низкие | Средние | Средние | Низкие |
| Эффективность | Низкая | Очень высокая (на высокой частоте) | Высокая | Высокая | Максимально возможная |
| Стоимость | Низкая | Высокая | Средняя | Средняя | Высокая |
| Сложность управления | Низкая | Средняя | Средняя | Средняя | Средняя |
| Габариты индуктивности на входе | Большие | Компактные | Компактные | Компактные | Компактные |
| Сложность терморегулирования | Низкая | Высокая | Средняя | Низкая | Низкая |
Топологии DC/DC-преобразователей зарядных модулей
При проектировании ЭЗС применяются четыре различных топологии высокомощных DC/DC-преобразователей:
- резонансный LLC-преобразователь;
- фазосдвигающий полный мост (PSFB);
- однофазный двойной активный мост (DAB);
- двойной активный мост, работающий в режиме CLLL
Традиционный фазосдвигающий полный мост (PSFB)
На рисунке 11 представлена базовая топология фазосдвигающего полного мостового преобразователя. Такой мост относится к семейству мостовых преобразователей, в которых активные ключи на вторичной обмотке заменены диодами, благодаря чему он допускает только однонаправленную передачу мощности.

Рис. 11. Топология фазосдвигающего полного моста
Первичная сторона преобразователя функционирует по принципу ZVS (Zero Voltage Switching), минимизируя потери. Однако диоды на вторичной стороне могут испытывать жесткие переключения, что способно приводить к большим потерям проводимости и снижать эффективность преобразователя. Для поддержания ZVS при малых нагрузках обычно применяется режим прерывистой работы (burst mode). Благодаря параллельному соединению преобразователей данной топологии можно добиться более высокой выходной мощности, что особенно актуально для зарядных модулей.
Стоит отметить, что данная топология требует блокировочного конденсатора для исключения постоянной составляющей тока, насыщающей трансформатор. Кроме того, для обеспечения ZVS в этой схеме часто требуется добавление дополнительного шунтирующего индуктора (shim inductor), что делает преобразователь более громоздким и снижает удельную плотность мощности.
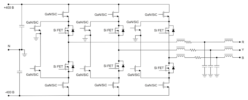
Двойной активный мост (DAB)
На рисунке 12 представлена базовая топология преобразователя с двумя активными мостами. Он состоит из полного моста с активными ключами как на первичной, так и на вторичной обмотках высокочастотного трансформатора. Основными преимуществами этого преобразователя являются его двунаправленность и возможность масштабирования за счет параллельного соединения для получения более высоких уровней мощности.

Рис. 12. Топология двойного активного моста
Управление двойным активным мостом может осуществляться как простым способом (с помощью фазовой модуляции) так и более сложным (за счет расширенной модуляции с двойным и тройным фазовым сдвигом). Применение двойного и тройного фазовых сдвигов обеспечивает условия ZVS на обоих мостах в широком диапазоне нагрузок и повышает КПД. Для сглаживания пульсаций тока необходим конденсатор на выходе. ЭЗС на основе данной топологии содержит относительно небольшое число компонентов, имеет низкую стоимость, отличается высоким КПД и используется там, где необходима высокая плотность мощности, а также малые габариты и вес при наличии изоляции.
Еще одно ограничение заключается в том, что для работы преобразователя часто требуется дополнительная катушка индуктивности, которая необходима для работы системы, а это может сделать преобразователь громоздким и снизить удельную мощность.
Реализовать эффективные и компактные мостовые преобразователи можно с помощью транзисторов SUNCO (таблицы 4 и 5).
Таблица 4. MOSFET-транзисторы SUNCO на основе карбида кремния
| Наименование | Корпус | Напряжение «сток-исток», В | Ток, A | R(DS)on при 25°C, мОм | Общий заряд затвора Qg, нКл | Выходная емкость (Ciss), pF | Рассеиваемая мощность (PTOT), Вт | Термальное сопротивление (RthJ), C (°C/W) | Максимальная рабочая температура, °C |
|---|---|---|---|---|---|---|---|---|---|
| YJD2065100B7GH | TO-263-7L | 650 | 32 | 100 | 66 | 105 | 161 | 0,93 | 175 |
| YJD2065100NCFGH | TO-247-4L | 650 | 32 | 100 | 66 | 105 | 166 | 0,9 | 175 |
| YJD2065100NCTGH | TO-247AB | 650 | 32 | 100 | 66 | 105 | 166 | 0,9 | 175 |
| YJD2065100PGH | TO-220-3L | 650 | 32 | 100 | 66 | 105 | 166 | 0,9 | 175 |
| YJD2065200B7GH | TO-263-7L | 650 | 19 | 200 | 43 | 67 | 120 | 1,25 | 175 |
| YJD2065200BGH | TO-263-2L/D2PAK | 650 | 18,5 | 200 | 43 | 59 | 100 | 1,5 | 175 |
| YJD2065200NCFGH | TO-247-4L | 650 | 16 | 200 | 43 | 67 | 89 | 1,4 | 175 |
| YJD2065200NCTGH | TO-247AB | 650 | 16 | 200 | 43 | 67 | 89 | 1,4 | 175 |
| YJD206520NCFGH | TO-247-4L | 650 | 115 | 20 | 287 | 359 | 375 | 0,4 | 175 |
| YJD206520NCTGH | TO-247AB | 650 | 115 | 20 | 287 | 359 | 375 | 0,4 | 175 |
| YJD206520TLGH | TOLL | 650 | 86,5 | 20 | 300,1 | 352 | 263 | 0,57 | 175 |
| YJD206525NCFGG2 | TO-247-4L | 650 | 60 | 25 | 137 | 118 | 187 | 0,8 | 175 |
| YJD206525NCFGH | TO-247-4L | 650 | 115 | 25 | 275 | 358 | 375 | 0,4 | 175 |
| YJD206525NCTGH | TO-247AB | 650 | 115 | 25 | 275 | 358 | 375 | 0,4 | 175 |
| YJD206525T2GH | T2PAK | 650 | 92 | 25 | 275 | 358 | 294 | 0,51 | 175 |
| YJD206550B7GH | TO-263-7L | 650 | 57 | 50 | 121 | 208 | 234 | 0,64 | 175 |
| YJD206550NCFGG2 | TO-247-4L | 650 | 33 | 50 | 82 | 56 | 131 | 1,14 | 175 |
| YJD206550NCFGH | TO-247-4L | 650 | 60 | 50 | 121 | 208 | 250 | 0,6 | 175 |
| YJD206550NCTGH | TO-247AB | 650 | 60 | 50 | 121 | 208 | 250 | 0,6 | 175 |
| YJD206550PGH | TO-220-3L | 650 | 60 | 50 | 121 | 208 | 250 | 0,6 | 175 |
| YJD206550TLGH | TOLL | 650 | 57 | 50 | 121 | 208 | 234 | 0,64 | 175 |
| YJD206560B7GH | TO-263-7L | 650 | 57 | 60 | 121 | 208 | 234 | 0,64 | 175 |
| YJD206560NCFGH | TO-247-4L | 650 | 60 | 60 | 116 | 205 | 250 | 0,6 | 175 |
| YJD206560NCTGH | TO-247AB | 650 | 60 | 60 | 116 | 205 | 250 | 0,6 | 175 |
| YJD206560T2GH | T2PAK | 650 | 57 | 60 | 117 | 208 | 242 | 0,62 | 175 |
| YJD206560TLGH | TOLL | 650 | 57 | 60 | 121 | 208 | 234 | 0,64 | 175 |
| YJD2120120B7GH | TO-263-7L | 1200 | 24,5 | 120 | 67 | 56 | 166 | 0,85 | 175 |
| YJD2120120BGH | TO-263-2L/D2PAK | 1200 | 23 | 160 | 67 | 56 | 161 | 0,93 | 175 |
| YJD2120120NCFGH | TO-247-4L | 1200 | 24 | 120 | 67 | 56 | 166 | 0,9 | 175 |
| YJD2120120NCTGH | TO-247AB | 1200 | 24 | 120 | 67 | 56 | 166 | 0,9 | 175 |
| YJD2120160B7GH | TO-263-7L | 1200 | 23 | 160 | 67 | 56 | 161 | 0,93 | 175 |
| YJD2120160BGH | TO-263-2L/D2PAK | 1200 | 23 | 160 | 67 | 56 | 161 | 0,93 | 175 |
| YJD2120160NCFGH | TO-247-4L | 1200 | 24 | 160 | 67 | 56 | 166 | 0,9 | 175 |
| YJD2120160NCTGH | TO-247AB | 1200 | 24 | 160 | 67 | 56 | 166 | 0,9 | 175 |
| YJD2120240B7GH | TO-263-7L | 1200 | 13,5 | 240 | 47 | 36 | 105 | 0,93 | 175 |
| YJD2120240BGH | TO-263-2L/D2PAK | 1200 | 13 | 320 | 47 | 36 | 100 | 1,5 | 175 |
| YJD2120240NCFGH | TO-247-4L | 1200 | 13,5 | 240 | 47 | 36 | 105 | 1,42 | 175 |
| YJD2120240NCTGH | TO-247AB | 1200 | 13,5 | 240 | 47 | 36 | 105 | 1,42 | 175 |
| YJD212025NCFGH | TO-247-4L | 1200 | 95 | 25 | 366 | 238 | 450 | 0,4 | 175 |
| YJD212025NCTGH | TO-247AB | 1200 | 95 | 25 | 366 | 238 | 450 | 0,4 | 175 |
| YJD212030NCFG2 | TO-247-4L | 1200 | 68 | 30 | 127 | 119 | 333 | 0,45 | 175 |
| YJD212030NCFGH | TO-247-4L | 1200 | 78 | 30 | 305 | 198 | 375 | 0,4 | 175 |
| YJD212030NCTG2 | TO-247AB | 1200 | 68 | 30 | 127 | 119 | 333 | 0,45 | 175 |
| YJD212030NCTGH | TO-247AB | 1200 | 78 | 30 | 305 | 198 | 375 | 0,4 | 175 |
| YJD212030T2GH | T2PAK | 1200 | 69 | 30 | 305 | 198 | 294 | 0,51 | 175 |
| YJD212040B7GH | TO-263-7L | 1200 | 55 | 40 | 229 | 145 | 250 | 0,6 | 175 |
| YJD212040NCFG1 | TO-247-4L | 1200 | 63 | 40 | 120 | 141 | 333 | 0,45 | 175 |
| YJD212040NCFG2 | TO-247-4L | 1200 | 66 | 40 | 116 | 127 | 333 | 0,45 | 175 |
| YJD212040NCFGH | TO-247-4L | 1200 | 62 | 40 | 229 | 149 | 326 | 0,46 | 175 |
| YJD212040NCFGH2 | TO-247-4L | 1200 | 79 | 40 | 292 | 198 | 375 | 0,4 | 175 |
| YJD212040NCTG1 | TO-247AB | 1200 | 63 | 40 | 120 | 141 | 333 | 0,45 | 175 |
| YJD212040NCTG2 | TO-247AB | 1200 | 66 | 40 | 116 | 127 | 333 | 0,45 | 175 |
| YJD212040NCTGH | TO-247AB | 1200 | 62 | 40 | 229 | 149 | 326 | 0,46 | 175 |
| YJD212040NCTGH2 | TO-247AB | 1200 | 78 | 40 | 280 | 195 | 375 | 0,4 | 175 |
| YJD212040T2GH | T2PAK | 1200 | 58 | 40 | 229 | 145 | 278 | 0,54 | 175 |
| YJD212055NCFGH | TO-247-4L | 1200 | 58 | 55 | 229 | 145 | 326 | 0,46 | 175 |
| YJD212060B7GH | TO-263-7L | 1200 | 42 | 60 | 129 | 115 | 234 | 0,64 | 175 |
| YJD212060NCFGH | TO-247-4L | 1200 | 44,5 | 60 | 129 | 115 | 250 | 0,6 | 175 |
| YJD212060NCTGH | TO-247AB | 1200 | 44,5 | 60 | 129 | 115 | 250 | 0,6 | 175 |
| YJD212060T2GH | T2PAK | 1200 | 43 | 60 | 129 | 115 | 242 | 0,62 | 175 |
| YJD212060TLGH | TOLL | 1200 | 42,5 | 60 | 117 | 97,4 | 234,4 | 0,64 | 175 |
| YJD212080B7GH | TO-263-7L | 1200 | 31,5 | 110 | 131 | 85 | 214 | 0,7 | 175 |
| YJD212080NCFG1 | TO-247-4L | 1200 | 39 | 77 | 41 | 58 | 214 | 0,7 | 175 |
| YJD212080NCFGG2 | TO-247-4L | 1200 | 38 | 80 | 70 | 56 | 223 | 0,67 | 175 |
| YJD212080NCFGH | TO-247-4L | 1200 | 33 | 80 | 131 | 85 | 224 | 0,67 | 175 |
| YJD212080NCTG1 | TO-247AB | 1200 | 38 | 77 | 41 | 58 | 214 | 0,7 | 175 |
| YJD212080NCTGH | TO-247AB | 1200 | 33 | 80 | 131 | 85 | 224 | 0,67 | 175 |
| YJD212080T2GH | T2PAK | 1200 | 33 | 80 | 131 | 85 | 223 | 0,67 | 175 |
| YJD212080TLG1 | TOLL | 1200 | 39,5 | 80 | 48 | 56,3 | 208,3 | 0,72 | 175 |
| YJD2170500B7GH | TO-263-7L | 1700 | 7,7 | 500 | 36 | 17 | 89 | 1,69 | 175 |
| YJD2170500NCTGH | TO-247AB | 1700 | 7,7 | 500 | 36 | 17 | 94 | 1,6 | 175 |
Таблица 5. IGBT-транзисторы SUNCO
| Наименование | Корпус | Uкэ мин., В | Iк @ TC = 100°C, A | Uкэ нас., В | Eon+Eoff при Tj = 125°C, мДж | R темп. макс.(j-c), °C/W |
|---|---|---|---|---|---|---|
| DGB10N65CTL0 | TO-263 | 650 | 10 | 1,4 | 0,71 | 1,5 |
| DGB15N65CTL0 | TO-263 | 650 | 15 | 1,4 | 0,65 | 1,35 |
| DGB20N65CTL0 | TO-263 | 650 | 20 | 1,6 | 0,83 | 1,25 |
| DGB30N65CTL1E | TO-263 | 650 | 30 | 1,65 | 2,21 | 1,1 |
| DGF10N65CTL0 | TO-220F | 650 | 10 | 1,4 | 0,71 | 4,8 |
| DGF15N65CTL0 | TO-220F | 650 | 15 | 1,4 | 0,65 | 4,4 |
| DGF20N65CTL0 | TO-220F | 650 | 20 | 1,6 | 0,83 | 4 |
| DGL50N120CTL0D | TO-264 | 1200 | 50 | 1,8 | 11,64 | 0,3 |
| DGL75N120CTL1J | TO-264 | 1200 | 75 | 1,6 | 22,6 | 0,27 |
| DGP10N65CTL0 | TO-220 | 650 | 10 | 1,4 | 0,71 | 1,5 |
| DGP15N65CTL0 | TO-220 | 650 | 15 | 1,4 | 0,65 | 1,35 |
| DGP20N65CTL0 | TO-220 | 650 | 20 | 1,6 | 0,83 | 1,25 |
| DGQ100N65CTL1D | TO-247PLUS | 650 | 100 | 1,25 | 7,2 | 0,35 |
| DGQ100N65CTS1D | TO-247PLUS | 650 | 100 | 1,35 | 5,5 | 0,35 |
| DGQ120N65CTH1G | TO-247PLUS | 650 | 120 | 1,6 | 6,75 | 0,26 |
| DGQ140N120CTH1G | TO-247PLUS | 1200 | 140 | 1,75 | 19,2 | 0,16 |
| DGQ160N65CTS2A | TO-247PLUS | 650 | 160 | 1,55 | 12,78 | 0,21 |
| DGQ75N120CTH0D | TO-247PLUS | 1200 | 75 | 2 | 15 | 0,2 |
| DGQ75N120CTH1A | TO-247PLUS | 1200 | 75 | 1,65 | 7,78 | 0,28 |
| DGQ75N120CTH1B | TO-247PLUS | 1200 | 75 | 2,1 | 11,7 | 0,25 |
| DGQ75N120CTL0D | TO-247PLUS | 1200 | 75 | 1,85 | 15,9 | 0,2 |
| DGQ75N120CTL1A | TO-247PLUS | 1200 | 75 | 1,55 | 17,5 | 0,23 |
| DGW100N65CTL1D | TO-247 | 650 | 100 | 1,25 | 7,2 | 0,35 |
| DGW100N65CTS1D | TO-247 | 650 | 100 | 1,35 | 5,5 | 0,35 |
| DGW10N120CTL | TO-247 | 1200 | 10 | 1,85 | 2,23 | 0,95 |
| DGW15N120CTL | TO-247 | 1200 | 15 | 1,90 | 3,95 | 0,75 |
| DGW15N120CTL1A | TO-247 | 1200 | 15 | 1,55 | 2,4 | 1 |
| DGW15N120CTLS | TO-247 | 1200 | 15 | 2,35 | 3,82 | 0,95 |
| DGW15N65CTL | TO-247 | 650 | 15 | 1,7 | 0,51 | 1 |
| DGW20N65CTL0 | TO-247 | 650 | 20 | 1,6 | 0,83 | 1,25 |
| DGW25N120CTL | TO-247 | 1200 | 25 | 1,85 | 4,6 | 0,46 |
| DGW25N120CTL1A | TO-247 | 1200 | 25 | 1,6 | 4,1 | 0,65 |
| DGW30N65BTH | TO-247 | 650 | 30 | 1,95 | 1,75 | 0,8 |
| DGW30N65CTH | TO-247 | 650 | 30 | 1,95 | 1,75 | 0,8 |
| DGW30N65CTL | TO-247 | 650 | 30 | 1,85 | 1,71 | 0,8 |
| DGW40N120CTH | TO-247 | 1200 | 40 | 2,1 | 6,03 | 0,35 |
| DGW40N120CTH0D | TO-247 | 1200 | 40 | 2 | 6,98 | 0,3 |
| DGW40N120CTH1A | TO-247 | 1200 | 40 | 1,85 | 7,2 | 0,4 |
| DGW40N120CTH2D | TO-247 | 1200 | 40 | 1,65 | 3,54 | 0,65 |
| DGW40N120CTL | TO-247 | 1200 | 40 | 1,85 | 8,1 | 0,35 |
| DGW40N120CTL1A | TO-247 | 1200 | 40 | 1,7 | 7,8 | 0,4 |
| DGW40N120CTL1A1 | TO-247 | 1200 | 40 | 1,65 | 6,45 | 0,47 |
| DGW40N65ATH | TO-247 | 650 | 40 | 1,95 | 2,4 | 0,6 |
| DGW40N65ATL0 | TO-247 | 650 | 40 | 1,55 | 1,86 | 0,8 |
| DGW40N65BTH | TO-247 | 650 | 40 | 1,95 | 2,4 | 0,6 |
| DGW40N65CTL0 | TO-247 | 650 | 40 | 1,55 | 1,86 | 0,8 |
| DGW50N120CTL1A | TO-247 | 1200 | 50 | 1,55 | 7,42 | 0,32 |
| DGW50N65BTH | TO-247 | 650 | 50 | 1,95 | 3,24 | 0,5 |
| DGW50N65CTH | TO-247 | 650 | 50 | 1,95 | 3,24 | 0,5 |
| DGW50N65CTH2A | TO-247 | 650 | 50 | 1,6 | 2,56 | 0,53 |
| DGW50N65CTL0A | TO-247 | 650 | 50 | 1,7 | 4,07 | 1,05 |
| DGW50N65CTL1E | TO-247 | 650 | 50 | 1,5 | 4,98 | 0,49 |
| DGW50N65CTL2A | TO-247 | 650 | 50 | 1,45 | 3,82 | 0,45 |
| DGW50N65CTS2A | TO-247 | 650 | 60 | 1,4 | 2,69 | 0,53 |
| DGW60N65BTH | TO-247 | 650 | 60 | 2,1 | 4,27 | 0,45 |
| DGW60N65CTH2A | TO-247 | 650 | 60 | 1,7 | 3,27 | 0,53 |
| DGW60N65CTS2A | TO-247 | 650 | 60 | 1,5 | 3,42 | 0,53 |
| DGW75N65CTH2A | TO-247 | 650 | 75 | 1,65 | 4,37 | 0,35 |
| DGW75N65CTL1E | TO-247 | 650 | 75 | 1,7 | 5,91 | 0,45 |
| DGW75N65CTS2A | TO-247 | 650 | 75 | 1,45 | 4,64 | 0,35 |
| DGWC75N65CTS2A | TO-247 | 650 | 75 | 1,45 | 3,68 | 0,35 |
| DGZ50N65CTH2A | TO-247 | 650 | 50 | 1,6 | 2,56 | 0,53 |
| DGZ75N65CTH2A | TO-247-4L | 650 | 75 | 1,65 | 3,59 | 0,35 |
| DGZ75N65CTS2A | TO-247-4L | 650 | 75 | 1,45 | 3,86 | 0,35 |
| DGZC75N65CTH2A | TO-247-4L | 650 | 75 | 1,65 | 3,59 | 0,35 |
| DGZC75N65CTS2A | TO-247-4L | 650 | 75 | 1,45 | 3,86 | 0,35 |
Резонансный преобразователь (LLC)
Резонансный преобразователь состоит из трех основных блоков:
- мостового преобразователя;
- резонансного контура;
- выпрямителя.
На его выходе и выходе стоят блоки конденсаторов для сглаживания пульсаций тока.
Преобразователь работает в трех режимах: на резонансной частоте, выше и ниже ее. При работе ниже резонансной частоты уменьшены потери на переключение благодаря мягкому переключению (ZVS), но при этом возрастают потери проводимости. При работе выше резонансной частоты увеличиваются потери на переключении и возникает жесткая коммутация, однако снижаются потери проводимости. Оптимальной будет работа в пределах, близких к значениям резонансной частоты, где возможны ZVS-включение и ZCS-выключение. На рисунке 13 показана топология резонансного LLC-преобразователя.

Рис. 13. Топология резонансного преобразователя
Распараллеливание и синхронизация нескольких модулей системы на базе резонансного LLC-преобразователя для увеличения мощности является сложной задачей. Для ее реализации требуется внешняя логика управления. Пульсации тока и пиковое напряжение на всех компонентах системы весьма высоки, что приводит к необходимости использования довольно большой емкости на выходе. Кроме того, трансформатор преобразователя также должен быть довольно внушительных размеров, чтобы обеспечить должный уровень изоляции. Одним из главных преимуществ резонансного преобразователя являются хорошие показатели ЭМС.
Двойной активный мост (DAB) в режиме CLLLC
Резонансные DAB-преобразователи представляют особый интерес, поскольку обладают высокой мощностью и эффективностью, а также отличаются хорошими показателями в части плотности энергии. Данная топология включает в себя все функциональные возможности LLC, однако в режиме CLLLC (Capacitor-Inductor-Inductor-Inductor-Capacitor) преобразователь способен работать в двух направлениях (рисунок 14). Благодаря использованию конденсаторов на первичной и вторичной обмотках трансформатора предотвращается проблема перенасыщения сердечника и сглаживаются пульсации тока (рисунок 15).

Рис. 14. Двойной активный мост (DAB) в режиме CLLLC

Рис. 15. Внешний вид модуля на основе топологии DAB
Топология DAB, работающая в режиме CLLLC, в первую очередь подходит для бортовых зарядных устройств, но может использоваться и при более высоких уровнях мощности, вплоть до 10 кВт. Однако масштабирование до более высоких значений мощности и распараллеливание могут быть затруднены, поскольку для этого требуется реализовать симметричную конструкцию контура и синхронизацию нескольких модулей, что на практике может оказаться довольно непростой задачей.
Преимущества и особенности топологий DC/DC-преобразователей зарядных модулей представлены в таблице 6.
Таблица 6. Сравнение топологий DC/DC-преобразователей
| Топология | LLC-преобразователь | Фазосдвигающий полный мост (PSFB) | Двойной активный мост (DAB) | Двойной активный мост (DAB) в режиме CLLLC |
|---|---|---|---|---|
| Пиковая нагрузка на компоненты схемы на первичной и вторичной стороне | Высокая | Низкая | Максимально низкая | Высокая |
| Максимально допустимый уровень реактивной мощности на трансформаторе | Высокий | Средний | Низкий | Высокий |
| Отношение полной выходной мощности к максимальному уровню реактивной мощности на трансформаторе | Низкое | Среднее | Высокое | Среднее |
| Величина входного и выходного среднеквадратичного тока на конденсаторах | Высокая | Средняя | Низкая | Высокая |
| Двунаправленность передачи энергии | Нет | Нет | Да | Да |
| Уровень потерь проводимости | Высокий | Средний | Максимально низкий | Средний |
| Потери на коммутацию при включении | ZVS | ZVS | ZVS | ZVS |
| Уровень потерь на коммутацию при выключении | Низкий | Высокий | Высокий (устройство выключается при пиковом значении тока в индуктивности) | Низкий (отключение первичной стороны определяется током намагничивающего индуктора, отключение вторичной стороны равно нулю) |
| Уровень общих потерь | Низкий | Максимально высокий | Средний | Низкий |
| Сложность управления схемой | Умеренная | Очень низкая | Варьируется от простой до сложной | Умеренная |
| Широкий диапазон напряжений батареи, фиксированное напряжение на шине | Нет, требуется отдельный DC/DC-преобразователь | Да, с уменьшением эффективности | Да, с уменьшением эффективности | Ограничен |
| Возможность соединения модулей параллельно | Да | Да | Да | Да |
| Частота коммутации | Фиксированная/высокая (при использовании компонентов на SiC) | Высокая | Высокая | Очень высокая |
Для успешного развития инфраструктуры электротранспорта необходимо создание широкой сети зарядных станций различных топологий, для чего нужны силовые полупроводниковые компоненты: диоды, IGBT-модули и транзисторы (в том числе на основе карбида кремния). Все это предлагает компания SUNCO – один из крупнейших производителей дискретных компонентов в КНР.
При достаточно невысокой стоимости компонентов SUNCO обеспечивает высокое качество продукции благодаря сквозному контролю в процессе полного цикла производства. Кроме того, компания осуществляет постпродажную поддержку заказчиков через своих дистрибьюторов. В случае возникновения неисправностей специалисты готовы провести полный анализ возникшей проблемы в течение 5…7 рабочих дней и выдать заказчику 8D-отчет, который включает в себя визуальный осмотр, анализ внутренней структуры полупроводникового прибора с помощью рентгена и сканирующей электронной микроскопии, результаты электрического тестирования и выводы о возможных причинах отказа.
Узнать больше о продукции SUNCO можно на страницах каталога:
Получить ответы на все возникшие вопросы помогут ваши менеджеры и специалисты КОМПЭЛ.








Наши информационные каналы