Основные компоненты зарядной станции для электротранспорта 10…300 кВ
24 мая 2024
Людмила Мельникова (г. Ростов-на-Дону)
На выбор конструкции зарядных станций для электромобилей и других видов электрического транспорта влияет множество факторов: от типа используемого тока, выходной мощности и потребительского назначения до требований региональных технических стандартов. При этом в основе любой зарядной станции для электротранспорта – выпрямители, дискретные IGBT, SiC- MOSFET и другие силовые компоненты, в том числе – производства известных китайских компаний, доступные российским потребителям.
Ключевой принцип, по которому различаются современные электрозарядные станции, заключается в стандарте преобразования энергии: зарядная система АС (alternative current) основана на переменном токе, а система DC (direct current) – на постоянном. Выбранный стандарт зарядной системы напрямую влияет на конструкцию как самой станции, так и электрического транспортного средства.
До недавнего времени наиболее востребованной считалась зарядная система АС, которая требует наличия в автомобиле оборудования для преобразования тока из переменного в постоянный. Такая схема заряда занимает немало времени – процесс восполнения аккумулятора электромобиля может длиться до 22 часов.
Более современная система DC предполагает размещение модуля для трансформации тока в самой зарядной станции (рисунок 1). Благодаря принципиальному отличию в уровне мощности время зарядки аккумулятора электротранспорта в таком случае сокращается до получаса.

Рис. 1. Принцип работы медленных (а) и быстрых зарядных станций (б)
Используемые зарядные системы, оборудование и время самого процесса лежат в основе коммерческой градации зарядных станций для электротранспорта:
- Медленные зарядные станции используют систему АС и подают на зарядные устройства электротранспорта переменный ток до 6 кВт. По сути, это привычные бытовые зарядки, которые подключаются к розетке 110…120 В и рассчитаны на выходной ток 6…8 А – такие устройства до сих пор используются в домашних условиях. Однако восполнять аккумулятор электротранспорта с их помощью придется долго: например, Nissan Leaf будет заряжаться таким образом более 6 часов.
- Средние зарядные станции также используют стандарт АС, но обладают мощностью от 7 до 22 кВт. Это уже специализированные устройства, которые требуют от центральной электросети 220…240 В и обеспечивают на выходе ток до 30А. На текущий момент это самый распространенный вариант зарядной станции для личных электрокаров – в среднем, аккумулятор автомобиля восполняется за 4…5 часов.
- Быстрые зарядные станции чаще всего устанавливают для общественного пользования или в транспортных парках – это устройства системы DC (рисунок 2) мощностью 50…100 кВт. Они потребляют 480 В и способны передать аккумулятору электротранспорта сотни ампер: уже упомянутый Nissan Leaf восполнит уровень заряда всего за полчаса.
- Ультрабыстрые зарядные системы справятся с этой задачей минут за 15-20 – они передают прямой ток DC мощностью от 150 до 300 кВт.

Рис. 2. Принцип действия быстрых и ультрабыстрых зарядных станций
Также на структуру зарядной станции для электротранспорта влияют действующие в регионе технические стандарты, которые определяют основные компоненты таких устройств и их характеристики, в том числе значения используемого напряжения, тока и формат разъемов (рисунок 3).

Рис. 3. Международные технические стандарты для зарядных станций
Международного единения в этом вопросе пока не достигли: например, в Китае используется стандарт GB/T, в Европе – CharIN, в Японии – CHAdeMO. В зависимости от региона использования электротранспорта, отдельно определяются требования к электробезопасности (например, IEC 60950), которые регламентируют применение электромагнитных и емкостных (VDE V 0844–11) технологий гальванических развязок, а также изоляции цепей с помощью опторазвязок (UL1577).
Структура современной зарядной станции
В зависимости от указанных выше условий разработчики зарядных станций должны выбрать наиболее оптимальный вариант конструкции устройства, который при этом будет отвечать запросам потребителей. Для этих целей чаще всего используется модульный принцип построения зарядной станции, позволяющий спроектировать по типовой схеме устройство в соответствии с конкретными требованиями по выходной мощности, силе тока и другим параметрам.
Основой такого принципа является силовой субмодуль (рисунок 4) с гальванической изоляцией. Например, в основе быстрой зарядной станции на 50 кВт, созданной по этому принципу, лежат три отдельных субмодуля мощностью 16,5 кВт, каждый из которых, в свою очередь, состоит из блоков мощностью 5,5 кВт.

Рис. 4. Субмодуль зарядной станции
При необходимости количество таких субмодулей можно менять – подобный подход позволяет создавать многоуровневые и многофазные комбинации с разными значениями выходной мощности под запрос конкретного заказчика (рисунок 5). Важный момент: в случае выхода из строя одного из модулей система переходит на конфигурацию работы с пониженной мощностью, что дает возможность бесперебойного функционирования устройства до завершения ремонта.

Рис. 5. Зарядная станция из соединенных субмодулей
В зависимости от требований по типу тока, выходной мощности, габаритам и себестоимости устройства, силовая часть зарядной станции для электротранспорта может представлять собой систему из субмодулей на дискретных компонентах (рисунок 6) или на силовых модулях (рисунок 7). В случаях, когда одним из основополагающих параметров зарядной станции становятся ее габариты, оптимальным решением может стать использование субмодулей на основе SiC-компонентов (рисунок 8).

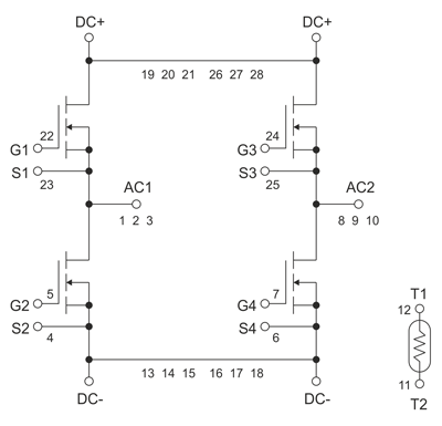
Рис. 6. Субмодуль на дискретных компонентах

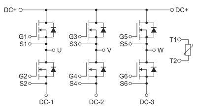
Рис. 7. Субмодуль на силовых модулях

Рис. 8. Соединение субмодулей с SiC-компонентами
Модульный принцип также используется для создания зарядного парка из нескольких мощных зарядных станций – в этом случае сами устройства выступают в качестве модулей. В практике для создания такого парка мощностью до 2…3 МВт требуются от 6 до 8 зарядных станций, питание которых обеспечивается с помощью высокоэффективного трансформатора среднего напряжения от 22 до 500 кВ.
Разумеется, в схему зарядной станции, кроме транзисторов, входят десятки защитных компонентов, а также других электромеханических компонентов, в том числе контакторов, конденсаторов, датчиков тока (рисунок 9 и 10).

Рис. 9. Общая схема субмодуля

Рис. 10. Вариант однонаправленного субмодуля мощностью 50 кВт (а), вариант однонаправленного субмодуля мощностью 30 кВт (б), вариант неизолированного субмодуля мощностью 50 кВт (в)
Схемотехнические решения могут варьироваться в зависимости от назначения и требуемой мощности. Однако все варианты могут быть построены как на базе дискретных компонентов, так и на базе силовых модулей с различными топологиями.
Основные компоненты силового модуля для зарядной станции
Одним из принципиальных процессов работы силовой части современной зарядной станции DC для электротранспорта является преобразование переменного тока в постоянный. Варианты этого преобразования могут включать активный выпрямитель или многоимпульсное пассивное выпрямление для соответствия гармоникам тока, удовлетворяющим стандартам.
Для российских потребителей доступен широкий выбор выпрямительных компонентов от ведущих мировых производителей силовых элементов (таблица 1). Наиболее популярны выпрямители с током If от 10 до 60 А и напряжением до 650 В в различных исполнениях.
Таблица 1. Выбор выпрямительных компонентов для зарядной станции
В современных зарядных станциях чаще всего используются два типа преобразователей. Для повышения КПД системы, особенно при высоком входном напряжении в качестве транзисторов проектировщики зарядных станций применяют дискретные SiC MOSFET (таблица 2), которые подойдут для работы на частотах выше 20 кГц при напряжениях питания до 300 В.
Таблица 2. Выбор дискретных SiC MOSFET для зарядной станции
| Корпус | Rds(ON), Ом | Id, А | 650 В | 1200 В |
|---|---|---|---|---|
TO-247-4L![]() |
20 | 118 | – | CRXQF17M120G1 (CR Micro) |
| 107 | YJD206520NCFGH | – | ||
| 97 | CRXQF25M065G1(CR Micro) | – | ||
| 30 | 78 | – | YJD212030NCFGH | |
| 65 | – | AS1M025120T/ANBON | ||
| 66 | – | YJD212040NCFG2 | ||
| 60 | WSCM035R65T2C | WSCM032R120T2C | ||
| 87 | WSCM32R120T2B | |||
| 40 | 66 | – | CRXQF40M120G2Z (CRMicro) | |
| 63 | – | YJD212040NCFG1 | ||
| 55 | – | CRXQF40M120G1 (CR Micro) | ||
| 49 | CRXQF45M065G1 (CR Micro) | – | ||
| 50 | 60 | YJD206550NCFGH | – | |
| – | AS1M040120T | |||
| 60 | 44 | – | YJD212060NCFGH | |
| – | H1M120Q060 | |||
| 37 | CRXQF60M065G2Z (CR Micro) | – | ||
| 30 | WSCM060R65T2C (Wayon) | – | ||
| 80 | 28 | – | WSCM80R120T2C | |
| 32 | – | CRXQF75M120G2Z (CR Micro) | ||
| 33 | – | YJD212080NCFG1 | ||
| 36 | – | CRXQF80M120G1 (CR Micro) | ||
| 44 | – | WSCM75R120T2B | ||
| 100 | 32 | YJD2065100NCFGH | – | |
| 36 | – | AS1M080120T | ||
| 120 | 24 | – | YJD2120120NCFGH | |
| 160 | 18 | – | CRXQF160M120G1 (CR Micro) | |
| 17 | – | WSCM160R120T2C | ||
| 200 | 16 | YJD2065200NCFGH | – | |
| 18 | – | AS1M160120T | ||
|
TO-247-3L |
20 | 118 | – | CRXQ17M120G1 (CR Micro) |
| 107 | YJD206520NCTGH | – | ||
| 97 | CRXQ25M065G1 | – | ||
| 30 | 90 | – | AS1M025120P | |
| 87 | – | WSCM32J120T2B | ||
| 78 | – | YJD212030NCTGH | ||
| 66 | – | YJD212040NCTG2 | ||
| 60 | WSCM035J65T2C | – | ||
| 40 | 66 | – | CRXQ40M120G2Z (CR Micro) | |
| 63 | – | YJD212040NCTG1 | ||
| 49 | CRXQ45M065G1 | – | ||
| 50 | 60 | YJD206550NCTGH | – | |
| – | AS1M040120P | |||
| 60 | 44-60 | YJD206560NCTGH | YJD212060NCTGH | |
| 37 | CRXQ60M065G1 (CR MICRO) | – | ||
| 80 | 44 | – | WSCM75J120T2B | |
| 38 | – | YJD212080NCTG1 | ||
| 37 | AS1M060065P | – | ||
| 36 | – | CRXQ80M120G1 (CR Micro) | ||
| 33 | – | YJD212080NCTGH | ||
| 32 | – | CRXQ75M120G2Z (CR Micro) | ||
| 29 | AS2M060065P | – | ||
| 100 | 36 | – | AS1M080120P | |
| 32 | YJD2065100NCTGH | – | ||
| 120 | 24 | – | YJD2120120NCTGH | |
| 160 | 18 | – | CRXQ160M120G1 (CR Micro) | |
| 200 | 18 | – | AS1M160120P | |
| 16 | YJD2065200NCTGH | – | ||
|
TO-252/D2PAK |
120 | 24 | – | YJD2120120BGH |
| 200 | 19 | YJD2065200BGH | – | |
| 18 | – | AS1M160120D | ||
| 240 | 13 | – | YJD2120240BGH | |
|
TO-263 |
30 | 60 | – | WSCM032MA120T2C |
| 80 | 36 | – | CRXSP80M120G1 | |
| 32 | – | CRXSP75M120G2Z | ||
| 28 | – | WSCM80MA120T2C | ||
| 120 | 24 | – | YJD2120120B7GH | |
| 140 | 18 | – | CRXSP160M120G1 | |
| 200 | 19 | YJD2065200B7GH | – | |
| 240 | 13 | – | YJD2120240B7GH |
В низкочастотных сегментах силовой конструкции зарядной станции (до 20 кГц), при напряжениях питания 1000 В и больше, предпочтительней использовать дискретные IGBT (таблица 3).
Таблица 3. Выбор дискретных IGBT для зарядной станции
| Корпус | Ic, А | 650 В | 1200 В |
|---|---|---|---|
TO-247-4L ![]() |
50 | DGZ50N65CTS2A | – |
| 75 | DGZC75N65CTH2A | – | |
| 80 | NCE80TD65BT4 | – | |
TO-247-3L![]() |
25 | – | DG25X12T2 |
| – | CRG25T120BK3SD | ||
| – | DGW25N120CTL | ||
| 30 | DG30X07T2 | – | |
| 40 | CRG40T65AK5SD | DG40X12T2 | |
| NCE40TD65BT | DGW40N120CTL | ||
| 50 | DG50X07T2 | – | |
| CRG50T65AK5SD | – | ||
| 60 | CRG60T60AK3SD | – | |
| NCE60TD65BT | – | ||
| 75 | CRG75T60AK3HD | – | |
| 80 | NCE80TD65BT | – |
В особо ответственных и критических сегментах силовой цепи рекомендуется использовать высокоинтегрированные MOSFET-модули на основе карбида кремния (SiC), которые отличаются высокой плотностью мощности и быстрой скоростью переключения, а также обеспечивают безопасную работу на высоких частотах. SiC MOSFET-модули (таблица 4) выполнены в разной топологии: полумоста, Н-моста, трехфазного полумоста и Boost-Chopper.
Таблица 4. Выбор SiC MOSFET-модулей для зарядной станции
| Корпус | Топология | 1200V |
|---|---|---|
Easy 1B![]() |
3-х фазный полумост![]() |
MD15FSR120L2SF |
Полумост![]() |
DFS36FB12EYQ1 | |
| DFS80FB12EYQ1 | ||
| DFS40HF12EYQ1 | ||
| DFS12HF12EYQ1 | ||
| DFS05HF12EYR1 | ||
Н-мост![]() |
DFS40HH12EYQ1 | |
| DFS26HH12EYQ1 | ||
Boost-Chopper*![]() |
– | |
Easy 2B![]() |
Полумост![]() |
DFS10HF12EZC1 |
| DFS06HF12EZC1 | ||
| DFS04HF12EZC1 | ||
Н-мост![]() |
DFS20HH12EZC1 | |
| DFS10HH12EZC1 | ||
62mm![]() |
Полумост![]() |
LWS120H12A8L (BYSM) |
| LWS250H12A8L (BYSM) | ||
| LWS400H12A8L (BYSM) | ||
| MD120HFR120C2S | ||
| MD200HFR120C2S | ||
| MD300HFR120C2S | ||
Econodual![]() |
DFS400HF12I5B3 | |
| DFS600HF12I5B3 | ||
| DFS800HF12I5B3 | ||
| LES400H12A8L-2M | ||
| LES650H12A8L-2M |
* – 650V P1C065BS200P36 в корпусе Easy 1B.
Силовые пассивные и защитные компоненты модуля для зарядной станции
Для поддержания работы силовой системы и фильтрования частот разного уровня в зарядных станциях, особенно – для звена постоянного тока, используются конденсаторы разных типов, которые различаются как по эксплуатационным характеристикам, так и по степени интеграции с силовыми компонентами (таблица 5). На разных этапах преобразования вида тока конструктивно необходимы DC-LINK-конденсаторы и разнофазовые AC-фильтрующие конденсаторы, конденсаторы для коррекции коэффициента мощности и сопротивления в цепи и так далее
Таблица 5. Выбор конденсаторов для зарядной станции
| Тип | FARATRONIC | YZPST | HONGFA | Внешний вид |
|---|---|---|---|---|
| DC-LINK-конденсаторы на плату 500Vdc~1,2kVdc, 1μF ~140μF | – | + | + | ![]() |
| DC-LINK-конденсаторы LowESR и LowESL (<8nH) 500Vdc ~1,5kVdc, 100μF ~6000μF | + | + | – | ![]() |
| DC-LINK конденсаторы с болтовым соединением 600Vdc~4kVdc, 24μF ~ 5600μF | + | + | + | ![]() |
| Высоковольтные DC-LINK конденсаторы 2kVdc~6kVdc, 1μF ~140μF | + | + | – | ![]() |
| Кастомизированные DC-LINK конденсаторы (кастомные габариты и тип выводов) | + | + | – | ![]() |
| Снабберные конденсаторы на модуль IGBT 630Vdc ~ 3kVdc, 0.047μF ~ 9.0μF | + | + | + | ![]() |
| PFC-конденсаторы коррекции коэффициента мощности 440Vac ~ 690Vac, 50Hz/60Hz, 5kvar ~ 50kvar | + | + | + | ![]() |
| AC-фильтрующие конденсаторы 1-фазные 250VAC~850VAC, 50Hz/60Hz, 10μF ~ 600μF | + | + | + | ![]() |
| AC-фильтрующие конденсаторы 3-х фазные 230VAC ~ 850VAC, 50Hz/60Hz, 8μF ~ 330μF | + | + | + | ![]() |
При проектировании зарядных станций разработчик может использовать как специализированные предохранители для электротранспорта, так и предохранители общего промышленного применения. В случаях, когда по типу системы зарядной станции необходимо наличие микровыключателя, подойдут предохранители для UPS и хранения энергии, для ультрабыстрой реакции – предохранители для защиты силовых полупроводников (таблица 6).
Важно: возможность использования тех или иных видов предохранителей прописана в региональных стандартах по общей электробезопасности.
Таблица 6. Выбор предохранителей для зарядной станции на примере ассортимента компаний HOLLY LAND, YZPST, ADLER/ASTM
| Международное название предохранителей |
Технические характеристики | Сфера применения |
|---|---|---|
| EV Electric Vehicle and Charging Equipment Protection |
|
Для электротранспорта и зарядных станций |
| Industrial Power Fuse |
|
Предохранители общего промышленного применения |
| Energy storage system (ESS) Fuse |
|
Предохранители для UPS и хранения энергии |
| Semiconductor Fuses |
|
Предохранители для защиты силовых полупроводников (IGBT\тиристоры, диоды) |
В высокоточной системе зарядной станции существенную роль играют коммуникационные элементы – контакторы, силовые и бистабильные реле, которые отличаются форм-факторами, скоростью переключения, напряжением катушки и степенью изоляции.
Вне зависимости от функционала они обязаны соответствовать всем требованиям по прочности, механической долговечности, а также стойкости к рабочим и предельным нагрузкам (таблица 7).
Таблица 7. Выбор контакторов и реле для зарядной станции на примере ассортимента SANYOU
| Варианты контакторов | Технические особенности | Внешний вид |
|---|---|---|
| Контакторы, силовые и силовые бистабильные реле |
|
![]() |
Для снижения энергопотребления и повышения эффективности работы всей системы зарядной станции необходимо на каждом этапе передачи и трансформации энергии замерять датчиками тока значения с минимальными погрешностями. В такой конструкции используются сразу несколько методов измерения тока, которые различаются по принципам действия: например, шунтовые и дискретные с датчиком Холла – для непрерывного контроля, трансформаторы тока – для определения величины переменного тока с высокой точностью (таблица 8).
Таблица 8. Выбор датчиков тока для зарядной станции
| Тип | Интегральные (встроенный шунт, изолированные) | Дискретные (с датчиком Холла) | Трансформаторы тока | Датчики холла линейные (элемент датчика тока) |
|---|---|---|---|---|
| Внешний вид | ![]() |
![]() |
![]() |
![]() |
| NOVOSENSE | + | – | – | – |
| MAGNTEK | + | – | – | + |
| CHEEMI | – | + | + | – |
| COSEMI | + | – | – | + |
| ZEMING | – | + | + | – |
| OSWELL | – | + | + | – |
| NCR | – | – | + | – |
| HONGFA | – | + | + | – |
| MORNSUN | – | + | – | – |
Для отвода лишнего тепла от модулей зарядной станции, в зависимости от параметров устройства системы, разработчики используют АС-вентиляторы, работающие на переменном токе, DC-вентиляторы для систем на постоянном токе, а также электронно-коммутируемые ЕС-вентиляторы, которые отличаются компактными размерами и низким уровнем шума при сравнительно высокой мощности.
При необходимости охлаждения устройства по всей площади используются осевые вентиляторы (таблица 9), для охлаждения определенной части устройства – центробежные (таблица 10). Подробнее о использовании разных видов вентиляторов для силовых установок читайте в статье.
Таблица 9. Выбор осевых вентиляторов зарядной станции
| Вид осевого вентилятора | Особенности | Внешний вид |
|---|---|---|
| DC |
|
![]() |
| AC |
|
![]() |
| EC |
|
![]() |
Таблица 10. Выбор центробежных вентиляторов зарядной станции
| Вид осевого вентилятора | Особенности | Внешний вид |
|---|---|---|
| AC |
|
![]() ![]() |
| EC |
|
![]() |
Электромеханика и силовые разъемы
Если выбор конкретного силового компонента для системы субмодулей зарядной станции зависит от технических и монтажных требований, то при определении модели и производителя силовых разъемов электрозарядки (таблица 11) и других элементов электромеханики проектировщик должен ориентироваться, в первую очередь, на технический стандарт, действующий в регионе использования его устройства.
Таблица 11. Выбор зарядных пистолетов для зарядной станции на примере ассортимента Degson, Wain, KLS
| Вид зарядного устройства | Особенности | Внешний вид |
|---|---|---|
| Зарядные комплекты и разъемы для подключения батарей |
|
![]() |
Как мы уже упоминали, на текущий момент единого международного формата разъемов для подключения батарей не существует. Однако большинство ведущих производителей силового оборудования подготовили для российского рынка ассортимент зарядных комплектов, подходящих для европейских и азиатских стандартов, а также все необходимые аксессуары для них – высокого качества и по адекватной цене.








































Наши информационные каналы